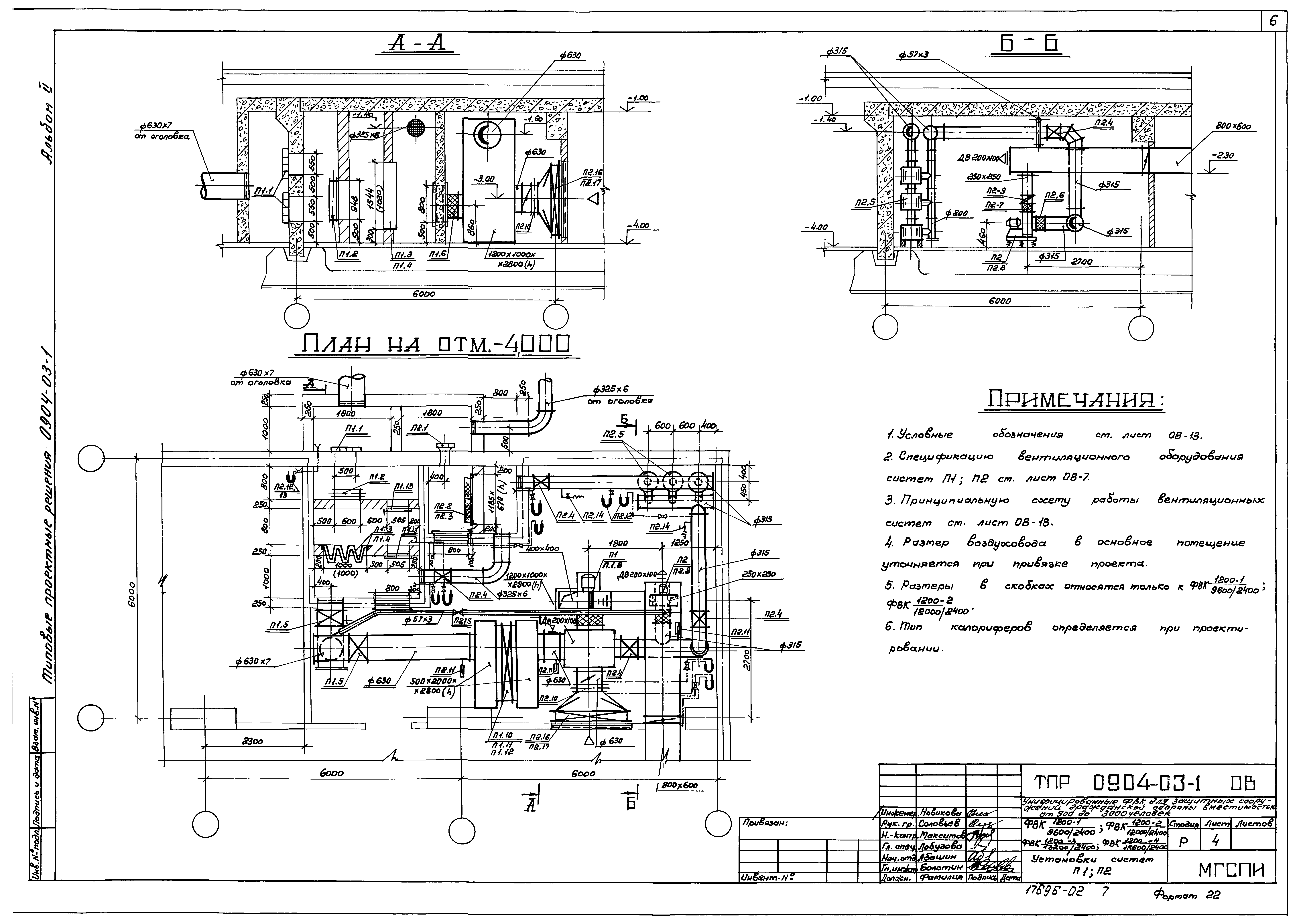
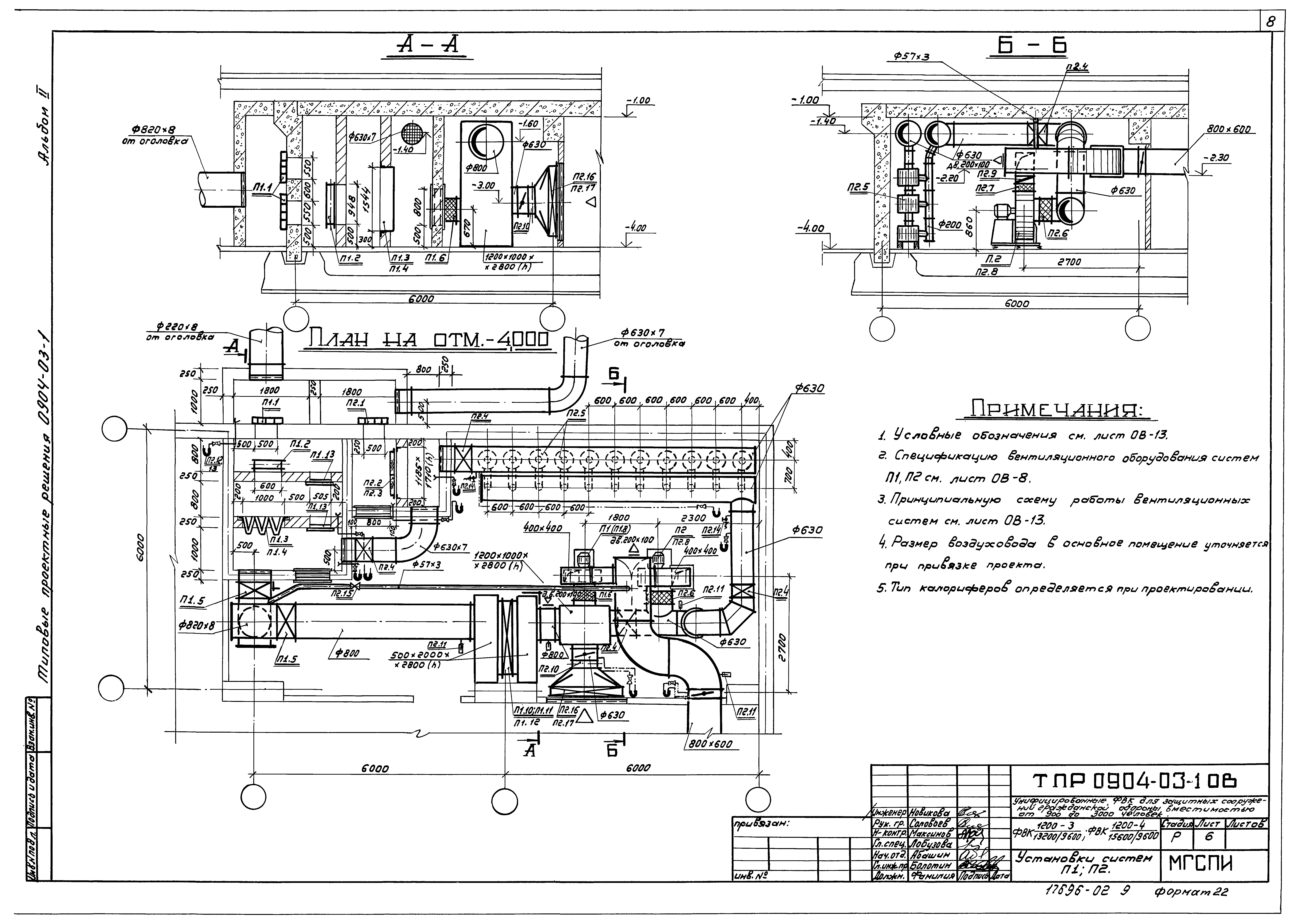
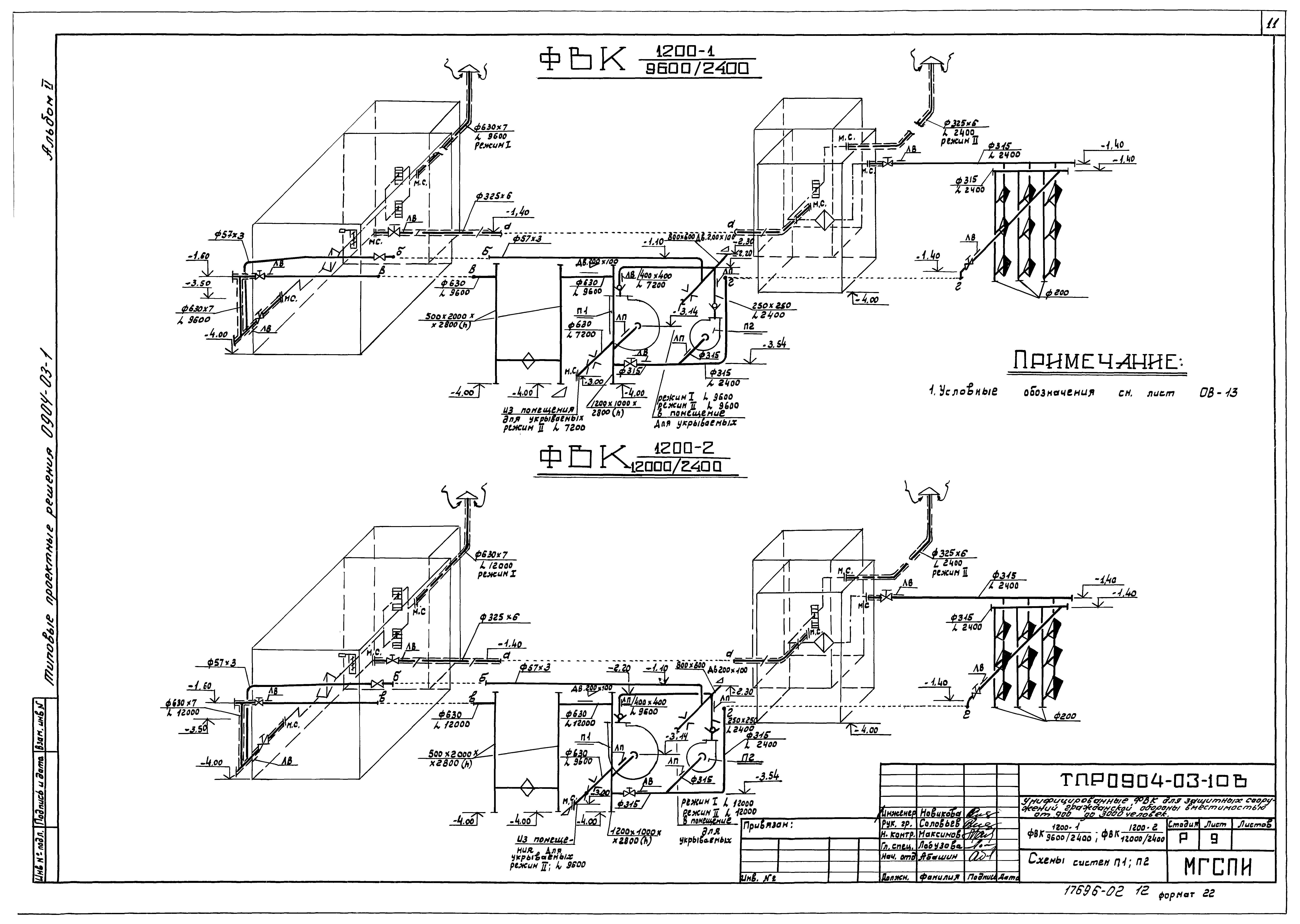
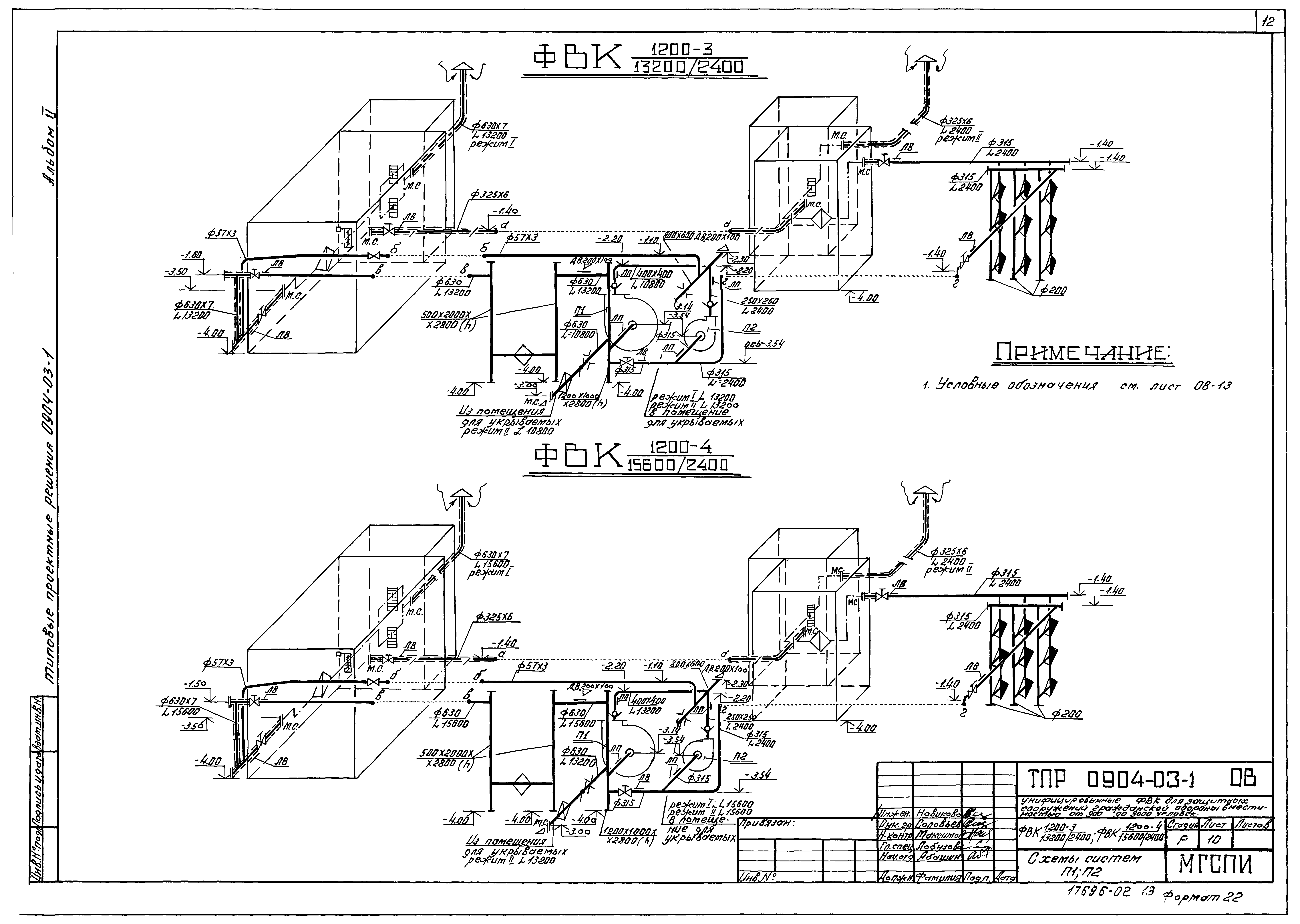
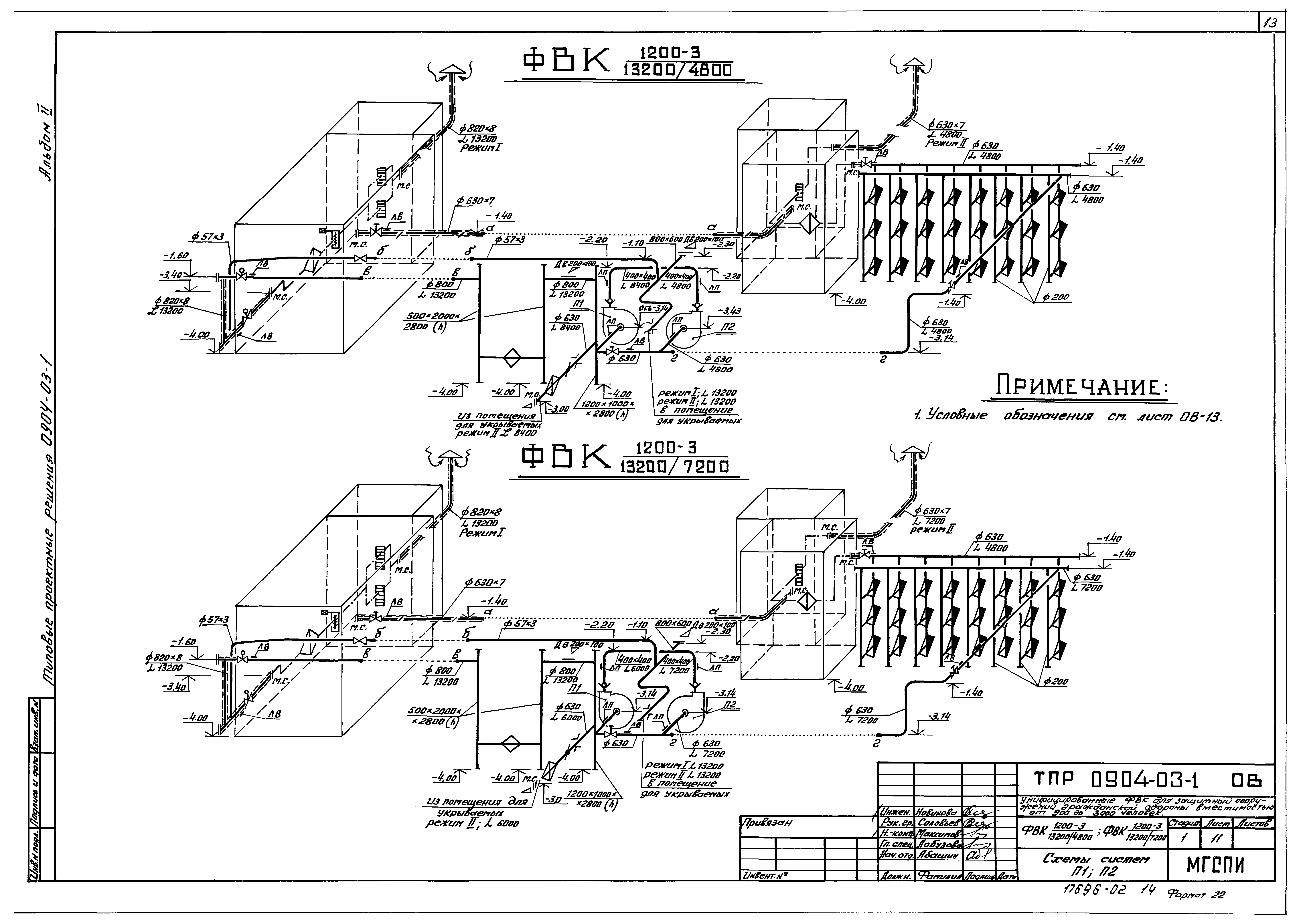
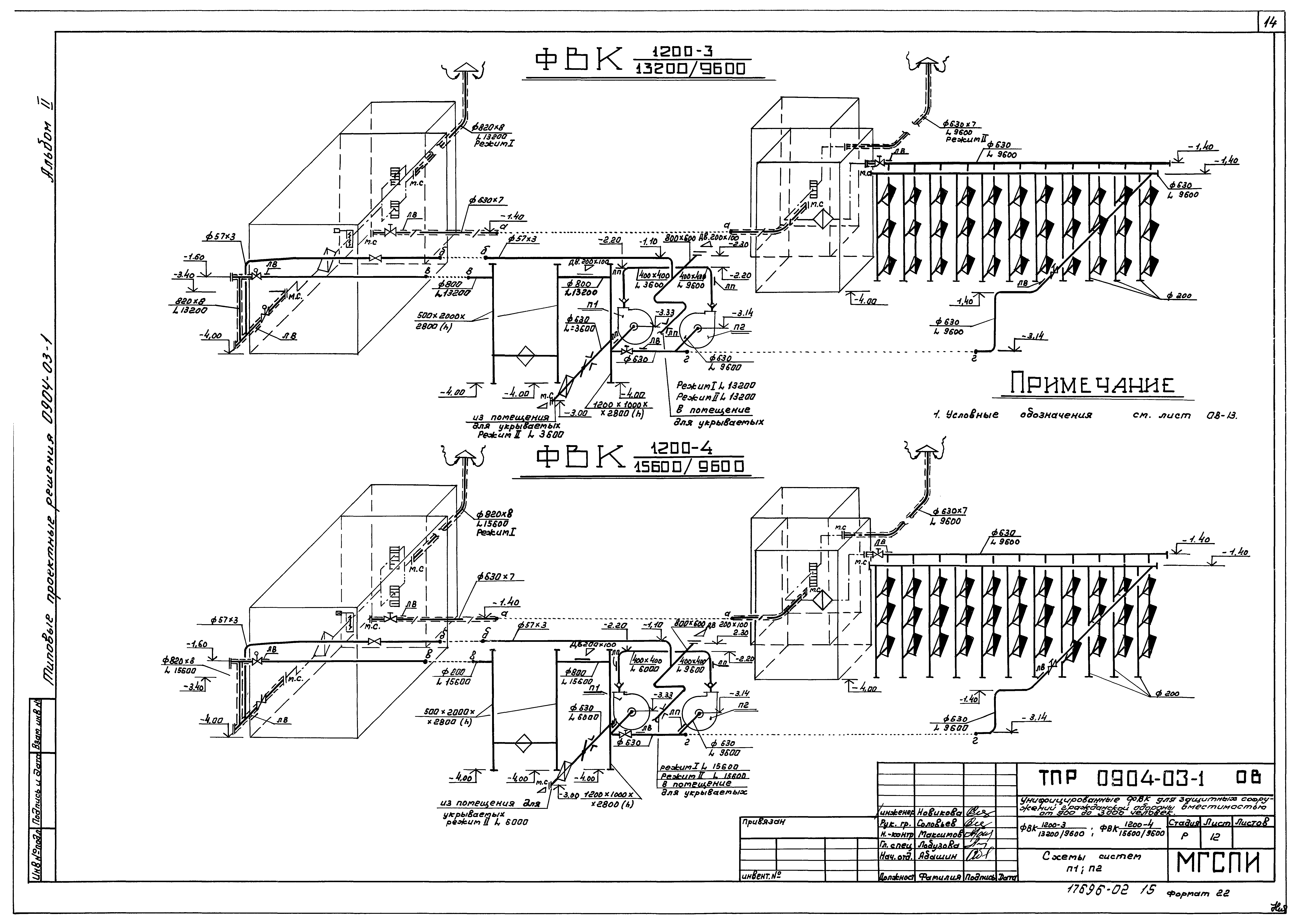
Скачать Типовые проектные решения 0904-03-1 Альбом II. Чертежи ФВК для сооружений вместимостью 1200 человекДата актуализации: 01.01.2021 Типовые проектные решения 0904-03-1
Альбом II. Чертежи ФВК для сооружений вместимостью 1200 человек| Обозначение: | Типовые проектные решения 0904-03-1 | | Обозначение англ: | 0904-03-1 | | Статус: | справочные материалы, мп, тпр | | Название рус.: | Альбом II. Чертежи ФВК для сооружений вместимостью 1200 человек | | Дата добавления в базу: | 01.02.2020 | | Дата актуализации: | 01.01.2021 | | Дата введения: | 01.09.1981 | | Разработан: | МГСПИ
| | Утверждён: | 01.09.1981 Министерство (Ministry )
|
                
|