Скачать Нормативы численности вспомогательных рабочих на открытых горных работах предприятий горнодобывающей промышленностиДата актуализации: 01.01.2021
Нормативы численности вспомогательных рабочих на открытых горных работах предприятий горнодобывающей промышленности| Статус: | справочные материалы, мп, тпр | | Название рус.: | Нормативы численности вспомогательных рабочих на открытых горных работах предприятий горнодобывающей промышленности | | Дата добавления в базу: | 01.02.2020 | | Дата актуализации: | 01.01.2021 | | Область применения: | Нормативы численности рекомендованы для применения на открытых горных работах предприятий горнодобывающей промышленности. | | Оглавление: | Общая часть Организация труда Нормативная часть Глава I. Обслуживание электротехнического хозяйства горных участков Глава II. Управление машинами и механизмами Глава III. Работы, связанные с транспортными средствами Глава IV. Содержание подъездов, дорог для автосамосвалов и создание условий безопасной работы в карьере Глава V. Маркшейдерская служба Глава VI. Учет и контроль качества продукции Глава VII. Обслуживание и производство взрывных работ Глава VIII. Работы по хозяйственному обслуживанию карьеров и прочие работы | | Разработан: | ГИГХС ЦБПНП
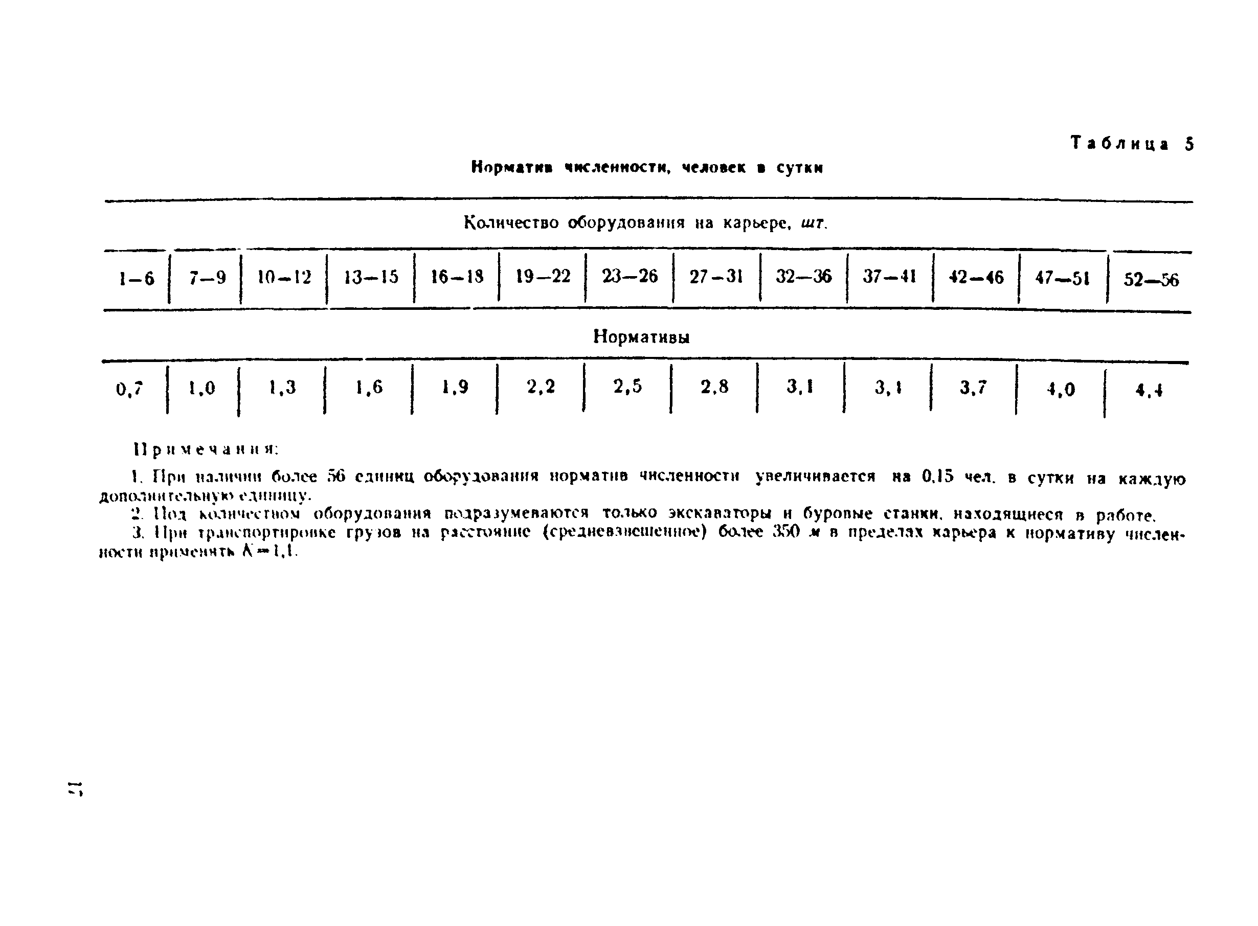
|
                                      
|