Скачать Руководство по определению штатных контингентов в пределах отделения дороги при проектировании новых и переустройстве существующих железных дорог. Часть I

Дата актуализации: 01.01.2021

Руководство по определению штатных контингентов в пределах отделения дороги при проектировании новых и переустройстве существующих железных дорог. Часть I

Статус:справочные материалы, мп, тпр
Название рус.:Руководство по определению штатных контингентов в пределах отделения дороги при проектировании новых и переустройстве существующих железных дорог. Часть I
Дата добавления в базу:01.02.2020
Дата актуализации:01.01.2021
Оглавление:Общая часть
I. Аппарат управления отделений железных дорог
II. Эксплуатационные штаты по службам и подразделениям в пределах отделения железных дорог
   1. Хозяйство движения
   2. Грузовое хозяйство
   3. Пассажирское хозяйство
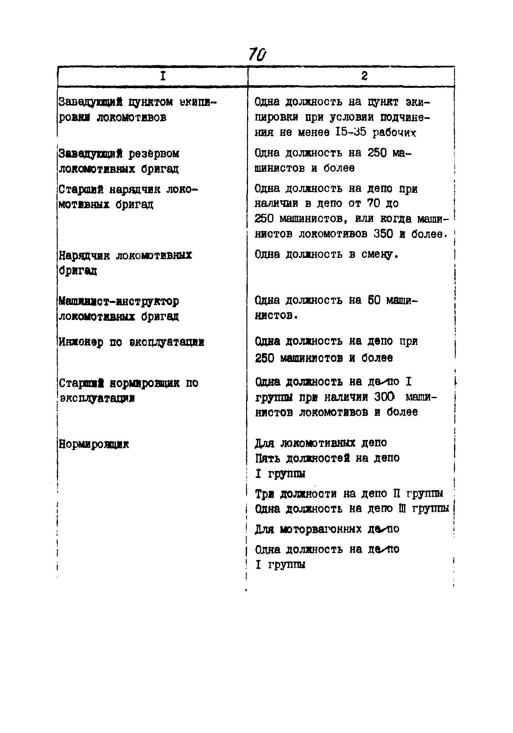
   4. Локомотивное хозяйство
   5. Вагонное хозяйство
   6. Хозяйство пути
   7. Хозяйство защитных лесонасаждений
Разработан: Гипротранс
Утверждён:25.11.1980 Министерство путей сообщения СССР (USSR Ministry of Railroads )
Нормативные ссылки: