Скачать Инструкция по применению Классификации запасов к месторождениям углей и горючих сланцев

Дата актуализации: 01.01.2021

Инструкция по применению Классификации запасов к месторождениям углей и горючих сланцев

Статус:справочные материалы, мп, тпр
Название рус.:Инструкция по применению Классификации запасов к месторождениям углей и горючих сланцев
Дата добавления в базу:01.02.2020
Дата актуализации:01.01.2021
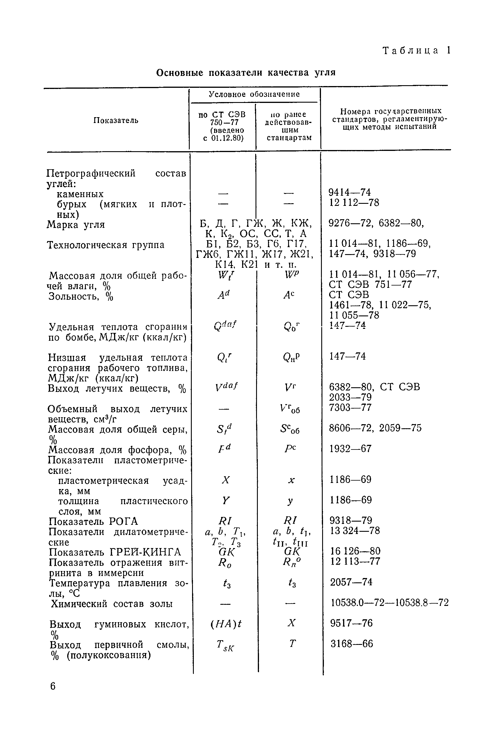
Область применения:Требования Инструкции обязательны для выполнения всеми организациями, независимо от их ведомственной подчиненности, при разведке и разработке месторождений углей и горючих сланцев, проектировании угле- или сланцедобывающих предприятий.
Оглавление:1. Общие сведения
2. Группировка месторождений (участков) по сложности геологического строения для целей разведки
3. Требования к изученности месторождений
4. Требования к подсчету запасов
5. Подготовленность разведанных месторождений для промышленного освоения
Приложение 1. Классификация запасов месторождений и прогнозных ресурсов твердых полезных ископаемых
Приложение 2. Условия использования данных геофизических исследований скважин при подсчете разведанных запасов углей
Утверждён:20.08.1982 ГКЗ СССР (USSR GKZ )
Заменяет собой:
  • «Инструкция по применению Классификации запасов к месторождениям углей и горючих сланцев» (Издание 1968 г.)
Нормативные ссылки: