Скачать Инструкция по противокоррозионной защите армировки стволов, металлоконструкций шахтной поверхности и другого горнотехнического оборудованияДата актуализации: 01.01.2021 |
| Статус: | справочные материалы, мп, тпр |
| Название рус.: | Инструкция по противокоррозионной защите армировки стволов, металлоконструкций шахтной поверхности и другого горнотехнического оборудования |
| Дата добавления в базу: | 01.02.2020 |
| Дата актуализации: | 01.01.2021 |
| Область применения: | Инструкция рекомендуется в качестве руководства при производстве работ по противокоррозионной защите металлоконструкций и оборудования на предприятиях угольной промышленности СССР. |
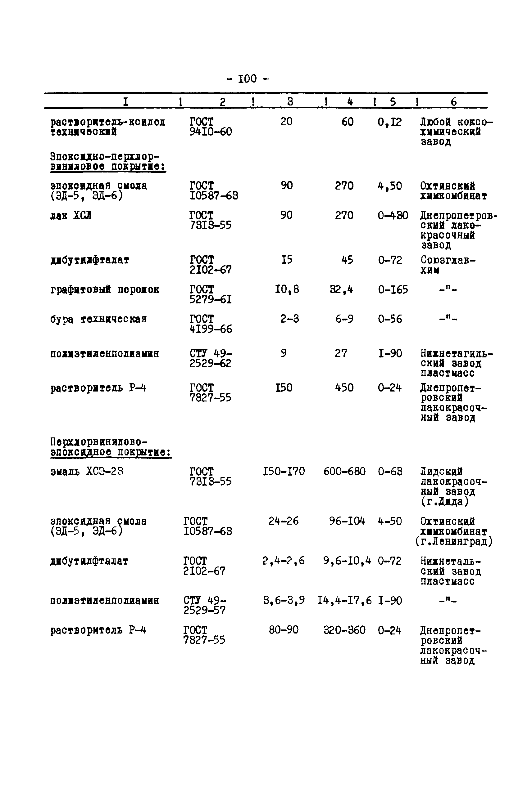
| Оглавление: | 1. Основные положения 2. Технические требования к металлоконструкциям и покрытиям 3. Подготовка поверхности А. Предварительная очистка (методы и составы) Б. Преобразование продуктов коррозии 4. Защита от коррозии подземных металлоконструкций и шахтного оборудования А. Грунтование Б. Рецептура, технология приготовления и нанесения противокоррозионных материалов В. Выбор покрытий для различных видов металлоконструкций (оборудования) 5. Защита надземных металлоконструкций и оборудования шахт и углеобогатительных фабрик 6. Хранение и транспортирование противокоррозионных материалов 7. Методы испытания лакокрасочных материалов и покрытий 8. Техника безопасности Приложение 1 Оборудование для песко- и дробеструйной очистки Приложение 2 Составы для химической очистки поверхности металлоконструкций Приложение 3 Оборудование для приготовления противокоррозионных материалов Приложение 4 Оборудование для нанесения противокоррозионных материалов Приложение 5 Технологическая линия окраски и оснащение окрасочных цехов Приложение 6 Выбор покрытий Приложение 7 Приспособление для окраски плоских поверхностей высотных сооружений Приложение 8 Приспособление для транспортирования труб Приложение 9 Контрольно-измерительные приборы для испытания противокоррозионных материалов Технико-экономические показатели |
| Разработан: | ВНИИОМШС ХО НПО Лакокраспокрытие |
| Утверждён: | 16.08.1973 Министерство угольной промышленности СССР (USSR Ministry of the Coal Industry ) |
| Нормативные ссылки: |
|

















































































































