Скачать Инструкция по проектированию и производству изоляционных работ методом нагнетания тампонажных смесей при ликвидации поглощений промывочной жидкости в скважинах

Дата актуализации: 01.01.2021

Инструкция по проектированию и производству изоляционных работ методом нагнетания тампонажных смесей при ликвидации поглощений промывочной жидкости в скважинах

Статус:справочные материалы, мп, тпр
Название рус.:Инструкция по проектированию и производству изоляционных работ методом нагнетания тампонажных смесей при ликвидации поглощений промывочной жидкости в скважинах
Дата добавления в базу:01.02.2020
Дата актуализации:01.01.2021
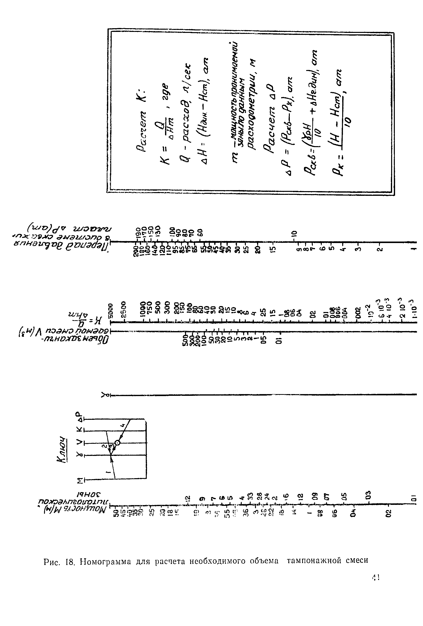
Оглавление:1. Сущность метода нагнетания тампонажной смеси и общая организация работ
2. Характеристика тампонажных смесей на глинистой основе
   а) состав тампонажных смесей на глинистой основе
   б) методика определения свойств тампонажных смесей на глинистой основе
   в) свойства тампонажных смесей на глинистой основе
   г) выбор тампонажной смеси
3. Получение исходных данных для проектирования изоляционных работ в скважине
   а) методика проведения исследований проницаемых горизонтов в скважинах
   б) методика расчета параметров трещиноватости проницаемого горизонта
4. Проектирование работ по изоляции поглощающих горизонтов в скважинах
   а) методика расчета изоляционной завесы вокруг ствола скважины в интервале проницаемого горизонта
   б) методика расчета параметров нагнетания тампонажной смеси
   в) пример расчета изоляционной завесы вокруг ствола скважины
5. Технология производства изоляционных работ
   а) технологические схемы закачки тампонажных смесей в скважины
   б) технология проведения закачек тампонажных смесей под давлением
6. Технические средства для производства изоляционных работ
   а) технические средства для приготовления и закачки тампонажной смеси
   б) технические средства для перекрытия ствола скважины
7. Техника безопасности при проведении изоляционных работ методом нагнетания
Утверждён: Министерство угольной промышленности СССР (USSR Ministry of the Coal Industry )