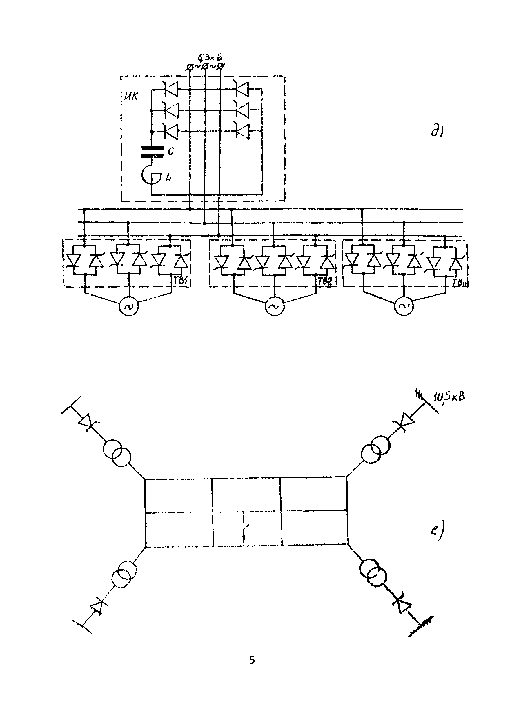
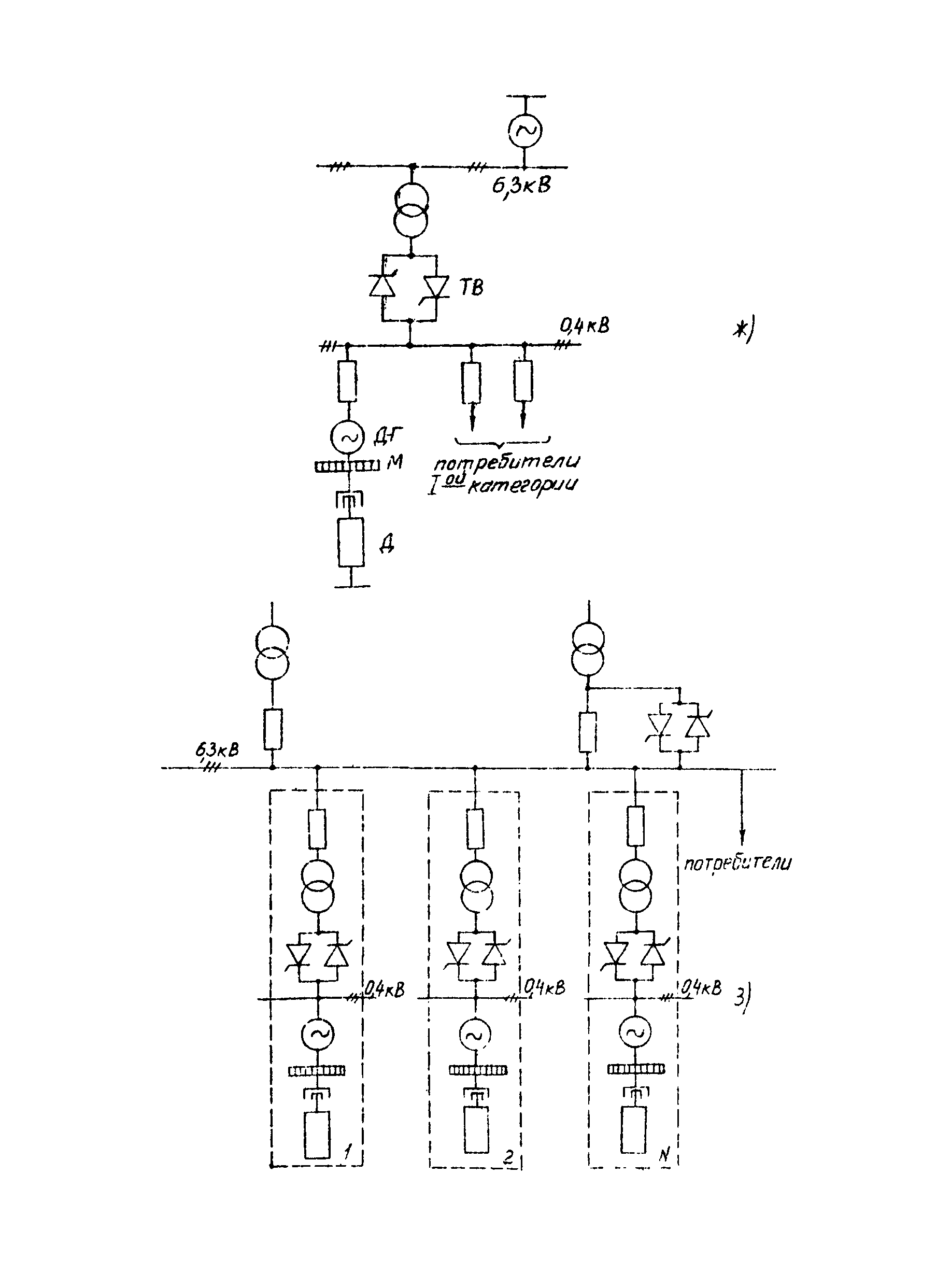
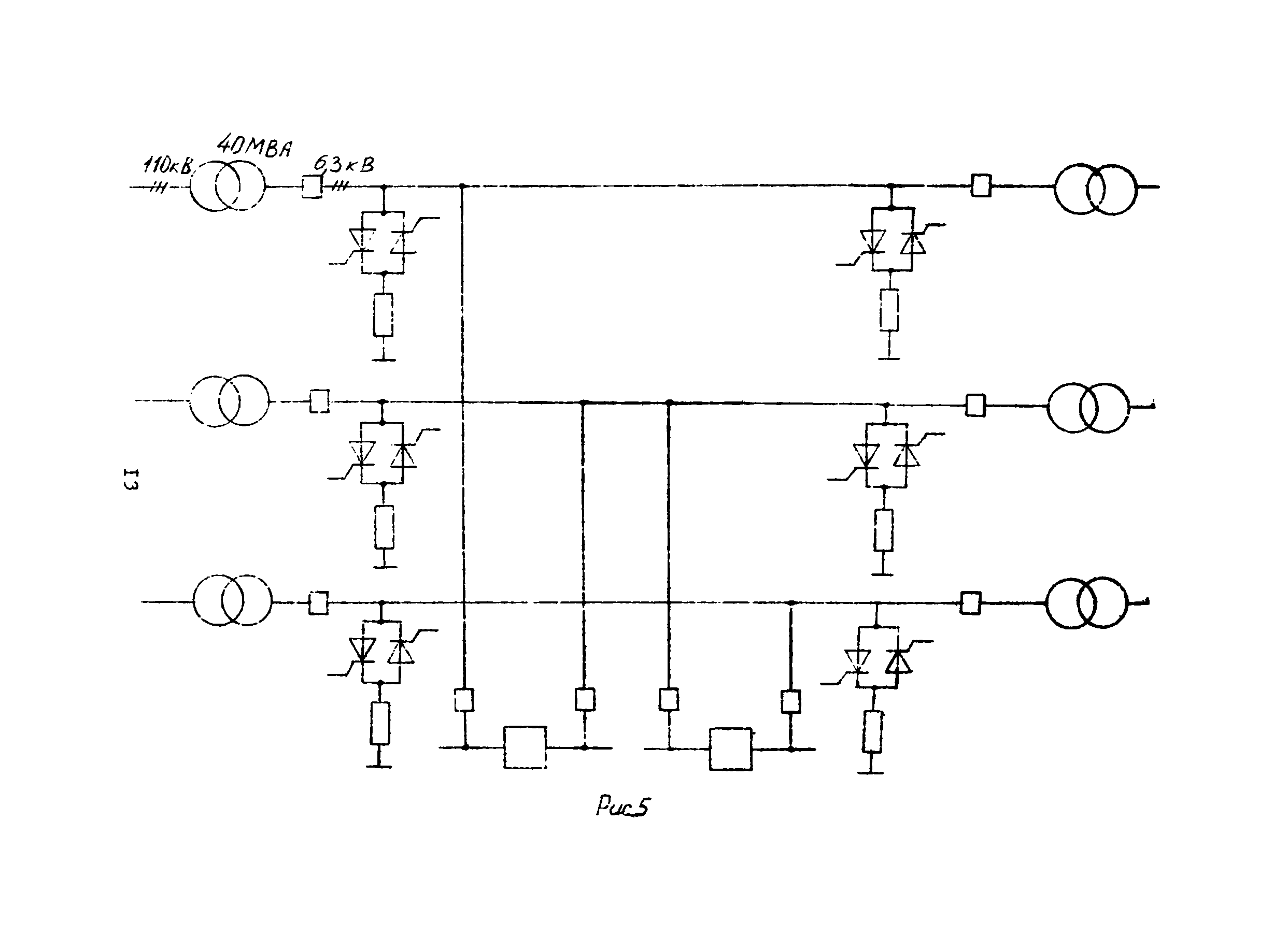
Скачать Рекомендации по проектированию систем электроснабжения с высоковольтной бесконтактной аппаратуройДата актуализации: 01.01.2021
Рекомендации по проектированию систем электроснабжения с высоковольтной бесконтактной аппаратурой| Статус: | справочные материалы, мп, тпр | | Название рус.: | Рекомендации по проектированию систем электроснабжения с высоковольтной бесконтактной аппаратурой | | Дата добавления в базу: | 01.02.2020 | | Дата актуализации: | 01.01.2021 | | Разработан: | ВНИИПроектэлектромонтаж
| | Утверждён: | Министерство монтажных и специальных строительных работ СССР (USSR Ministry of Industrial Installations and Military Construction ) Главэлектромонтаж (Glavelektromontazh )
|
                   
|