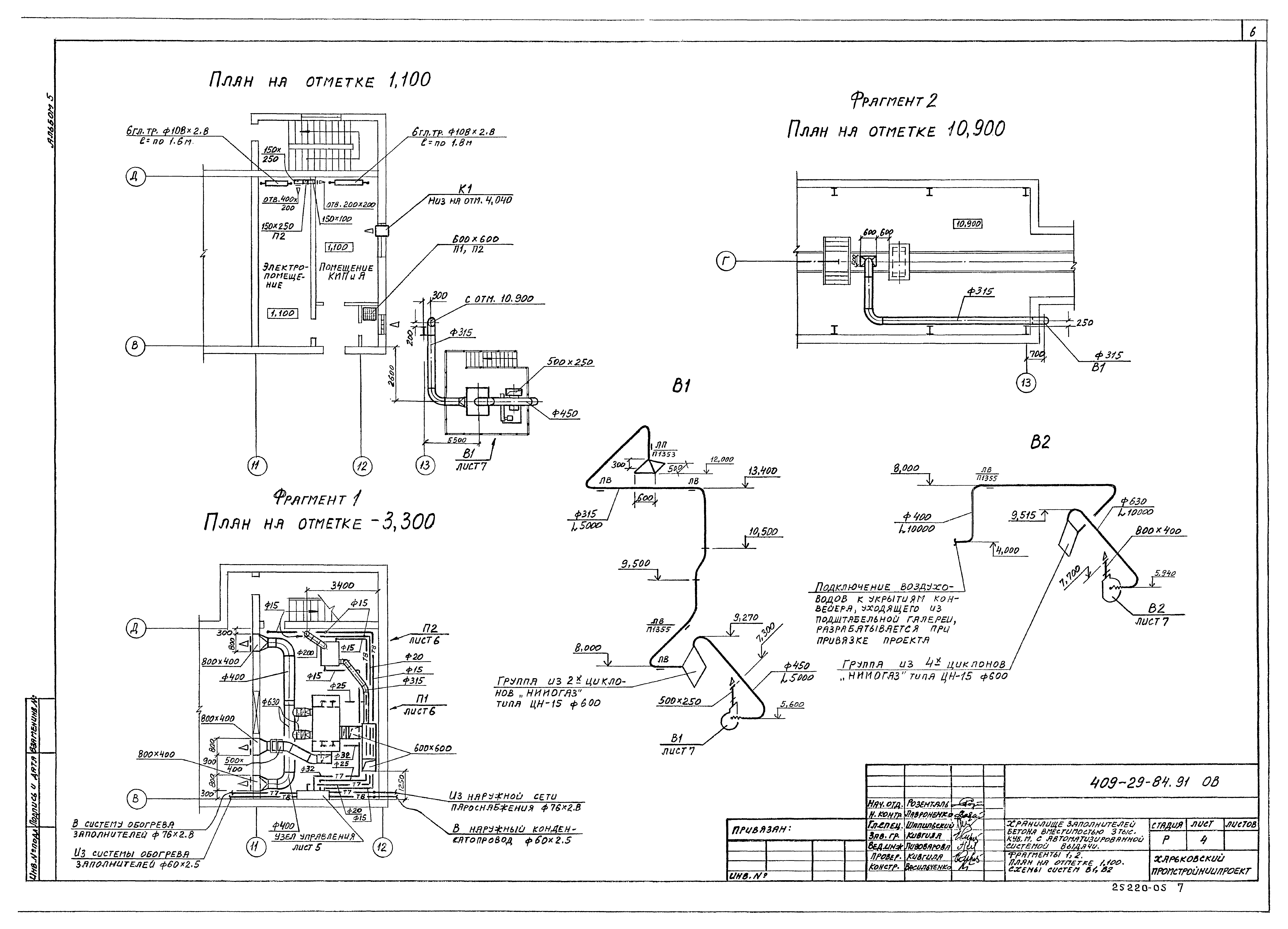
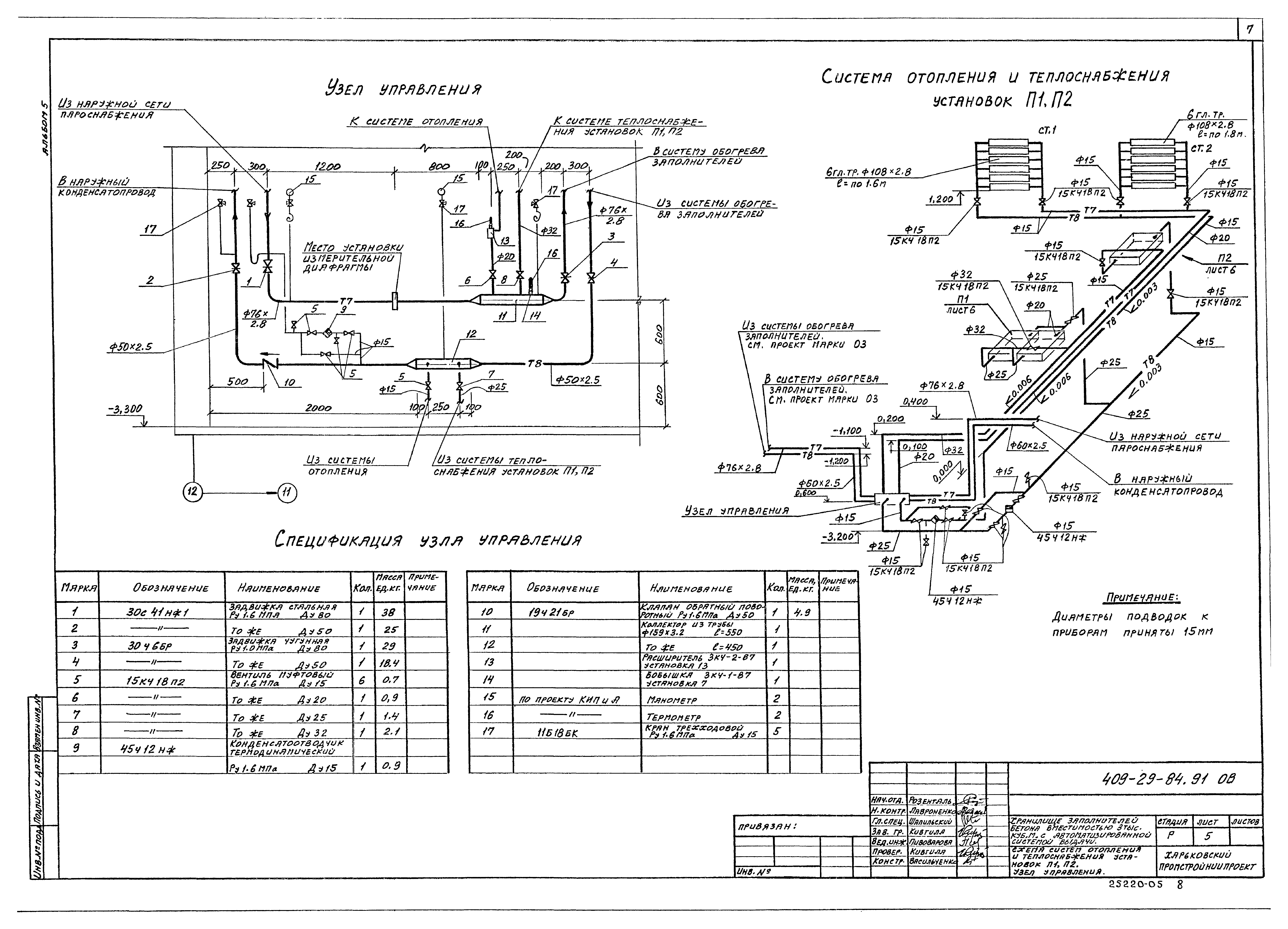
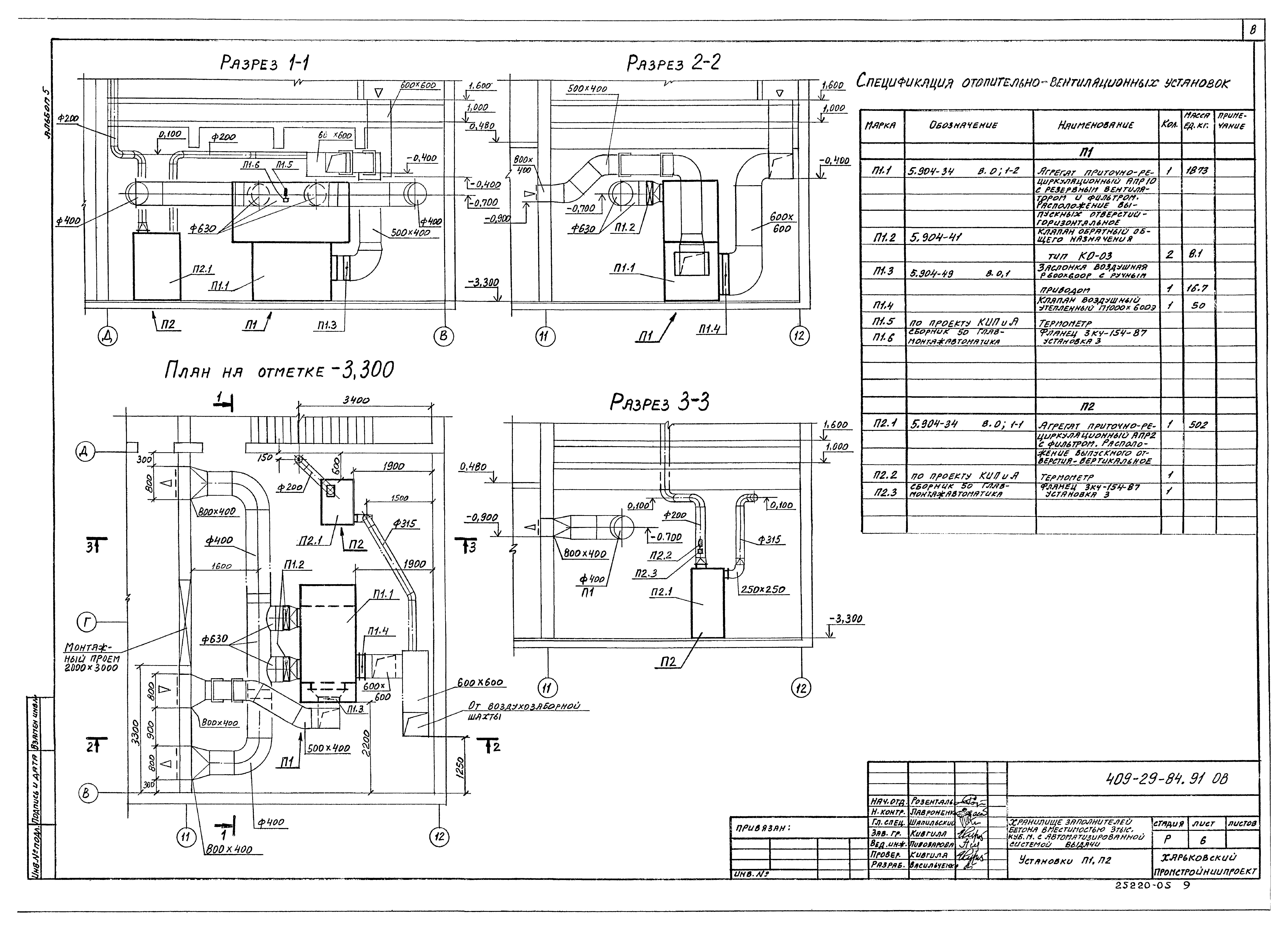
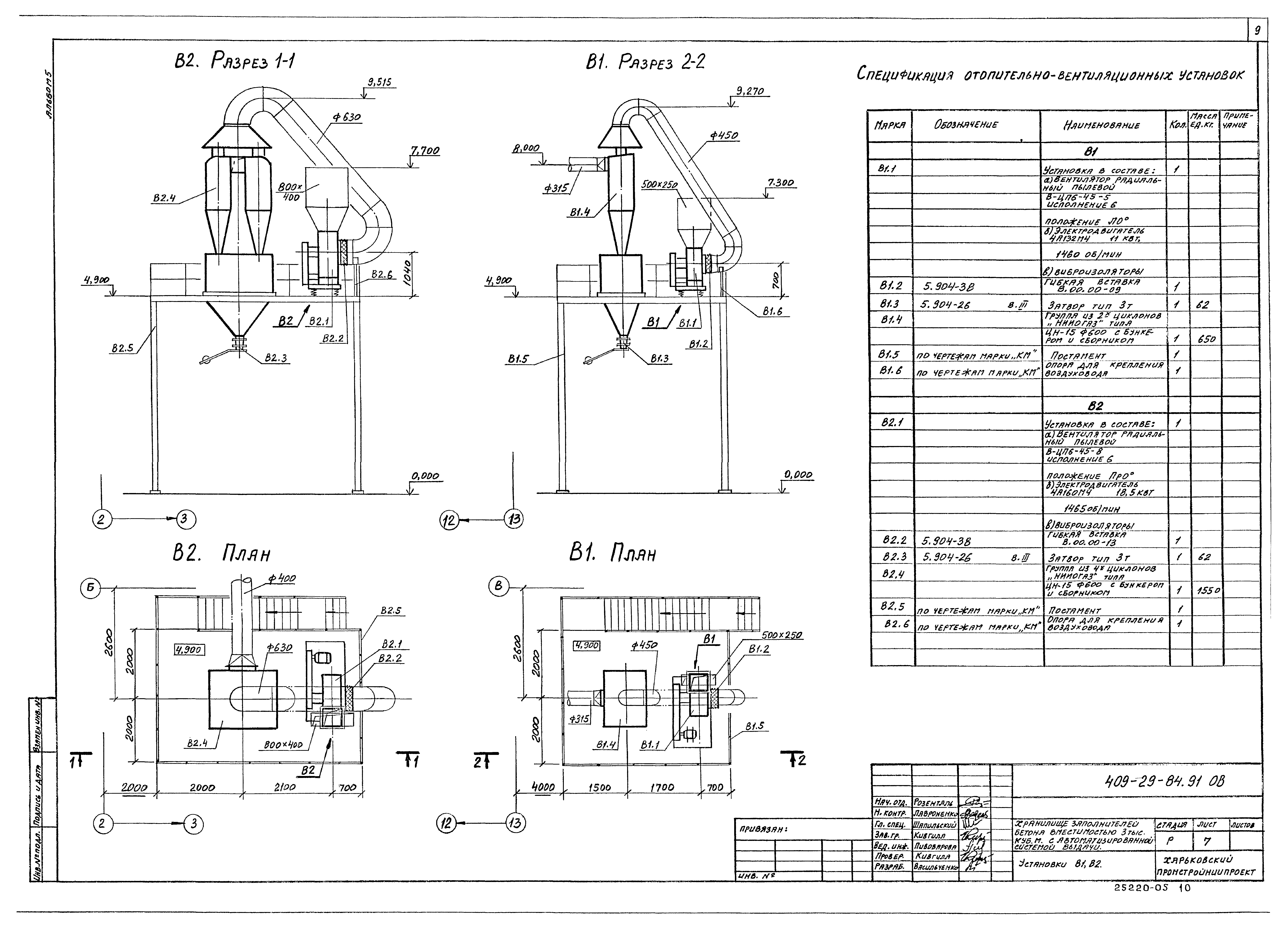
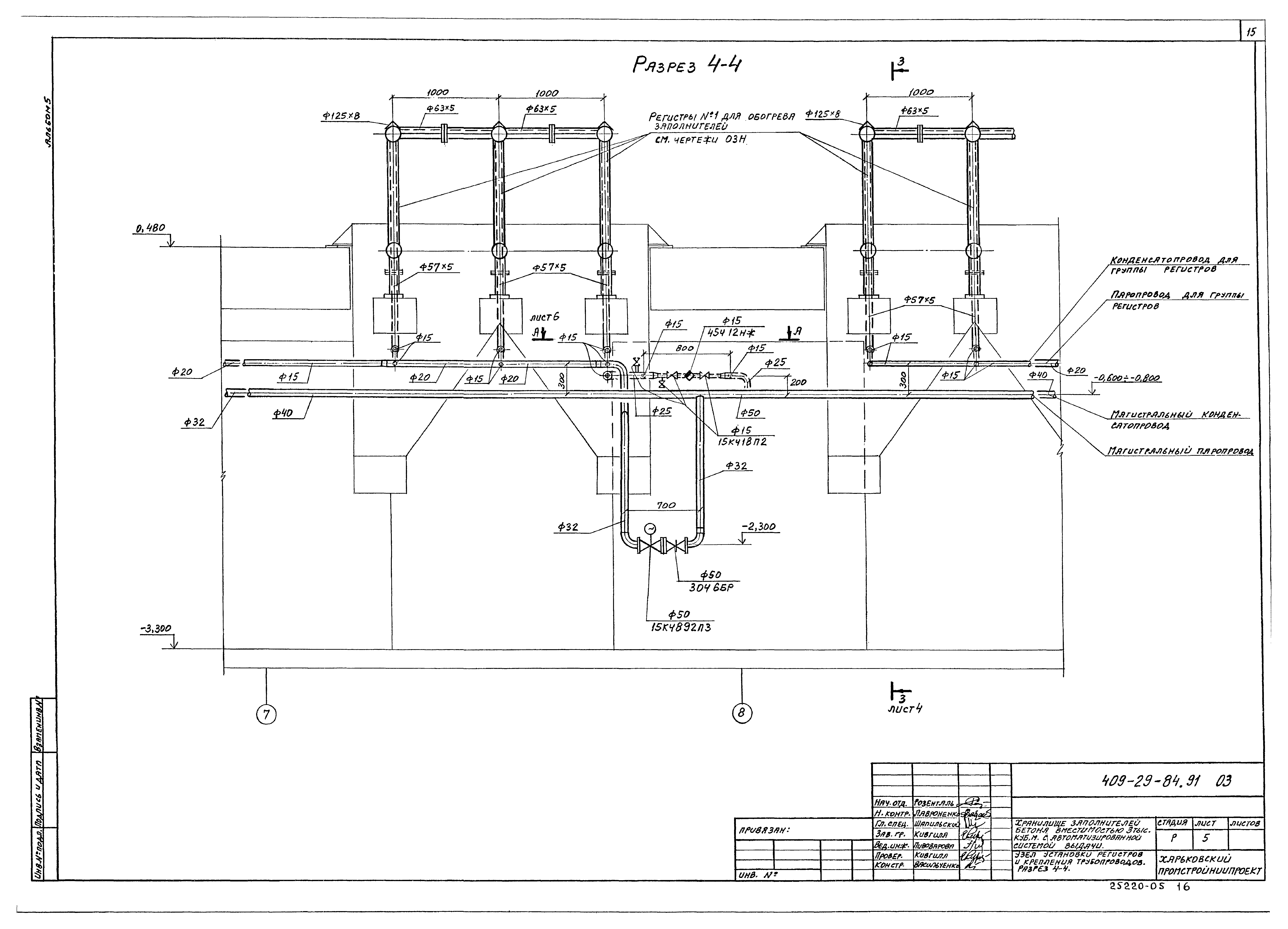
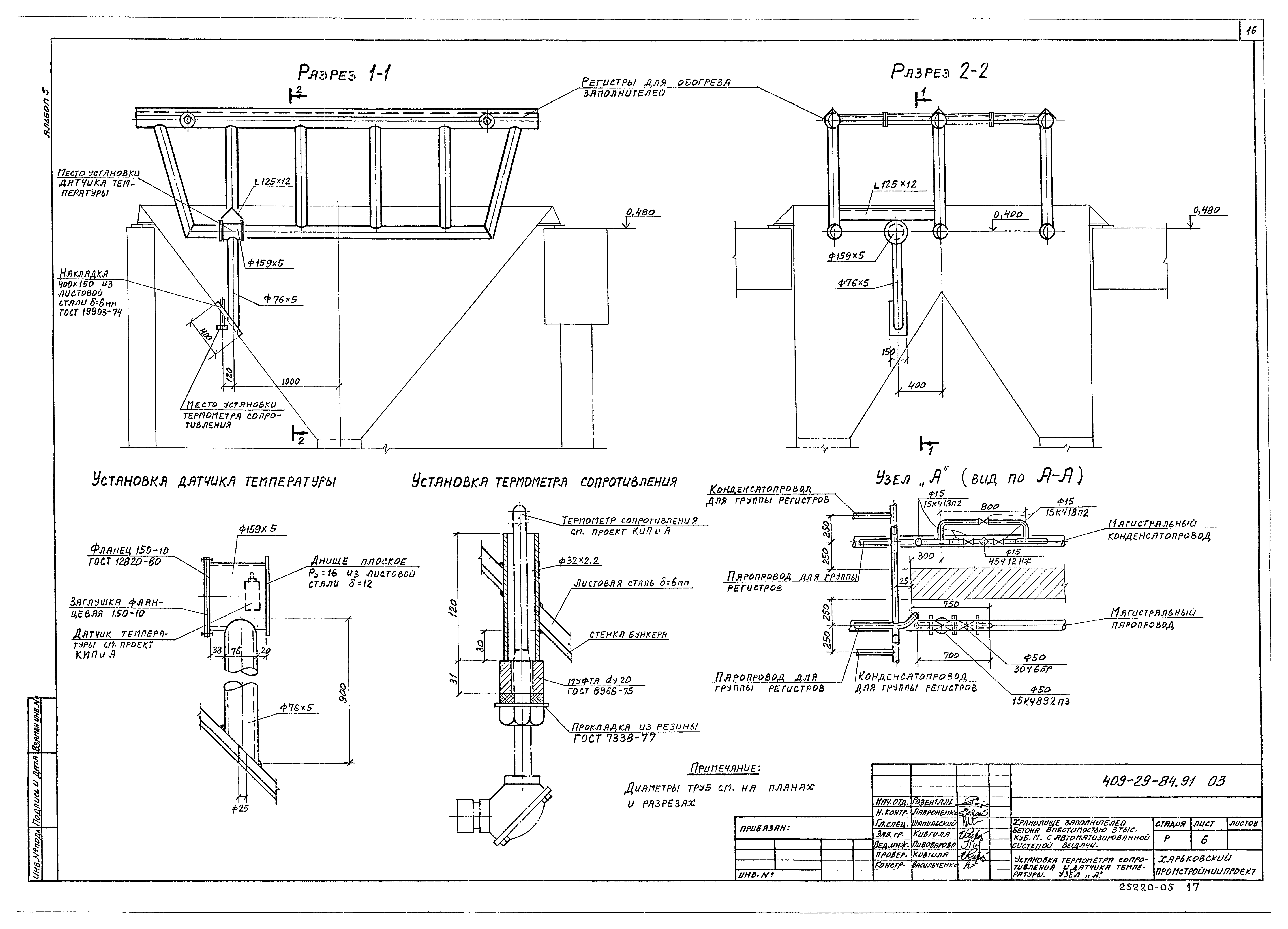
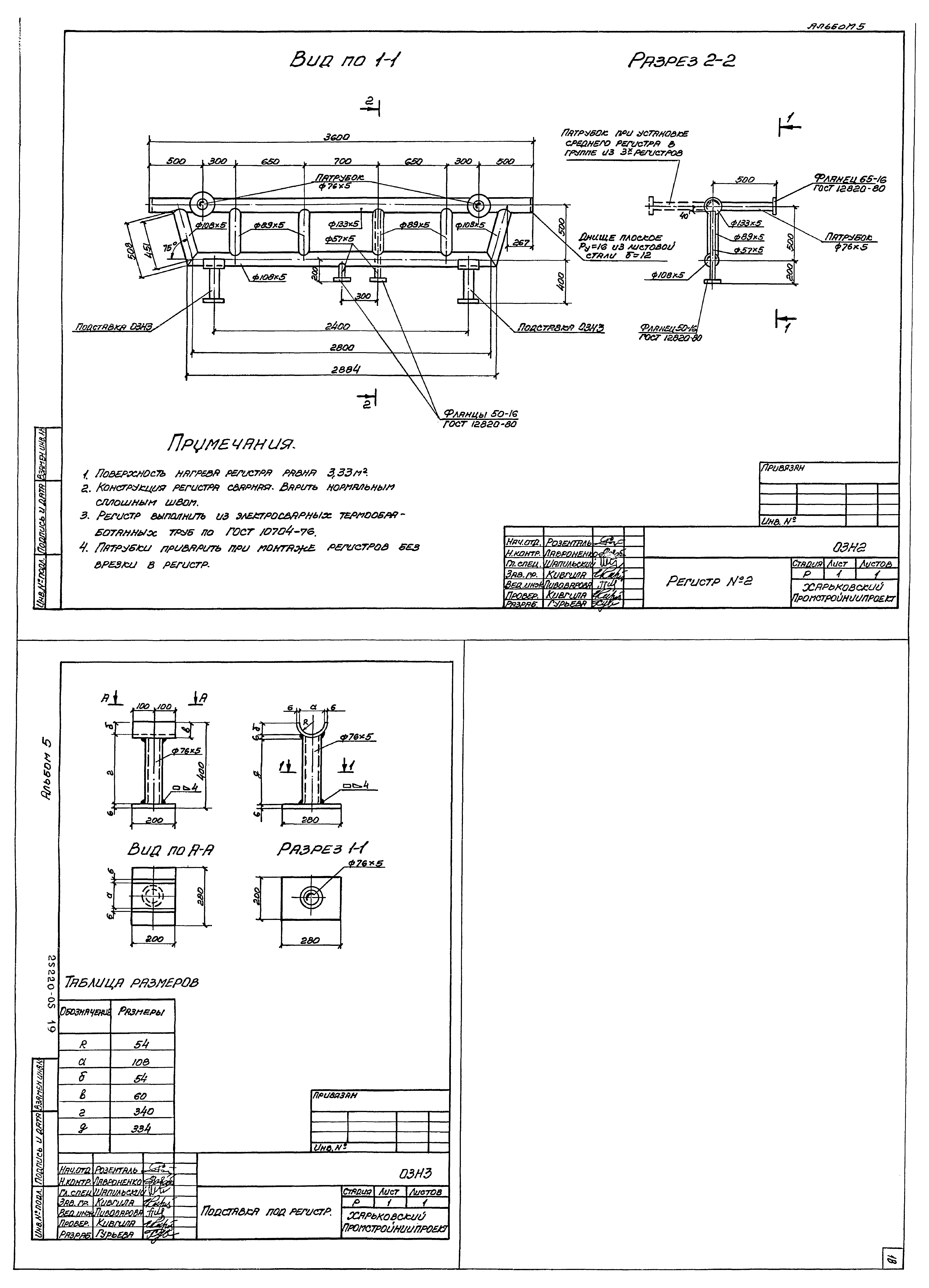
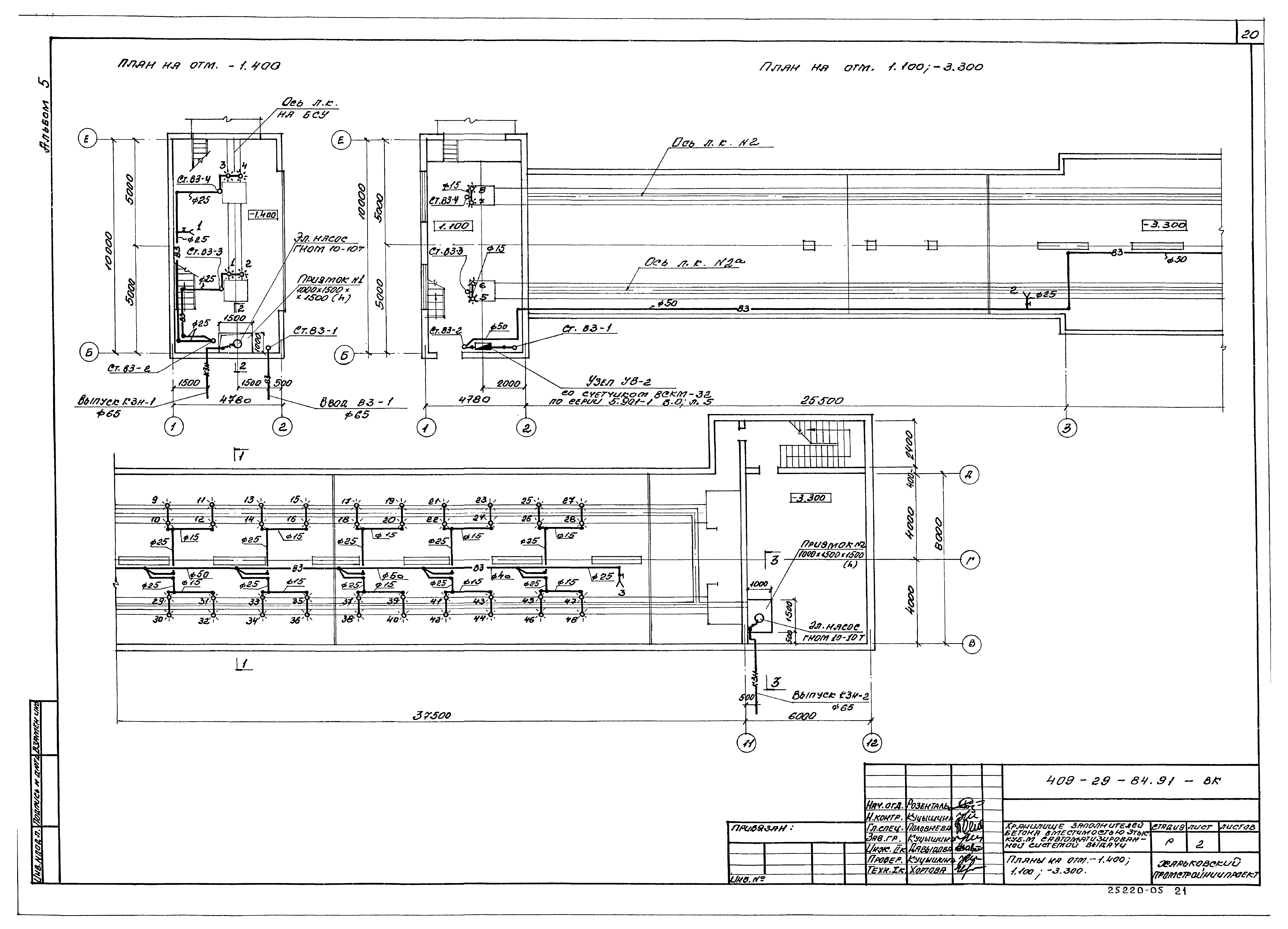
Скачать Типовой проект 409-29-84.91 Альбом 5. Отопление и вентиляция. Обогрев заполнителей. Водопровод и канализацияДата актуализации: 01.01.2021
|
| Обозначение: | Типовой проект 409-29-84.91 |
| Обозначение англ: | 409-29-84.91 |
| Статус: | не определен законодательством |
| Название рус.: | Альбом 5. Отопление и вентиляция. Обогрев заполнителей. Водопровод и канализация |
| Дата добавления в базу: | 01.02.2020 |
| Дата актуализации: | 01.01.2021 |
| Дата введения: | 10.01.1992 |
| Дата окончания срока действия: | 30.06.2003 |
| Разработан: | Харьковский Промтранспроект Промтрансниипроект Укрниипроектстальконструкция Челябинское отделение ВНИПИ Тяжпромэлектропроект Магнитогорский ГПКИ Проектавтоматика |
| Утверждён: | 10.01.1992 Промтрансниипроект (Promtransniiproject 2) |
| Заменяет собой: |
|























