Скачать Типовые сечения подготовительных выработок с новыми видами крепи для шахт комбината ПриморскугольДата актуализации: 01.01.2021 |
| Статус: | справочные материалы, мп, тпр |
| Название рус.: | Типовые сечения подготовительных выработок с новыми видами крепи для шахт комбината "Приморскуголь" |
| Дата добавления в базу: | 01.02.2020 |
| Дата актуализации: | 01.01.2021 |
| Область применения: | Типовые схемы предназначены для инженерно-технических работников шахт комбината "Приморскуголь" и проектировщиков, а также могут быть использованы преподавателями горных вузов и техникумов. |
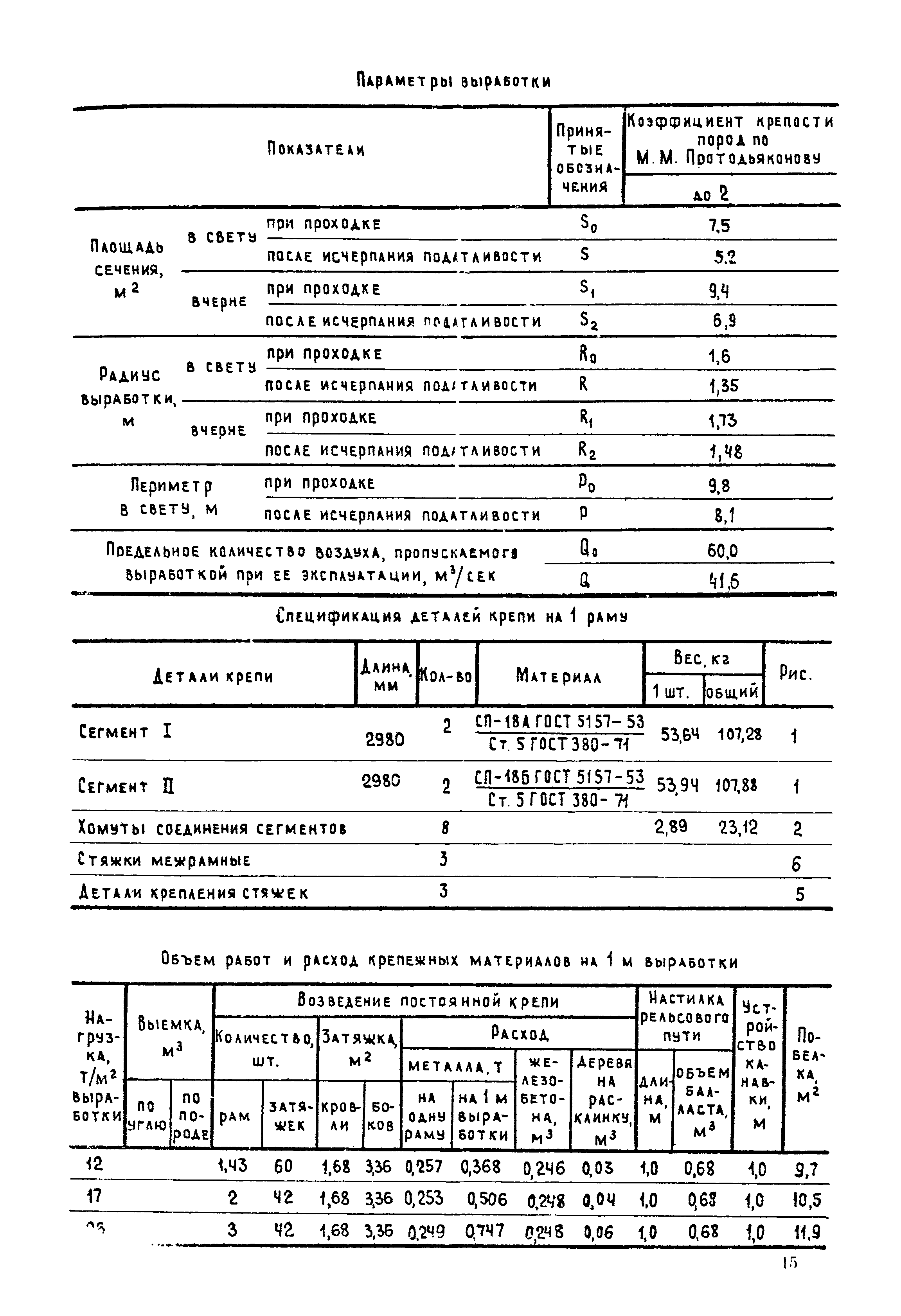
| Оглавление: | 1. Размеры поперечных сечений подготовительных выработок 2. Определение проектных объемов работ 3. Рекомендации по применению типовых сечений в подготовительных выработках 4. Типовые сечения подготовительных выработок 4.1. Металлическая кольцевая податливая крепь 4.2. Металлическая арочная податливая крепь 4.3. Металлическая арочная податливая крепь с наклонными стойками 4.4. Металлическая арочная податливая крепь постоянного сопротивления 4.5. Сборные железобетонные крепи 4.6. Смешанные крепи Приложения (элементы и крепи) |
| Разработан: | КузНИУИ |
| Утверждён: | 31.07.1974 Комбинат Приморскуголь |
| Нормативные ссылки: |
|






























































































































































































































