Скачать Руководящие указания по проектированию и эксплуатации линий электропередачи и распределительных устройств переменного тока 3 - 500 кВ, расположенных в районах с загрязненной атмосферойДата актуализации: 01.01.2021
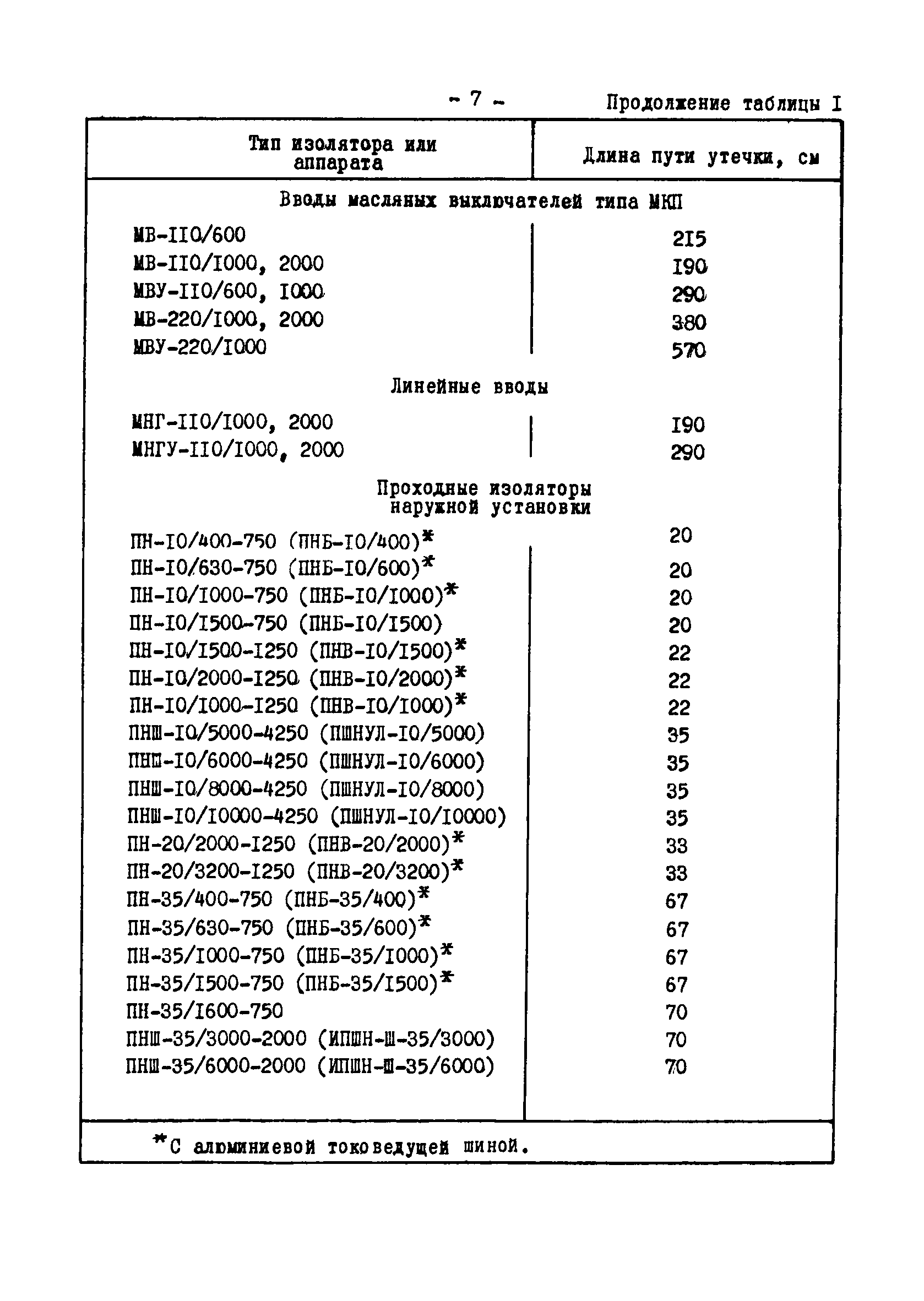
Руководящие указания по проектированию и эксплуатации линий электропередачи и распределительных устройств переменного тока 3 - 500 кВ, расположенных в районах с загрязненной атмосферой| Статус: | справочные материалы, мп, тпр | | Название рус.: | Руководящие указания по проектированию и эксплуатации линий электропередачи и распределительных устройств переменного тока 3 - 500 кВ, расположенных в районах с загрязненной атмосферой | | Дата добавления в базу: | 01.02.2020 | | Дата актуализации: | 01.01.2021 | | Область применения: | Руководящие указания распространяются на воздушные линии электропередачи и распределительные устройства, расположенные на высоте не выше 1000 м над уровнем моря. | | Оглавление: | I. Назначение и область применения руководящих указаний II. Основные способы повышения надежности работы загрязненной изоляции III. Грязестойкие изолирующие конструкции IV. Выбор изоляции в зависимости от степени загрязненности атмосферы V. Проектирование воздушных линий электропередачи и распределительных устройств, расположенных в районах с загрязненной атмосферой VI. Эксплуатация изоляции линий и открытых распределительных устройств, расположенных в районах с загрязненной атмосферой Приложение 1 Минимальные защитные интервалы между открытыми распределительными устройствами и воздушными линиями с изоляцией нормального исполнения и промышленными объектами, загрязняющими атмосферу Приложение 2 Минимальные защитные интервалы для тепловых электростанций и промышленных котельных с расходом топлива до 300 т/ч при очистке дымовых газов на 85 - 90 % Приложение 3 Пояснение терминов, встречающихся с Руководящих указаниях Приложение 4 Оценка состояний внешней загрязненной изоляции по токам утечки и видам разрядов Приложение 5 Основные данные, подлежащие регистрации при изучении работы изоляции в загрязненных районах | | Разработан: | НИИПТ
| | Утверждён: | 19.09.1964 Главтехуправление
| | Издан: | ОРГРЭС (1967 г. )
|
                                           
|