Скачать ГОСТ Р 58354-2019 Фланцы судовых систем вентиляции и кондиционирования воздуха. Присоединительные размерыДата актуализации: 01.01.2021
|
| Обозначение: | ГОСТ Р 58354-2019 |
| Обозначение англ: | GOST R 58354-2019 |
| Статус: | введен впервые |
| Название рус.: | Фланцы судовых систем вентиляции и кондиционирования воздуха. Присоединительные размеры |
| Название англ.: | Flanges for ventilation and air conditioning ships systems. Connecting dimensions |
| Дата добавления в базу: | 01.02.2020 |
| Дата актуализации: | 01.01.2021 |
| Дата введения: | 01.07.2019 |
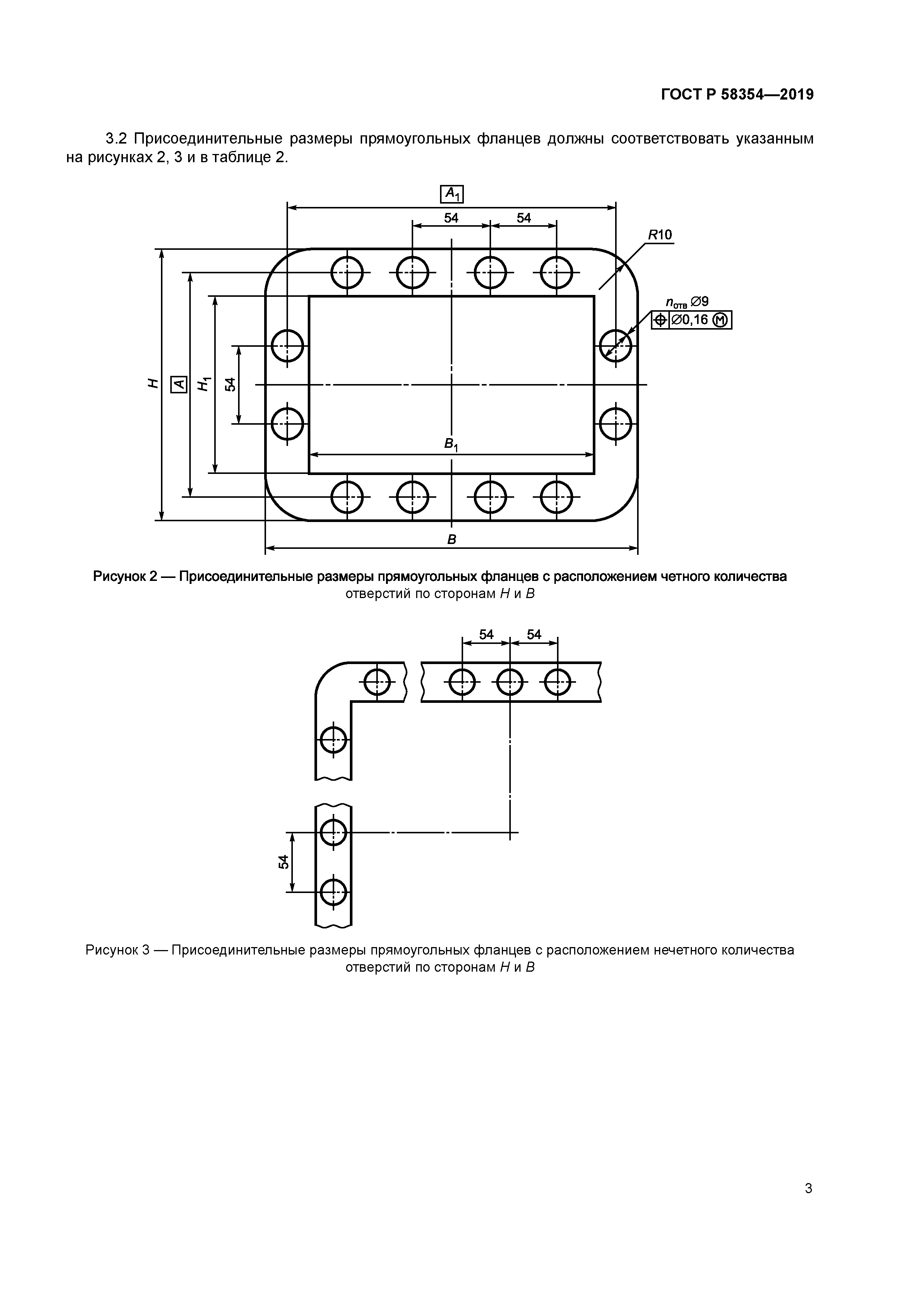
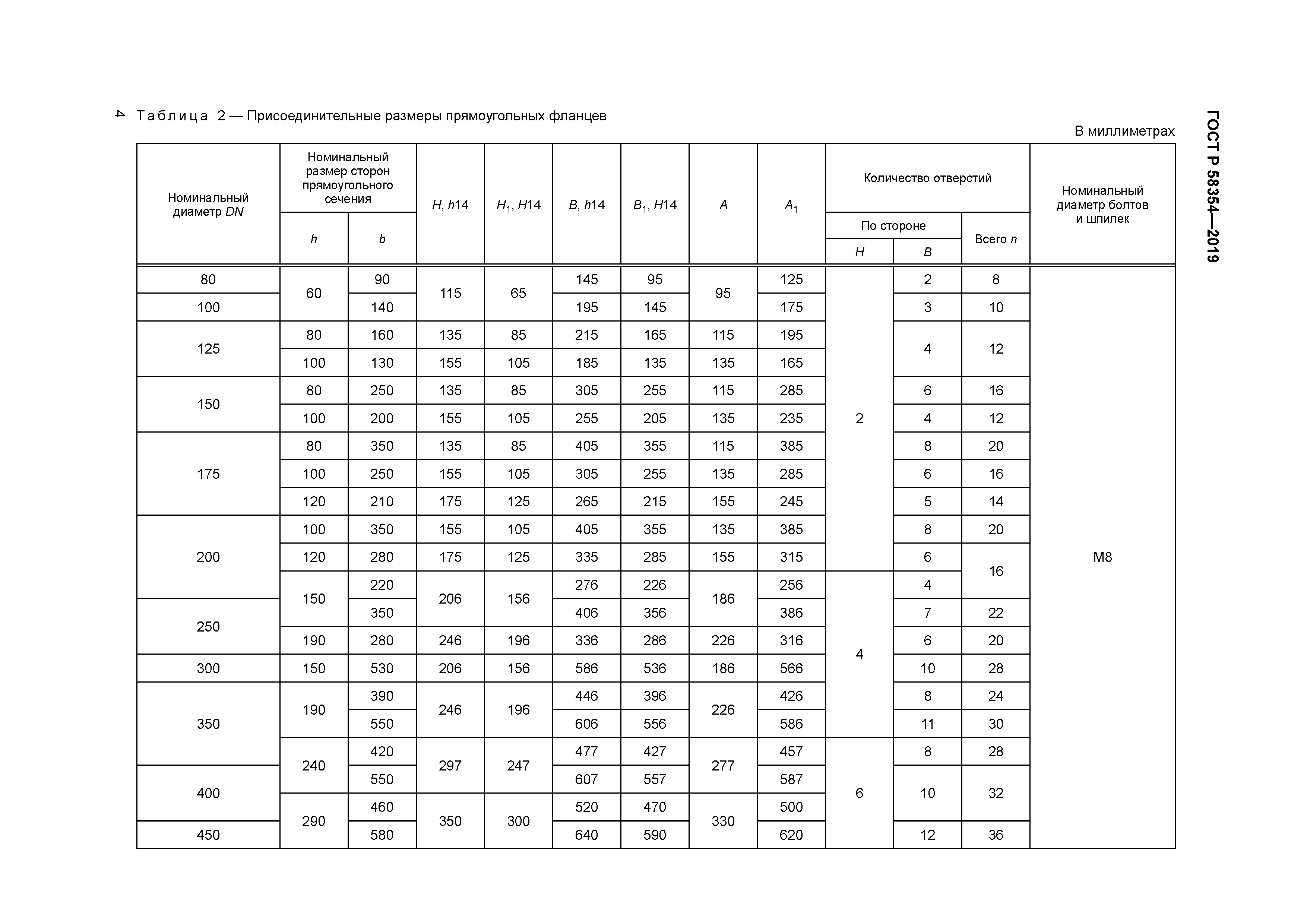
| Область применения: | Стандарт устанавливает присоединительные размеры круглых и прямоугольных фланцев воздуховодов, арматуры и оборудования судовых систем вентиляции и кондиционирования воздуха, а также другого оборудования, присоединяемого к воздуховодам с установленными размерами по ГОСТ 8468. |
| Оглавление: | 1 Область применения 2 Нормативные ссылки 3 Присоединительные размеры фланцев |
| Разработан: | НИИ Лот ФГУП Крыловский государственный научный центр |
| Утверждён: | 21.02.2019 Росстандарт (50-ст) |
| Нормативные ссылки: |









