Скачать Расчетные нормативы для составления проектов организации строительства углеобогатительных фабрикДата актуализации: 01.01.2021
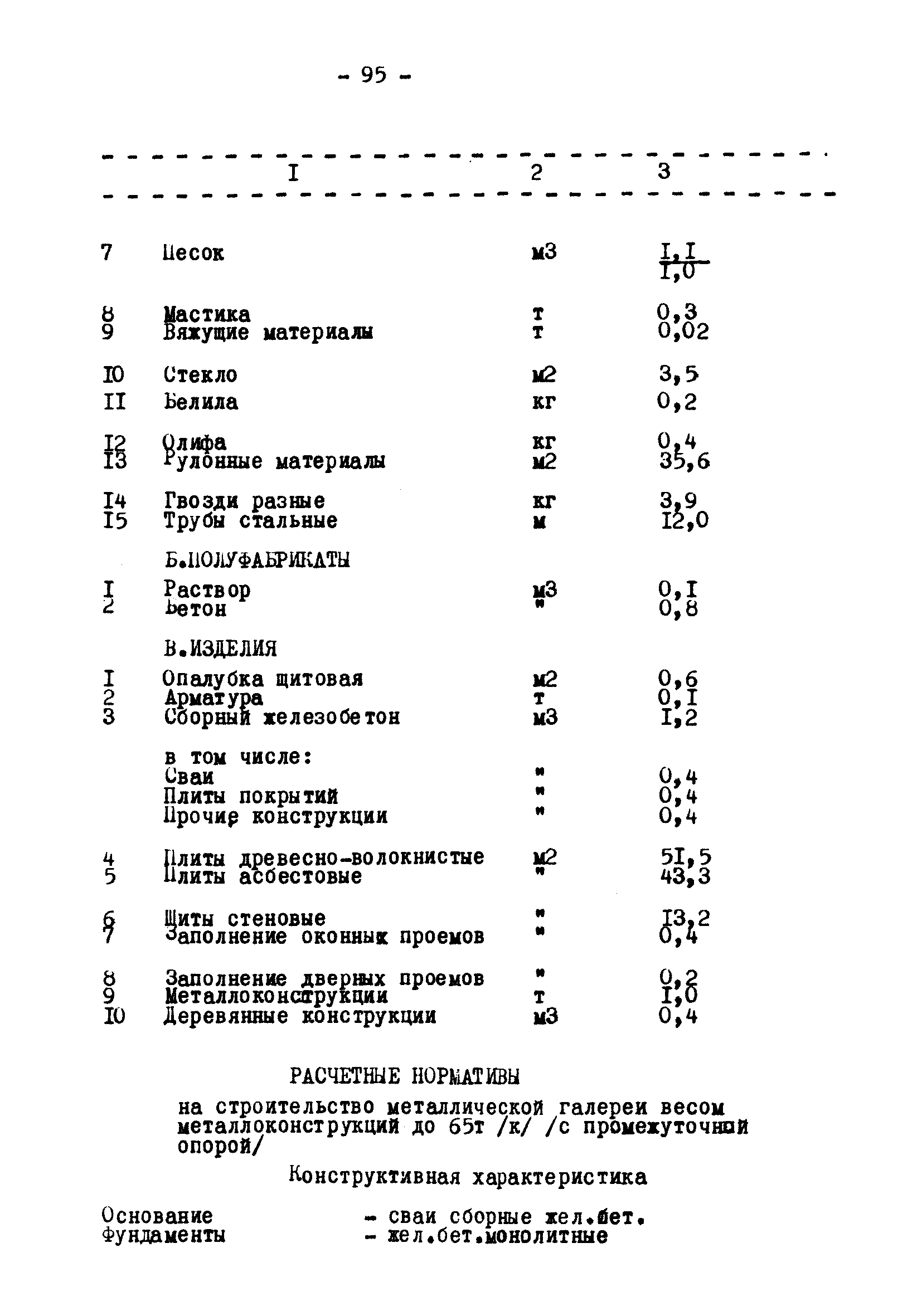
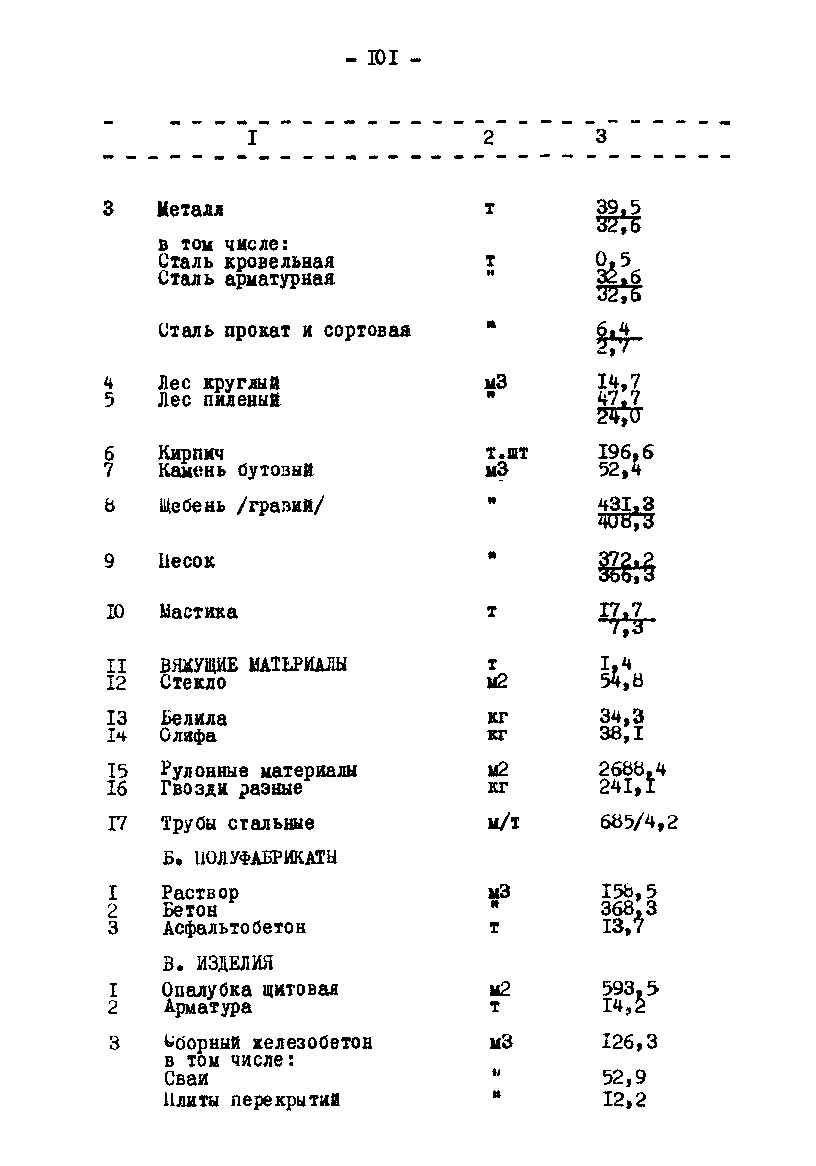
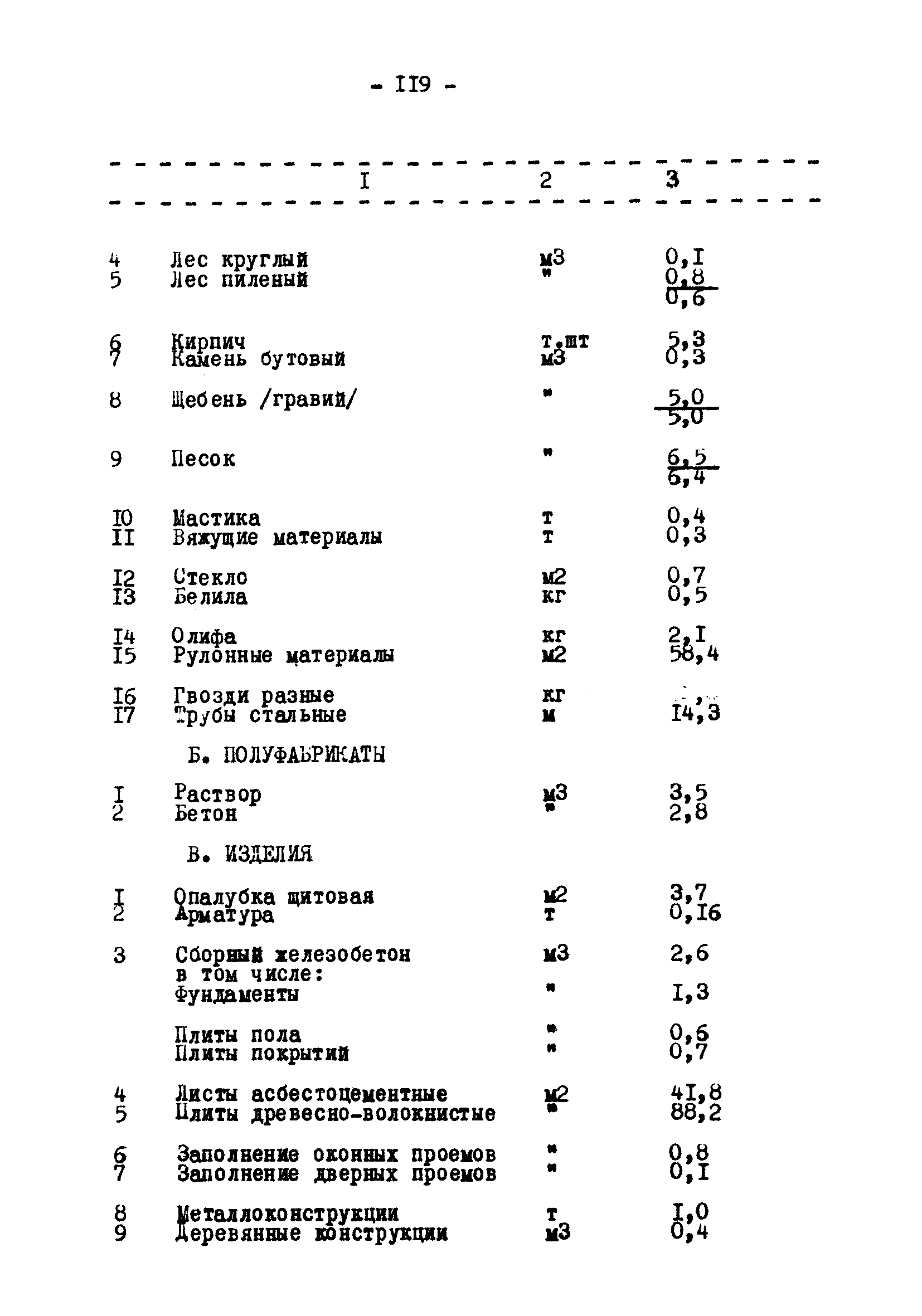
Расчетные нормативы для составления проектов организации строительства углеобогатительных фабрик| Статус: | справочные материалы, мп, тпр | | Название рус.: | Расчетные нормативы для составления проектов организации строительства углеобогатительных фабрик | | Дата добавления в базу: | 01.02.2020 | | Дата актуализации: | 01.01.2021 | | Область применения: | Нормативы предназначены для определения объемов основных работ и материально-технических ресурсов при составлении разделов "Организация строительства" проектного задания углеобогатительных фабрик | | Оглавление: | Раздел 1. Расчетные нормативы на строительство зданий и сооружений обогатительных фабрик 1 Главные корпусы ОФ объемом до 40000 м3, до 100000 м3 2 Корпус сушки объемом до 14000 м3 3 Здание радиальных сгустителей объемом до 35000 м3 4 Погрузочные пункты объемом до 3500 м3, 10500 м3 5 Перегрузочные пункты объемом до 950 м3, до 2500 м3 6 Шламовые бассейны объемом до 5600 м3 7 Контора с химлабораторией объемом до 2500 м3 8 Котельная объемом до 850 м3 9 Бункеры для золы объемом до 350 м3 10 Углеприемная яма объемом до 1600 м3, до 6500 м3 11 Материальный склад объемом до 3000 м3 12 Здание паровозо-ремонтного депо объемом до 8000 м3 13 Здание маневровой лебедки объемом до 650 м3 14 Оклад готовой продукции объемом до 750 м3 15 Склад реагентов и ГСМ объемом до 550 м3 16 Здание экспедиции объемом до 305 м3 17 Пункт технического осмотра вагонов объемом до 850 м3 18 Здание путевых рабочих объемом до 175 м3 19 Здание товарной конторы объемом до 300 м3 20 Насосная станция осветленных вод у шламонакопителя объемом до 170 м3 21 Шламопровод длиной до 70 м 22 Трубопровод осветленной воды длиной до 600 м 23 Металлическая эстакада весом металлоконструкций до 22 т 24 Металлическая галерея весом металлоконструкций до 65 т 25 Коридор и тоннель для подачи угля от здания перегрузки на погрузочные бункеры длиной до 40 м 26 Коридор и эстакада от перегрузки на склад длиной до 70 м 27 Кирпичный коридор и эстакада от главного корпуса на здание перегрузки длиной до 30 п.м. 28 Тоннель, коридор и эстакада подачи угля от склада на перегрузку длиной до 100 п.м. 29 Тоннель и коридор от ямы привозных углей объемом до 330 м3 30 Металлическая эстакада от главного корпуса к радиальным сгустителям весом металлоконструкций до 16,5 т 31 Металлическая эстакада от ямы привозных углей до дробильно-сортировочного отделения весом металлоконструкции до 56 т Раздел 2. Показатели для расчета потребного количества машино-смен основных машин и механизмов для производства общестроительных работ 32 Главные корпусы объемом до 40000 м3 33 То же, объемом до 100000 м3 34 Корпус сушки объемом до 14000 м3 35 Тоже, объемом до 23000 м3 36 Здание радиальных сгустителей объемом до 35000 м3 37 Здание погрузочных бункеров объемом до 3500 м3 38 Тоже, объемом до 10500 м3 39 Перегрузочные пункты объемом до 950 м3, 2500 м3 40 Шламовые бассейны до 5600 м3, до 24500 м3 41 Контора с химлабораторией объемом до 2500 м3 42 Углеприемная яма объемом до 1600 м3, до 6500 м3 43 Склад готовой продукции объемом жел. Бет. В деле до 750 м3 44 Склад реагентов и смазочных материалов объемом до 550 м3 Раздел 3. Показатели для расчета потребного количества автотранспорта для строительства зданий и сооружений ОФ 45 Показатели для определения потребного списочного парка автомашин при строительстве ОФ Раздел 4. Показатели для расчета потребного количества электроэнергии, пара и воды для строительства зданий и сооружений ОФ 46 Показатели для определения потребной /активной/ нагрузки 47 Показатели для определения потребной трансформаторной мощности 48 Показатели для определения потребного количества пара 49 Показатели для определения потребного количества воды | | Разработан: | Центрогипрошахт
| | Утверждён: | 02.07.1963 Госстрой СССР
|
                                                                                                                                                         
|