Скачать Инструкция к составлению годовых отчетов о работе угольных и сланцевых шахт и разрезовДата актуализации: 01.01.2021
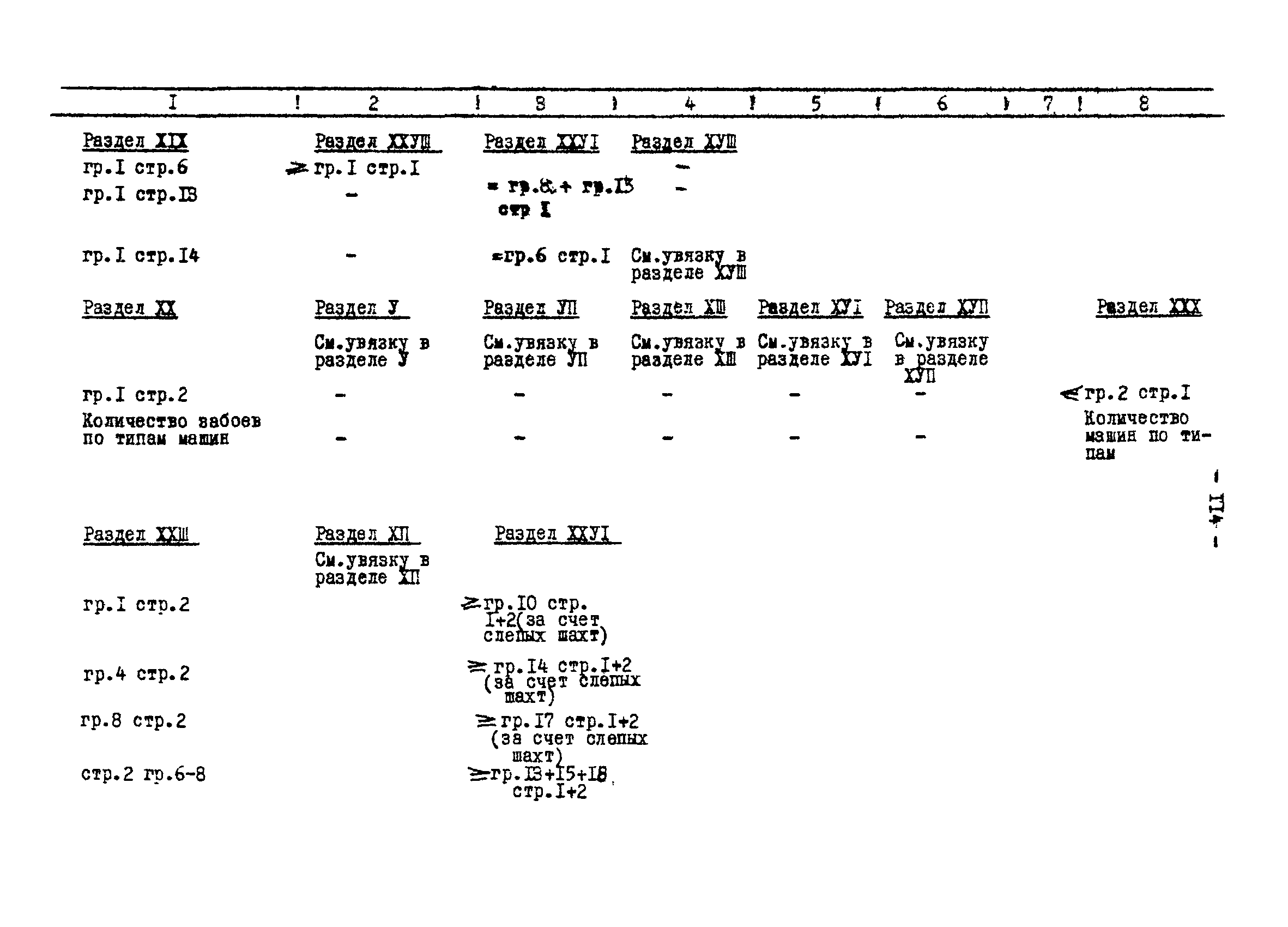
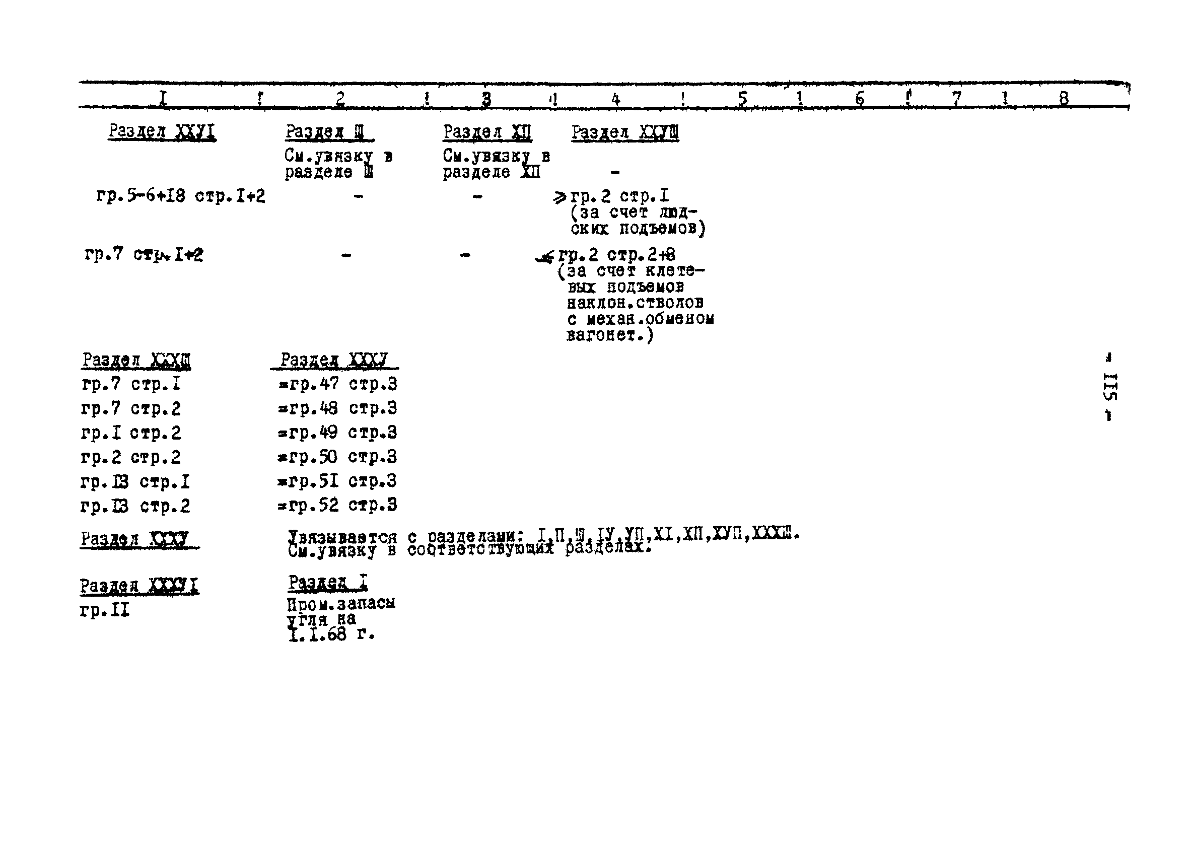
Инструкция к составлению годовых отчетов о работе угольных и сланцевых шахт и разрезов| Статус: | справочные материалы, мп, тпр | | Название рус.: | Инструкция к составлению годовых отчетов о работе угольных и сланцевых шахт и разрезов | | Дата добавления в базу: | 01.02.2020 | | Дата актуализации: | 01.01.2021 | | Область применения: | Документ предназначен для работников угольной промышленности | | Оглавление: | I. Инструкция к составлению годовых отчетов о работе угольных и сланцевых шахт (форма № 25-тп) и разрезов (форма № 26-тп) Общие указания к составлению отчетов по формам № 25-тп и № 26-тп Указания к заполнению разделов формы № 25-тп Раздел I Общие сведения Раздел II Выполнение плана добычи угля Раздел III Использование линии забоев Раздел IV Распределение добычи из очистных работ по способам управления кровлей Раздел V Распределение добычи угля и фронта работ по системам разработки Раздел VI Распределение числа забоев и добычи угля по углам падения и мощности пластов Раздел VII Состояние линии забоев Раздел VIII Распределение очистных забоев по количеству ступеней в транспорте угля от погрузочного пункта до ствола Раздел IX Уклоны и бремсберги (добычные), к которым непосредственно примыкают действующие очистные забои Раздел XI Подготовительные работы Раздел ХII Количество, протяженность и ремонт горных выработок Раздел ХIII Показатели работы машин в действующих очистных забоях раздел ХIV Зарубка и отбойка угля Раздел ХV Показатели работы по погрузке угля и породы в подготовительных забоях Раздел ХVI Доставка угля в очистных забоях Раздел ХVII Навалка угля в очистных забоях на пластах пологого и наклонного падения, где производится навалка Раздел ХVIII Механизация маневровых работ раздел XIX Автоматизация комплексов и установок Раздел XX Основные показатели работы механизированных очистных забоев Раздел XXI Откатка по подземным горизонтальным выработкам Раздел ХХII Показатели работы электровозов тяжелого и среднего веса на подземной откатке Раздел ХХIII Транспортировка (откатка) по подземным наклонным выработкам Раздел ХХIV Механизация доставки людей в шахтах Раздел XXV Протяженность подземных рельсовых путей Раздел ХХVI Характеристика грузовых подъемов Раздел ХХVII Протяженность откатки угля и породы на поверхности Раздел ХХVIII Механизация обмена вагонеток в клетях и опрокидывателях Раздел XXIX Погрузка угля в железнодорожные вагоны Раздел XXX Наличие и использование оборудования Раздел XXXI Наличие погрузочных бункеров и аварийных складов Раздел ХХХII Выгрузка леса из железнодорожных вагонов Разделы ХХХIII и XXXIV формы № 25-тп и разделы ХVI, ХVII формы № 26-тп Численность персонала и производительность труда Раздел ХХХV Показатели по шахтам, входящим в состав шахтоуправлений, и по объединенным шахтам Указания к заполнению разделов формы № 26-тп Раздел I Общие сведения Раздел II Выполнение плана добычи угля и вскрыши породы Раздел III Показатели работы экскаваторов Раздел IV Характеристика угольных и породных уступов Раздел V Добыча угля по видам выемки и транспортировки Раздел VI Вскрыша пород по видам выемки и транспортировки Раздел VII Показатели работы локомотивосоставов, запятых на транспортировке вскрыши Раздел VIII Породные отвалы Раздел IX Протяженность, ремонт и передвижка путей Раздел X Показатели работы буровых станков Раздел ХII Наличие погрузочных бункеров Раздел XIII Погрузка угля в железнодорожные вагоны Раздел ХIV Наличие и использование оборудования Раздел ХV Автоматизация комплексов и установок Таблицы увязок показателей отчетов шахт и разрезов | | Утверждён: | 28.12.1967 Министерство угольной промышленности СССР (USSR Ministry of the Coal Industry )
|
                                                                                                                     
|