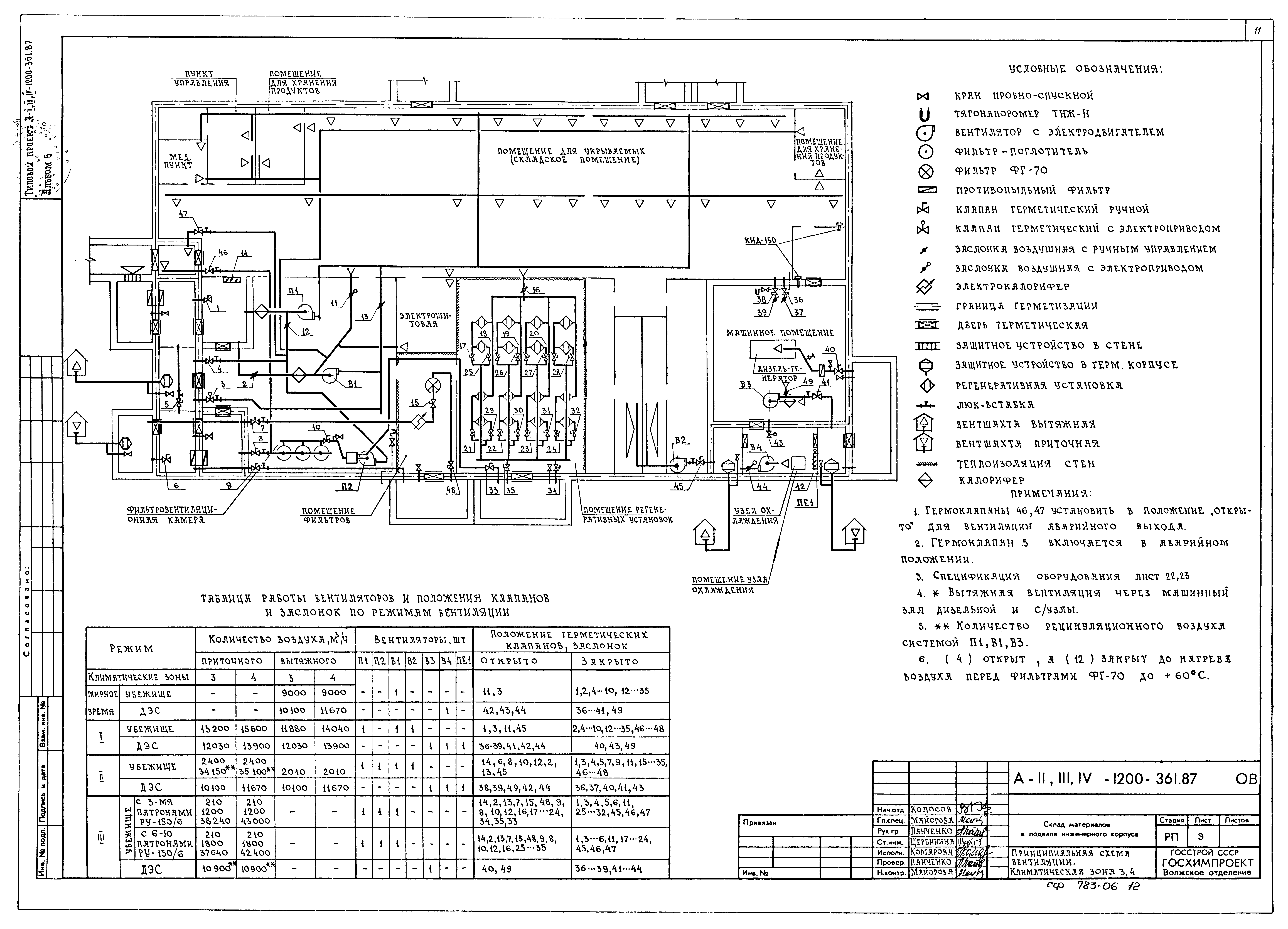
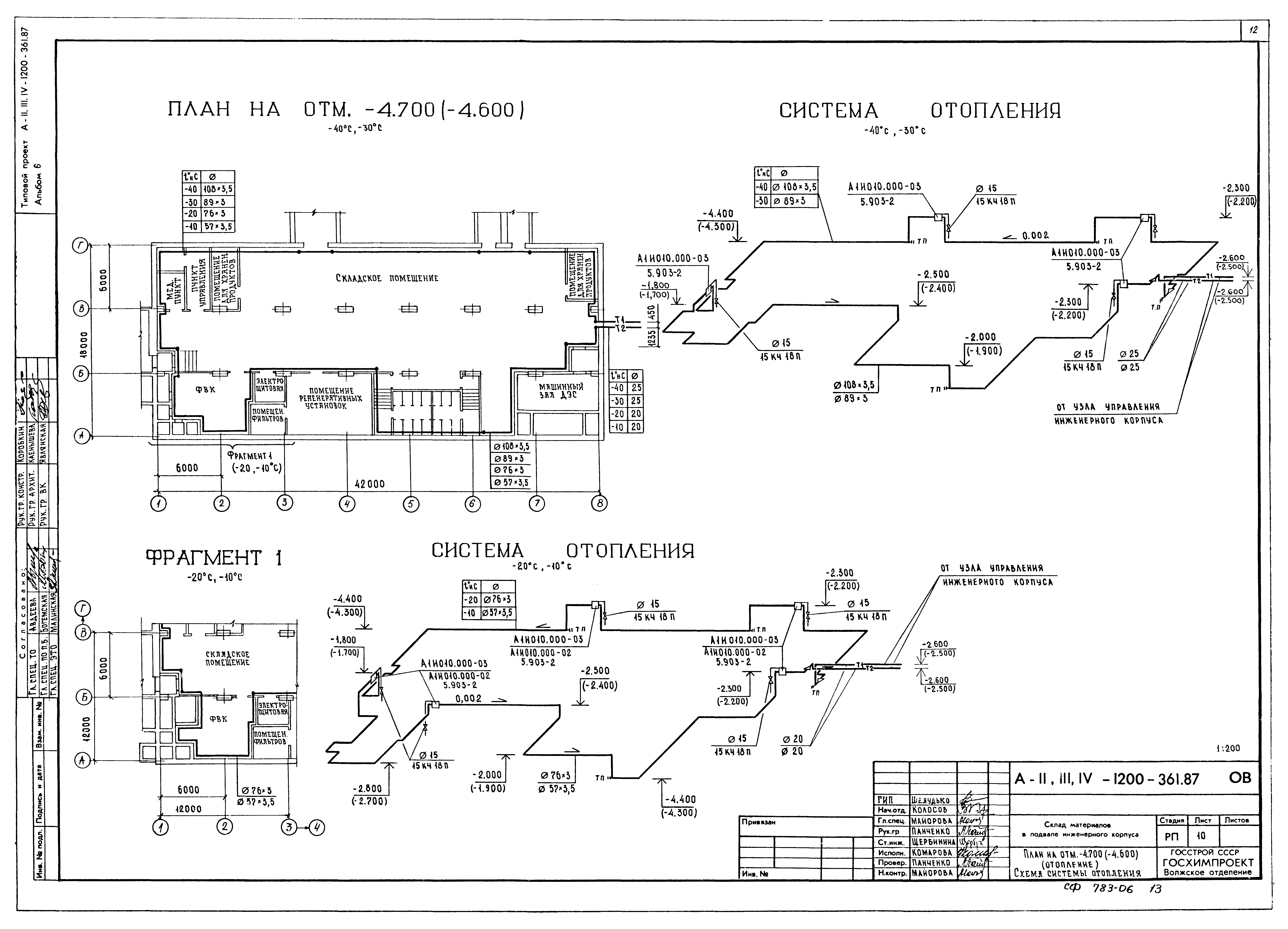
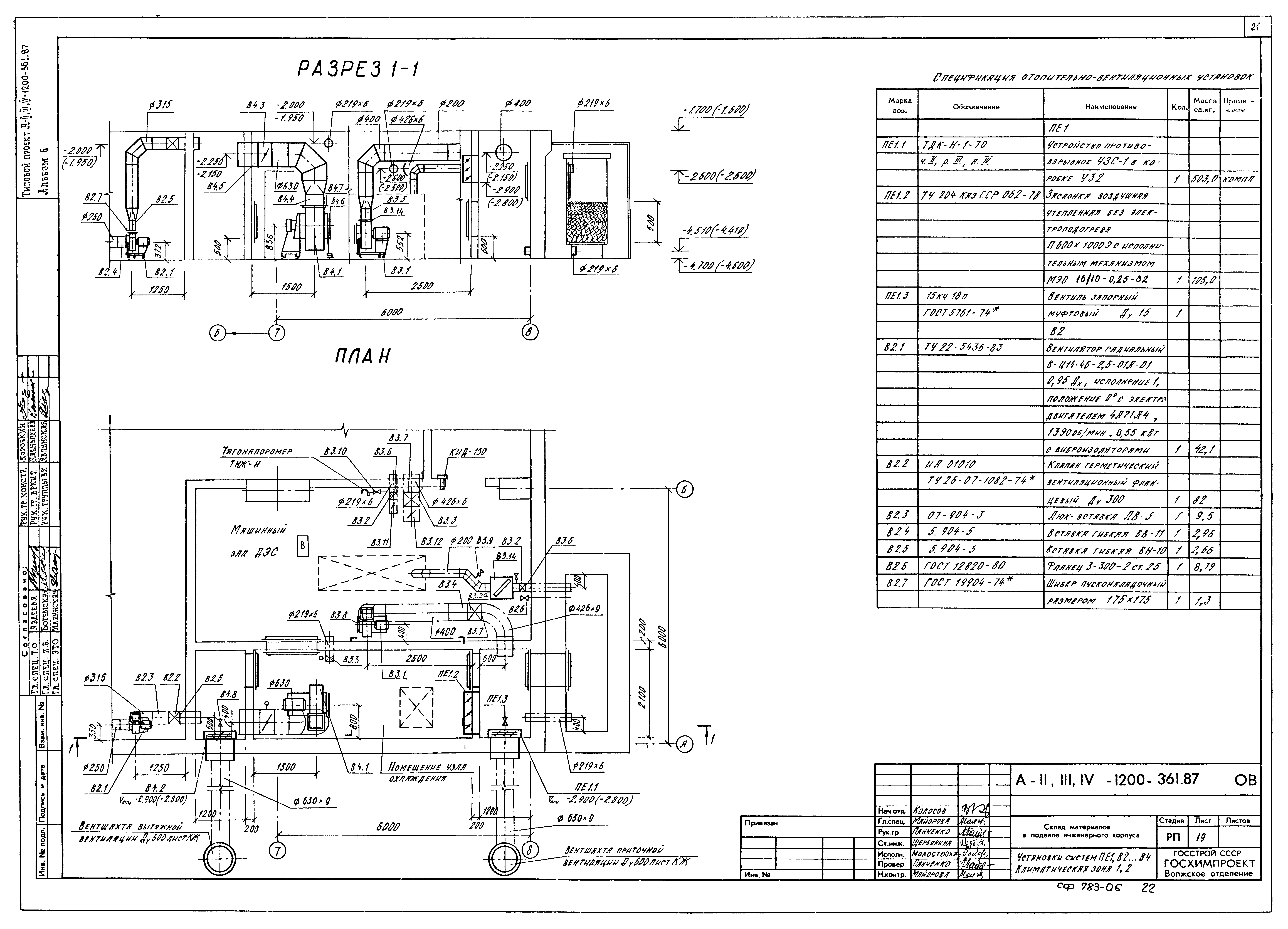
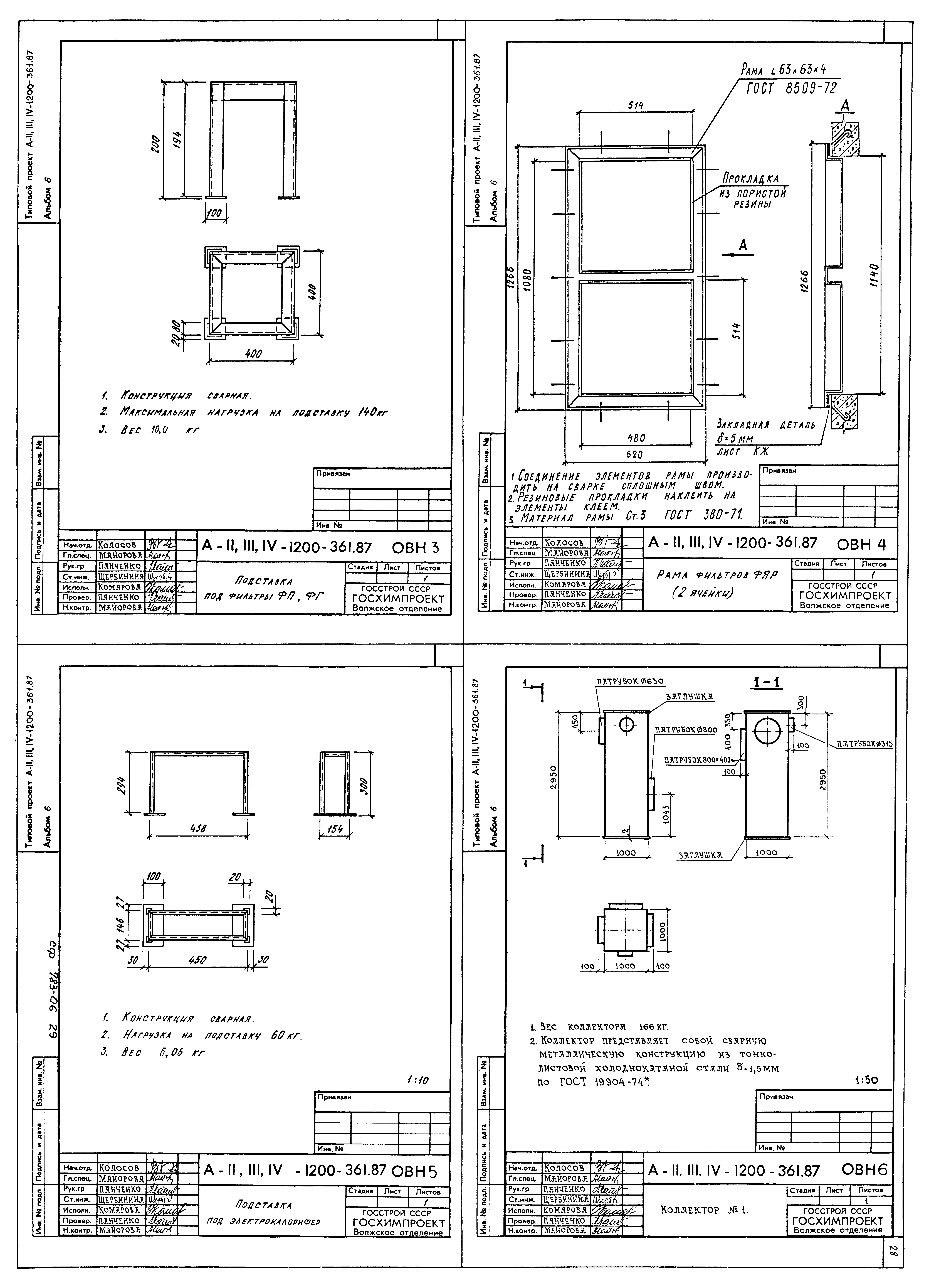
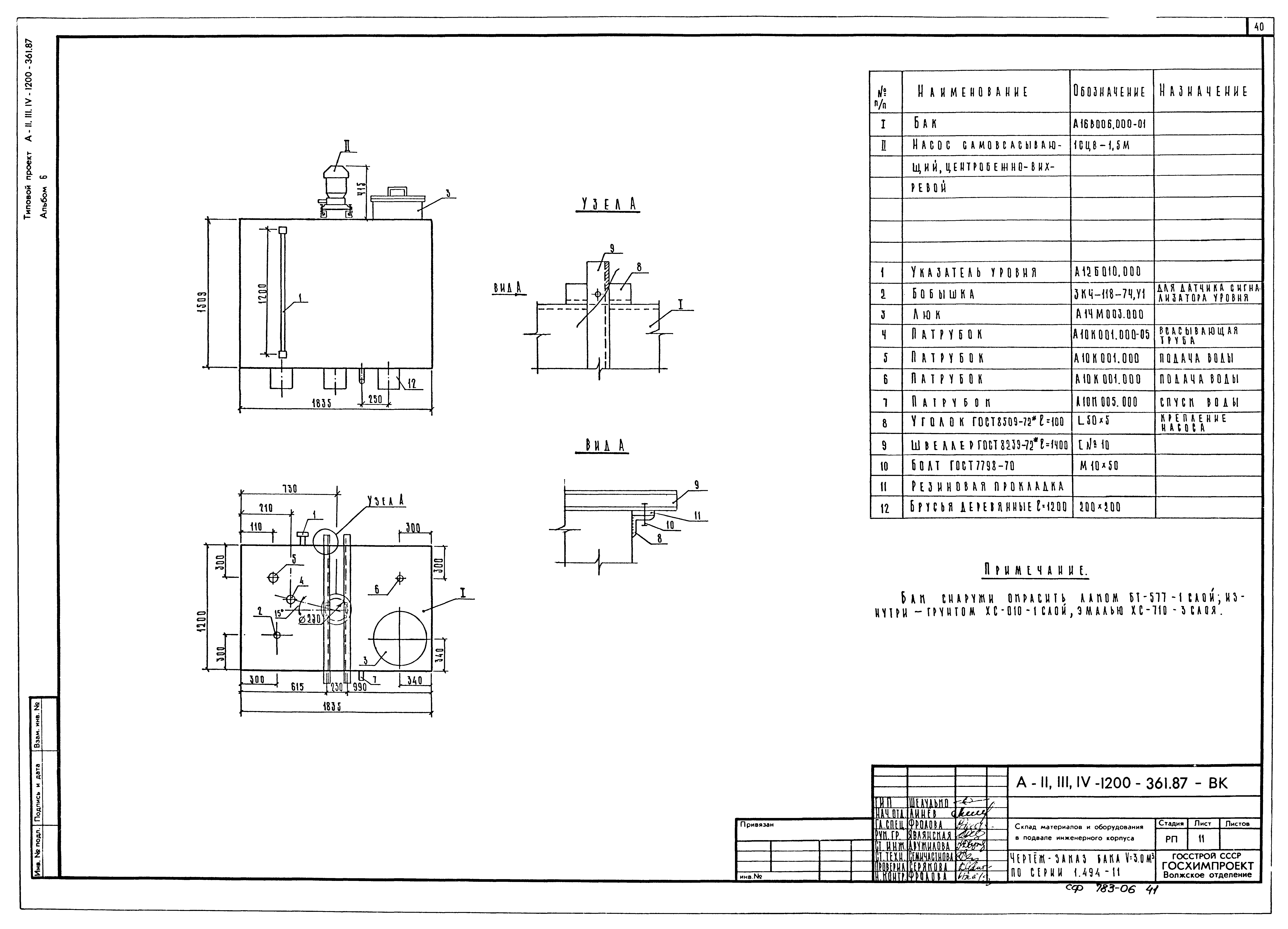
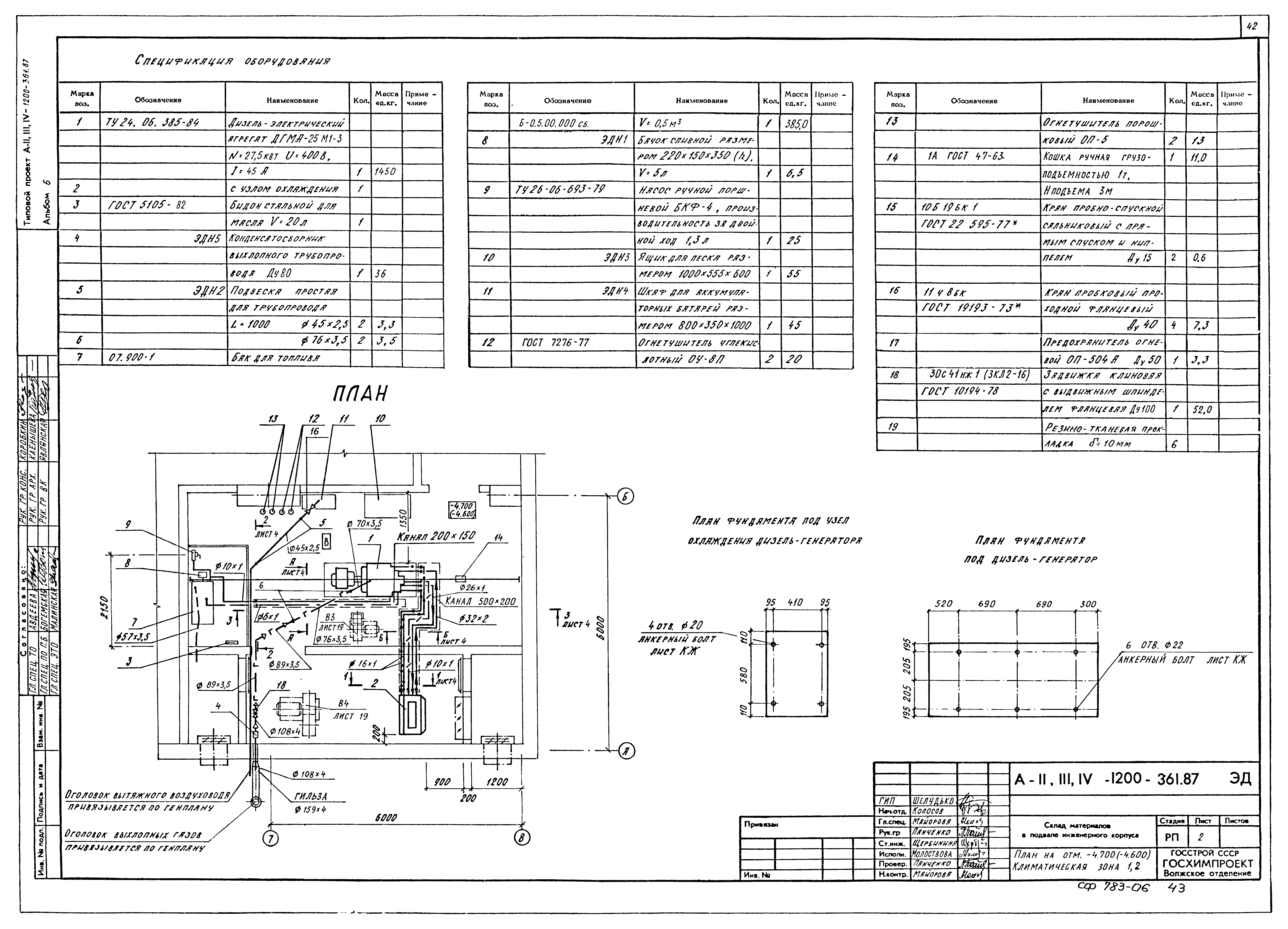
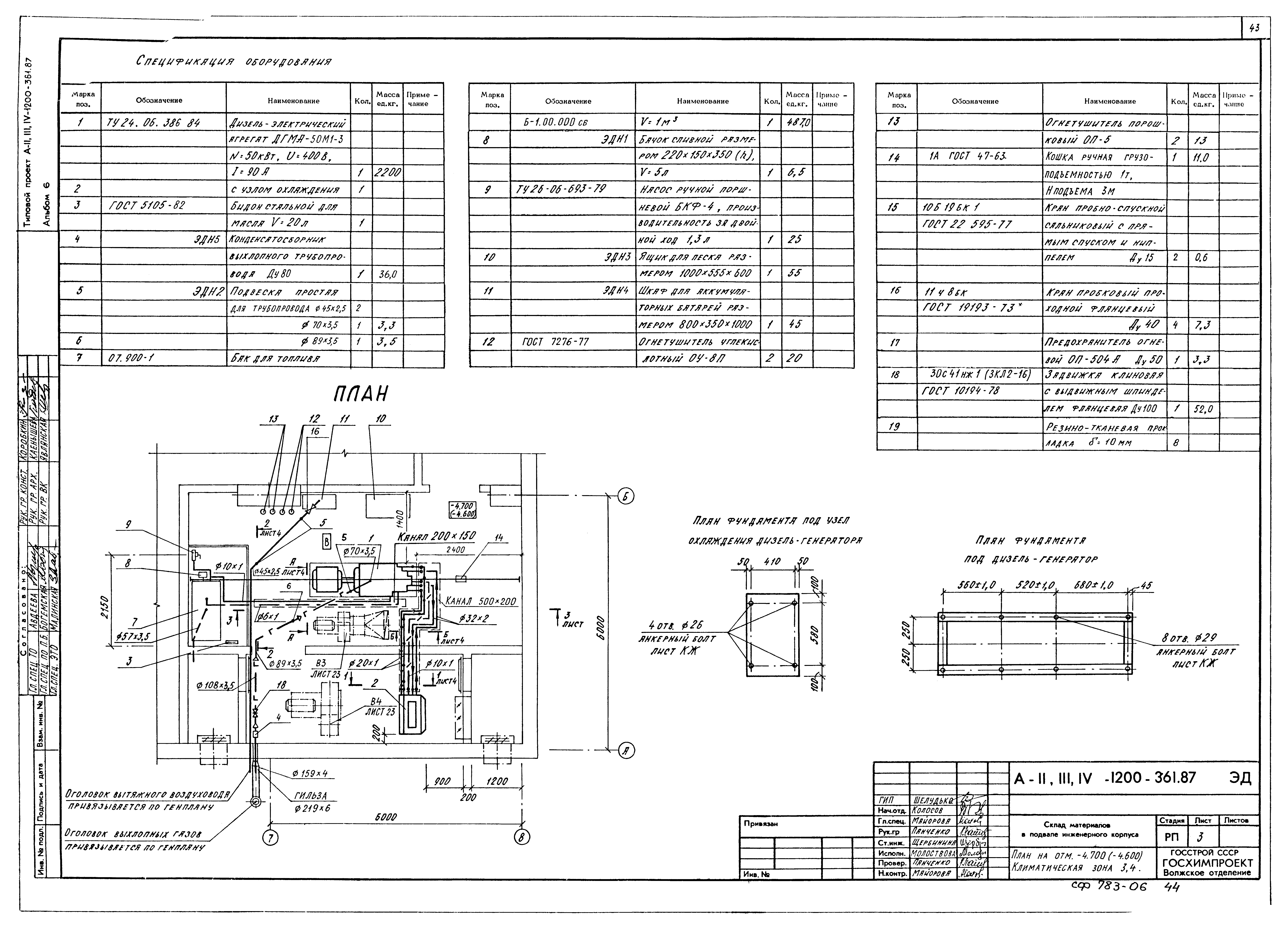
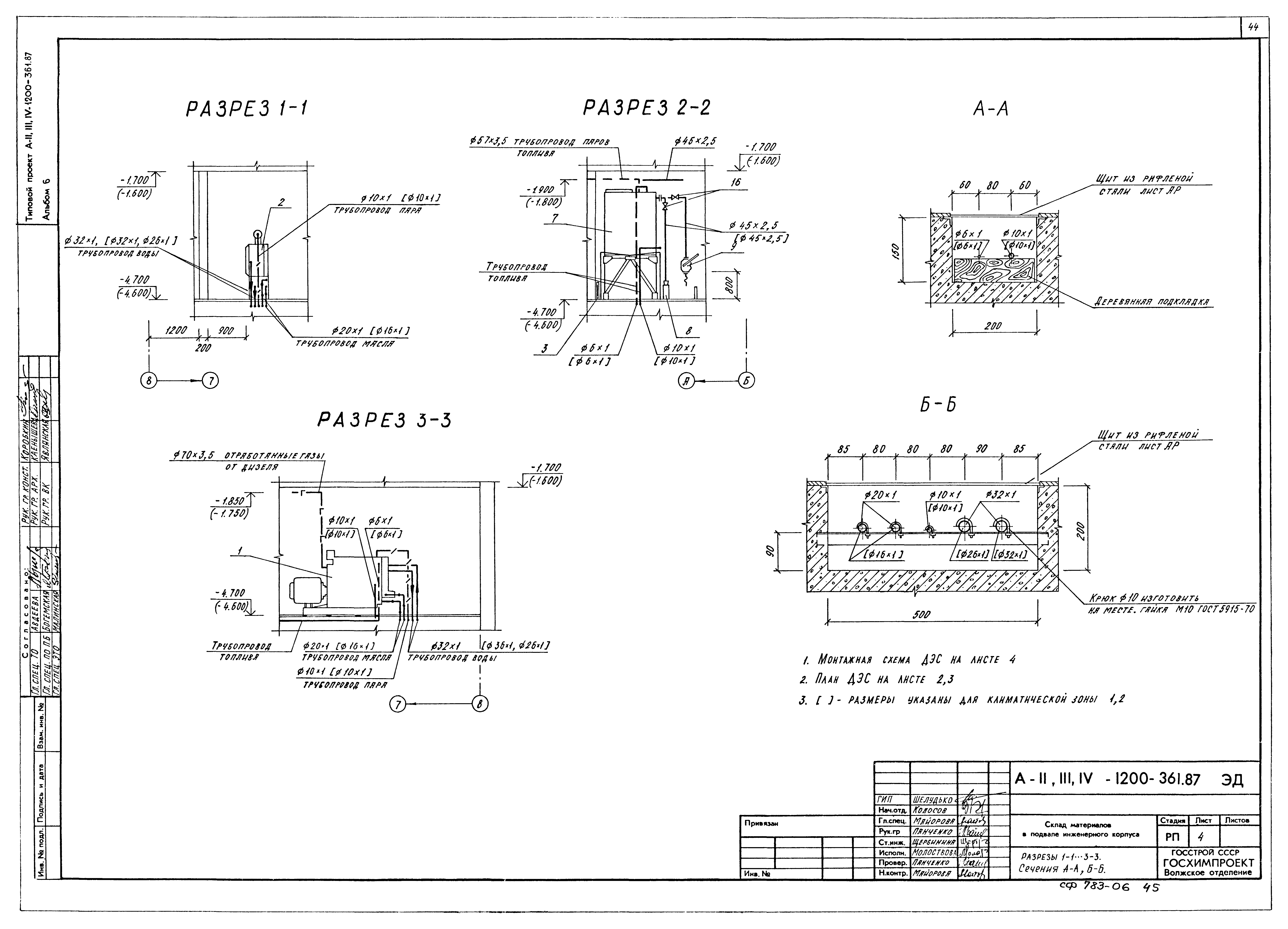
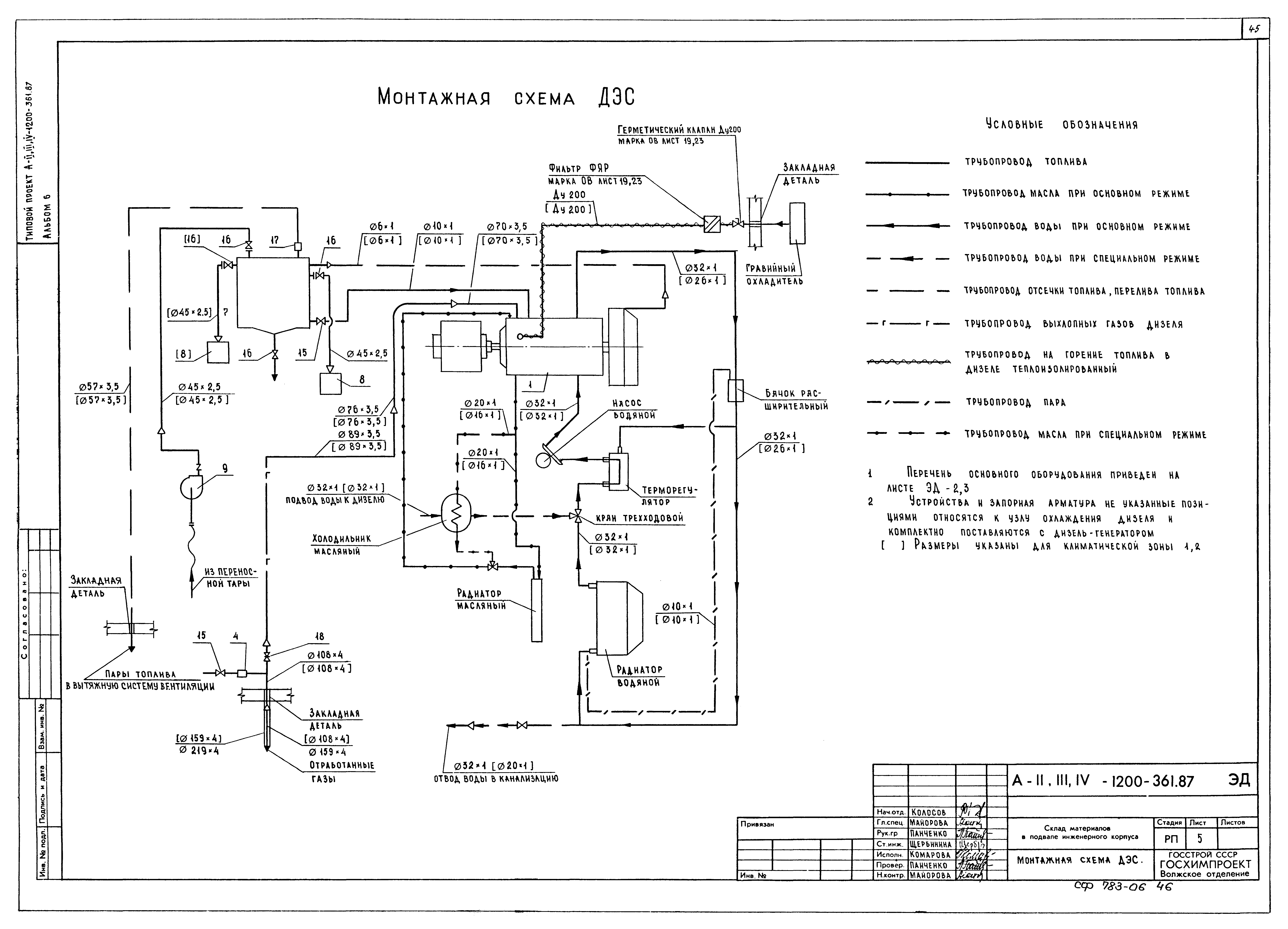
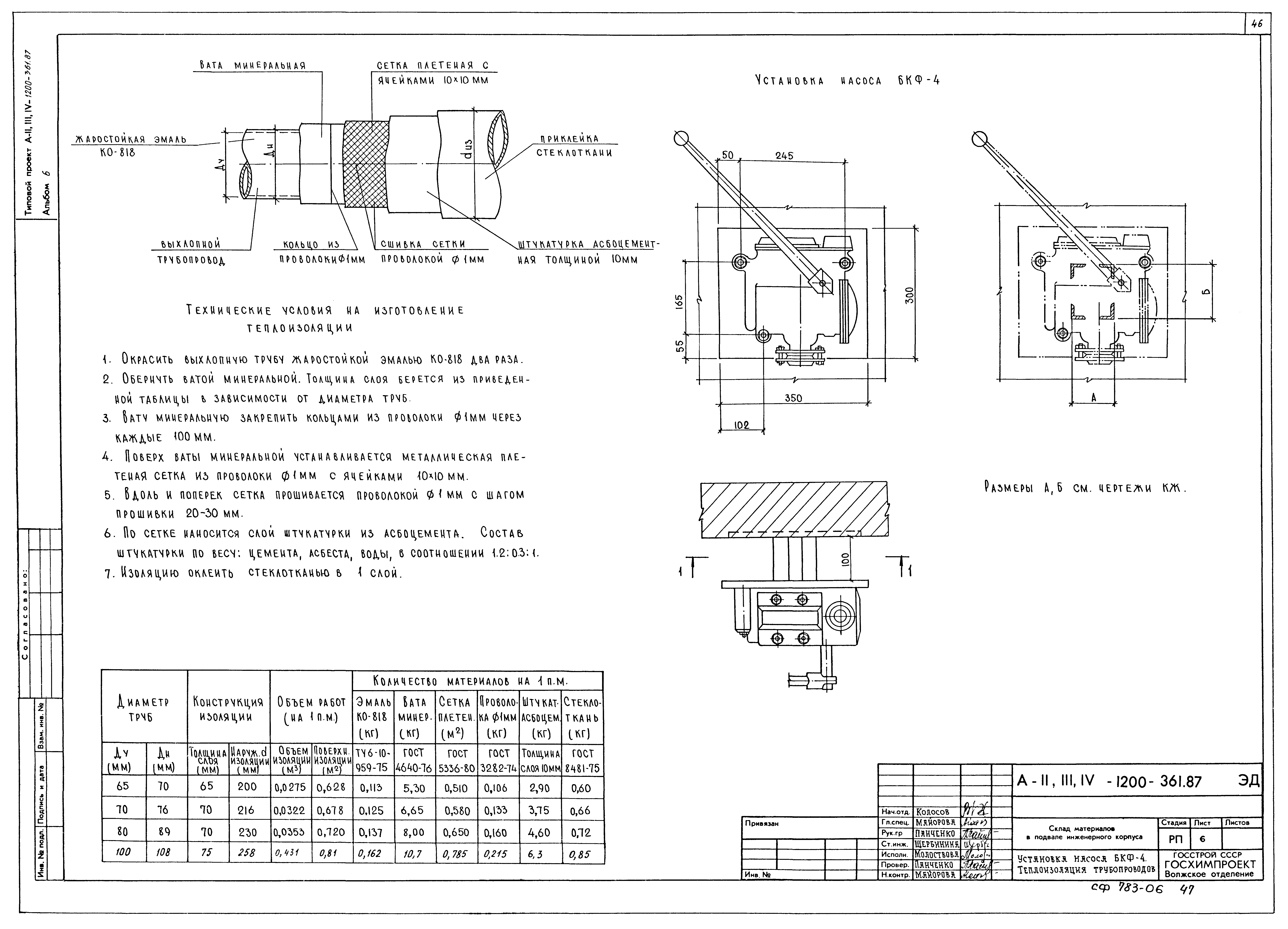
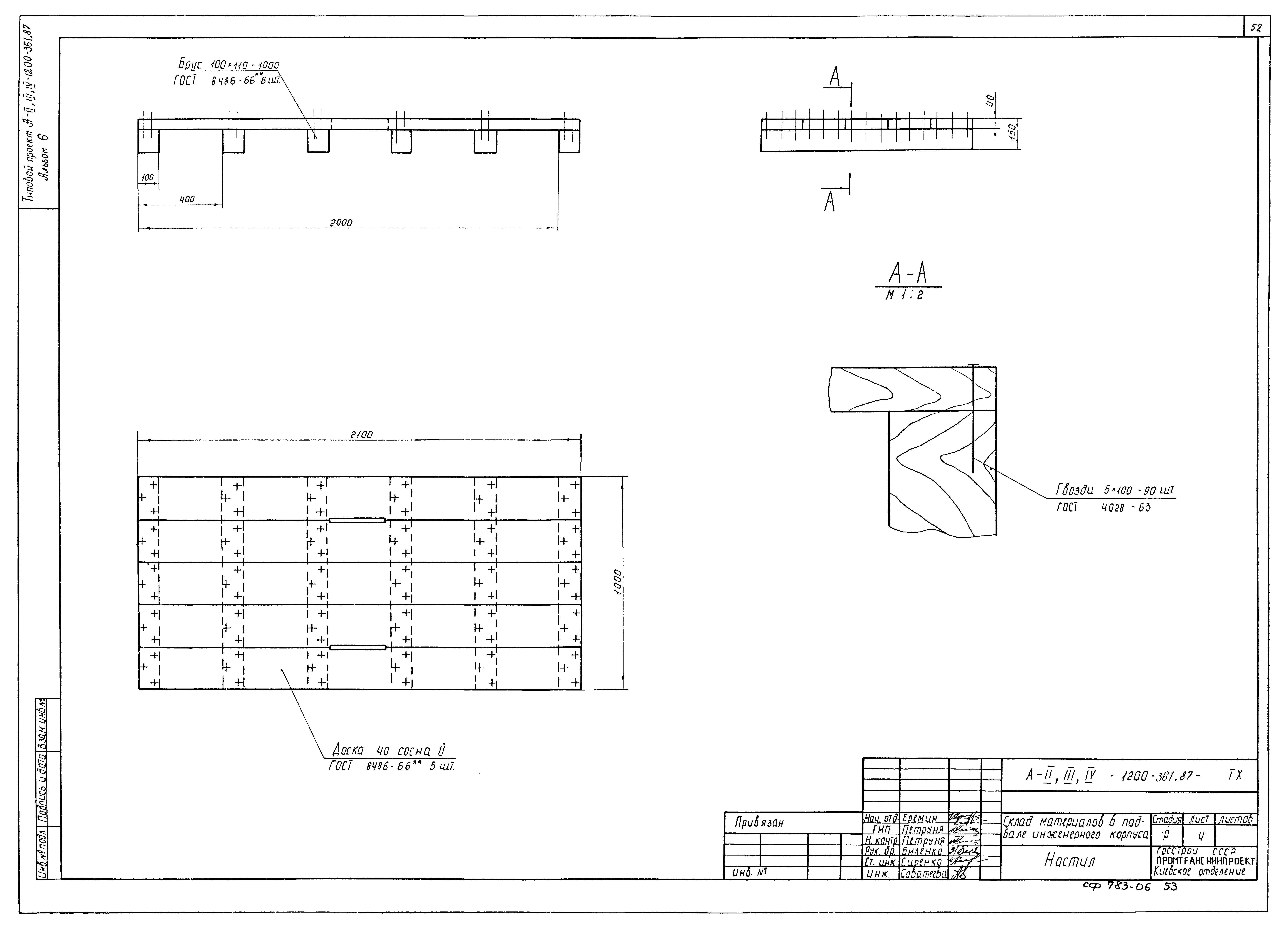
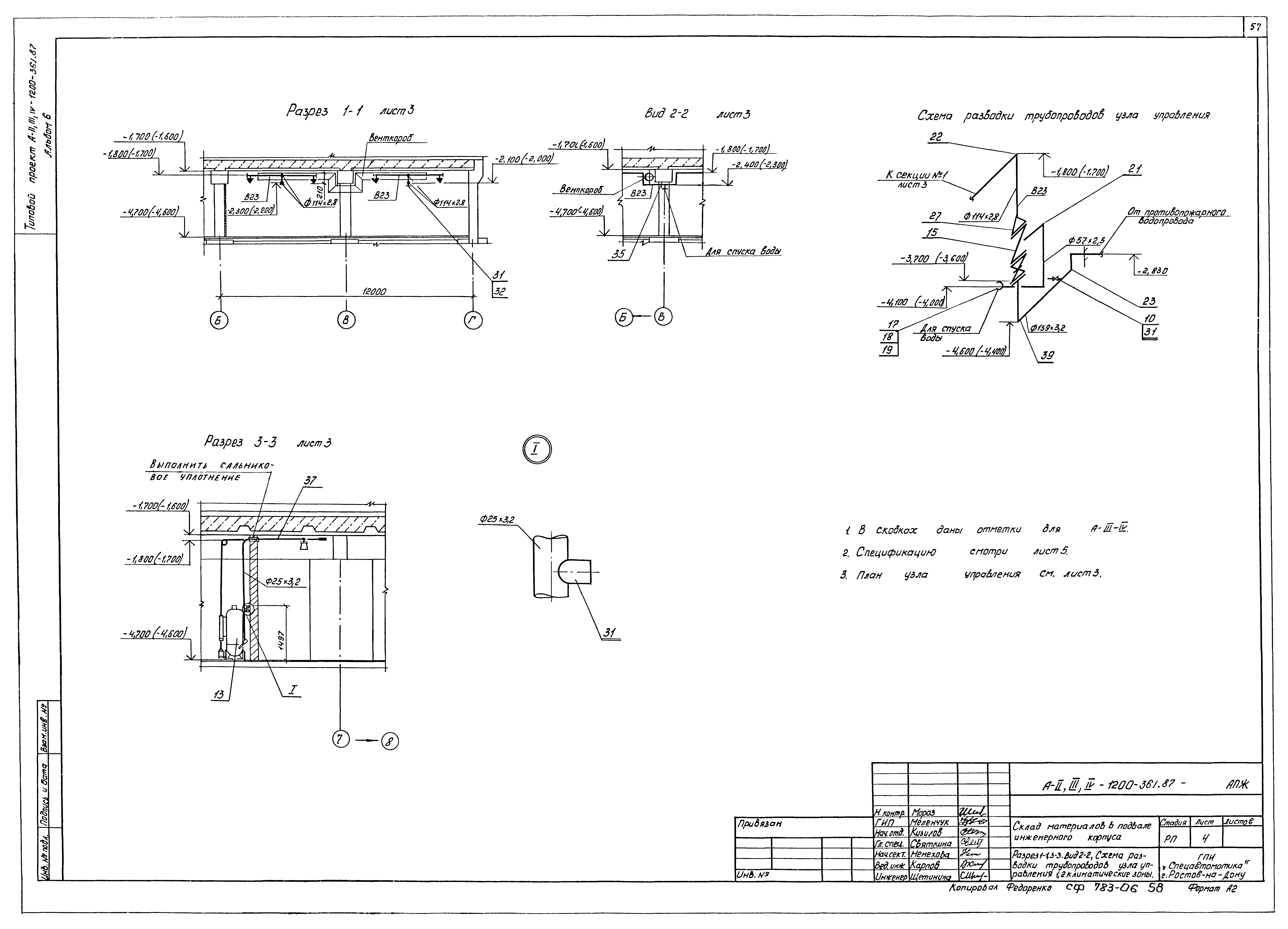
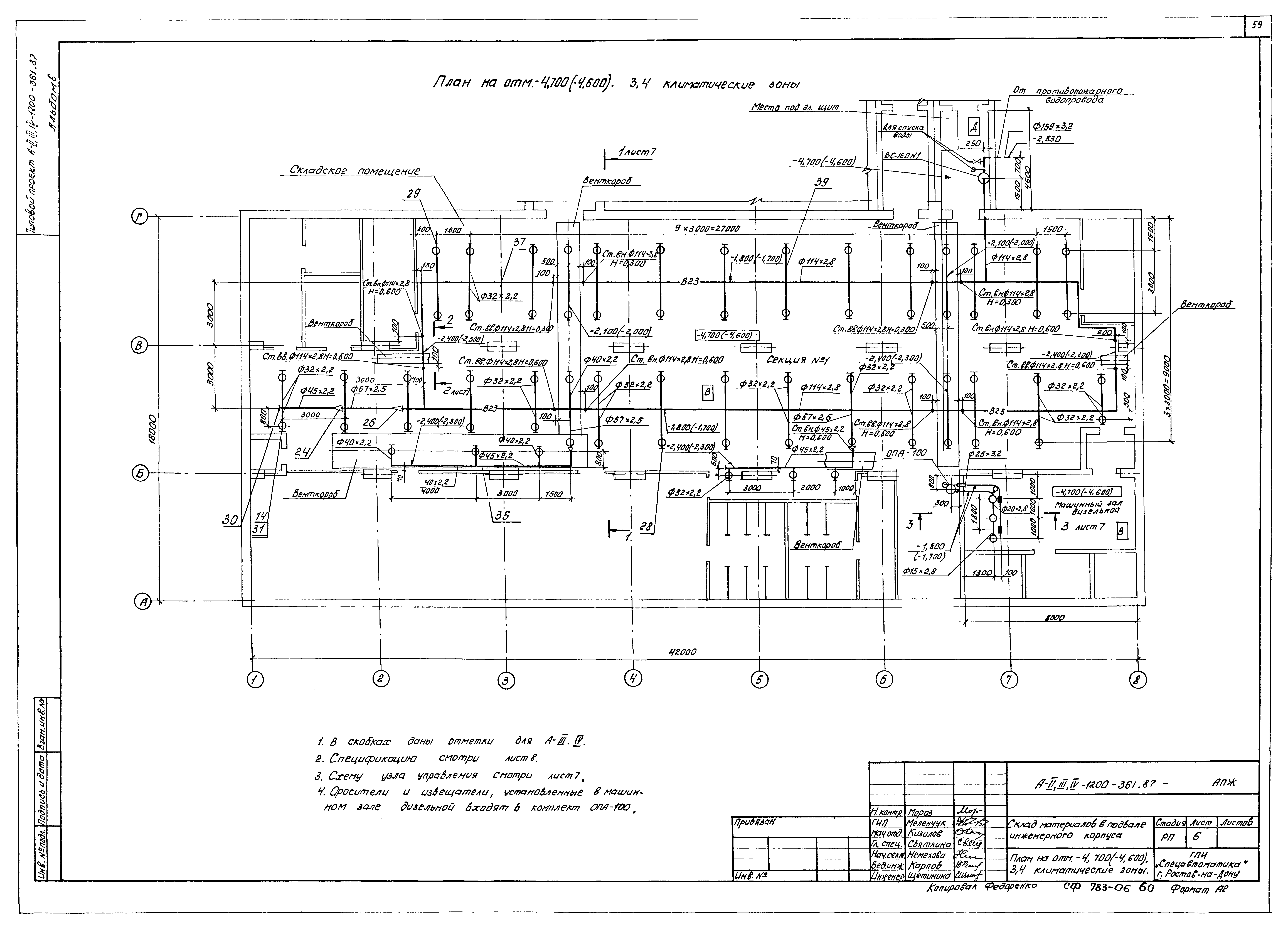
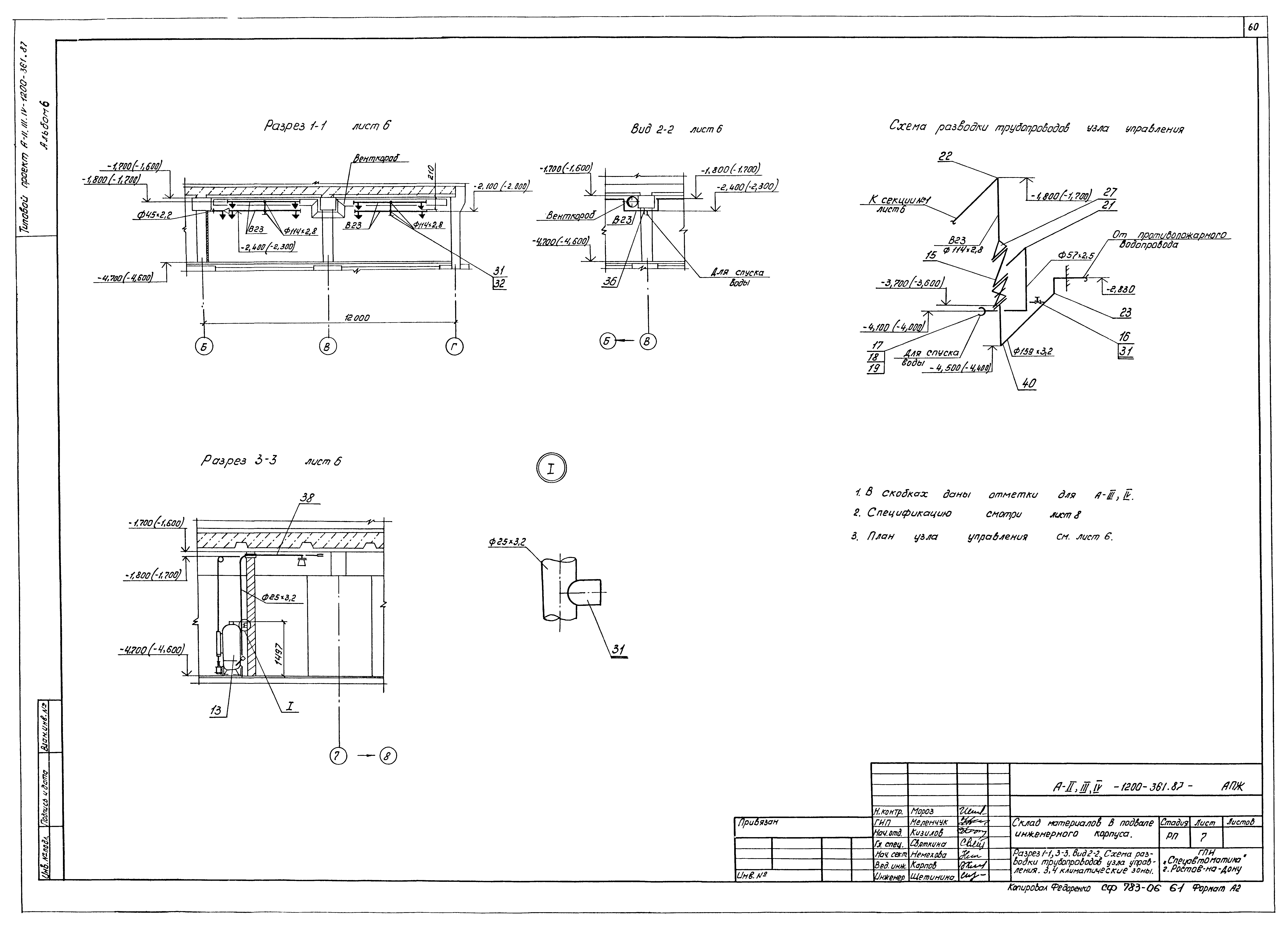
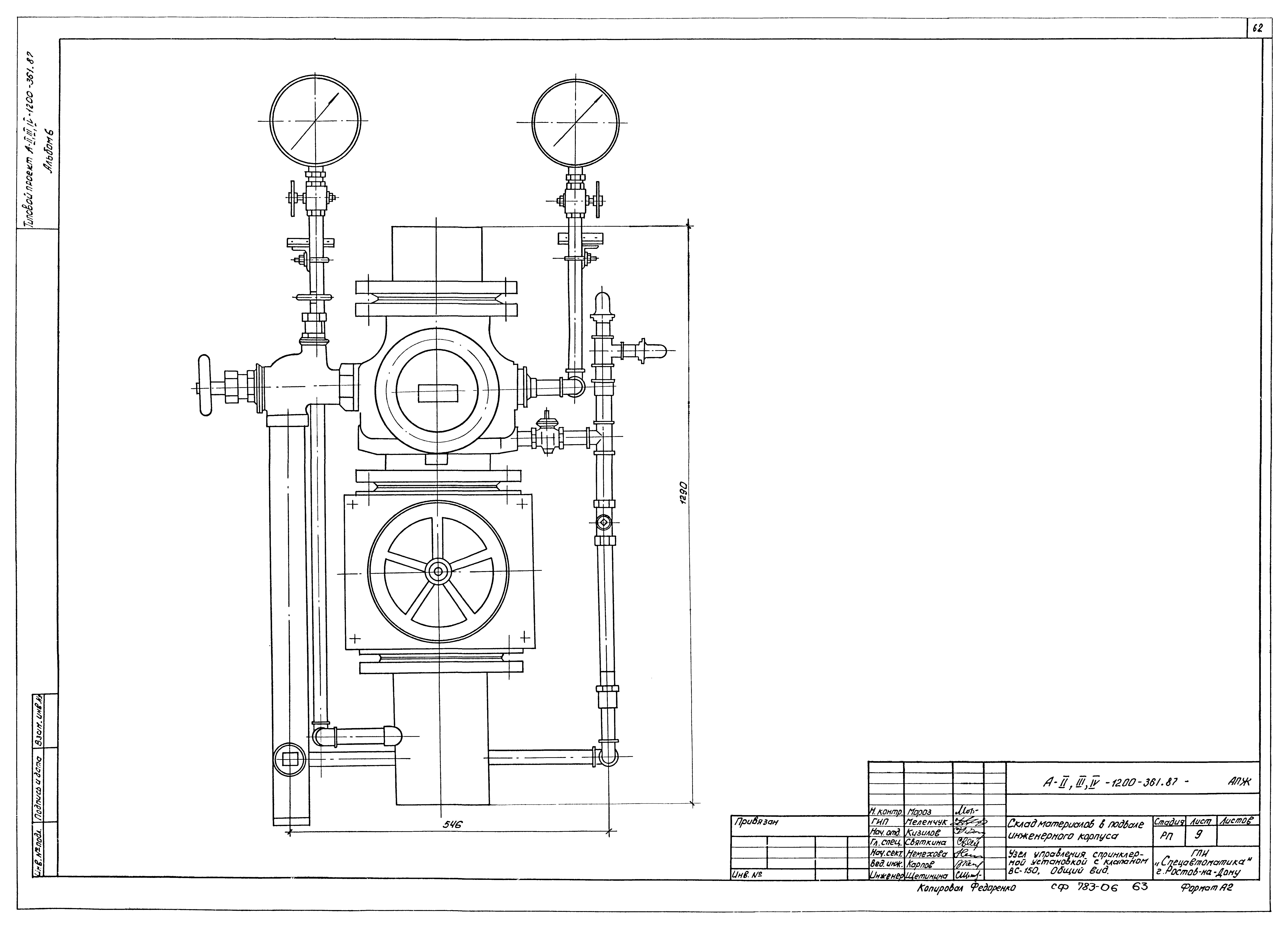
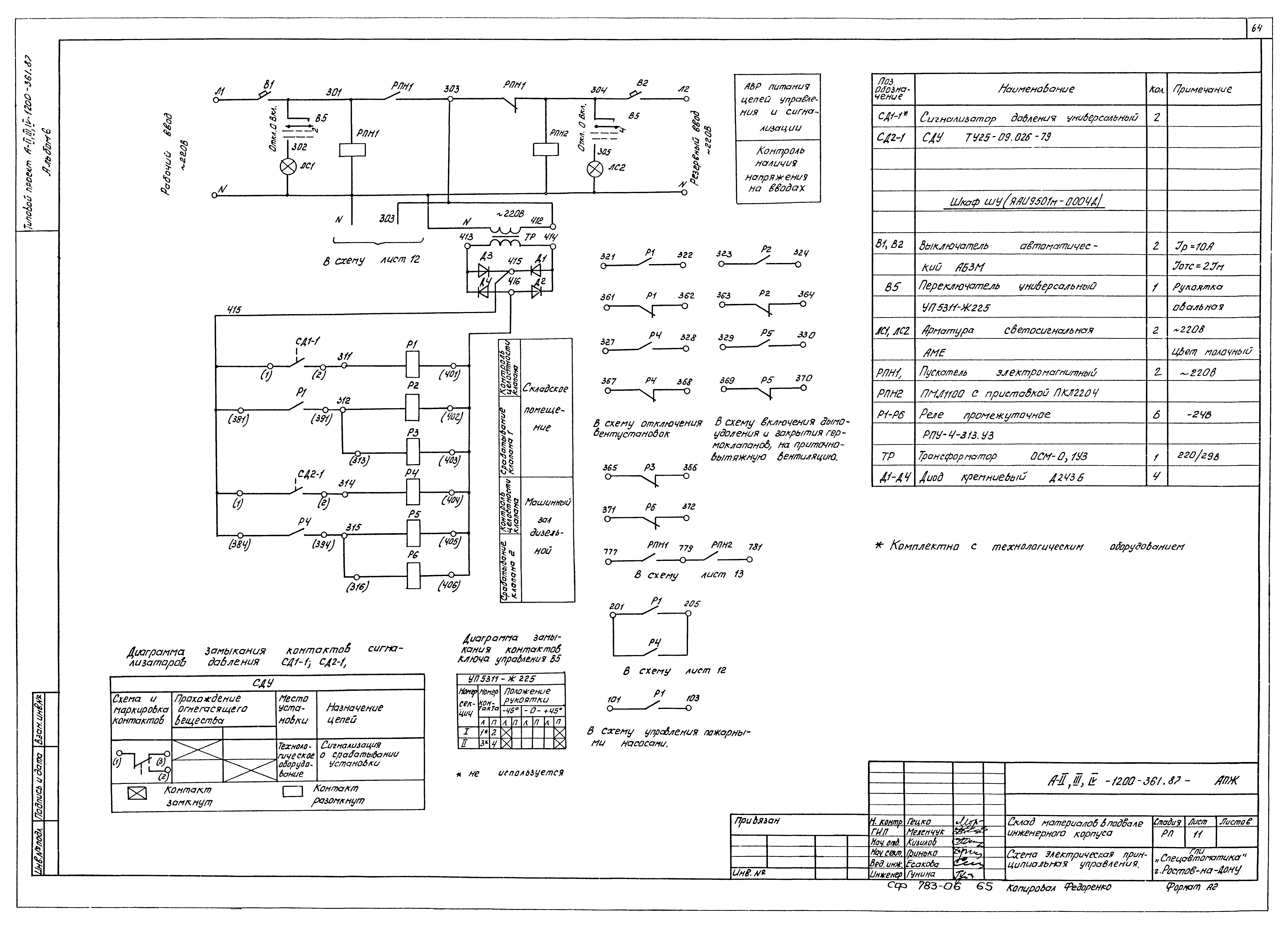
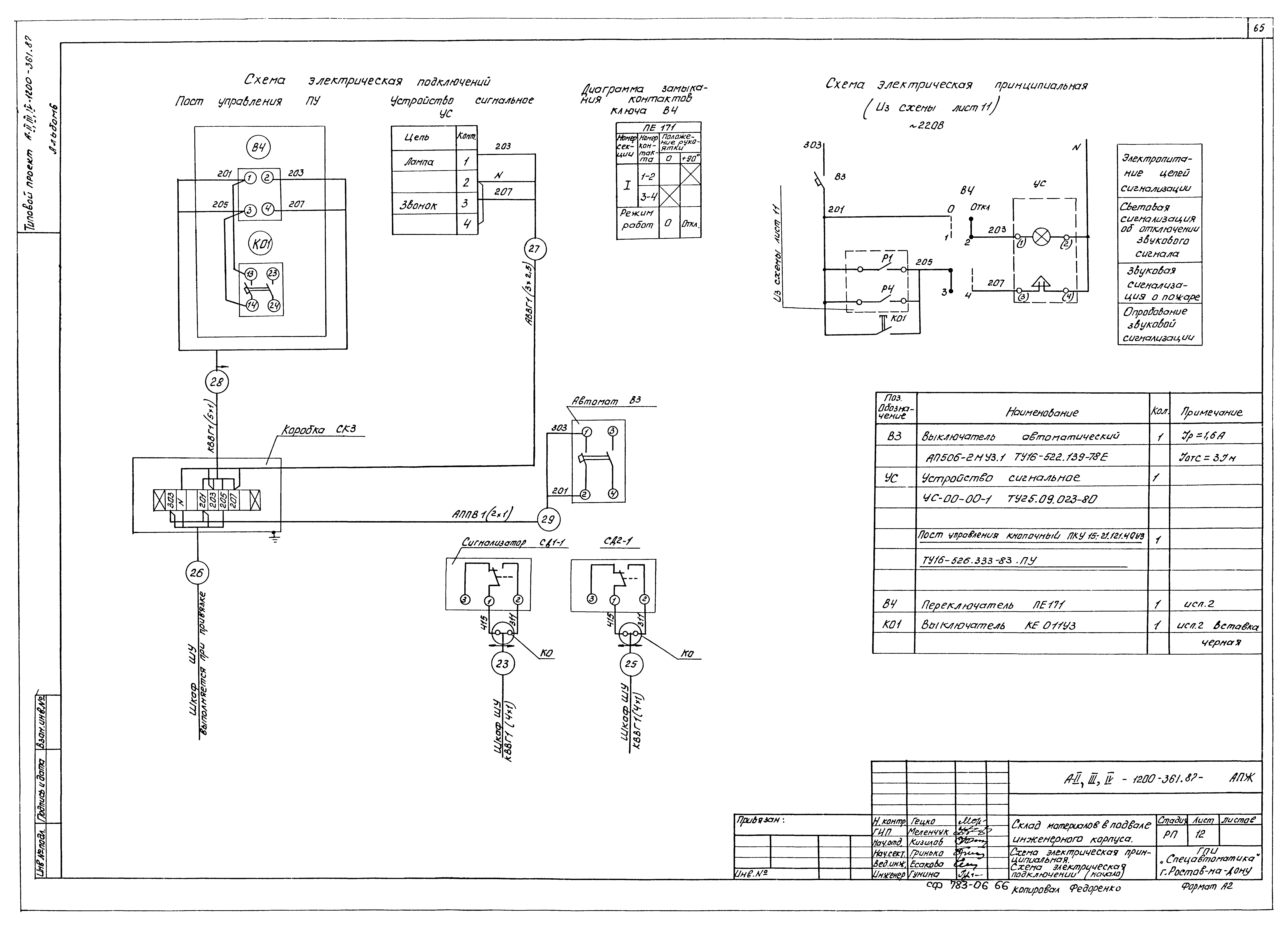
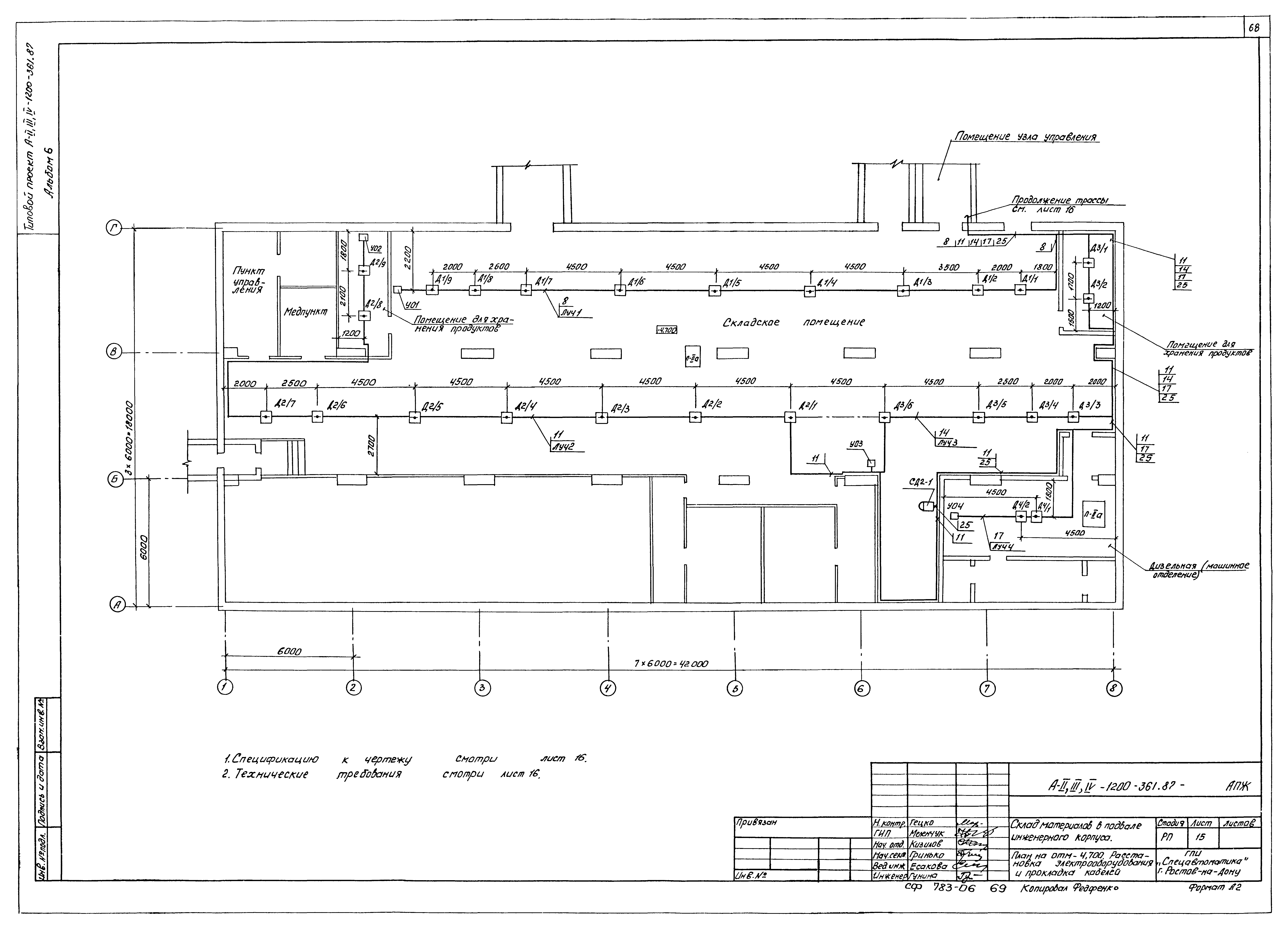
Скачать Типовой проект А-II,III,IV-1200-361.87 Альбом 6. Отопление и вентиляция. Внутренний водопровод и канализация. Электростанция дизельная. Механизация складского хозяйства. Установка автоматического водяного пожаротушенияДата актуализации: 01.01.2021 Типовой проект А-II,III,IV-1200-361.87
Альбом 6. Отопление и вентиляция. Внутренний водопровод и канализация. Электростанция дизельная. Механизация складского хозяйства. Установка автоматического водяного пожаротушения| Обозначение: | Типовой проект А-II,III,IV-1200-361.87 | | Обозначение англ: | А-II,III,IV-1200-361.87 | | Статус: | не определен законодательством | | Название рус.: | Альбом 6. Отопление и вентиляция. Внутренний водопровод и канализация. Электростанция дизельная. Механизация складского хозяйства. Установка автоматического водяного пожаротушения | | Дата добавления в базу: | 01.02.2020 | | Дата актуализации: | 01.01.2021 | | Дата введения: | 24.03.1987 | | Дата окончания срока действия: | 30.06.2003 | | Разработан: | Волжское отделение института Госхимпроект
| | Утверждён: | 24.03.1987 Штаб ГО СССР
|
                                                                        
|