Скачать Типовой проект 416-9-58.89 Альбом 6. Задание заводу-изготовителюДата актуализации: 01.01.2021
|
| Обозначение: | Типовой проект 416-9-58.89 |
| Обозначение англ: | 416-9-58.89 |
| Статус: | не определен законодательством |
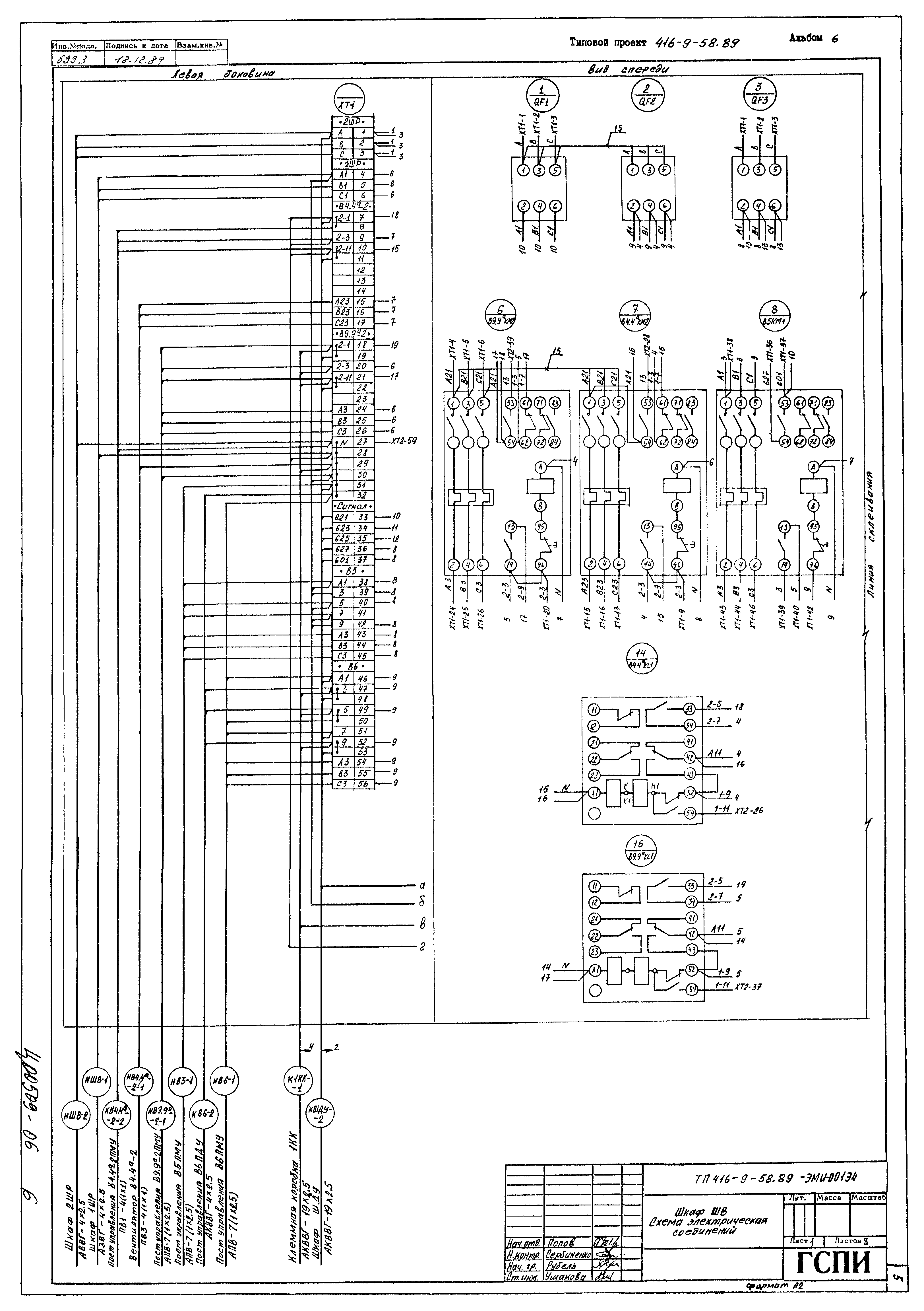
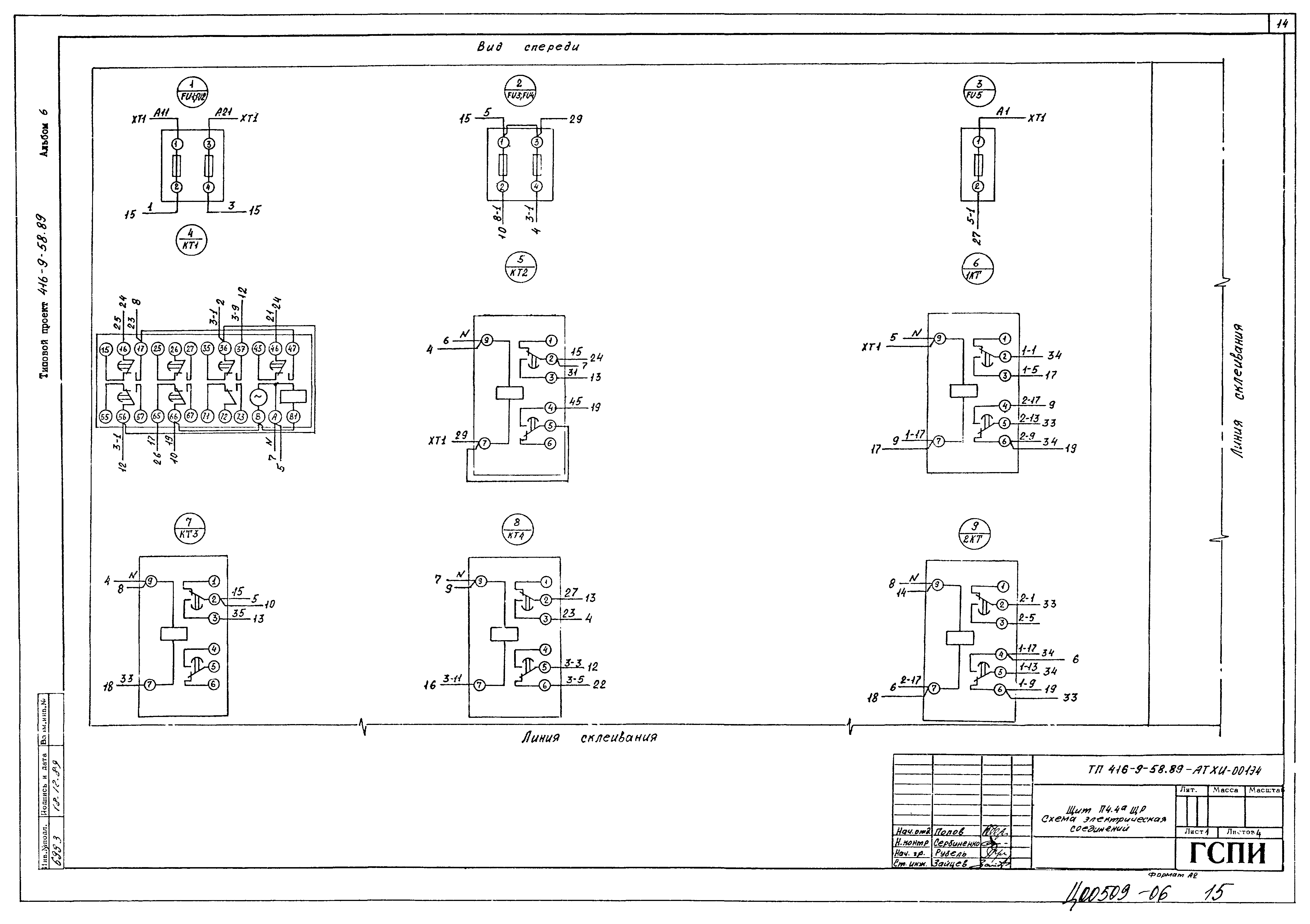
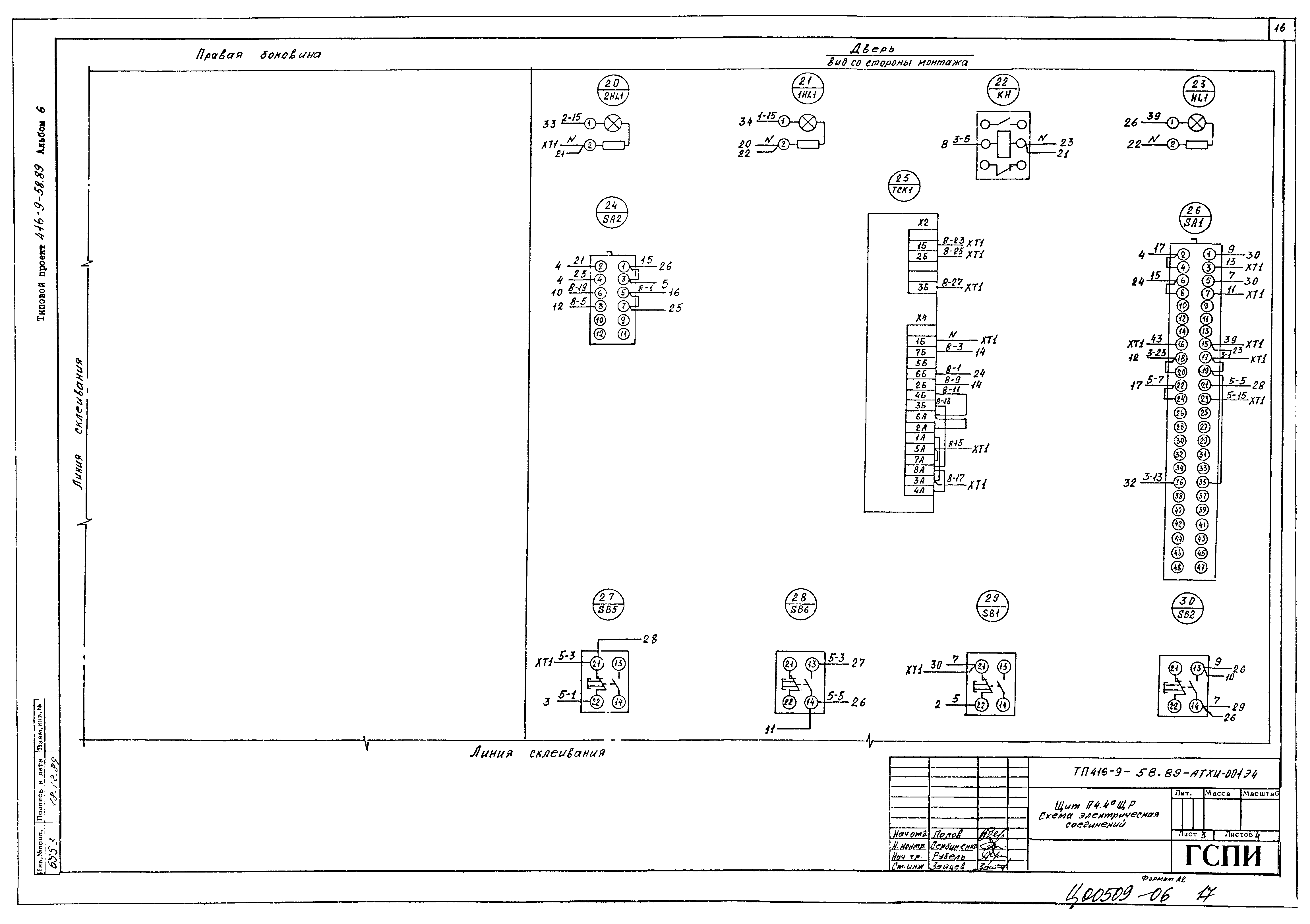
| Название рус.: | Альбом 6. Задание заводу-изготовителю |
| Дата добавления в базу: | 01.02.2020 |
| Дата актуализации: | 01.01.2021 |
| Дата введения: | 14.07.1989 |
| Дата окончания срока действия: | 30.06.2003 |
| Разработан: | ГСПИ |
| Утверждён: | 10.07.1989 ГСПИ (GSPI 10-18/Н-1532) |





















