Скачать Инструкция по определению оптимальных параметров крепления подготовительных выработок металлической арочной крепью на шахтах Печерского угольного бассейна

Дата актуализации: 01.01.2021

Инструкция по определению оптимальных параметров крепления подготовительных выработок металлической арочной крепью на шахтах Печерского угольного бассейна

Статус:справочные материалы, мп, тпр
Название рус.:Инструкция по определению оптимальных параметров крепления подготовительных выработок металлической арочной крепью на шахтах Печерского угольного бассейна
Дата добавления в базу:01.02.2020
Дата актуализации:01.01.2021
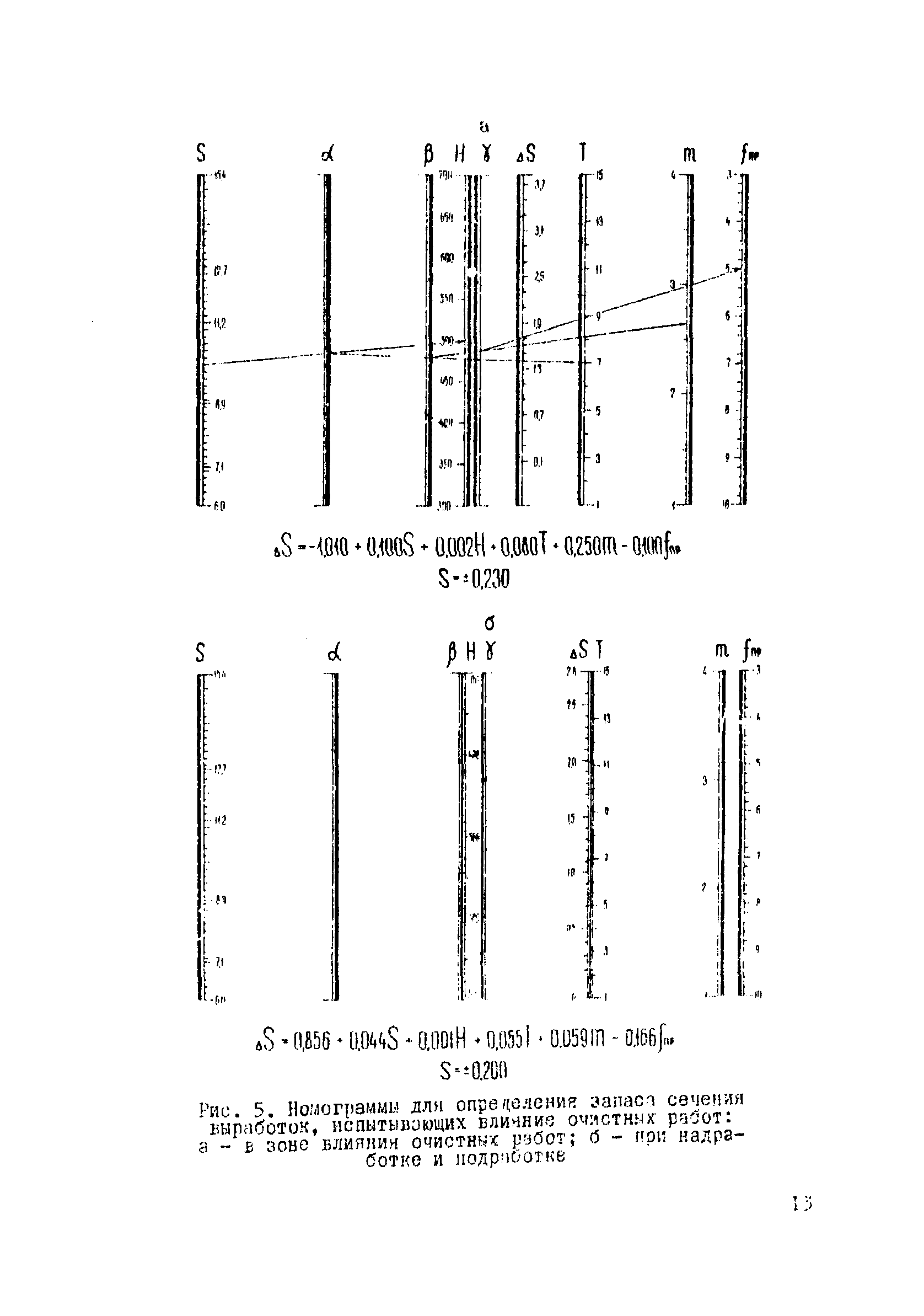
Область применения:В инструкции кратко описаны условия применения металлической арочной крепи, произведен анализ фактических параметров крепления по сравнению с нормативными. В инструкции также даны рекомендации по определению оптимальной плотности установки металлической крепи и запасу сечения выработок на осадку. Описана методика расчета экономической эффективности от корректировки параметров крепления. Инструкция рассчитана на инженерно-технических работников шахт Печорского угольного бассейна, а также на работников проектных и научно-исследовательских организаций
Оглавление:Введение
1. Условия применения металлической арочной крепи
2. Определение плотности установки крепи и типоразмера спецпрофиля
3. Определение запаса сечения выработки на осадку
4. Методика расчета экономической эффективности от корректировки параметров крепления
Литература
Разработан: ПечорНИУИ
Утверждён:03.03.1972 Воркутауголь