Скачать Инструкция о содержании, оформлении и порядке предоставления в Государственную комиссию по запасам полезных ископаемых при Совете Министров СССР и территориальные комиссии по запасам полезных ископаемых материалов по подсчету запасов металлических и неметаллических полезных ископаемых

Дата актуализации: 01.01.2021

Инструкция о содержании, оформлении и порядке предоставления в Государственную комиссию по запасам полезных ископаемых при Совете Министров СССР и территориальные комиссии по запасам полезных ископаемых материалов по подсчету запасов металлических и неметаллических полезных ископаемых

Статус:справочные материалы, мп, тпр
Название рус.:Инструкция о содержании, оформлении и порядке предоставления в Государственную комиссию по запасам полезных ископаемых при Совете Министров СССР и территориальные комиссии по запасам полезных ископаемых материалов по подсчету запасов металлических и неметаллических полезных ископаемых
Дата добавления в базу:01.02.2020
Дата актуализации:01.01.2021
Область применения:Инструкция предназначена для организаций министерств и ведомств, ведущих геологоразведочные работы, а также для проектных институтов и учебных заведений геологического профиля
Оглавление:1. Порядок представления материалов
2. Содержание материалов
3. Оформление материалов
4. Апробация подсчетов запасов по данным предварительной разведки
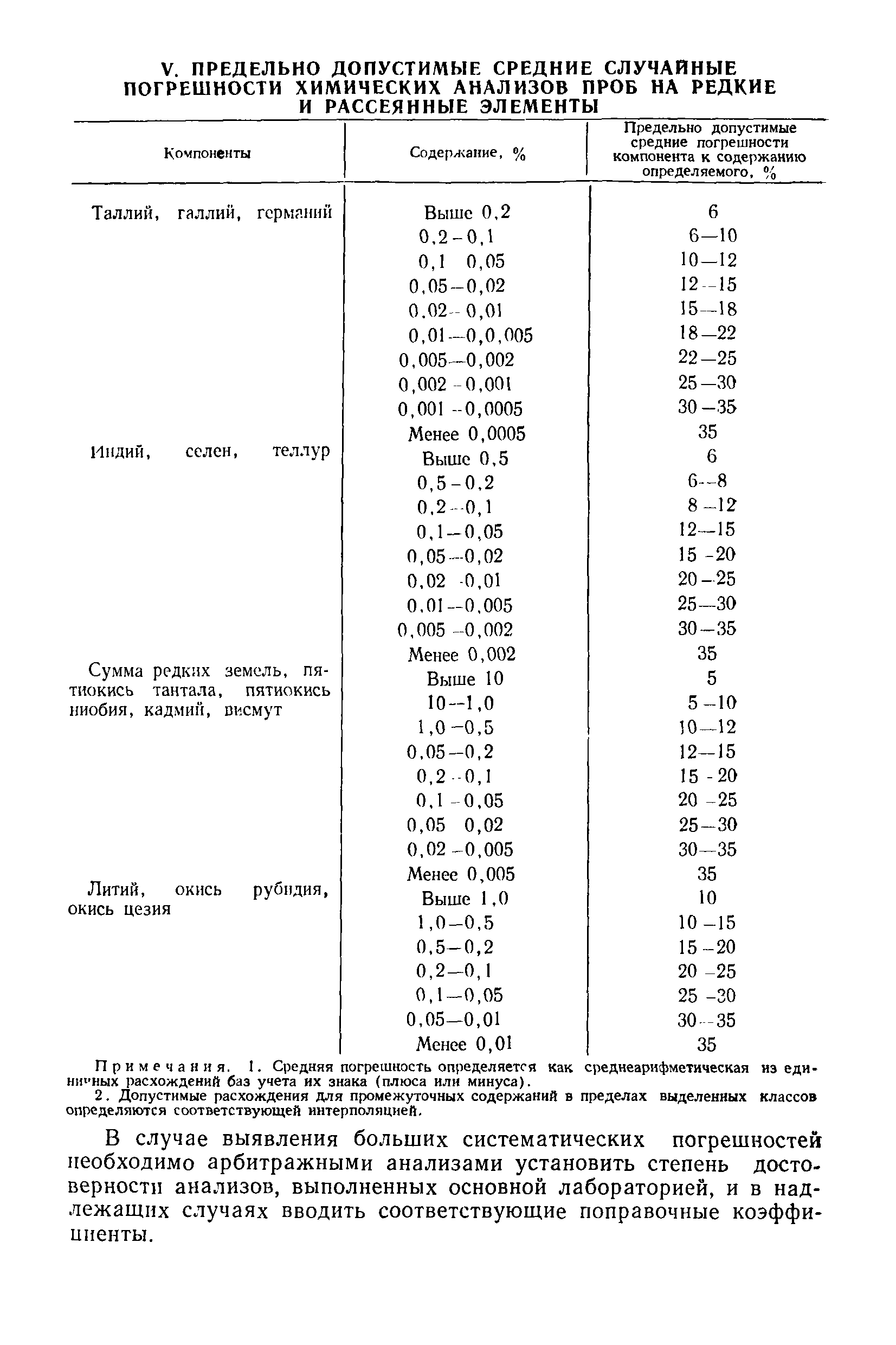
Приложение 1. Временные требования к подсчету запасов попутных полезных ископаемых и компонентов в рудах и других видах минерального сырья
Приложение 2. Положение об эксперте Государственной комиссии по запасам полезных ископаемых при Совете Министров СССР (ГКЗ СССР)
Разработан: ГКЗ СССР
Утверждён:20.05.1975 ГКЗ СССР (USSR GKZ )
Издан: Издательство Недра (1976 г. )
Заменяет собой:
  • «Инструкция о порядке внесения, содержании и оформлении материалов по подсчету запасов рудных и нерудных полезных ископаемых, представляемых для утверждения в ГКЗ СССР и территориальные комиссии по запасам полезных ископаемых (ТКЗ)» (издание 1960 г.)