Скачать РД 52.08.23-84 Руководящий нормативный документ. Охрана природы. Гидросфера. Методические указания. Правила ведения учета поверхностных вод. Учет поверхностных вод суши по качественным показателямДата актуализации: 01.01.2021
|
| Обозначение: | РД 52.08.23-84 |
| Обозначение англ: | RD 52.08.23-84 |
| Статус: | действует |
| Название рус.: | Руководящий нормативный документ. Охрана природы. Гидросфера. Методические указания. Правила ведения учета поверхностных вод. Учет поверхностных вод суши по качественным показателям |
| Дата добавления в базу: | 01.02.2020 |
| Дата актуализации: | 01.01.2021 |
| Область применения: | Методические указания устанавливают правила учета качества вод рек, озер и водохранилищ, включая организацию системы наблюдений, характеристику методов химического анализа и их точности, формы первичного учета и обобщения гидрохимической информации, а также контроля за правильностью учета качества вод |
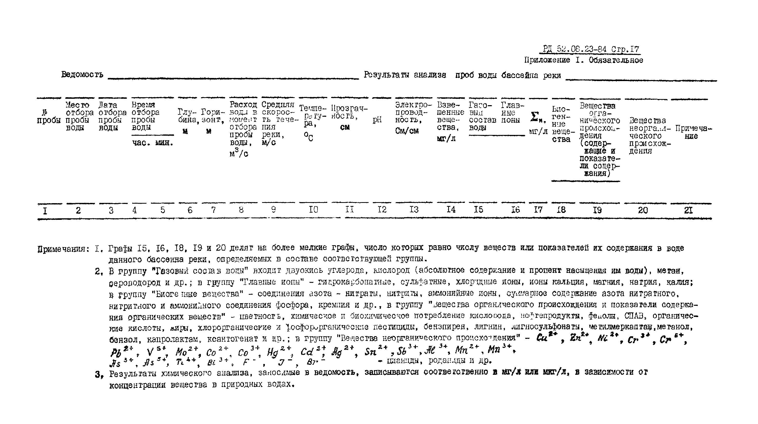
| Оглавление: | 1. Система наблюдений за качеством поверхностных вод суши 2. Методы химического анализа поверхностных вод суши 3. Форма первичного учета вод по качественным показателям 4. Формы обобщения и сроки представления гидрохимической информации потребителям 5. Контроль за правильностью учета поверхностных вод суши по качественным показателям Приложение 1. Обязательное |
| Утверждён: | 01.06.1984 Госкомгидромет СССР |
| Нормативные ссылки: |


















