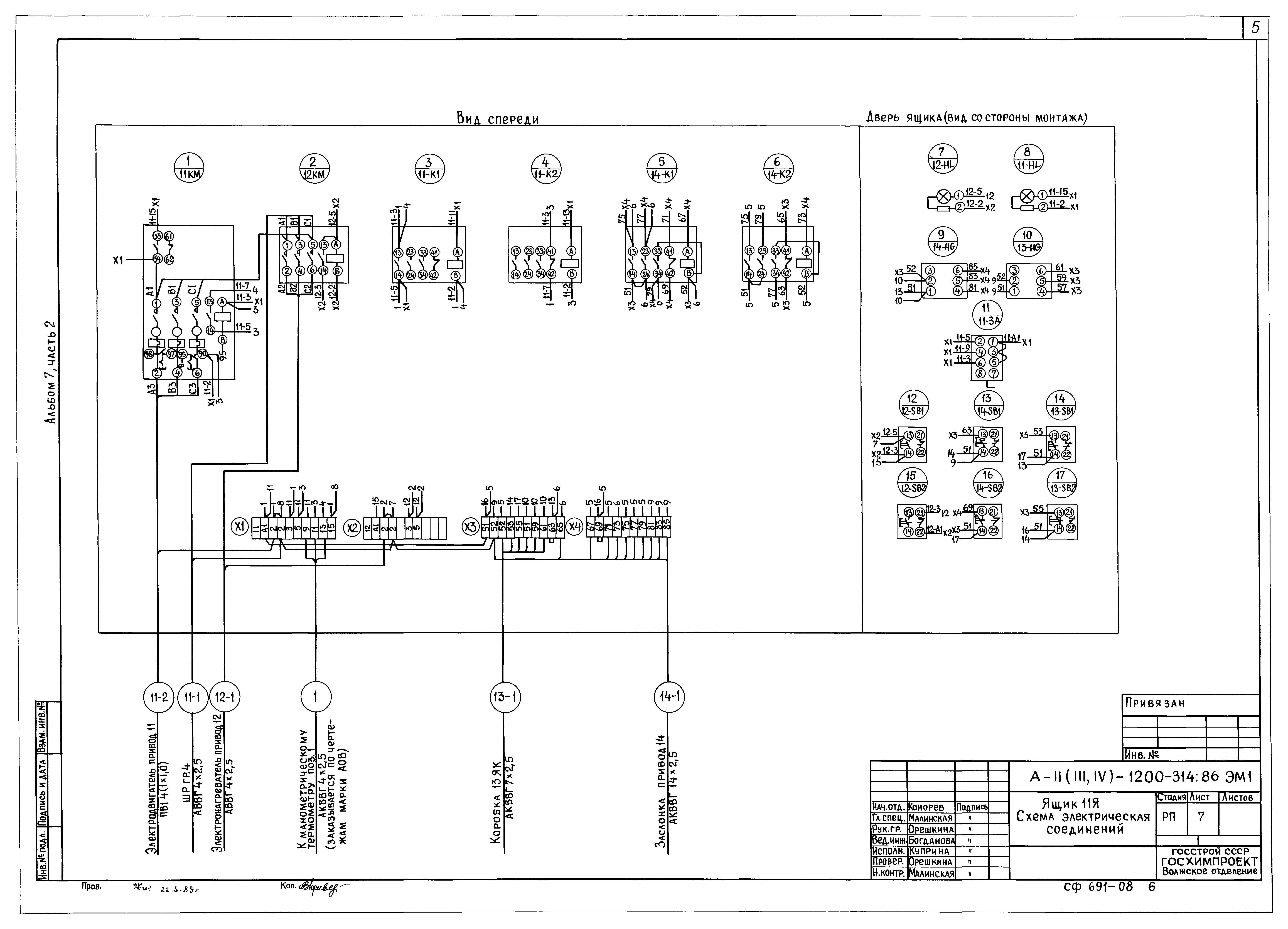
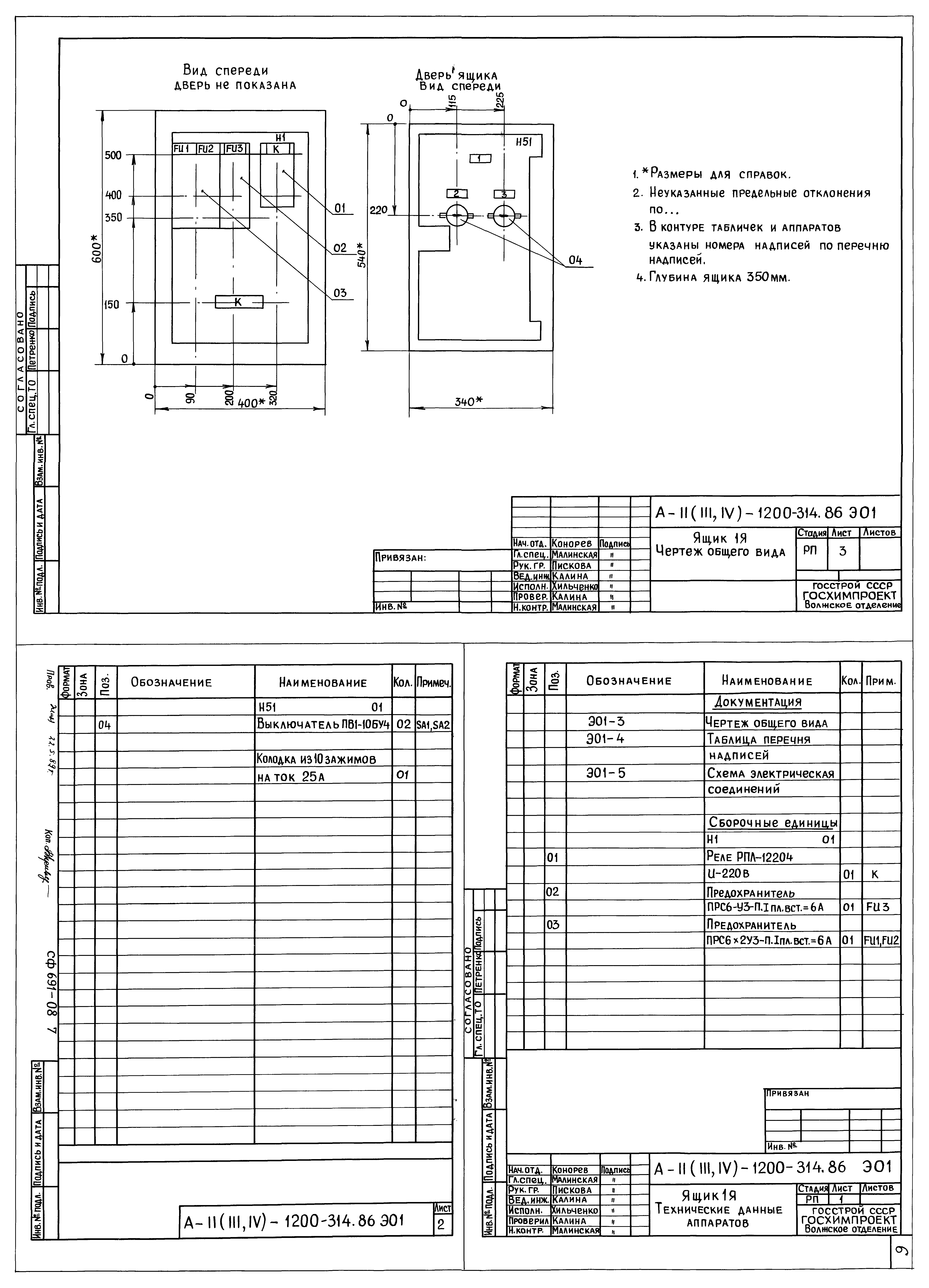
Скачать Типовой проект А-II,III,IV-1200-315.86 Альбом 7. Часть 2. Задание заводам-изготовителям (из ТП А-II,III,IV-1200-314.86)Дата актуализации: 01.01.2021
|
| Обозначение: | Типовой проект А-II,III,IV-1200-315.86 |
| Обозначение англ: | А-II,III,IV-1200-315.86 |
| Статус: | не определен законодательством |
| Название рус.: | Альбом 7. Часть 2. Задание заводам-изготовителям (из ТП А-II,III,IV-1200-314.86) |
| Дата добавления в базу: | 01.02.2020 |
| Дата актуализации: | 01.01.2021 |
| Дата введения: | 15.01.1986 |
| Дата окончания срока действия: | 30.06.2003 |
| Разработан: | Киевское отделение Промтрансниипроект Ростовский ГПИ Спецавтоматика Волжское отделение института Госхимпроект |
| Утверждён: | 10.12.1985 Госстрой СССР (А4-59) |







