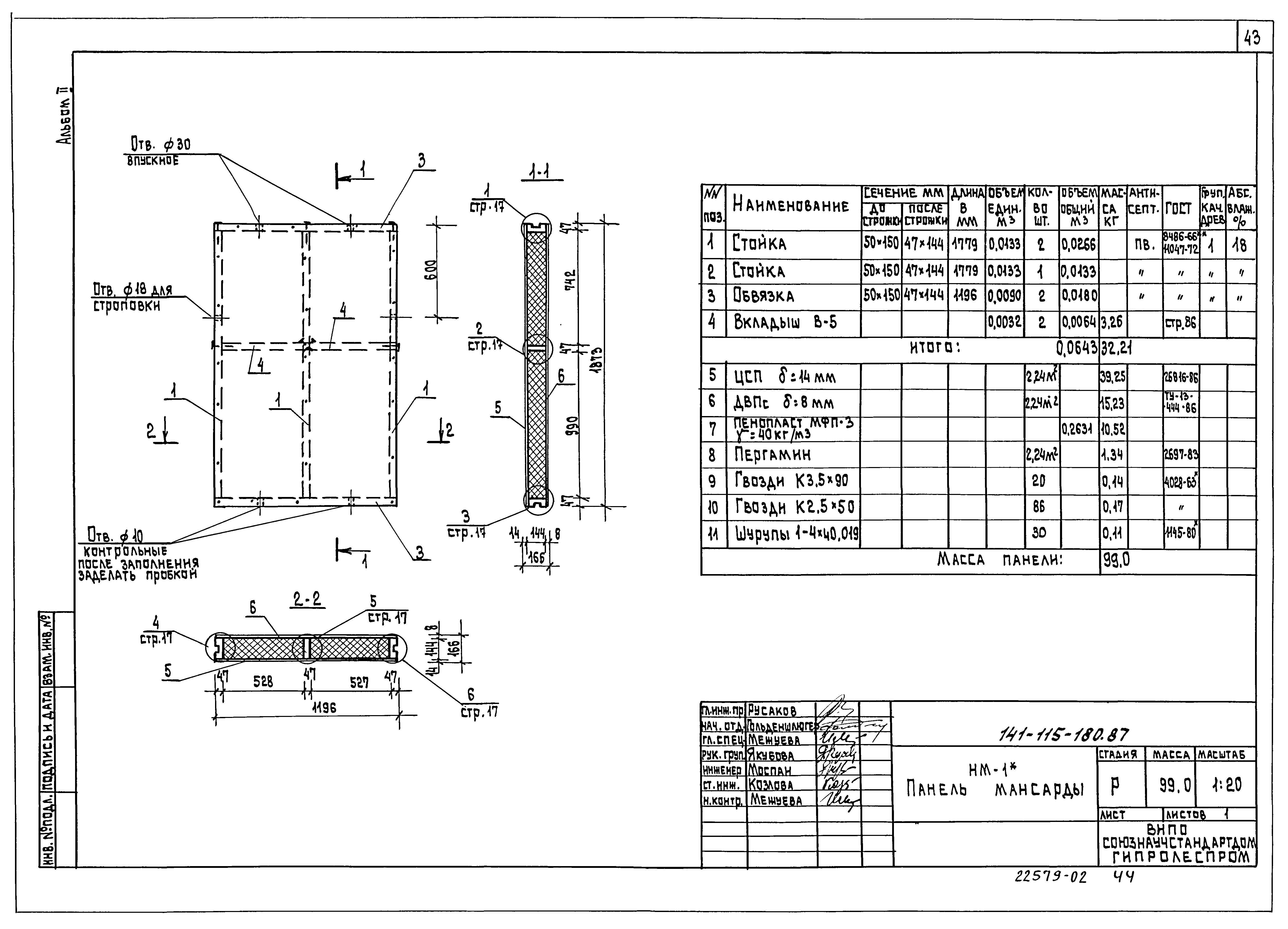
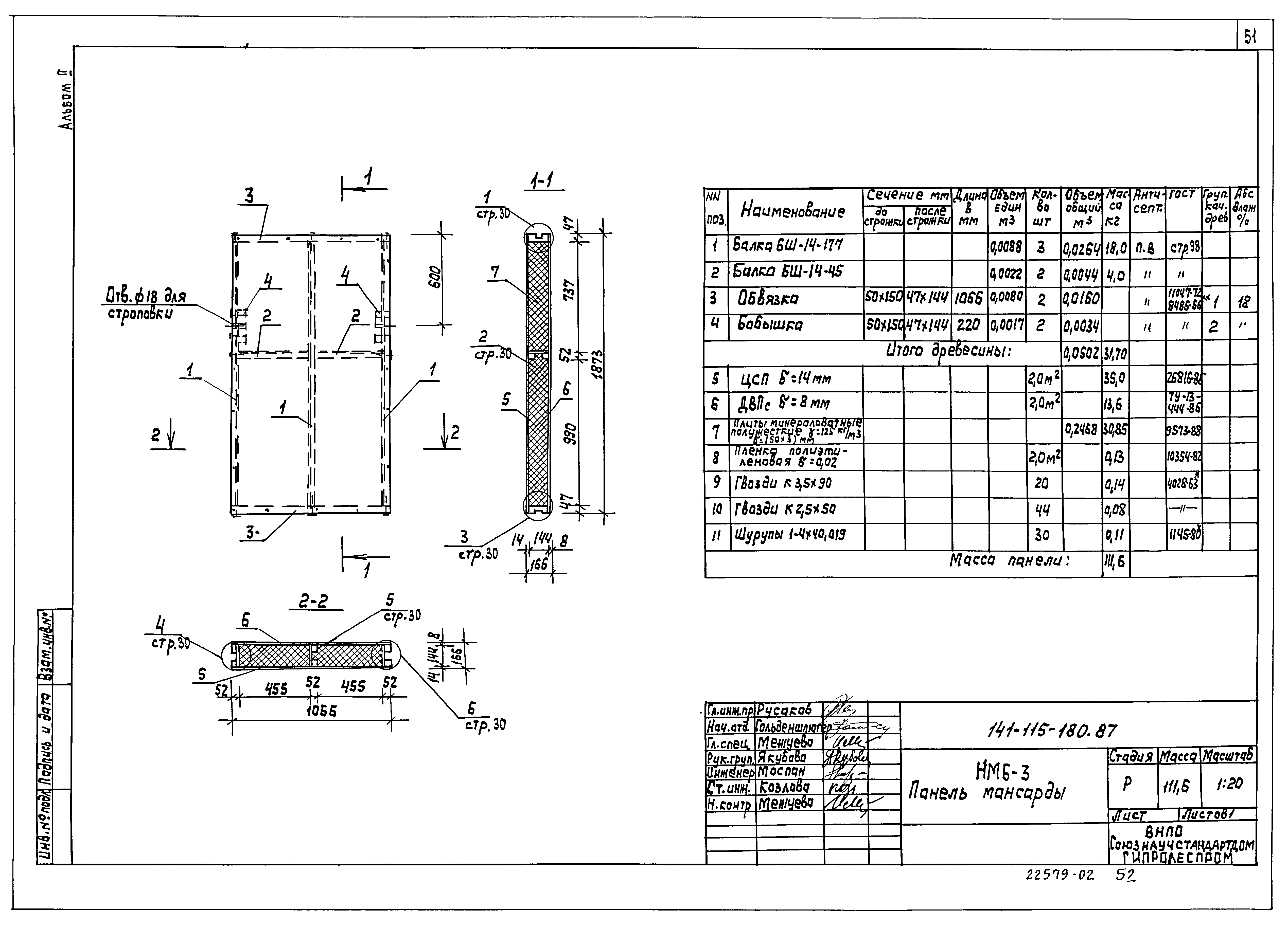
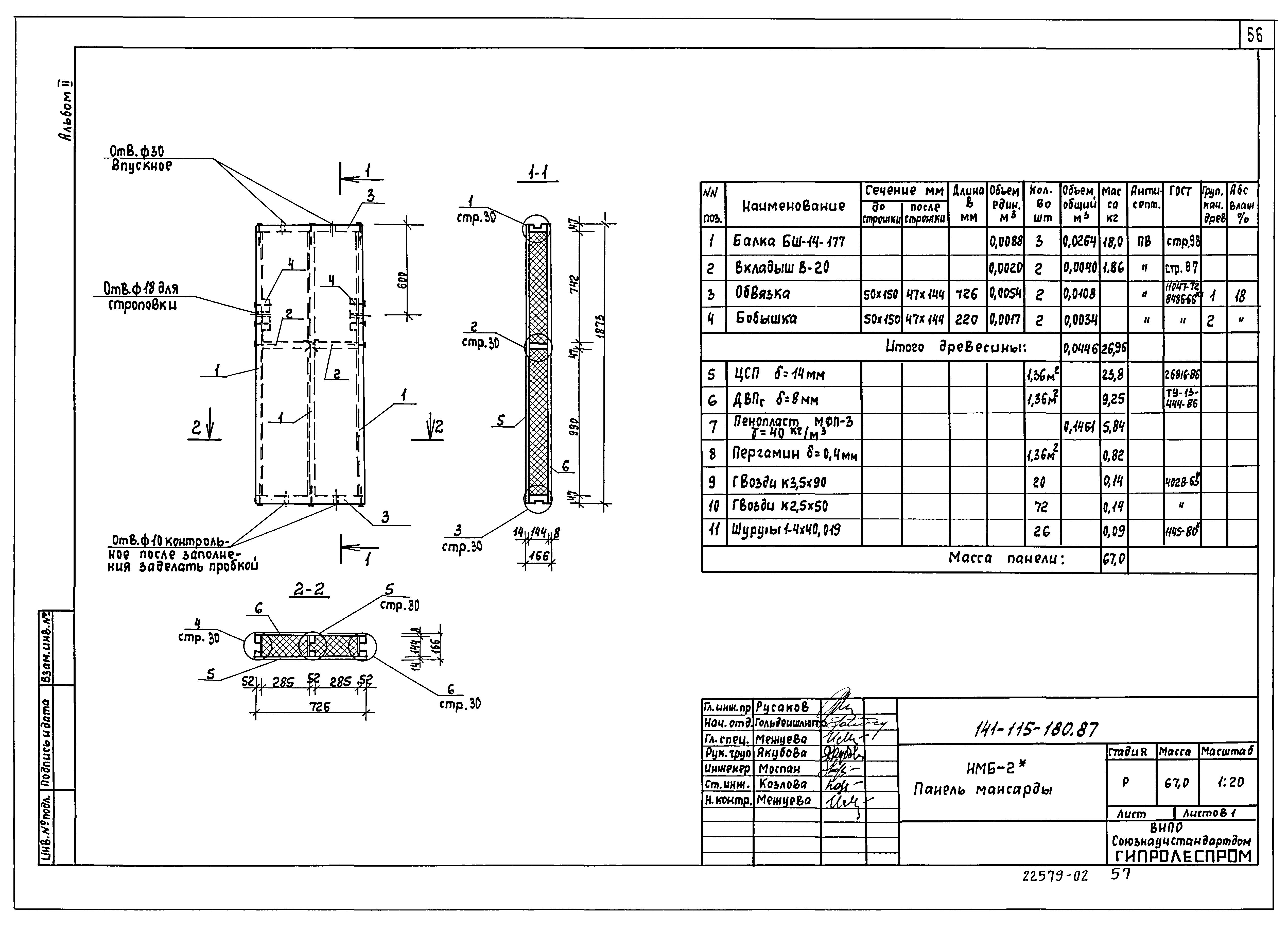
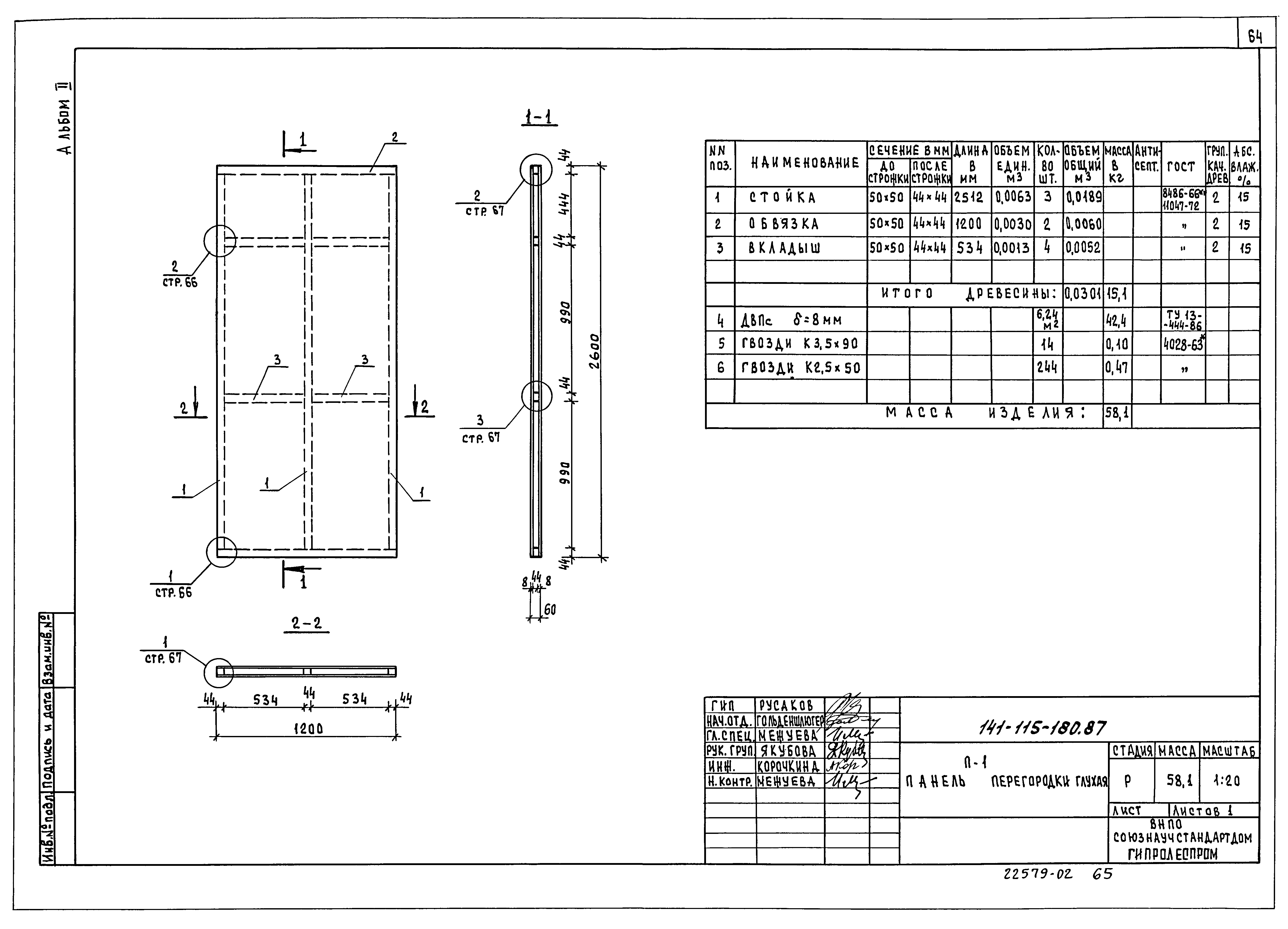
Скачать Типовой проект 141-115-180.87 Альбом II. Деревянные изделия заводского изготовленияДата актуализации: 01.01.2021
|
| Обозначение: | Типовой проект 141-115-180.87 |
| Обозначение англ: | 141-115-180.87 |
| Статус: | не определен законодательством |
| Название рус.: | Альбом II. Деревянные изделия заводского изготовления |
| Дата добавления в базу: | 01.02.2020 |
| Дата актуализации: | 01.01.2021 |
| Дата введения: | 25.09.1987 |
| Дата окончания срока действия: | 30.06.2003 |
| Разработан: | Гипролеспром Минлесбумпрома СССР |
| Утверждён: | 02.06.1987 Госгражданстрой (Gosgrazhdanstroy 179) |
| Издан: | ЦИТП Госстроя СССР (CITP, Gosstroy (USSR) 1996 г. ) |






































































































