Скачать Правила и нормы приемки и контроля установок для обогащения каменного угляДата актуализации: 01.01.2021
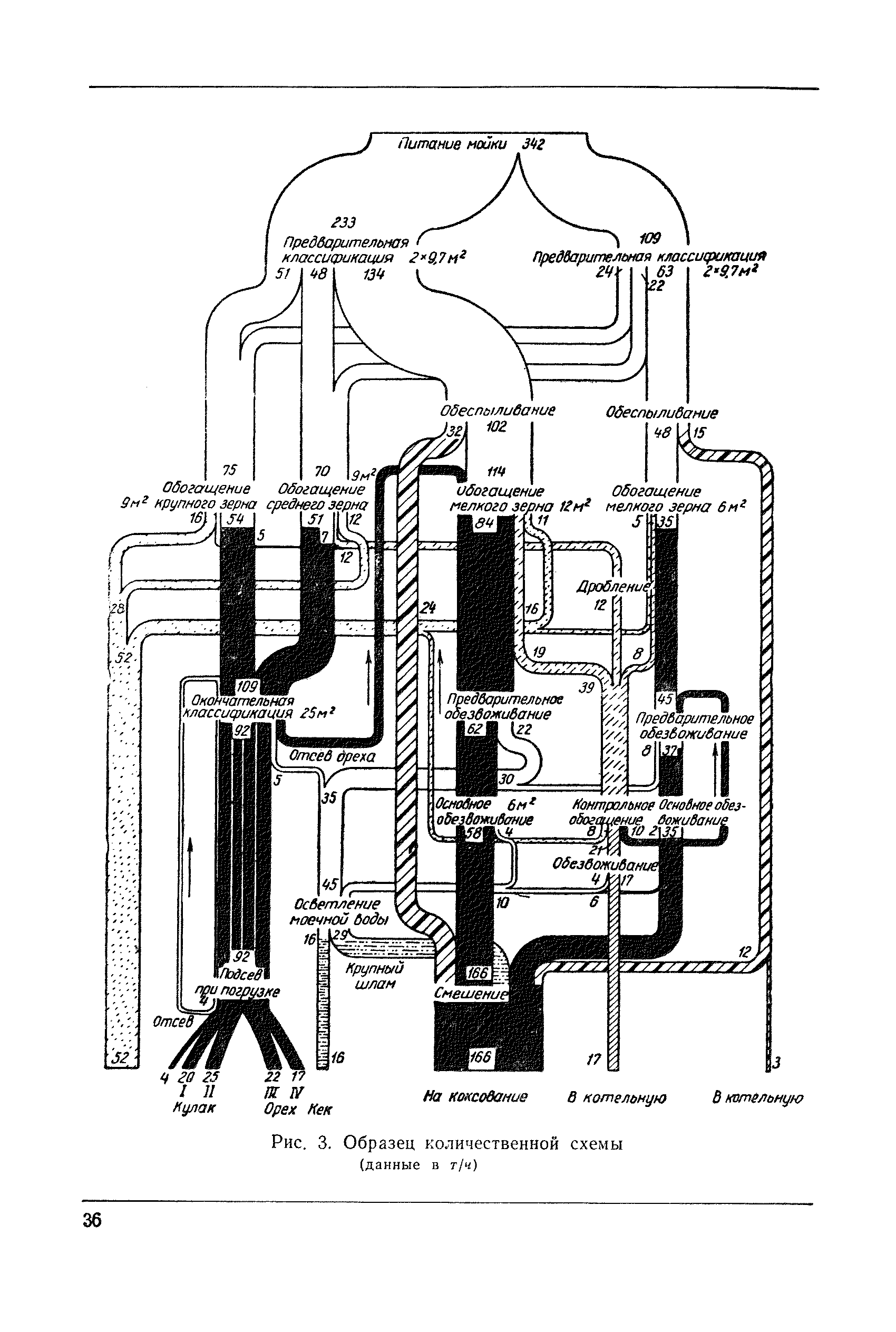
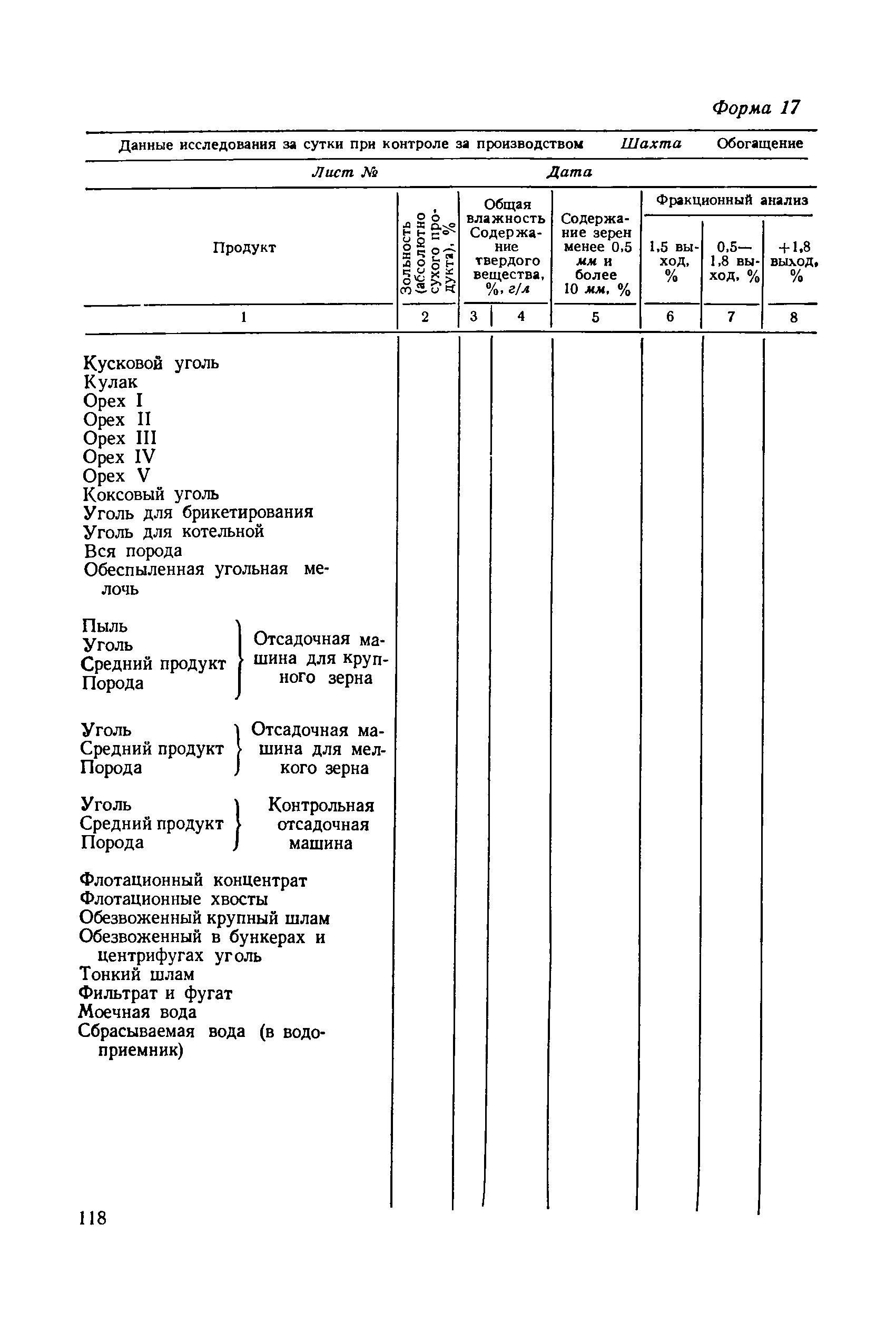
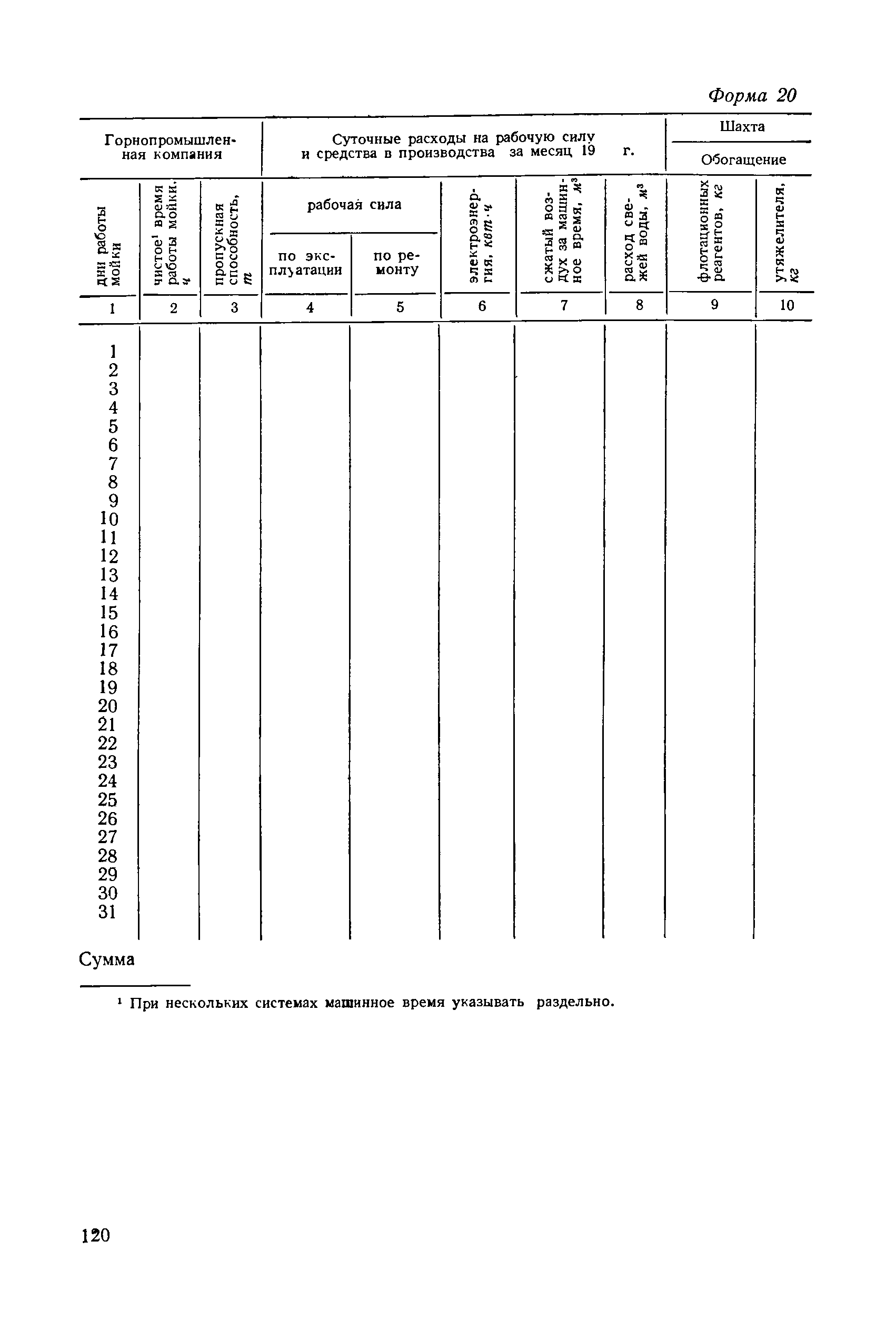
Правила и нормы приемки и контроля установок для обогащения каменного угля| Статус: | справочные материалы, мп, тпр | | Название рус.: | Правила и нормы приемки и контроля установок для обогащения каменного угля | | Дата добавления в базу: | 01.02.2020 | | Дата актуализации: | 01.01.2021 | | Область применения: | Правила являются рекомендуемыми; наряду с этим в них содержатся директивы, которые являются обязательными, как, например, стандартные методы анализов. | | Оглавление: | 1. Терминология 2. Отбор пробы 3. Исследование проб 4. Оценка результатов исследования и их графическое изображение . . 5. Примерные качественные показатели для продуктов обогащения 6. Специальные указания по технологическому контролю 7. Специальные указания по контролю за оборудованием и за расходами на обогащение 8. Проектирование 9. Гарантийный договор и приемка 10. Приложение |
                                                                                                                          
|