Скачать Правила заводского, деповского, профилактического и текущего ремонта вагонов промышленного транспорта колеи 1524 ммДата актуализации: 01.01.2021
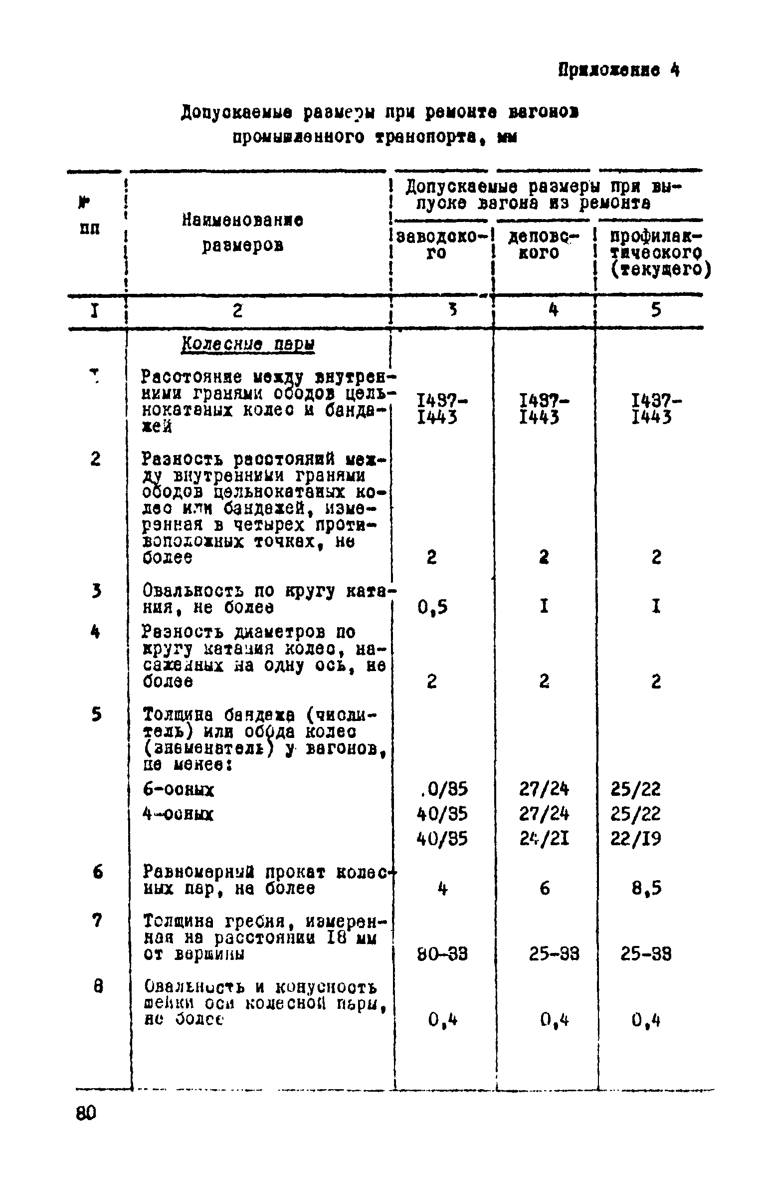
Правила заводского, деповского, профилактического и текущего ремонта вагонов промышленного транспорта колеи 1524 мм| Статус: | справочные материалы, мп, тпр | | Название рус.: | Правила заводского, деповского, профилактического и текущего ремонта вагонов промышленного транспорта колеи 1524 мм | | Дата добавления в базу: | 01.02.2020 | | Дата актуализации: | 01.01.2021 | | Область применения: | Правила ремонта вагонов являются обязательными для всех промышленных предприятий, имеющих и ремонтирующих вагоны серийной постройки (думпкары, хоппер-агломераторы, платформы для перевозки горячего чугуна, полувагоны для перевозки угля, скальных пород, руды и др. грузов), обращающиеся внутри предприятий без выхода на пути железных дорог Министерства путей сообщения. | | Оглавление: | Глава I. Общие положение по ремонту вагонов Глава II. Вагонный ремонт Глава III. Деповский ремонт Глава IV. Профилактический ремонт Глава V. Текущий ремонт вагонов Приложение 1 Перечень официальных изданий Министерства путей сообщения по ремонту и содержанию грузовых вагонов широкой колеи Приложение 2 Наряд-ведомость на ремонт вагонов Приложение 3 Акт о выполненных работах по модернизации вагонов Приложение 4 Допускаемые размеры при ремонте вагонов промышленного транспорта Приложение 5 Таблица наименьших допускаемых диаметров шеек осей колесных пар, подкатываемых под специальные вагоны Приложение 6 Нагрузки и расчетные прогибы для пружин тележек Приложение 7 Перечень вагонных деталей, подлежащих проверке магнитными дефектоскопами Приложение 8 Перечень вагонных деталей, подлежащих испытанию на растяжение Приложение 9 Перечень подъемных механизмов, приспособлений и механизированного инструмента для вагонных депо Приложение 10 Уведомление о приемке вагонов из ремонта Приложение 11 Журнал монтажа роликовых подшипников Приложение 12 Журнал демонтажа роликовых подшипников Приложение 13 Журнал промежуточной ревизии роликовых подшипников Приложение 14 Гарантия на прочность и исправность отремонтированных вагонов и их деталей Приложение 15 Натуральная книжка старшего осмотрщика вагонов на пункте технического осмотра Приложение 16 Уведомление на подачу неисправного вагона для ремонта на ремонтные пути Приложение 17 Справка о тормозах Приложение 18 Перечень подъемных механизмов, приспособлений и инструмента, применяемого при ремонте вагонов (для пунктов технического осмотра вагонов) | | Разработан: | Промтрансниипроект
| | Утверждён: | 15.01.1969 Министерство черной металлургии СССР 30.01.1969 Министерство цветной металлургии СССР
| | Принят: | 08.01.1969 Транспортное управление Министерства черной металлургии СССР 24.01.1969 Транспортное управление Министерства цветной металлургии СССР
|
                                                                                                            
|