Скачать Выпуск 4 Заготовка деталей и узлов для санитарно-технических системДата актуализации: 01.01.2021
|
| Обозначение: | Выпуск 4 |
| Обозначение англ: | Выпуск 4 |
| Статус: | истек срок действия |
| Название рус.: | Заготовка деталей и узлов для санитарно-технических систем |
| Дата добавления в базу: | 01.02.2020 |
| Дата актуализации: | 01.01.2021 |
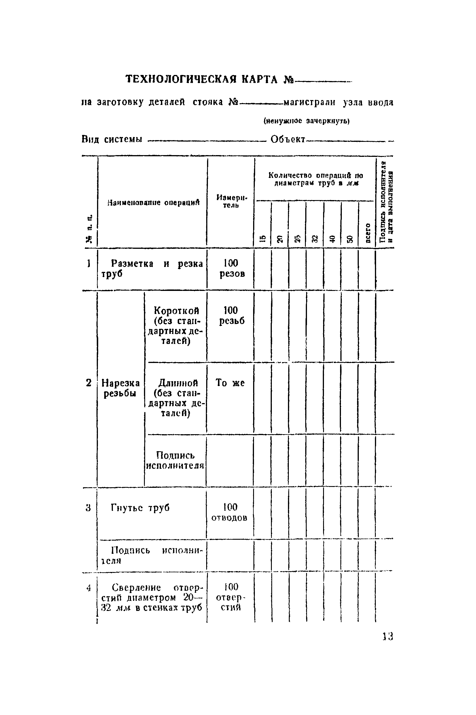
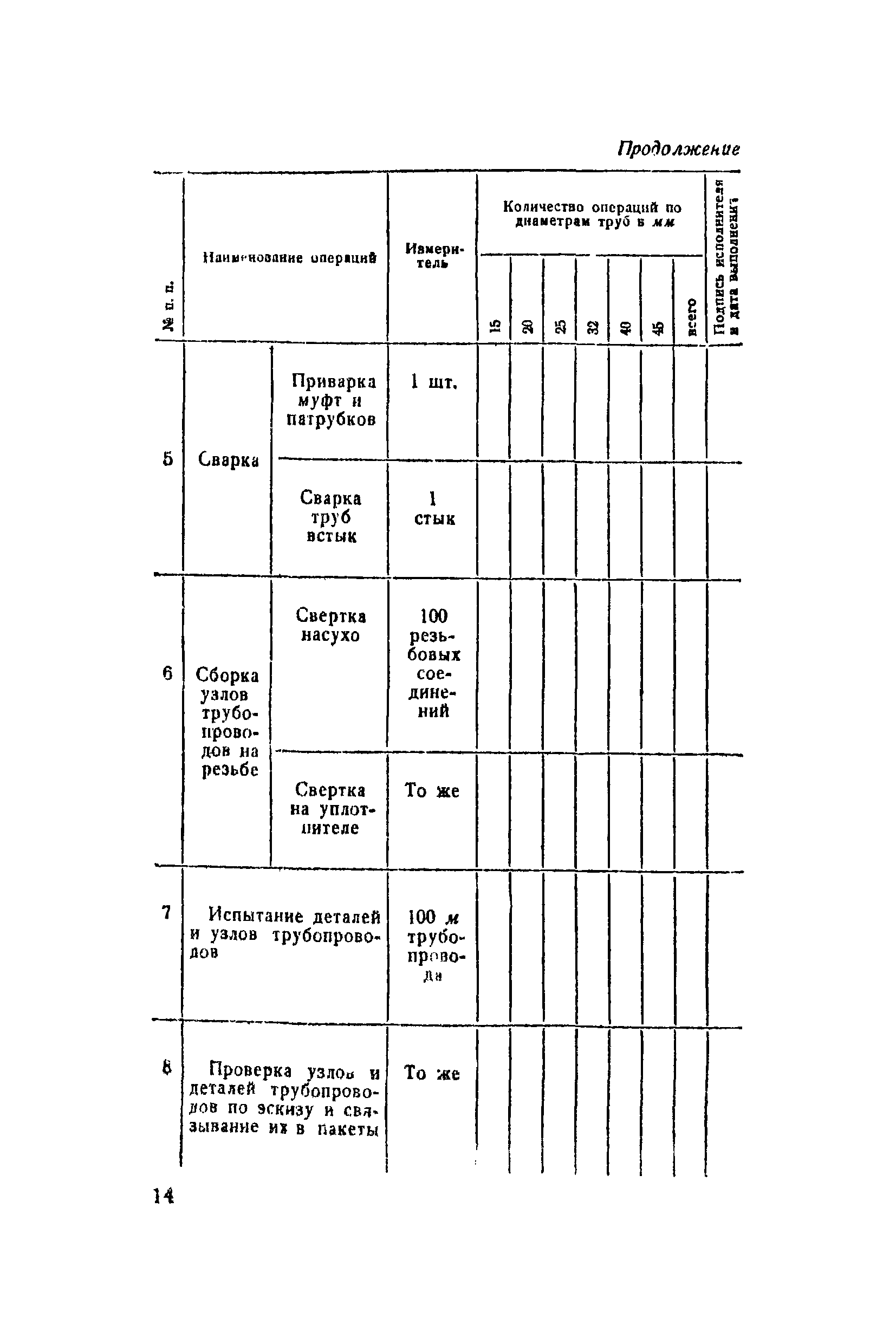
| Область применения: | Выпуск содержит норны и расценки на заготовку узлов и деталей, подготовку арматуры в приборов для систем центрального отопления, внутренних и внешних сетей теплоснабжения, водоснабжения газоснабжения и внутренней канализации, а также на оборудование санитарно-технических кабин трубопроводами и приборами и на противокоррозионную изоляцию труб, резервуаров и изделий для газоснабжения, производимые в цехах заготовительных мастерских (ЦЗМ), оснащенных соответствующим оборудованием и приспособлениями |
| Оглавление: | Вводная часть Раздел 1. Отопление, водоснабжение и газоснабжение Глава 1. Заготовка узлов и деталей стальных трубопроводов поточным методом с применением конвейера Глава 2. Заготовка узлов и деталей стальных трубопроводов поточным методом без применения конвейера Глава 3. Заготовка узлов и труб большого диаметра Глава 4. Заготовление фасонных частей и изделий Глава 5. Подготовка арматуры и насосов к установке Глава 6. Подготовка радиаторов к установке и изготовление регистров Раздел II. Внутренняя канализация Глава 7. Изготовление узлов и деталей чугунной канализации Глава 8. Изготовление узлов и деталей полиэтиленовой канализации Раздел III. Санитарно-технические кабины и блоки Глава 9. Оборудование кабин трубопроводами и санитарно-техническими приборами Глава 10. Сборка санитарно-технических трубных блоков Раздел IV. Противокоррозионая изоляция труб, резервуаров и изделий Глава 11. Изоляция труб диаметром 57 — 630 мм поточно-операционным методом на механизированных линиях Укрупненные нормы Операционные нормы Глава 12. Изоляция резервуаров и изделий вручную Раздел V. Разные работы |
| Разработан: | ЦБНТС при ВНИПИ труда в строительстве НИС при тресте Уралсантехмонтаж |
| Утверждён: | Государственный комитет Совета Министров СССР по вопросам труда и заработной платы Государственный комитет Совета Министров СССР по делам строительства |
| Принят: | ВЦСПС (VTsSPS ) |





























































































































































































































