Скачать ОСТ 39-078-79 Калибраторы, центраторы, стабилизаторы. Классификация, виды, типы и основные размерыДата актуализации: 01.01.2021
|
| Обозначение: | ОСТ 39-078-79 |
| Обозначение англ: | OST 39-078-79 |
| Статус: | продлен срок действия |
| Название рус.: | Калибраторы, центраторы, стабилизаторы. Классификация, виды, типы и основные размеры |
| Дата добавления в базу: | 01.02.2020 |
| Дата актуализации: | 01.01.2021 |
| Дата введения: | 10.06.1979 |
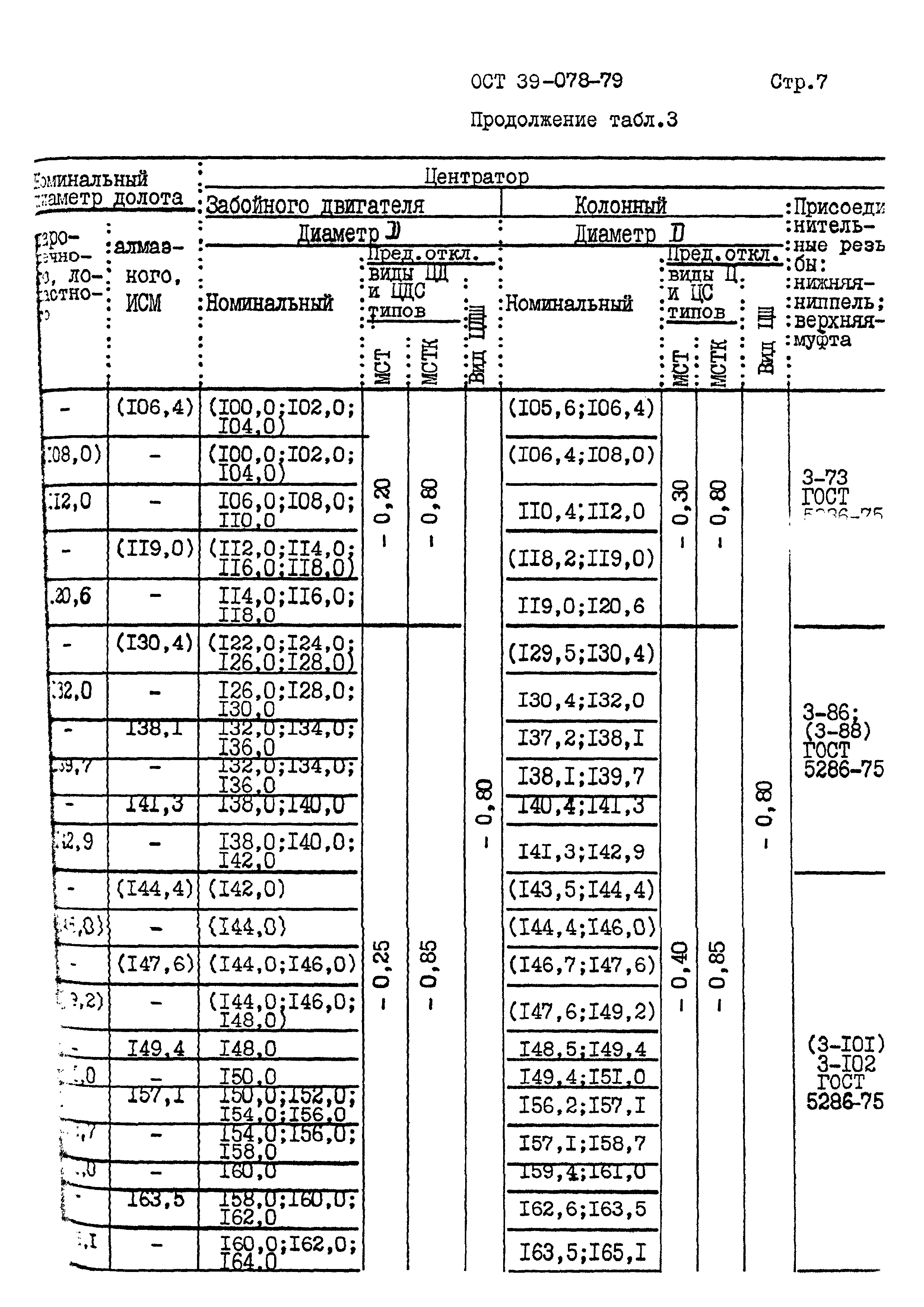
| Область применения: | Стандарт распространяется на калибрующие и опорно—центрирующие устройства — калибраторы, центраторы и стабилизаторы, входящие в компоновку нижней части бурильной колонны. Эти устройства применяются при проводке вертикальных и наклонно—направленных скважин с целью повышения качества и технико-экономических показателей бурения. |
| Оглавление: | 1 Классификация 2 Виды, типы и основные размеры |
| Утверждён: | 23.05.1979 Министерство химического и нефтяного машиностроения СССР (USSR Ministry of Chemical and Petroleum Machine Manufacturing 25) 01.02.1979 Министерство нефтяной промышленности (72) |
| Список изменений: |




















Текстовое изменение № 1 от 01.09.1984

Текстовое изменение № 2 от 01.07.1989


Текстовое изменение № 3

