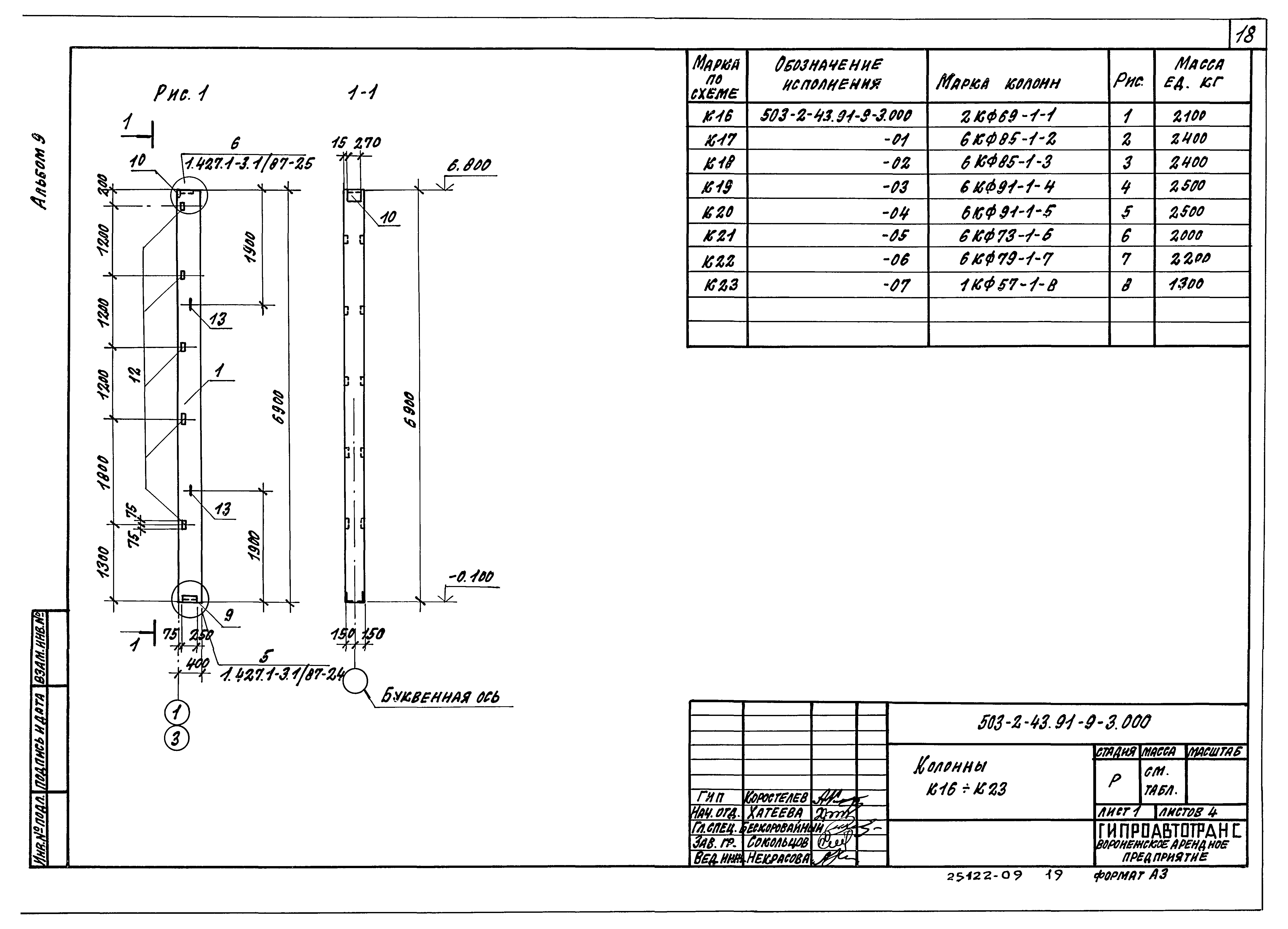
Скачать Типовой проект 503-2-43.91 Альбом 9. Чертежи строительных изделийДата актуализации: 01.01.2021
|
| Обозначение: | Типовой проект 503-2-43.91 |
| Обозначение англ: | 503-2-43.91 |
| Статус: | не определен законодательством |
| Название рус.: | Альбом 9. Чертежи строительных изделий |
| Дата добавления в базу: | 01.02.2020 |
| Дата актуализации: | 01.01.2021 |
| Дата введения: | 25.07.1991 |
| Дата окончания срока действия: | 30.06.2003 |
| Разработан: | Воронежское арендное предприятие Гипроавтотранс |
| Утверждён: | 25.07.1991 Концерн Росавтотранс (Rosavtotrans Concern 2) |
| Заменяет собой: |


































































