Скачать ГОСТ Р ИСО 20160-2019 Имплантаты для хирургии. Материалы металлические. Классификация микроструктуры стержней из альфа+бета-титанового сплаваДата актуализации: 01.01.2021
|
| Обозначение: | ГОСТ Р ИСО 20160-2019 |
| Обозначение англ: | GOST R ISO 20160-2019 |
| Статус: | введен впервые |
| Название рус.: | Имплантаты для хирургии. Материалы металлические. Классификация микроструктуры стержней из альфа+бета-титанового сплава |
| Название англ.: | Implants for surgery. Metallic materials. Classification of microstructures for alpha+beta titanium alloy bars |
| Дата добавления в базу: | 01.02.2020 |
| Дата актуализации: | 01.01.2021 |
| Дата введения: | 01.05.2020 |
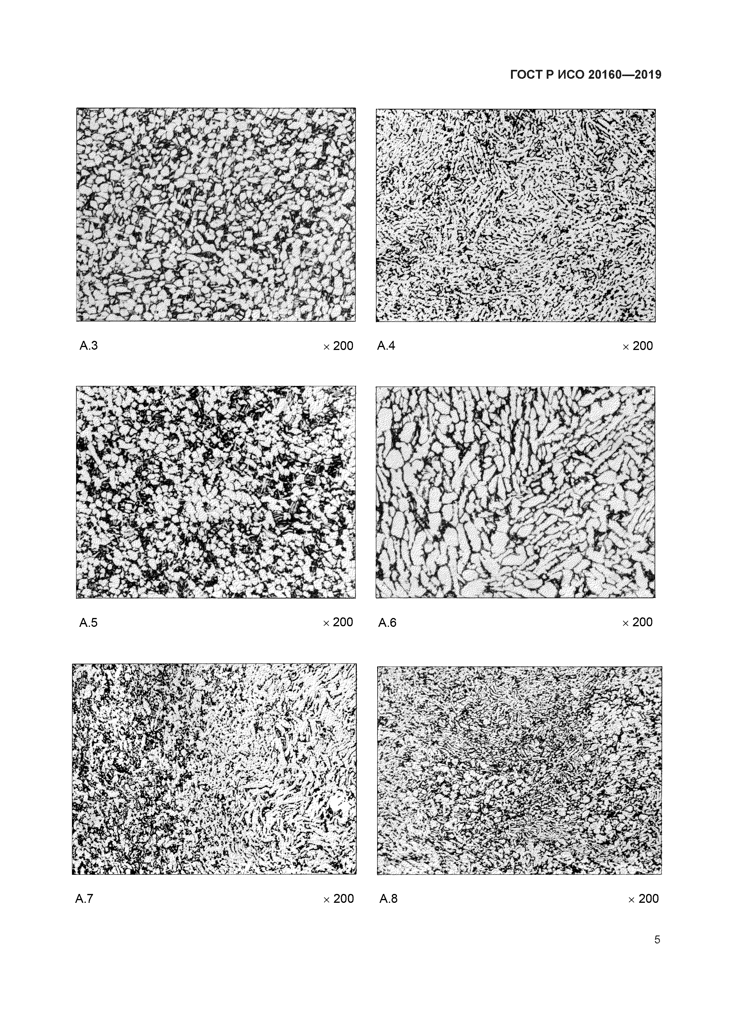
| Область применения: | Стандарт предоставляет каталог металлографических микрофотографических снимков для обозначения микроструктур альфа+бета-титановых сплавов в форме стержней, которые предназначены для производства хирургических имплантатов. Стандарт применяется для стержней диаметром не более 100 мм или эквивалентных им. Данный каталог микроструктур предназначен для обеспечения поддержки взаимодействия общих типов микроструктур стержней из альфа+бета-титанового сплава. Обозначение микроструктур основано на морфологии внешнего вида. Действительные микроструктуры могут также выглядеть как комбинация микрографических изображений. Стандарт не содержит особых требований микроструктурного характера. Каталог содержит микрофотографические снимки желательных и нежелательных микроструктур, которые могут выявляться в процессе обработки альфа+бета-титановых сплавов. Выбор подходящих микроструктур подлежит согласованию между предполагаемым применением имплантата и значимых стандартов по материалам. |
| Оглавление: | 1 Область применения 2 Нормативные ссылки 3 Термины и определения 4 Общие соображения и применение 5 Процедура Приложение А (обязательное) Каталог металлографических микроснимков типичных альфа+бета-титановых микроструктур поперечных участков материала стержня диаметром не более чем 100 мм или его эквивалента Приложение ДА (справочное) Сведения о соответствии ссылочных международных стандартов национальным стандартам Библиография |
| Разработан: | ФГУП СТАНДАРТИНФОРМ ООО ЦИТО проект |
| Утверждён: | 13.09.2019 Федеральное агентство по техническому регулированию и метрологии (681-ст) |
| Издан: | Стандартинформ (2019 г. ) |














