Скачать РД 39-3-1006-84 Альбом типовых отраслевых форм первичной технологической документации по разработке нефтяных, нефтегазовых и газовых месторождений и эксплуатации скважинДата актуализации: 01.01.2021
|
| Обозначение: | РД 39-3-1006-84 |
| Обозначение англ: | RD 39-3-1006-84 |
| Статус: | отменен |
| Название рус.: | Альбом типовых отраслевых форм первичной технологической документации по разработке нефтяных, нефтегазовых и газовых месторождений и эксплуатации скважин |
| Дата добавления в базу: | 01.02.2020 |
| Дата актуализации: | 01.01.2021 |
| Дата введения: | 01.01.1984 |
| Дата окончания срока действия: | 01.01.1990 |
| Область применения: | Альбом определяет единый вид и объем геолого-технологической документации при разработке нефтяных, нефтегазовых и газовых месторождений для цехов по добыче нефти и газа, закачке воды в пласты и ЦНИПРов нефтегазодобывающих управлений производственных объединений Министерства нефтяной промышленности. |
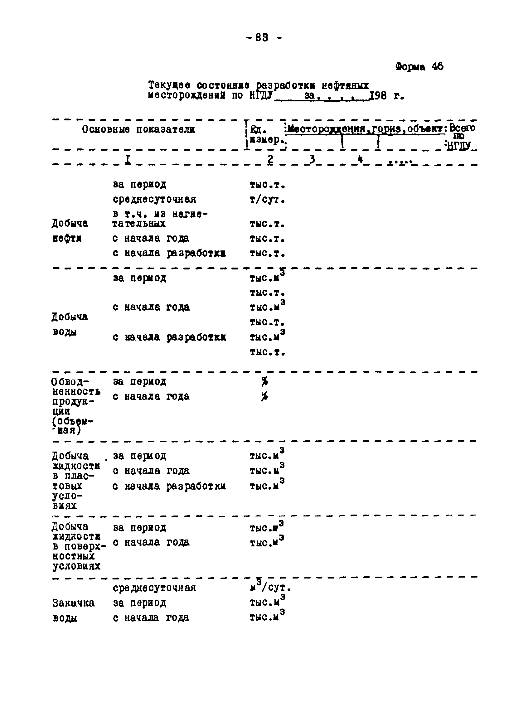
| Оглавление: | Перечень форм документации "Альбома", составляемых в цехах, НГДУ производственных объединений Первичная документация 1 Паспорт скважины 2 Технический каталог скважин 3 Геологический каталог скважин 4 Журнал замеров дебитов жидкости и обводненности продукции 5 Журнал замеров приемистости и устьевого давления нагнетательных скважин 6 Карточка добывающей скважины 7 Карточка нагнетательной скважины 8 Карточка водозаборной скважины 9 Карточка по исследованию добывающей скважины 10 Карточка по исследованию нагнетательной скважин 11 Карточка по исследованию водозаборной скважины II Технологические режимы, планы 12 Технологический режим работы фонтанных и газлифтных скважин 13 Технологический режим работы фонда механизированных скважин 14 Технологический режим работы газовых скважин 15 Технологический режим работы нагнетательных скважин 16 Технологический режим работы водозаборных скважин 17 План промысловых гидродинамических исследований 18 План промыслово—геофизических работ III Отчеты о выполненных работах 19 Отчет о работе добывающих скважин 20 Отчет о работе нагнетательных скважин 21 Отчет о работе газовых скважин 22 Отчет о работе водозаборных скважин 23 Отчет о проделанных работах над фондом добывающих скважин 24 Отчет о проделанных работах над фондом нагнетательных скважин 25 Расшифровка и движение фонда скважин цеха по добыче нефти и газа 26 Расшифровка и движение фонда скважин цеха поддержания пластового давления 27 Заказ на подземный (текущи1) ремонт скважин 28 График движения бригад подземного (текущего) ремонта по скважинам 29 Технический наряд на проведение подземного (текущего) ремонта скважин 30 Акт о приемке (сдаче) скважины на (из) подземного (текущего) ремонта 31 Заказ на производство капитального ремонта скважины 32 Наряд на ремонт скважин 33 Акт о приемке (сдаче) скважины, установленного оборудования и территории в капитальный ремонт 34 Акт о сдаче (приемке) скважины из капитального ремонта 35 Отчет о результатах исследования добывающих, нагнетательных, водозаборных и контрольных скважин 36 Отчет о результатах исследования газовых скважин 37 Отчет о выполнении плана промысловых и гидродинамических исследований по цеху 38 Отчет о выполнении плана промысловых и гидродинамических исследований по НГДУ 39 Отчет о выполнении плана промыслово—геофизических работ по цеху 40 Отчет о выполнении плана промыслово—геофизических работ по НГДУ 41 Отчет по исследованию нефти в пластовых условиях 42 Отчет по анализу нефти в поверхностных условиях 43 Отчет по анализу нефтяного газа 44 Отчет по исследованию пластового газа газовой шапки 45 Отчет по анализу пластовой воды IV Обобщенные показатели по залежам, месторождениям 46 Текущее состояние разработки нефтяных месторождений 47 Расшифровка фонда скважин нефтяных месторождений 48 Текущее состояние разработки газовых залежей 49 Расшифровка фонда скважин газовых залежей |
| Разработан: | ВНИИ |
| Утверждён: | 30.12.1983 Министерство нефтяной промышленности СССР (USSR Ministry of the Petroleum Industry ) |
| Принят: | 28.11.1983 Госгортехнадзор СССР (USSR Gosgortekhnadzor 13-26/1019) |
| Нормативные ссылки: |






























































































