Скачать Типовой проект 901-4-75.83 Альбом V. Строительные изделия резервуаров емкостью 1500…20000 куб. м (из ТП 901-4-76.83)Дата актуализации: 01.01.2021
|
| Обозначение: | Типовой проект 901-4-75.83 |
| Обозначение англ: | 901-4-75.83 |
| Статус: | действует |
| Название рус.: | Альбом V. Строительные изделия резервуаров емкостью 1500…20000 куб. м (из ТП 901-4-76.83) |
| Дата добавления в базу: | 01.02.2020 |
| Дата актуализации: | 01.01.2021 |
| Дата введения: | 19.12.1983 |
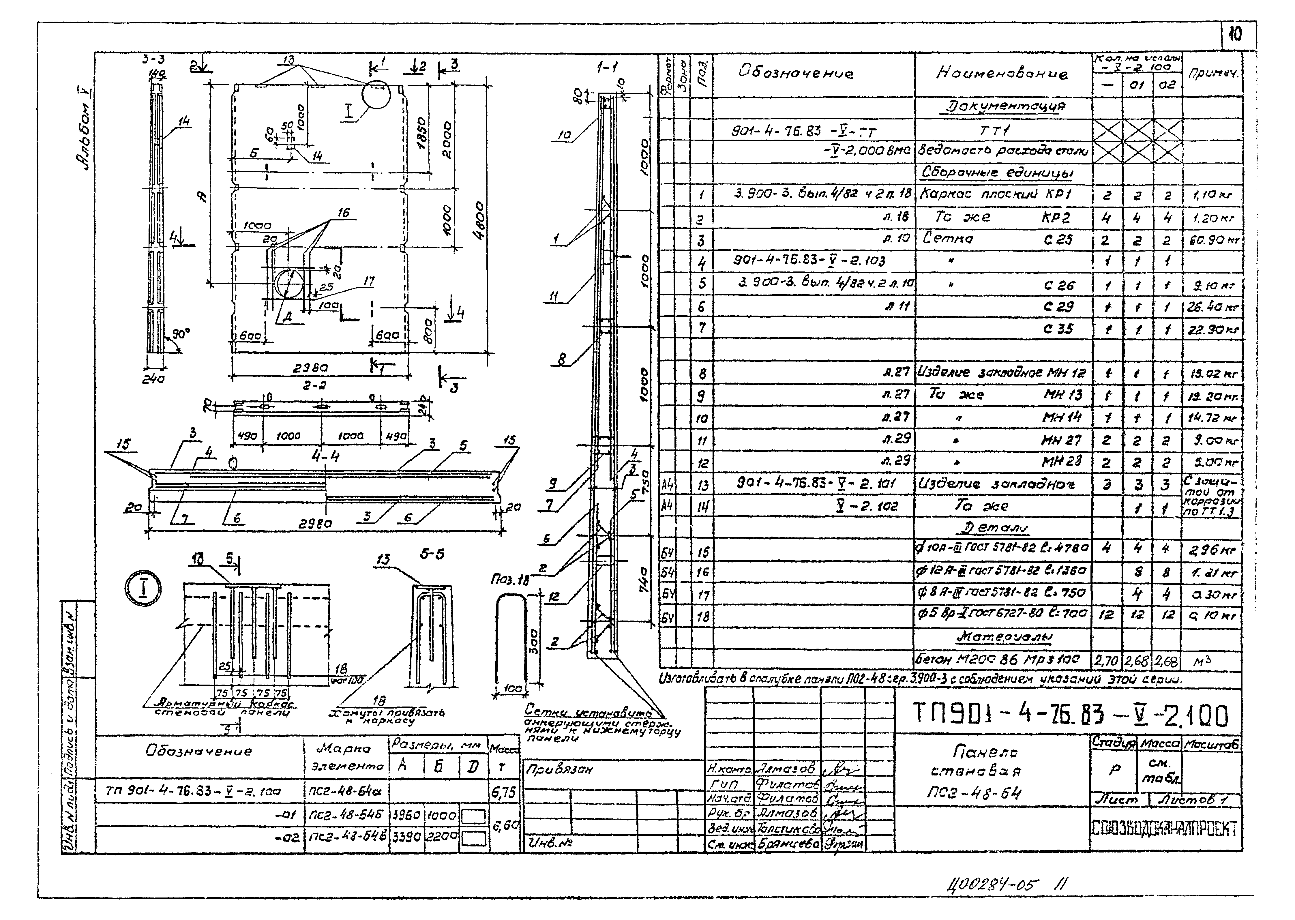
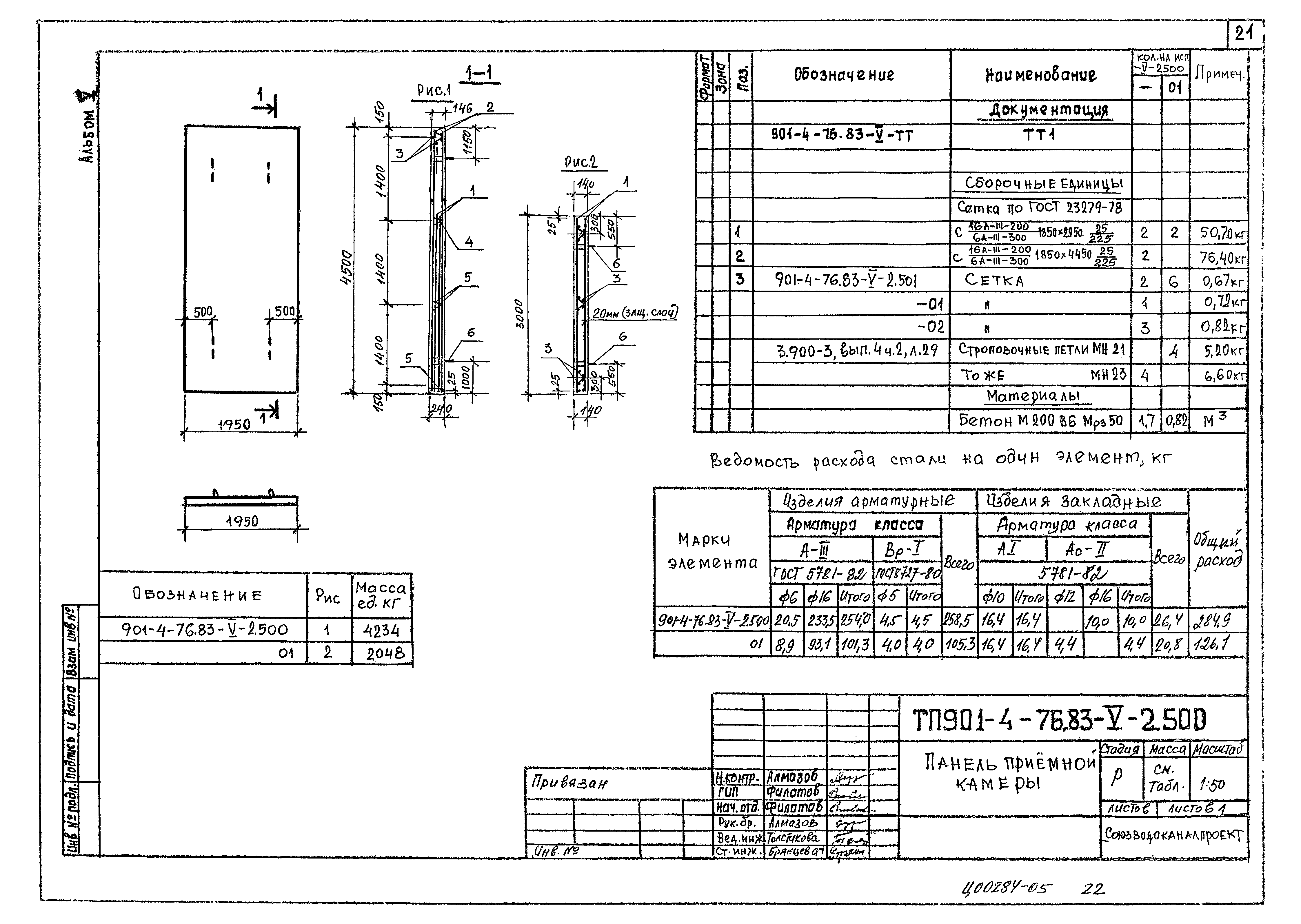
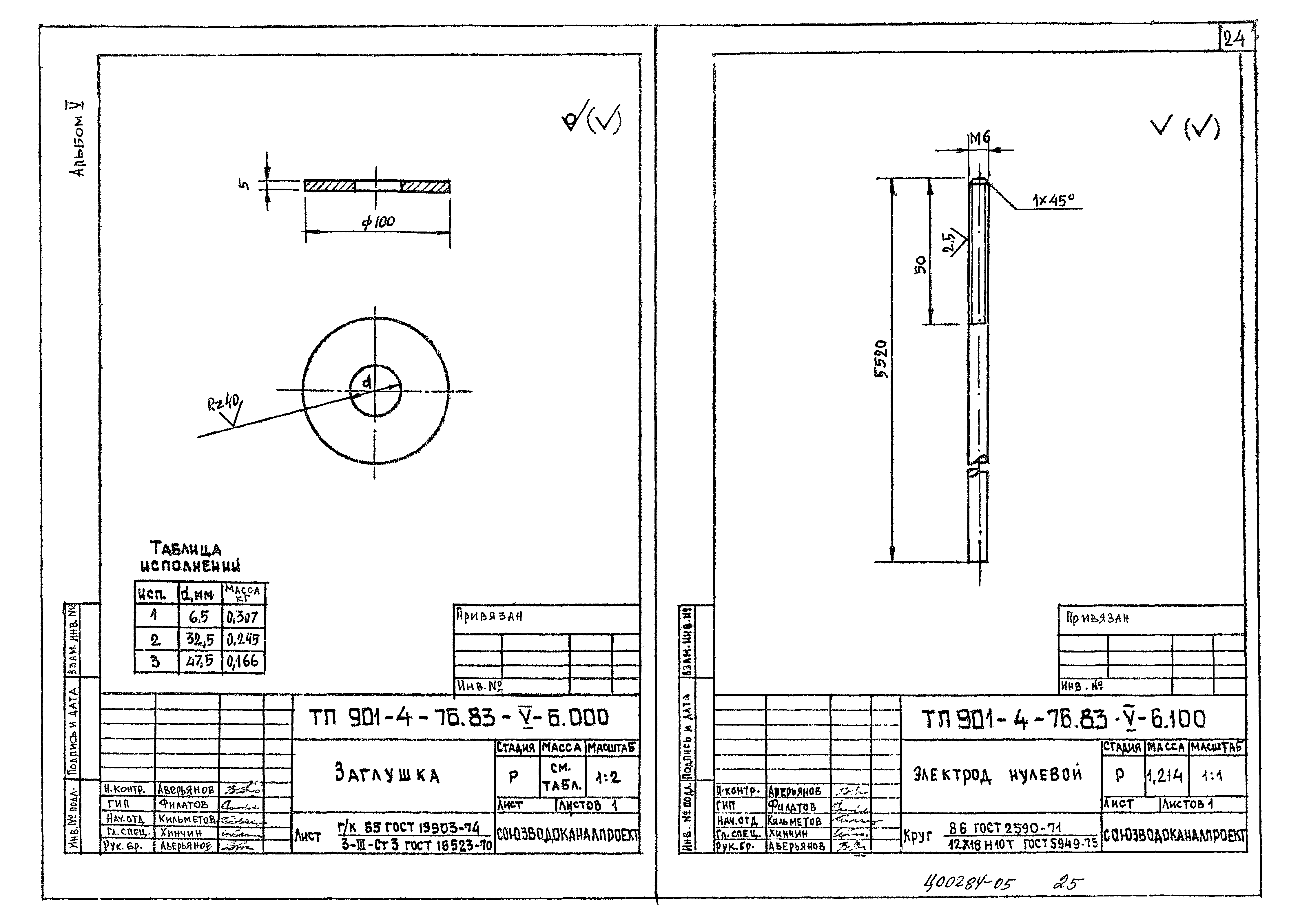
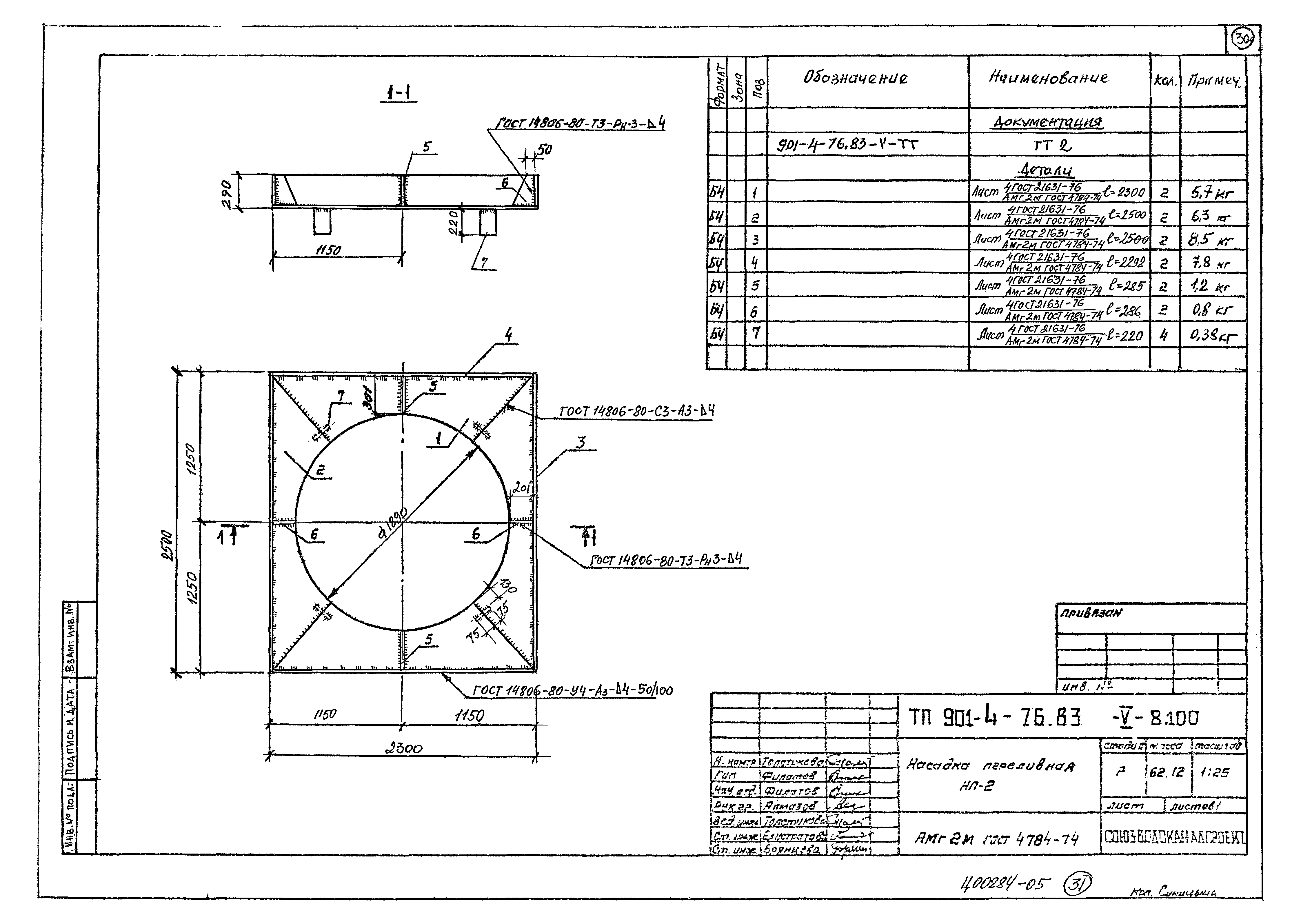
| Оглавление: | 901-4-76.83 V-ТТ Технические требования 901-4-76.83 V-1.100 Каркас пространственный 901-4-76.83 V-1.101 Сетка 901-4-76.83 V-1.001 Сетка 901-4-76.83 V-1.002 Сетка 901-4-76.83 V-1.003 Сетка 901-4-76.83 V-1.004 Сетка 901-4-76.83 V-1.005 Сетка 901-4-76.83 V-1.006 Сетка 901-4-76.83 V-2.200 Панель стеновая ПС48-65 |
| Разработан: | Союзводоканалпроект ЦНИИпромзданий НИИЖБ |
| Утверждён: | 30.06.1982 Госстрой СССР (Государственный комитет Совета Министров СССР по делам строительства) (USSR Gosstroy 53) |






























