Скачать Основные положения по проектированию подземного транспорта для новых и действующих угольных шахтДата актуализации: 01.01.2021 |
| Статус: | справочные материалы, мп, тпр |
| Название рус.: | Основные положения по проектированию подземного транспорта для новых и действующих угольных шахт |
| Дата добавления в базу: | 01.01.2021 |
| Дата актуализации: | 01.01.2021 |
| Область применения: | Основные положения отражают современные прогрессивные направления проектирования подземного транспорта и базируются на результатах научно-исследовательских работ, выполненных в последние годы, и на обобщении передового опыта работы подземного транспорта. Основные положения предназначены для проектировщиков, работников шахт и производственных объединений, связанных с проектированием и эксплуатацией подземного транспорта. |
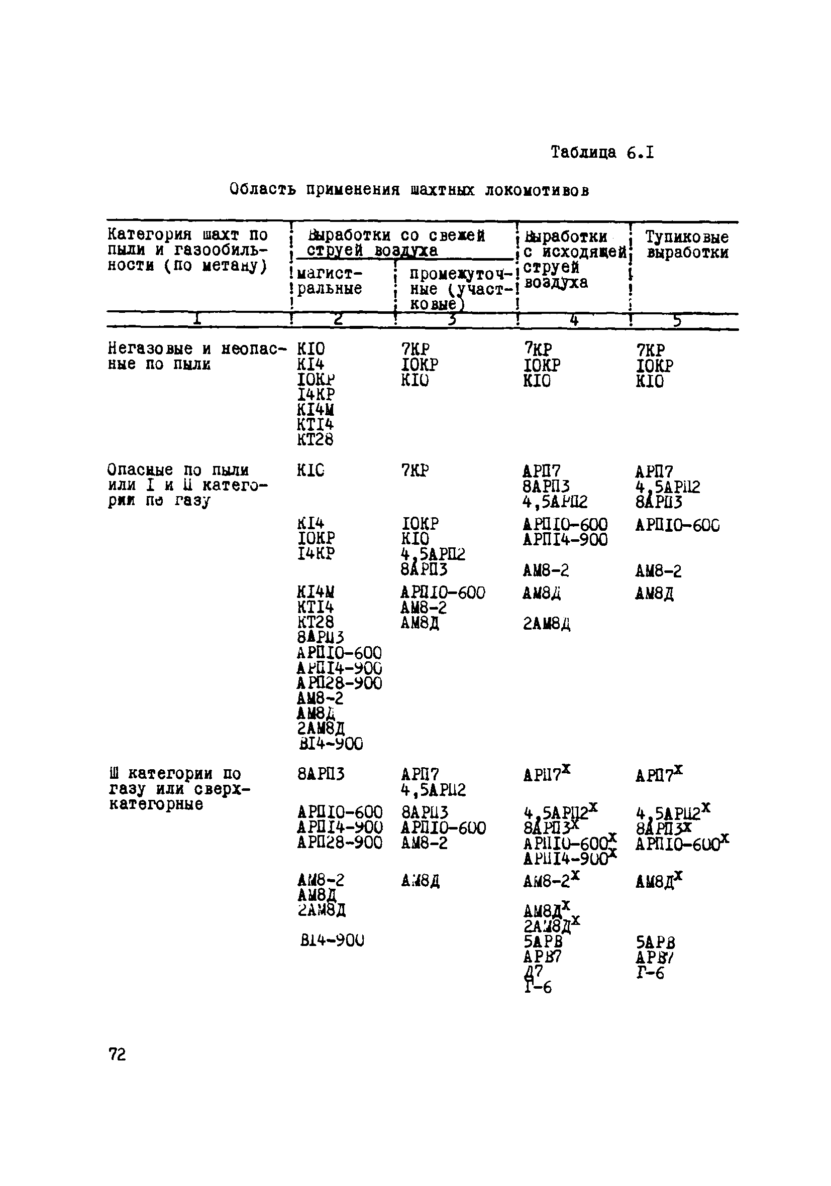
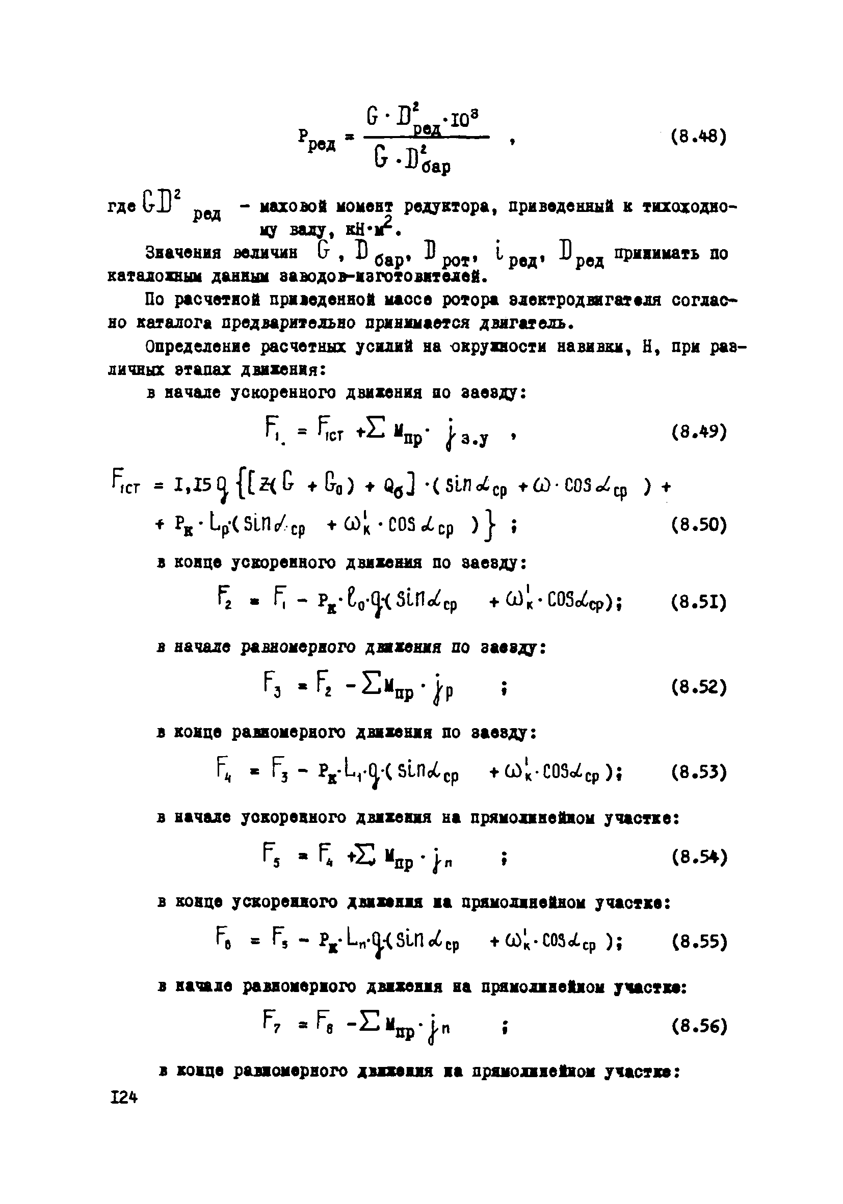
| Оглавление: | 1. Общие положения 2. Схемы подземного транспорта 3. Характеристики грузопотоков угля и горной массы 4. Характеристики грузопотоков материалов, оборудования и людей 5. Конвейерный транспорт 6. Локомотивный транспорт 7. Транспорт горной массы из подготовительных забоев 8. Транспорт материалов и оборудования 9. Перевозка людей 10. Околоствольные дворы 11. Подземные бункеры 12. Погрузочные пункты и приемно-отправительные площадки и станции 13. Разгрузочные пункты вагонеток у наклонных выработок 14. Технико-экономическая оценка вариантов с применением ЭВМ Приложение 1 Технические характеристики оборудования Приложение 2 Характеристики зависимости длины конвейеров от угла наклона и производительности Приложение 3 Габаритные размеры подземных ленточных конвейеров Приложение 4 Электромеханические характеристики тяговых двигателей электровозов Приложение 5 Схемы применения горных и механизированных бункеров |
| Разработан: | ВостНИИ (Восточный научно-исследовательский институт по безопасности работ в горной промышленности) Центрогипрошахт КНИУИ ДонУГИ ИГД им. А.А. Скочинского МакНИИ КузНИУИ НПО Углемеханизация Филиал Новочеркасского политехнического института |
| Утверждён: | 21.02.1986 Министерство угольной промышленности СССР (USSR Ministry of the Coal Industry ) |
| Нормативные ссылки: |
|





































































































































































































































































































































































