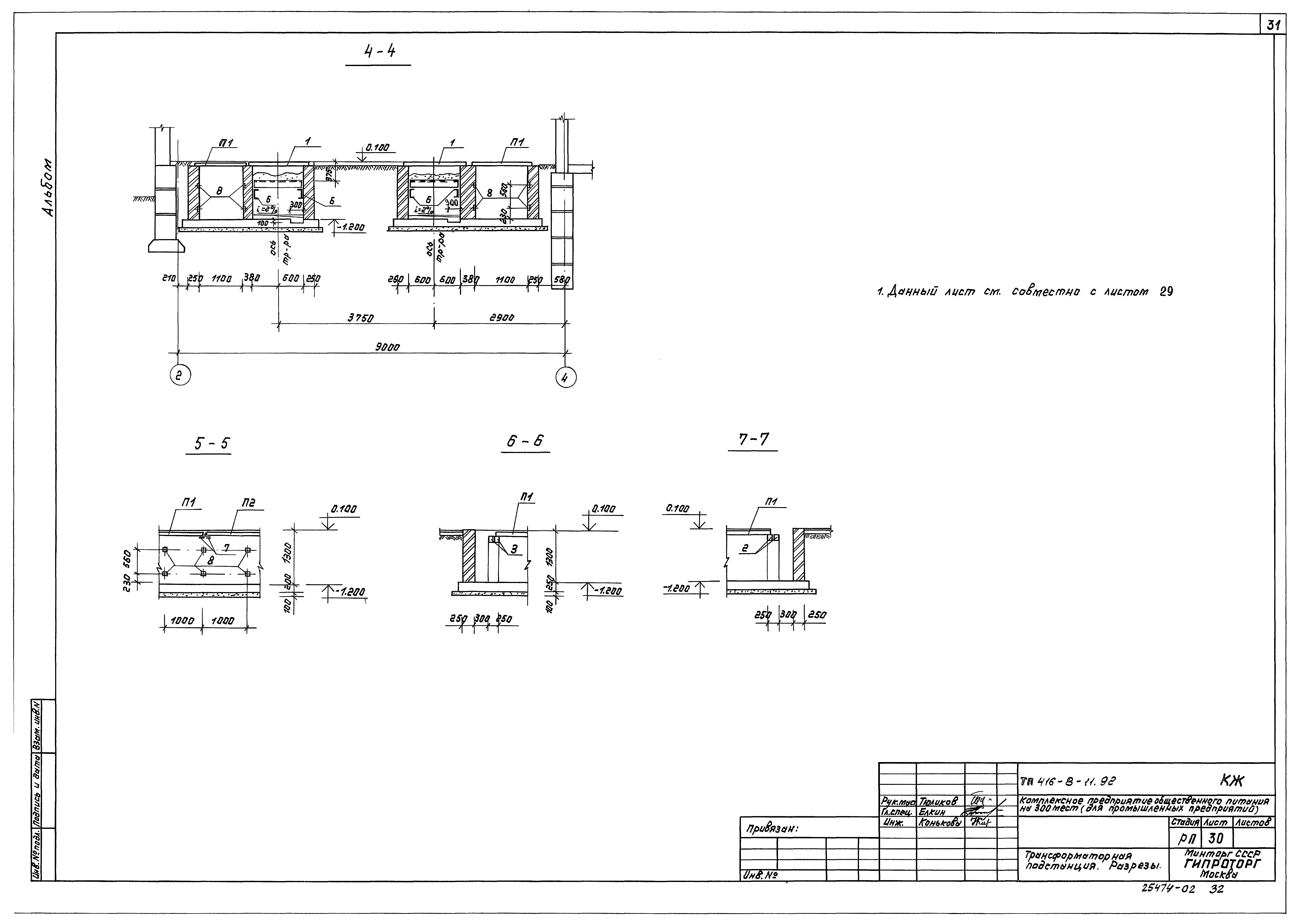
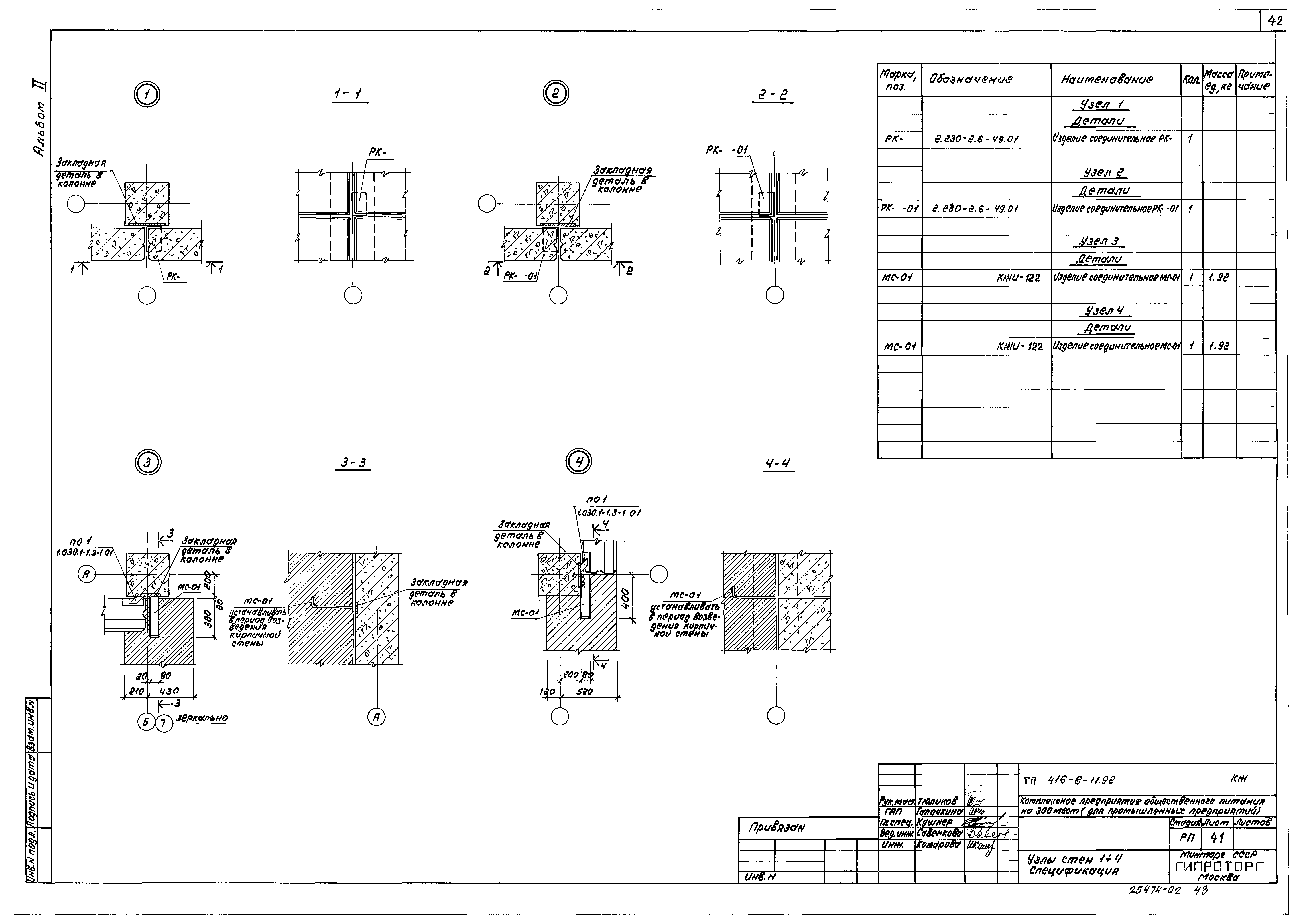
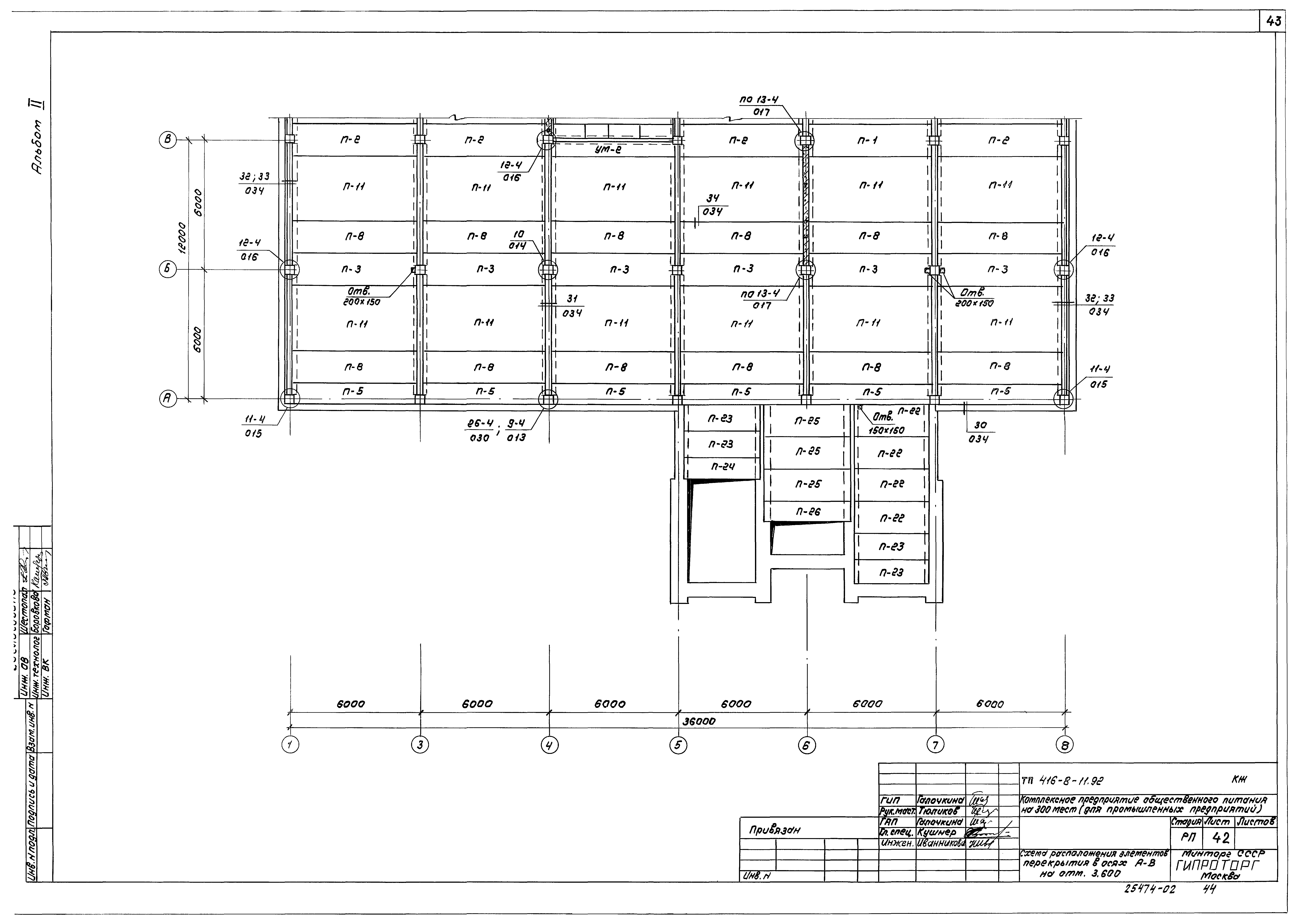
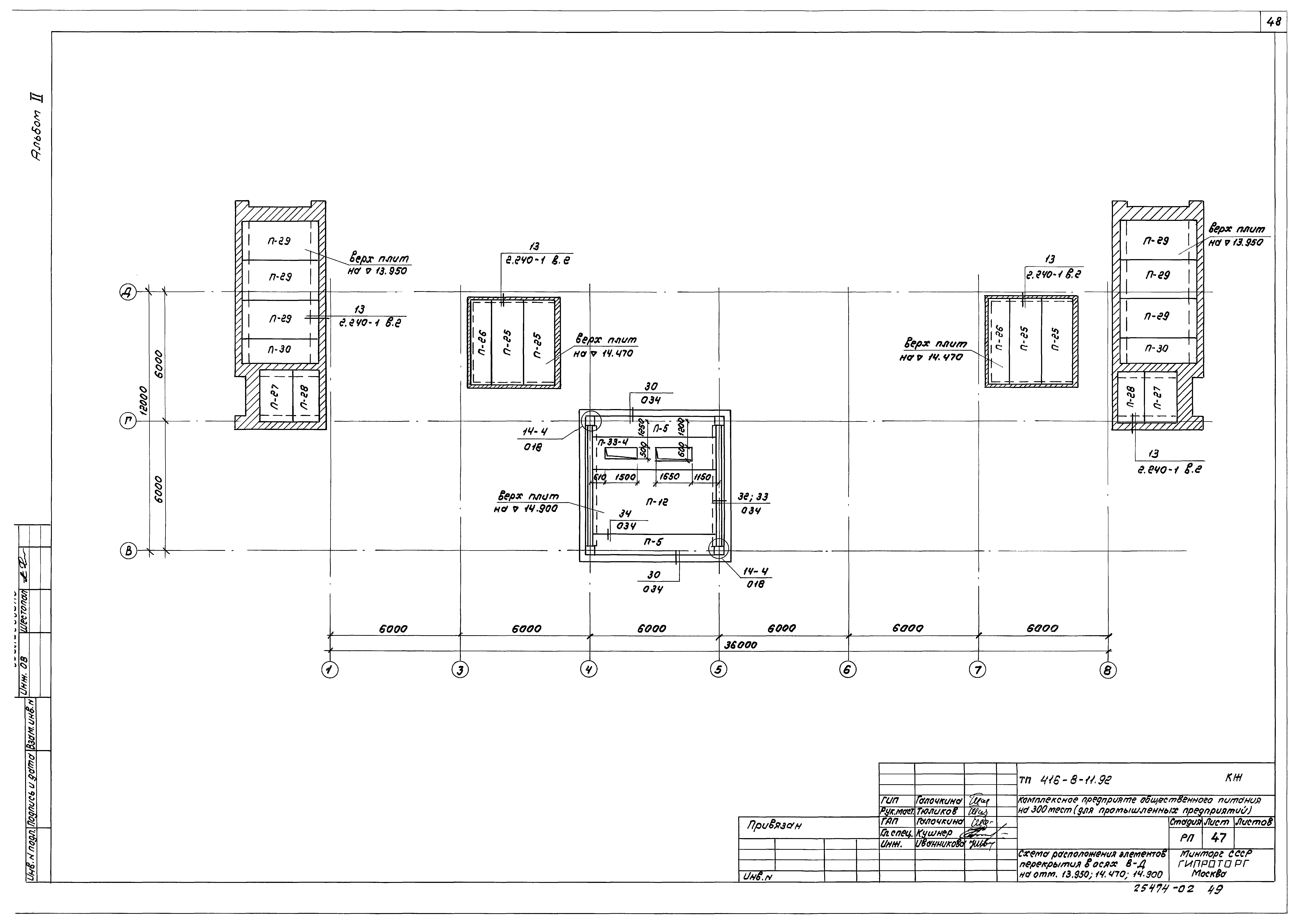
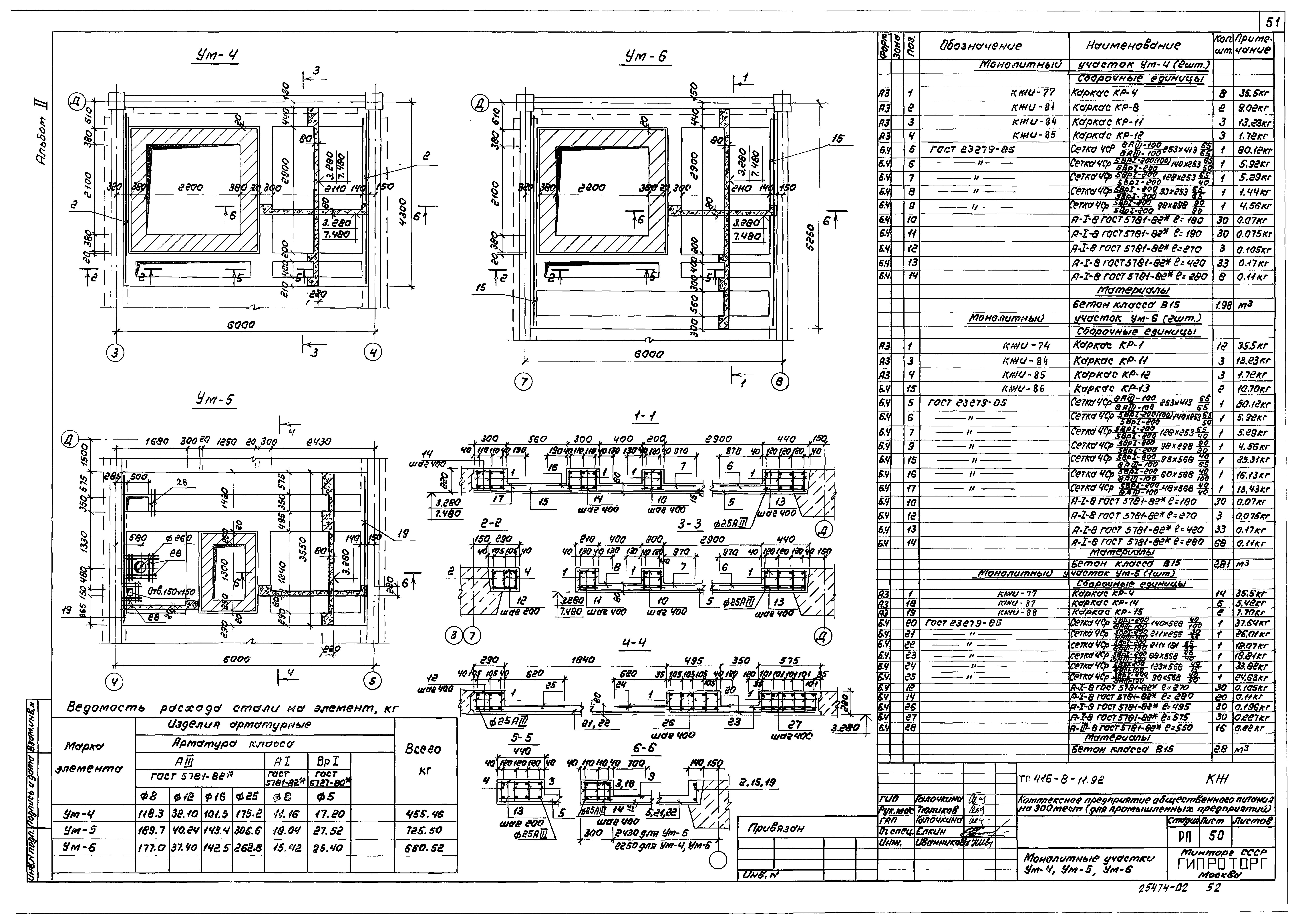
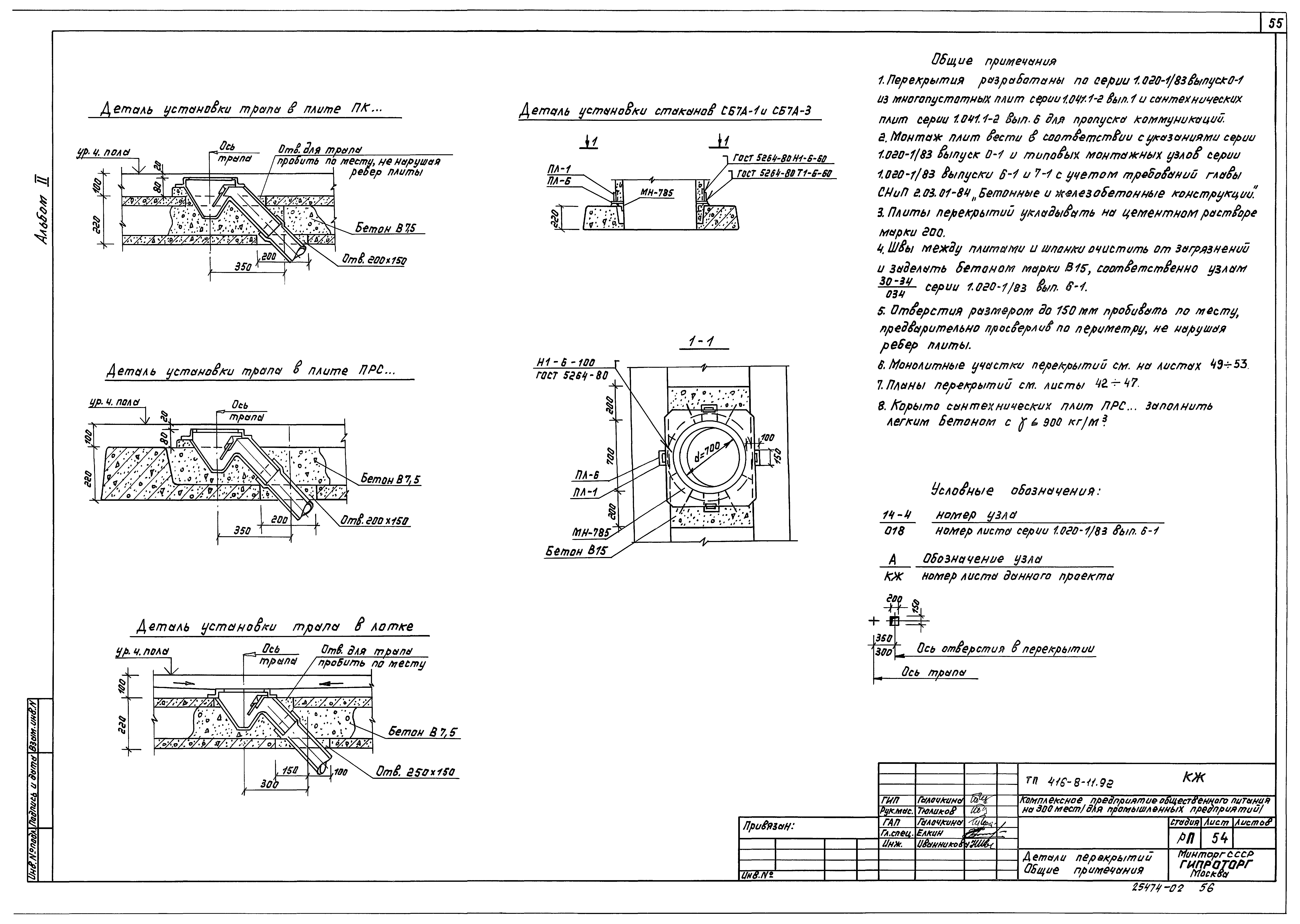
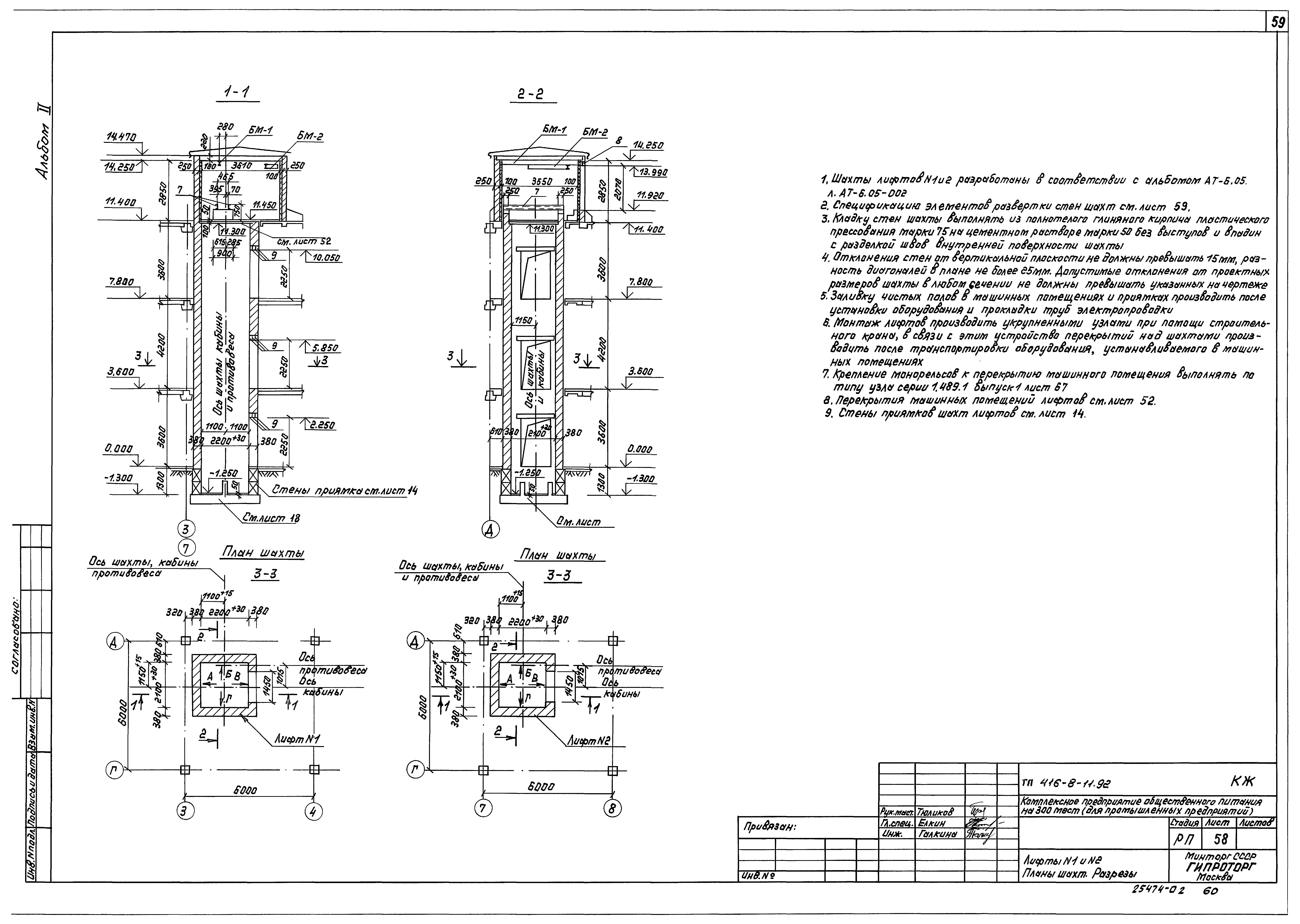
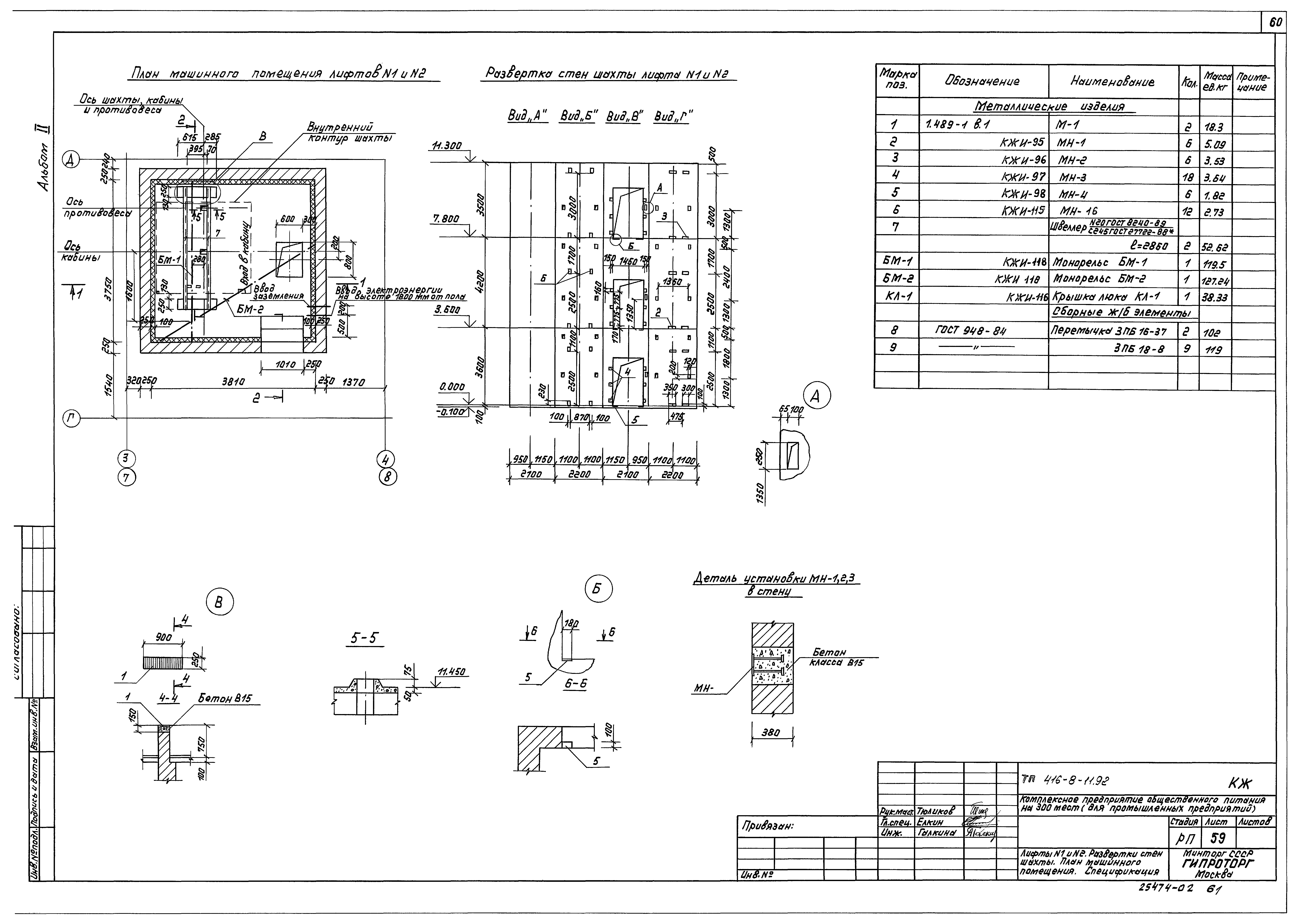
Скачать Типовой проект 416-8-11.92 Альбом II. Конструкции железобетонныеДата актуализации: 01.01.2021
|
| Обозначение: | Типовой проект 416-8-11.92 |
| Обозначение англ: | 416-8-11.92 |
| Статус: | не определен законодательством |
| Название рус.: | Альбом II. Конструкции железобетонные |
| Дата добавления в базу: | 01.02.2020 |
| Дата актуализации: | 01.01.2021 |
| Дата введения: | 25.11.1991 |
| Дата окончания срока действия: | 30.06.2003 |
| Разработан: | Гипроторг |
| Утверждён: | 15.11.1991 Министерство торговли СССР (USSR Ministry of Commerce 105) |















































































