Скачать ГОСТ Р 52161.2.14-2019 Бытовые и аналогичные электрические приборы. Безопасность. Часть 2-14. Частные требования к кухонным машинамДата актуализации: 01.01.2021
|
| Обозначение: | ГОСТ Р 52161.2.14-2019 |
| Обозначение англ: | GOST R 52161.2.14-2019 |
| Статус: | отменен |
| Название рус.: | Бытовые и аналогичные электрические приборы. Безопасность. Часть 2-14. Частные требования к кухонным машинам |
| Название англ.: | Household and similar electrical appliances. Safety. Part 2-14. Particular requirements for kitchen machines |
| Дата добавления в базу: | 01.01.2021 |
| Дата актуализации: | 01.01.2021 |
| Дата окончания срока действия: | 01.06.2020 |
| Область применения: | Стандарт устанавливает требования безопасности электрических кухонных машин для бытового и аналогичного применения номинальным напряжением не более 250 В. Приборы, предназначенные для бытового и аналогичного применения, которые могут быть использованы непрофессионалами в магазинах, легкой промышленности и на фермах, входят в область распространения настоящего стандарта. Если прибор предназначен для профессионального использования при приготовлении пищи для коммерческого потребления, то прибор не считается исключительно бытового и аналогичного назначения. В рамках стандарта установлены основные виды опасностей при использовании электрических приборов, необходимость применения которых возникает в различных ситуациях. В стандарте не учтены опасности, возникающие при использовании приборов пользователями следующих категорий: - людьми (включая детей), чьи физические, сенсорные или психические возможности или недостаток опыта и знаний не допускают безопасного использования ими прибора без стороннего надзора или инструктажа; - детьми, играющими с приборами. Стандарт не распространяется: - на ломтерезки, имеющие дисковый нож, лезвие которого расположено под углом, превышающим 45° к вертикали; - измельчители пищевых отходов (МЭК6ОЗЗ5-2-16); - мороженицы со встроенными мотор-компрессорами (МЭК 60335-2-24); - кухонные машины, предназначенные для коммерческого использования (МЭК 60335-2-64); - кухонные машины, предназначенные для промышленных целей; - кухонные машины, предназначенные для применения в тех местах, в которых существуют особые условия, например коррозионная или взрывоопасная среда (пыль, пар или газ). |
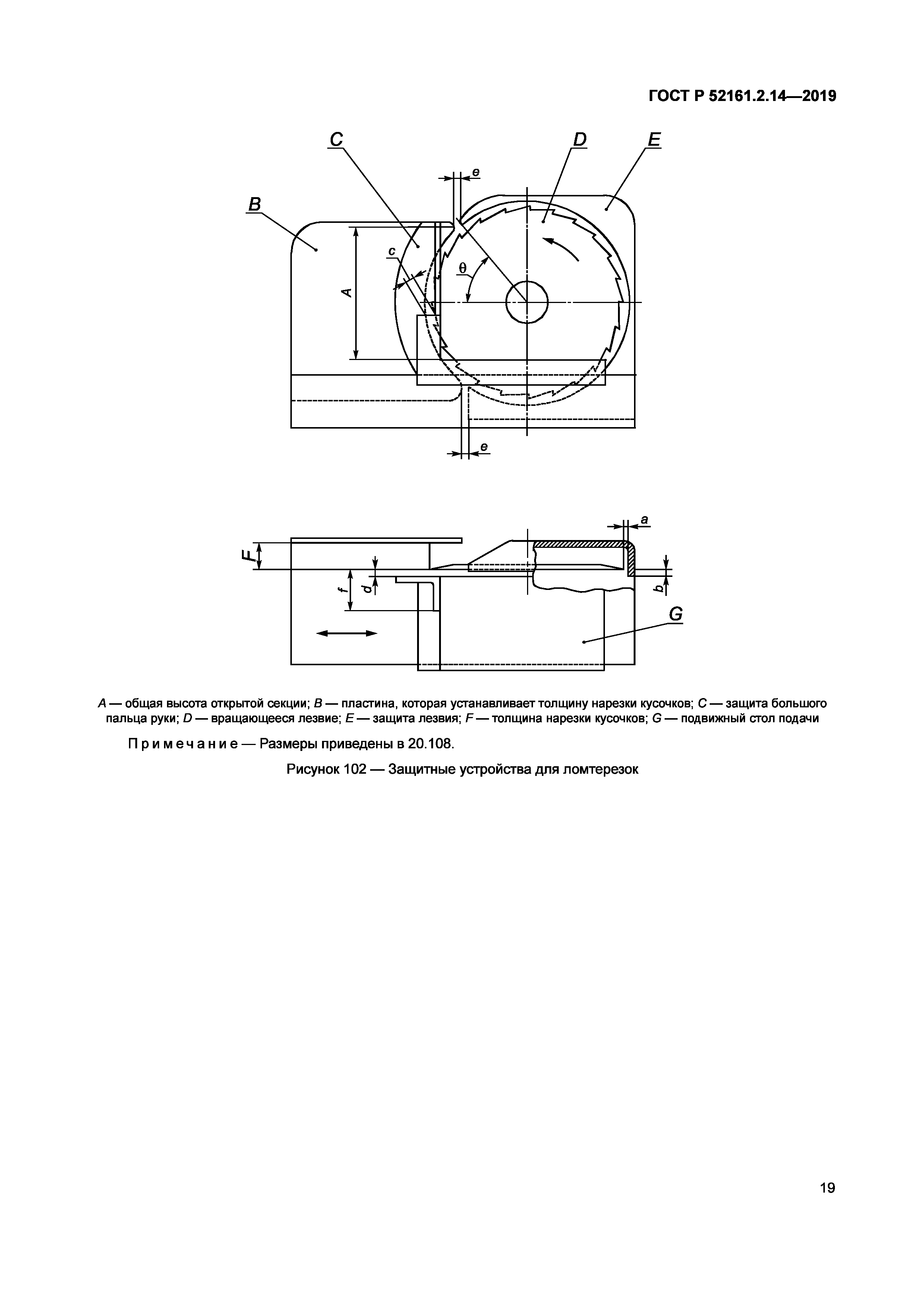
| Оглавление: | 1 Область применения 2 Нормативные ссылки 3 Термины и определения 4 Общие требования 5 Общие условия испытаний 6 Классификация 7 Маркировка и инструкции 8 Защита от доступа к токоведущим частям 9 Пуск электромеханических приборов 10 Потребляемая мощность и ток 11 Нагрев 12 Свободен 13 Ток утечки и электрическая прочность при рабочей температуре 14 Динамические перегрузки по напряжению 15 Влагостойкость 16 Ток утечки и электрическая прочность 17 Защита от перегрузки трансформаторов и соединенных с ними цепей 18 Износостойкость 19 Ненормальная работа 20 Устойчивость и механические опасности 21 Механическая прочность 22 Конструкция 23 Внутренняя проводка 24 Комплектующие изделия 25 Присоединение к источнику питания и внешние гибкие шнуры 26 Зажимы для внешних проводов 27 Заземление 28 Винты и соединения 29 Воздушные зазоры, пути утечки и непрерывная изоляция 30 Теплостойкость и огнестойкость 31 Стойкость к коррозии 32 Радиация, токсичность и подобные опасности Приложения Приложение C (обязательное) Испытание двигателей на старение Приложение R (обязательное) Оценка программного обеспечения Приложение AA (обязательное) Альтернативные испытания сита центробежных соковыжималок Приложение ДА (справочное) Сведения о соответствии ссылочных международных стандартов межгосударственным стандартам Библиография |
| Разработан: | ООО ТЕСТБЭТ |
| Утверждён: | 26.11.2019 Федеральное агентство по техническому регулированию и метрологии (842-ст) |
| Издан: | Стандартинформ (2019 г. ) |
| Нормативные ссылки: |
|































