Скачать НД 2-030101-034 Руководство по техническому наблюдению за постройкой судовДата актуализации: 01.01.2021
|
| Обозначение: | НД 2-030101-034 |
| Обозначение англ: | ND 2-030101-034 |
| Статус: | взамен |
| Название рус.: | Руководство по техническому наблюдению за постройкой судов |
| Дата добавления в базу: | 01.02.2020 |
| Дата актуализации: | 01.01.2021 |
| Дата введения: | 01.01.2020 |
| Область применения: | Руководство по техническому наблюдению за постройкой судов применяется при техническом наблюдении за постройкой судов, подлежащих техническому наблюдению Российского морского регистра судоходства. Положения настоящего раздела могут применяться с учетом особенностей и отличий в процессах постройки судна, присущих стране, в которой Регистр осуществляет техническое наблюдение, и/или конкретной судоверфи. Руководство предназначено для экспертов и инспекторов Регистра, проектантов и судостроительных предприятий. |
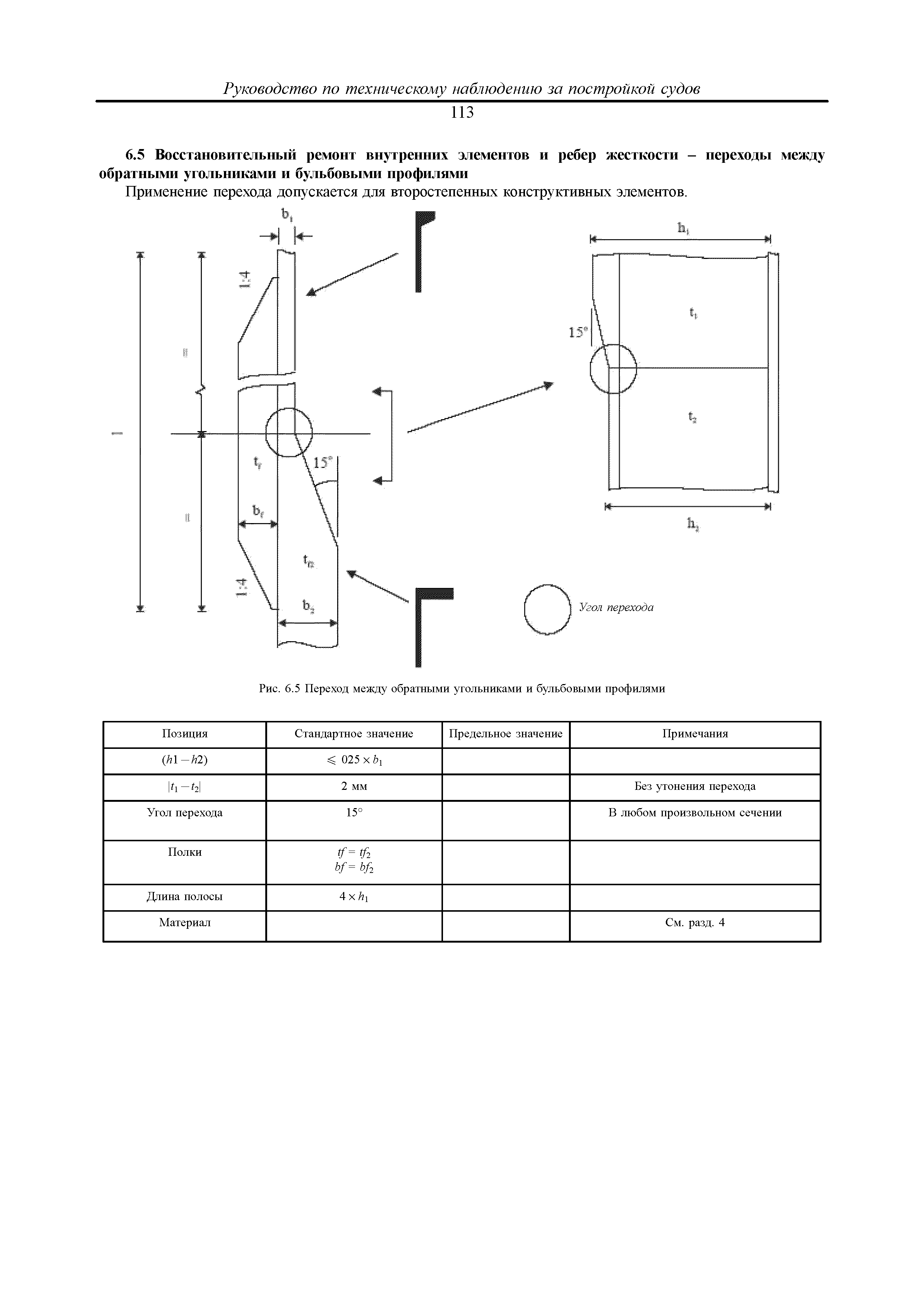
| Оглавление: | 1 Общие положения 1.1 Область распространения 1.2 Термины и определения 1.3 Требования к контрольно-измерительному оборудованию, используемому при освидетельствованиях 1.4 Техническое наблюдение Регистра 1.5 Проверка технической документации 2 Освидетельствование корпуса стальных судов 2.1 Общие положения 2.2 Определения 2.3 Применение 2.4 Квалификация и проверка деятельности персонала РС 2.5 Освидетельствование корпусных конструкций 2.6 Оценка построечных мощностей верфи 2.7 Планирование освидетельствований 2.8 План проверок и испытаний при постройке судна (Перечень объектов технического наблюдения) 2.9 Доказательство согласованности освидетельствований 2.10 Файл постройки судна 2.11 Требования к нефтеналивным и навалочным судам, подпадающим под действие правила П-1/3-10 СОЛАС-74. Целевые стандарты конструкции навалочных и нефтеналивных судов 2.12 Дополнительные пояснения и комментарии к некоторым пунктам таблицы 2.5.1 2.13 Освидетельствование корпуса железобетонных судов 2.14 Освидетельствование корпуса ПБУ и МСП Приложение 1. Рекомендация МАКО № 47. Стандарт качества строительства и ремонта судов Приложение 2. Окончательный инспекционный отчет №_______ о подготовке поверхности к нанесению защитного покрытия Приложение 3. Чек-лист проверки готовности судна к спуску на воду Приложение 4. Инструктивные указания по кренованию судов Приложение 5. Инструктивные указания по взвешиванию судов Приложение 6. Испытание на непроницаемость корпусных конструкций ПБУ Приложение 7. Допускаемые величины отклонений от размеров и геометрических схем при изготовлении сварных корпусных элементов и конструкций ПБУ 3 Устройства, оборудование и снабжение 3.1 Общие положения 3.2 Планирование освидетельствований 3.3 Проверки и испытания 3.4 Освидетельствование устройств, оборудования и снабжения ПБУ и МСП 4 Противопожарная защита 4.1 Общие положения 4.2 Планирование освидетельствований 4.3 Конструктивная защита 4.4 Системы пожаротушения 4.5 Противопожарное снабжение, запасные части и инструмент 4.6 Освидетельствование противопожарной защиты ПБУ и МСП 5 Механизмы 5.1 Общие положения 5.2 Планирование освидетельствований 5.3 Общие положения по техническому наблюдению за монтажом механизмов 5.4 Главные двигатели внутреннего сгорания и вспомогательные двигатели внутреннего сгорания мощностью 55 кВт и более 5.5 Вспомогательные двигатели внутреннего сгорания мощностью менее 55 кВт 5.6 Главные паровые турбины и турбины электрогенераторов 5.7 Вспомогательные паровые турбины 5.8 Газотурбинные двигатели и газовые турбины для привода электрогенераторов 5.9 Передачи и разобщительные муфты главных механизмов 5.10 Передачи вспомогательных механизмов 5.11 Вспомогательные механизмы 5.12 Палубные механизмы 5.13 Телеграфы механические 5.14 Вентиляторы машинных и других помещений 5.15 Моторы и насосы гидросистем 5.16 Швартовные испытания 5.17 Ходовые испытания 5.18 Ревизия механизмов и контрольные испытания 5.19 Освидетельствование механизмов ПБУ и МСП Приложение 1. Длительность испытаний главных и вспомогательных механизмов на швартовных и ходовых испытаниях Приложение 2. Рекомендации по установке и монтажу главных механизмов 6 Валопроводы 6.1 Общие положения 6.2 Планирование освидетельствований 6.3 Техническая документация 6.4 Монтаж дейдвудных устройств 6.5 Монтаж и центровка валопроводов 6.6 Швартовные и ходовые испытания 6.7 Измерения крутильных колебаний валопроводов судовых пропульсивных установок и агрегатов Приложение1. Рекомендации по оформлению материалов по крутильным колебаниям валопроводов судовых пропульсивных установок и агрегатов Приложение 2. Рекомендации по монтажу дейдвудных устройств Приложение 3. Рекомендации по монтажу и центровке валопроводов 7 Движители 7.1 Общие положения 7.2 Планирование освидетельствований 7.3 Техническая документация 7.4 Гребные винты фиксированного шага 7.5 Гребные винты регулируемого шага и обслуживающие их системы 7.6 Крыльчатые движители 7.7 Движительные колонки 7.8 Швартовные испытания движителей 7.9 Ходовые испытания движителей 8 Системы и трубопроводы 8.1 Общие положения 8.2 Планирование освидетельствований 8.3 Техническое наблюдение за монтажом систем и трубопроводов 8.4 Освидетельствование систем и трубопроводов в процессе швартовных и ходовых испытаний 8.5 Освидетельствование систем и трубопроводов ПБУ и МСП 9 Котлы, теплообменные аппараты и сосуды под давлением 9.1 Общие положения 9.2 Планирование освидетельствований 9.3 Монтаж 9.4 Внутреннее освидетельствование 9.5 Гидравлические испытания 9.6 Паровая проба котла 9.7 Швартовные и ходовые испытания котельных установок 9.8 Проверка в действии теплообменных аппаратов и сосудов под давлением 9.9 Оформление документации 10 Электрическое оборудование 10.1 Общие положения 10.2 Планирование освидетельствований 10.3 Освидетельствование электрического оборудования при монтаже 10.4 Швартовные и ходовые испытания 10.5 Освидетельствование электрического оборудования ПБУ и МСП Приложение1. Методические рекомендации по осмотру электрического оборудования при постройке судна Приложение 2. Методические рекомендации по способам проверки герметизации кабельных проходов и трубопроводов Приложение 3. Методические рекомендации по измерению сопротивления изоляции электрического оборудования при постройке судна Приложение 4. Методические рекомендации по проведению швартовных испытаний электрического оборудования Приложение 5. Методические рекомендации по проверке качества коммутации электрических машин Приложение 6. Сведения для проверок и испытаний электрического оборудования судна Приложение 7. Испытание электрической прочности изоляции Приложение 8. Продолжительность проверок и испытаний электрического оборудования при швартовных и ходовых испытаниях судна 11 Холодильные установки 11.1 Общие положения 11.2 Освидетельствование при монтаже 11.3 Испытания СХУ в действии Приложение 1. Условия проведения испытаний классифицируемыхi СХУ Приложение 2. Измерение параметров классифицируемых СХУ Приложение 3. Испытания классифицируемых СХУ с использованием имитационных средств 12 Оборудование автоматизации 12.1 Общие положения 12.2 Планирование освидетельствований 12.3 Освидетельствование в период монтажа 12.4 Освидетельствование в период швартовных и ходовых испытаний 12.5 Дополнительные указания по испытанию отдельных систем и устройств автоматизации 12.6 Дополнительные указания по испытаниям систем динамического позиционирования 12.7 Освидетельствование оборудования автоматизации ПБУ и МСП 13 Спасательные средства 13.1 Общие положения 13.2 Планирование освидетельствований 13.3 Проверки и испытания 13.4 Спасательные шлюпки и спасательные плоты 13.5 Спасательные круги и спасательные жилеты 13.6 Гидротермокостюмы и индивидуальные теплозащитные средства 13.7 Линеметательное устройство 13.8 Предметы снабжения спасательных/дежурных шлюпок 13.9 Морские эвакуационные системы 13.10 Освидетельствование спасательных средств ПБУ и МСП 14 Сигнальные средства 14.1 Общие положения 14.2 Планирование освидетельствований 14.3 Техническое наблюдение за сигнальными средствами в период постройки судов 14.4 Освидетельствование сигнальных средств ПБУ и МСП Приложение 1. Проверка установки сигнальных средств на судах Приложение 2. Освидетельствование сигнальных средств в период швартовных и ходовых испытаний судов 15 Радиооборудование 15.1 Общие положения 15.2 Планирование освидетельствований 15.3 Освидетельствование при установке и монтаже 15.4 Освидетельствование в период швартовных и ходовых испытаний 15.5 Освидетельствование радиооборудования ПБУ и МСП 16 Навигационное оборудование 16.1 Общие положения 16.2 Планирование освидетельствований 16.3 Освидетельствование при установке и монтаже 16.4 Освидетельствование в период швартовных и ходовых испытаний 16.5 Освидетельствование навигационного оборудования ПБУ и МСП Приложение 1. Рекомендации по установке магнитных компасов Приложение 2. Рекомендации по определению "безопасного расстояния" для магнитного компаса Приложение 3. Размещение электрического и электронного оборудования на ходовом мостике и вблизи него Приложение 4. Рекомендации по установке судовой аппаратуры автоматической идентификационной системы Приложение 5. Руководство по установке судового радиолокационного оборудования 17 Устройства по предотвращению загрязнения с судов 17.1 Общие положения 17.2 Планирование освидетельствований 17.3 Техническое наблюдение Регистра 17.4 Освидетельствования и испытания на судне после монтажа оборудования и устройств по ПЗС 17.5 Гидравлические испытания 17.6 Проверка в действии 18 Швартовые и ходовые испытания 18.1 Общие положения 18.2 Швартовные испытания 18.3 Ходовые испытания 18.4 Особенности технического наблюдения за испытаниями головных судов 18.5 Испытания судовых механизмов и оборудования с использованием имитационных методов и средств 18.6 Измерение вибрации на морских судах Приложение 1. Требования по проведению испытаний ДВС после установки на судне Приложение 2. Технические требования к выполнению измерений вибрации на морских судах. 19 Первоначальные освидетельствования судна в процессе его постройки и испытаний с целью оформления и выдачи на судно свидетельств, регламентируемых Международными конвенциями и кодексами |
| Разработан: | Российский морской регистр судоходства |
| Утверждён: | Российский морской регистр судоходства |
| Издан: | Российский морской регистр судоходства (2020 г. ) |
| Список изменений: | |
| Заменяет собой: |



















































































































































































































































































































































































































Текстовое изменение 322-01-1342ц от 01.04.2020