Скачать Положение о проведении планово-предупредительного ремонта верхнего строения пути, земляного полотна и искусственных сооружений железных дорог союза ССРДата актуализации: 01.01.2021
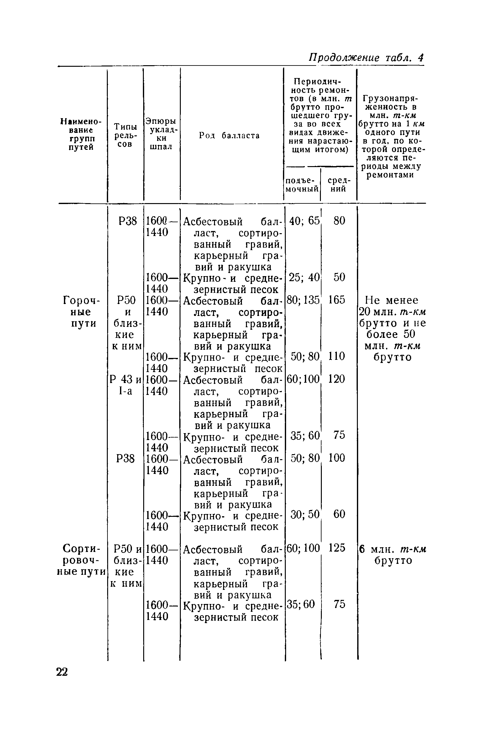
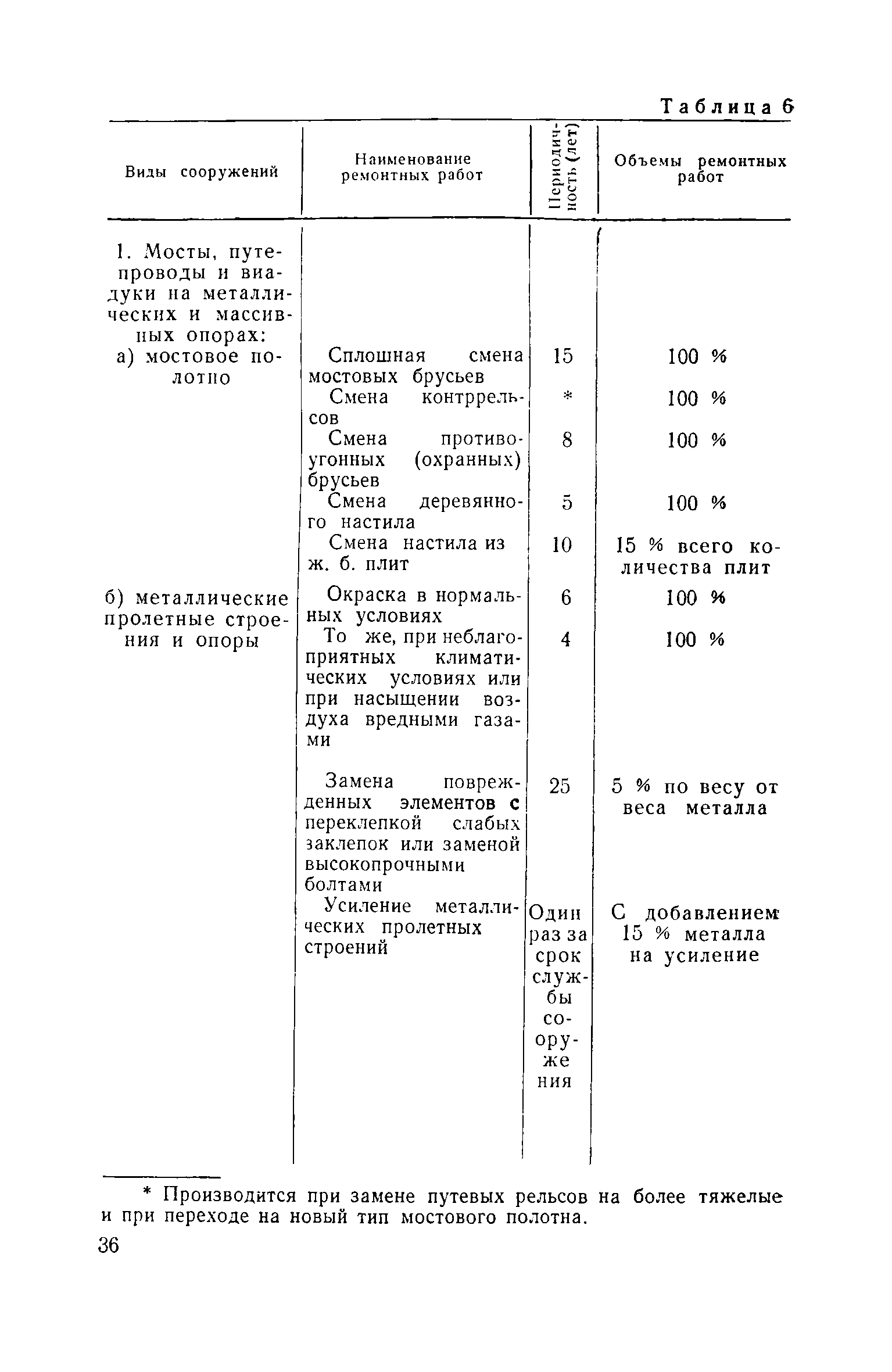
Положение о проведении планово-предупредительного ремонта верхнего строения пути, земляного полотна и искусственных сооружений железных дорог союза ССР| Статус: | справочные материалы, мп, тпр | | Название рус.: | Положение о проведении планово-предупредительного ремонта верхнего строения пути, земляного полотна и искусственных сооружений железных дорог союза ССР | | Дата добавления в базу: | 01.01.2021 | | Дата актуализации: | 01.01.2021 | | Оглавление: | Общие указания Часть 1. Верхнее строение железнодорожного пути Классификация работ Порядок содержания и сроки осмотров верхнего строения пути Периодичность подъемочного, среднего и капитального ремонтов Организация текущего содержания пути Организация производства ремонта пути Приемка выполненных работ Часть 2. Земляное полотно железнодорожного пути Классификация работ Периодичность ремонта земляного полотна и его сооружений Порядок содержания и сроки осмотров земляного полотна и его сооружений Организация текущего содержания земляного полотна и его сооружений Организация производства капитального ремонта земляного полотна Приемка выполненных работ по капитальному ремонту Часть 3. Искусственные сооружения железнодорожного пути Классификация работ Периодичность работ по капитальному ремонту искусственных сооружений железнодорожного пути Организация работ по текущему содержанию и ремонту искусственных сооружений Приемка выполненных работ по капитальному ремонту | | Утверждён: | 05.05.1964 Государственный комитет по делам строительства СССР
| | Издан: | Издательство литературы по строительству (1964 г. )
| | Список изменений: | |
                                                 
Текстовое изменение Опечатки
|