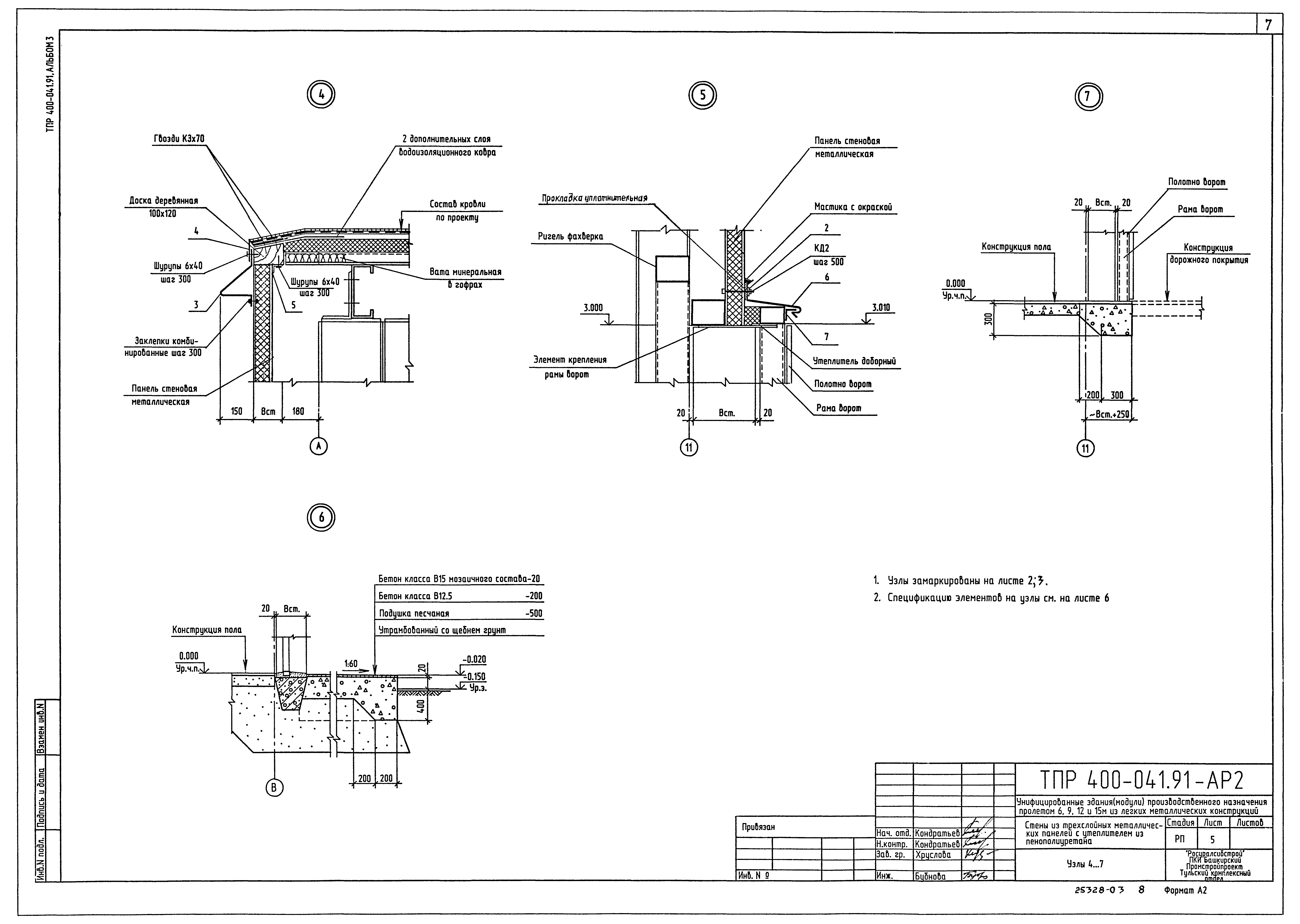
Скачать Типовые проектные решения 400-041.91 Альбом 3. Здание пролетом 9 м. Архитектурные решения. Конструкции железобетонные. Конструкции металлическиеДата актуализации: 01.01.2021 Типовые проектные решения 400-041.91
Альбом 3. Здание пролетом 9 м. Архитектурные решения. Конструкции железобетонные. Конструкции металлические| Обозначение: | Типовые проектные решения 400-041.91 | | Обозначение англ: | 400-041.91 | | Статус: | справочные материалы, мп, тпр | | Название рус.: | Альбом 3. Здание пролетом 9 м. Архитектурные решения. Конструкции железобетонные. Конструкции металлические | | Дата добавления в базу: | 01.01.2021 | | Дата актуализации: | 01.01.2021 | | Дата введения: | 25.12.1991 | | Разработан: | Тульский КО Башкирского Промстройпроекта
| | Утверждён: | 25.12.1991 Ассоциация Росуралсибпроект (12-91)
| | Издан: | ГУП ЦПП (CPP GUP )
|
                       
|