Скачать Выпуск 6 Руководящие указания по релейной защите. Устройство резервирования при отказе выключателей 35 - 500 кВДата актуализации: 01.01.2021
|
| Обозначение: | Выпуск 6 |
| Обозначение англ: | Выпуск 6 |
| Статус: | информационный документ |
| Название рус.: | Руководящие указания по релейной защите. Устройство резервирования при отказе выключателей 35 - 500 кВ |
| Дата добавления в базу: | 01.01.2021 |
| Дата актуализации: | 01.01.2021 |
| Область применения: | В данном выпуске Руководящих указаний по релейной защите приведены схемы устройств резервирования при отказе выключателей для случая, когда на резервируемой стороне 35 — 330 кВ станции или подстанции применены устройства трехфазного АПВ, а также для случаев, когда на резервируемой стороне 220 — 500 кВ станции или подстанции применены устройства однофазного АПВ |
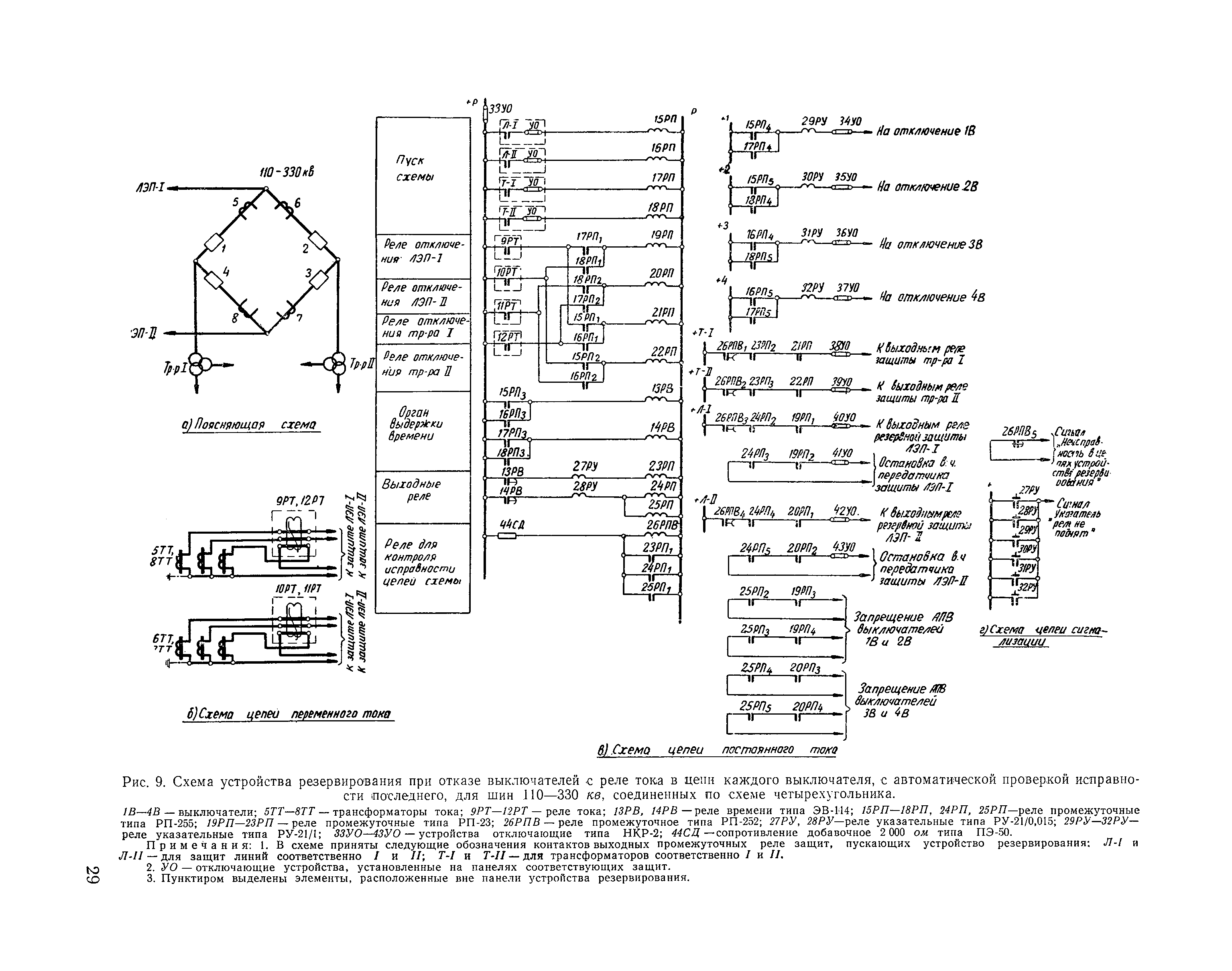
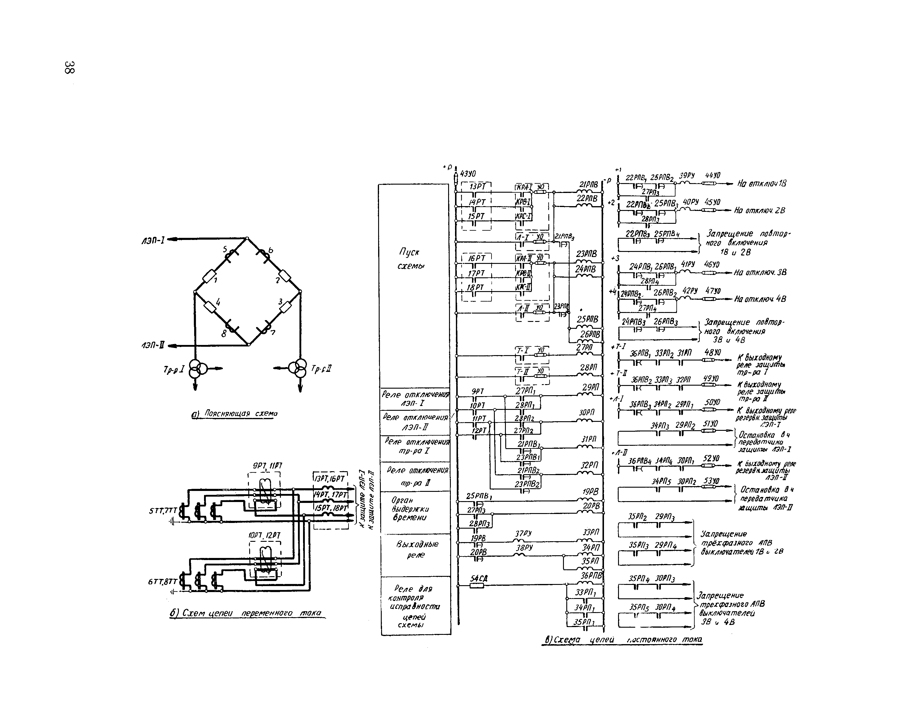
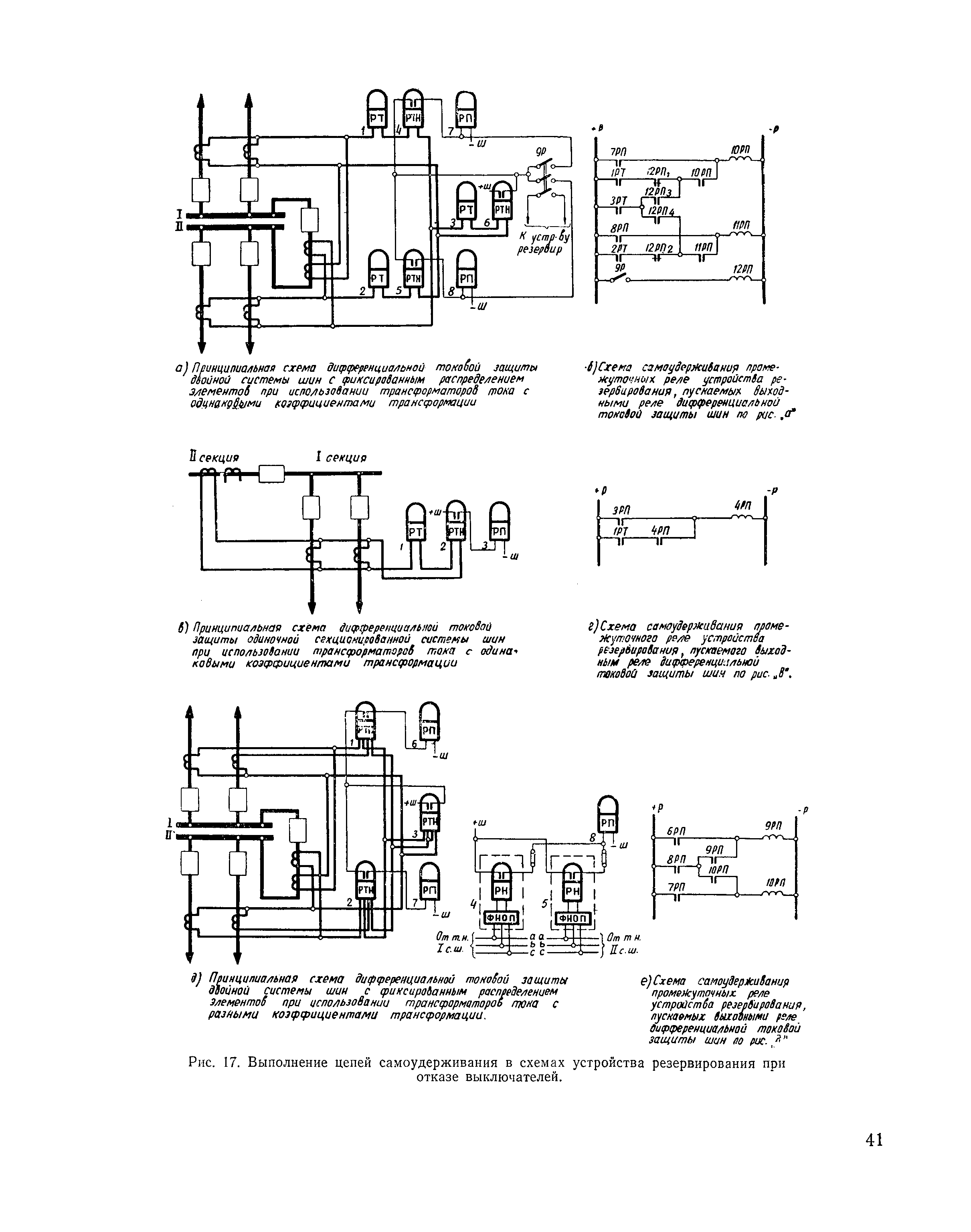
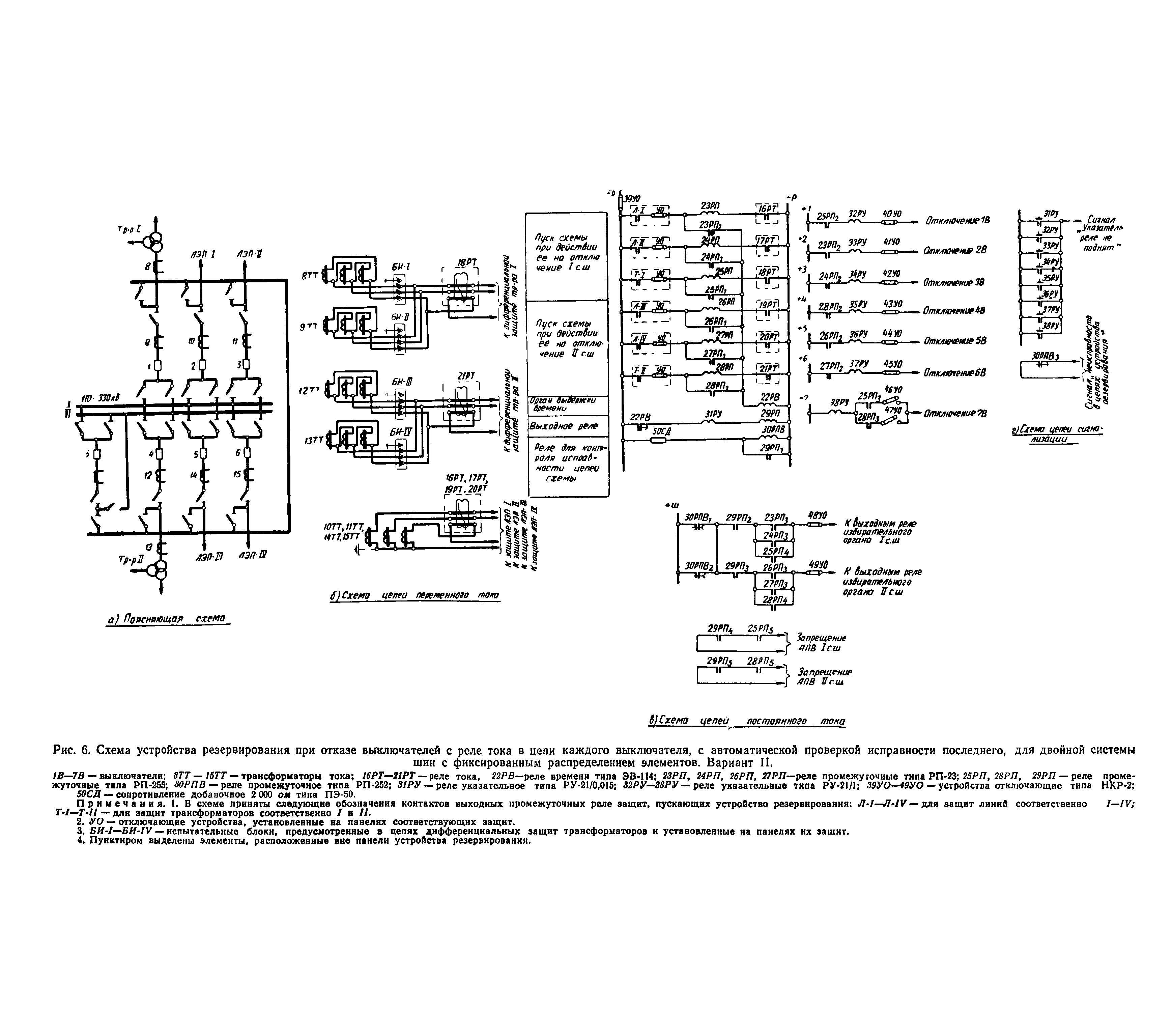
| Оглавление: | Предисловие I Общие положения II Принципы выполнения схем устройств резервирования при отказе выключателей (рис. 2 - 15) III Особенности выполнения схем по рис. 2 — 15 Приложение I. Способ анализа сложных схем устройств резервирования при отказе выключателей для предотвращения обходных связей Приложение II. Ликвидация неполнофазного режима, возникающего в случае отказа фазы выключателя блока генератор — трансформатор при его оперативных отключениях или включениях Приложение III. Описание поясняющей принципиальной схемы устройства типа ОАПВ - 500 Приложение IV. Действие устройств резервирования в режиме работы трансформатора (автотрансформатора) через обходной выключатель Схемы |
| Разработан: | Институт Энергосетьпроект |
| Утверждён: | Главтехстройпроект ГПКЭиЭ СССР (Glavtekhstroyproject, USSR GPKEIE ) Министерство энергетики и электрификации СССР (USSR Ministry of Energy and Electrical Power ) |
| Издан: | Издательство Энергия (1966 г. ) |




















































