Скачать Выпуск 10 Руководящие указания по релейной защите. Высокочастотная блокировка дистанционной и токовой направленной нулевой последовательности защит линий 110 - 220 кВДата актуализации: 01.01.2021
|
| Обозначение: | Выпуск 10 |
| Обозначение англ: | Выпуск 10 |
| Статус: | информационный документ |
| Название рус.: | Руководящие указания по релейной защите. Высокочастотная блокировка дистанционной и токовой направленной нулевой последовательности защит линий 110 - 220 кВ |
| Дата добавления в базу: | 01.01.2021 |
| Дата актуализации: | 01.01.2021 |
| Область применения: | Руководящие указания являются рекомендуемым материалом, которому должны следовать как проектные, так и эксплуатационные организации с целью максимального применения типовых решений, удешевления и ускорения строительства электроустановок, внедрения в эксплуатацию наиболее совершенных и проверенных опытом решений. |
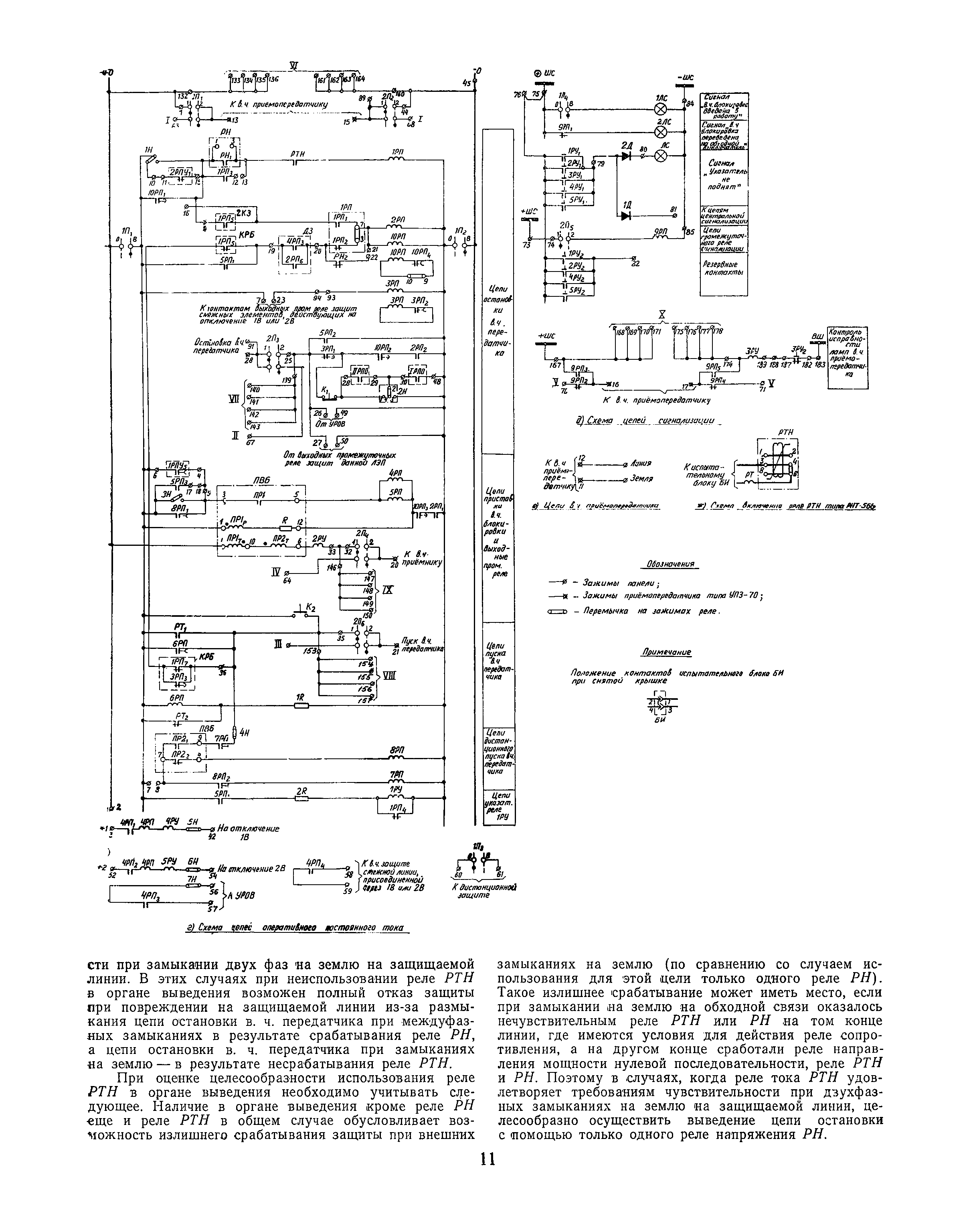
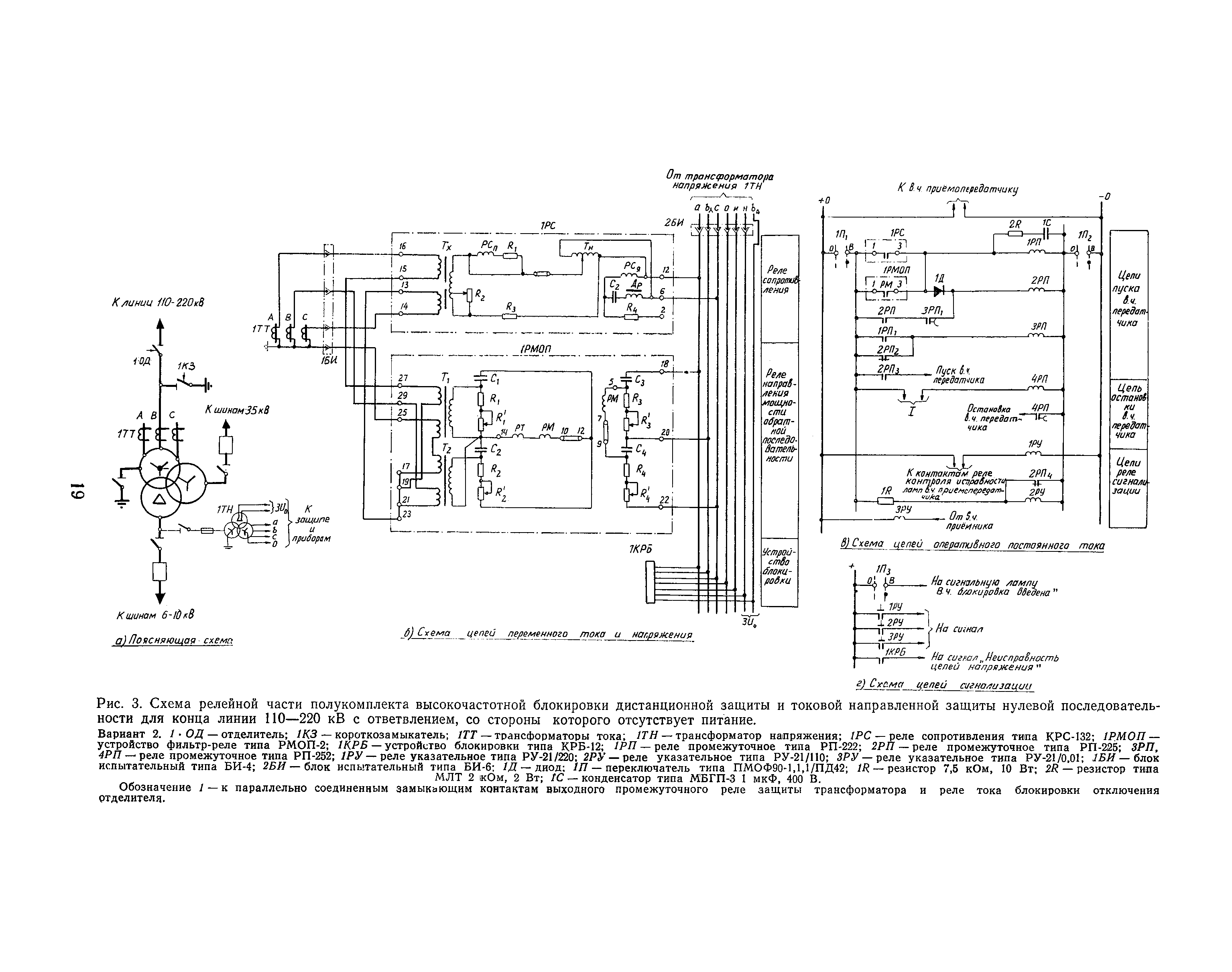
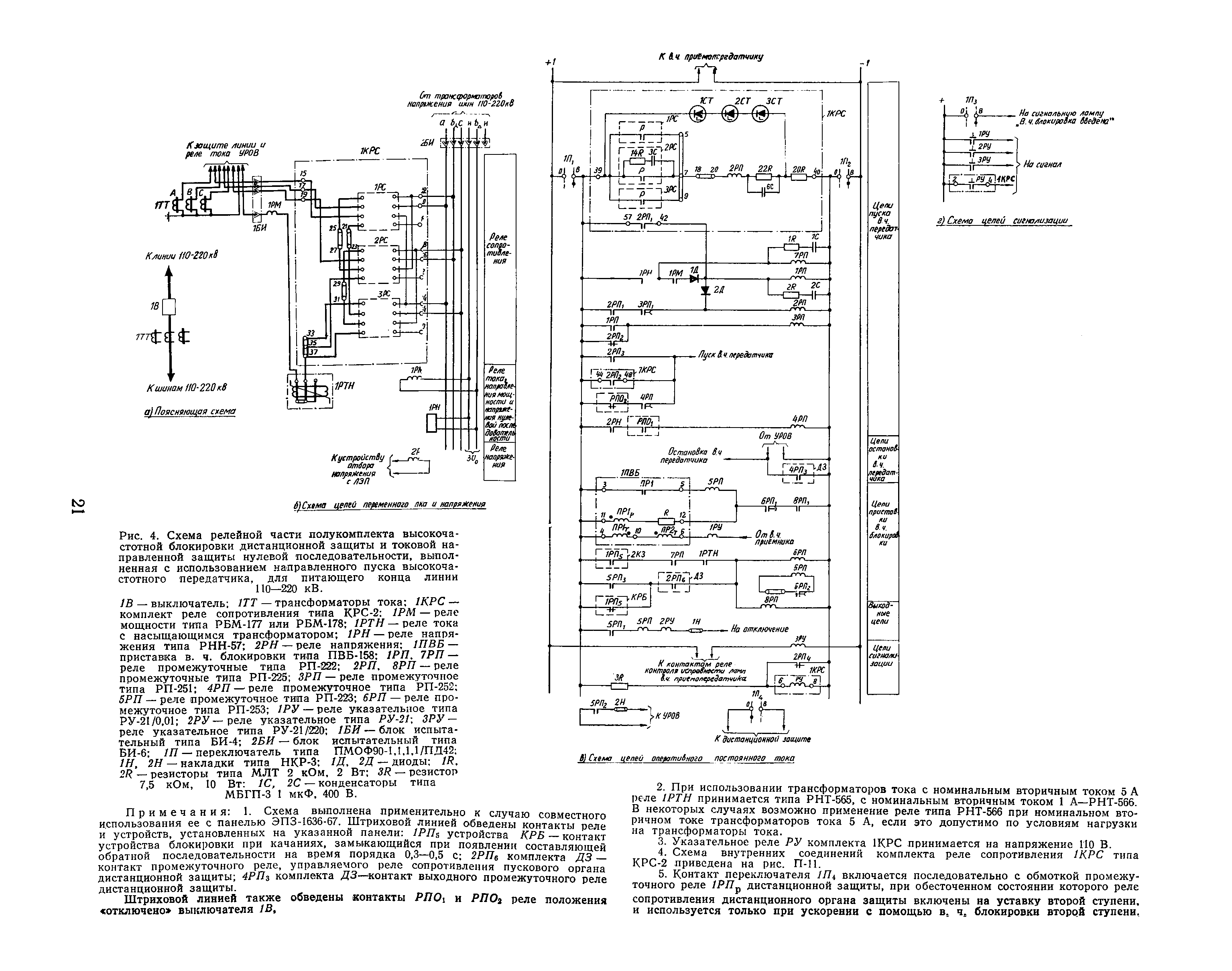
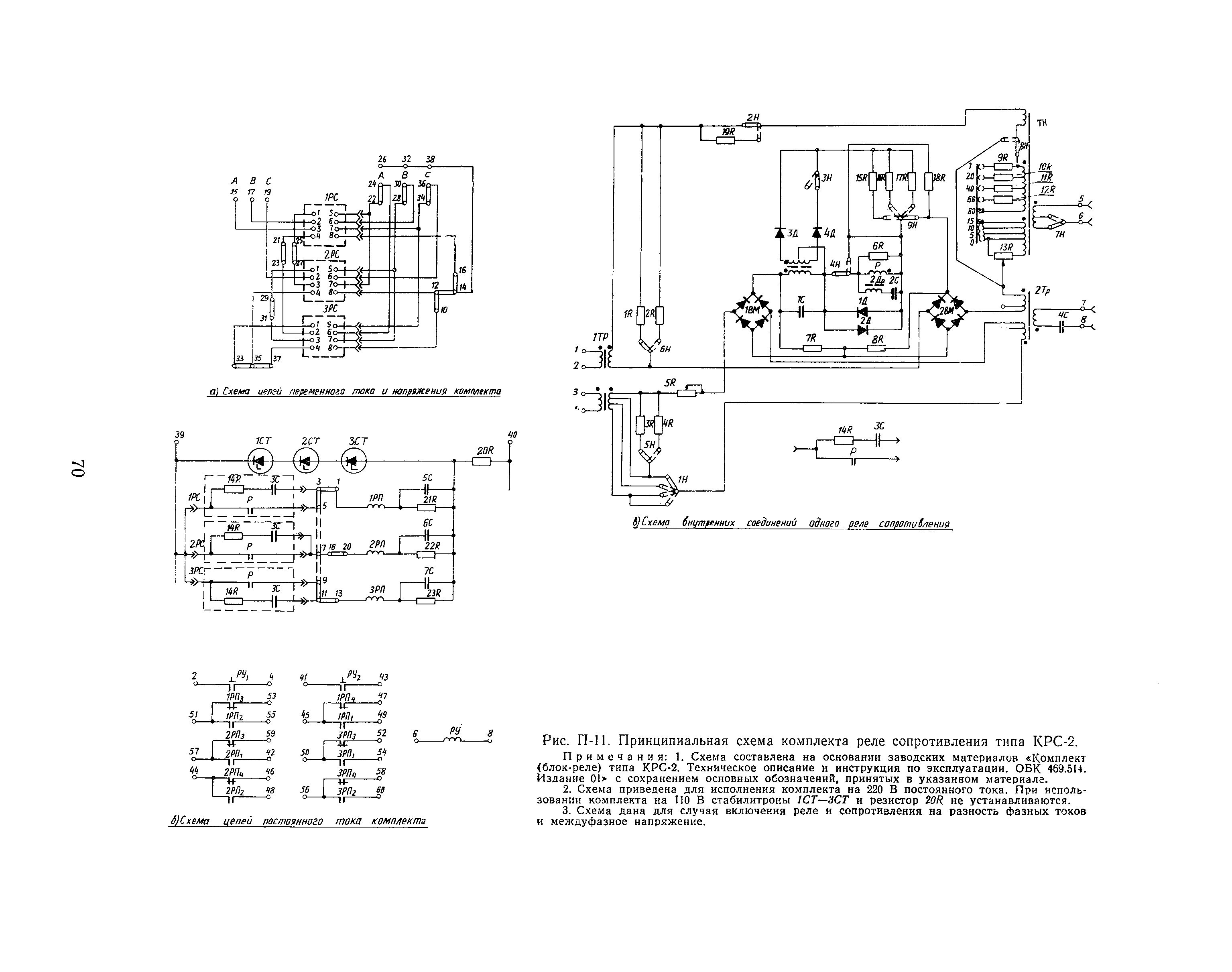
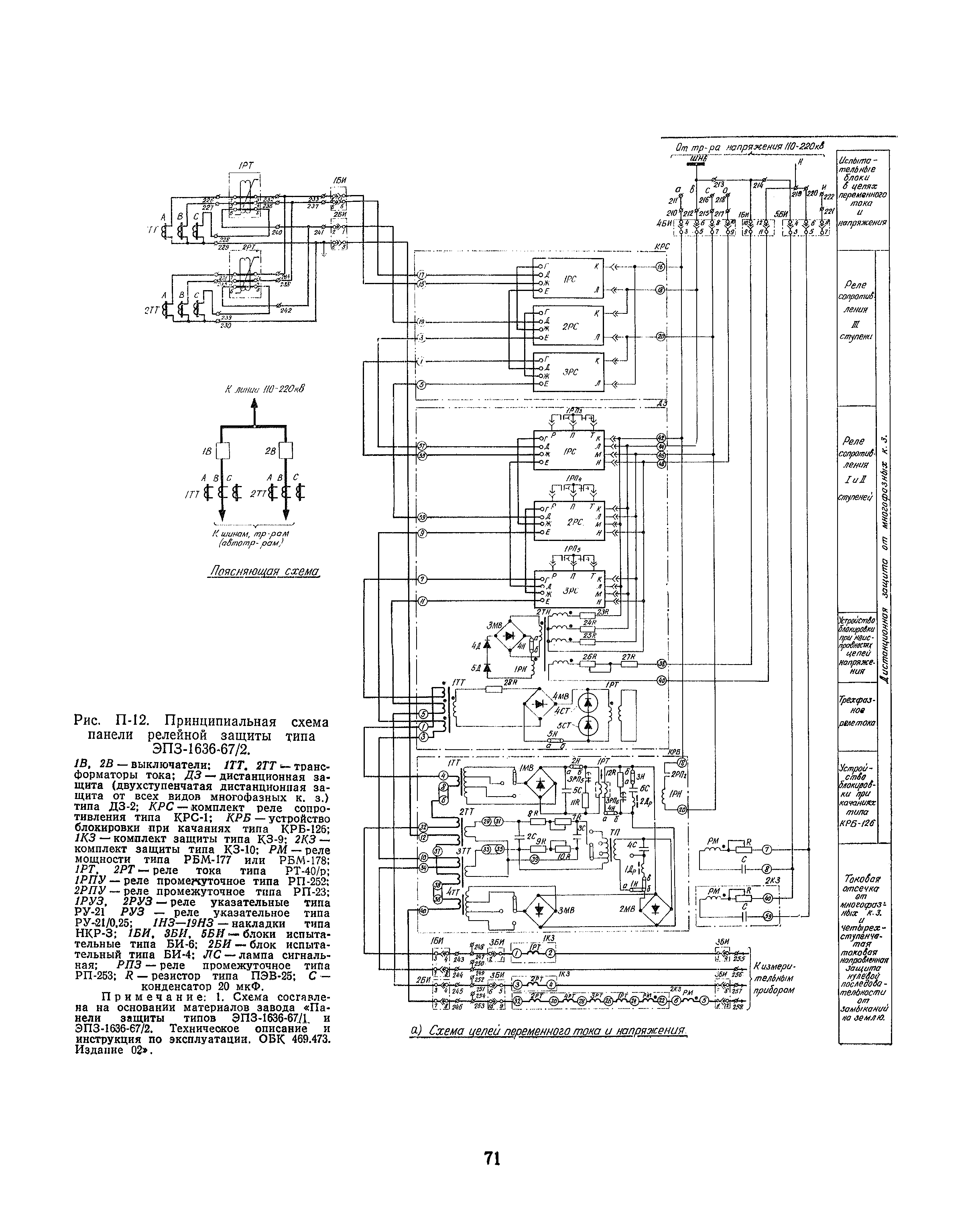
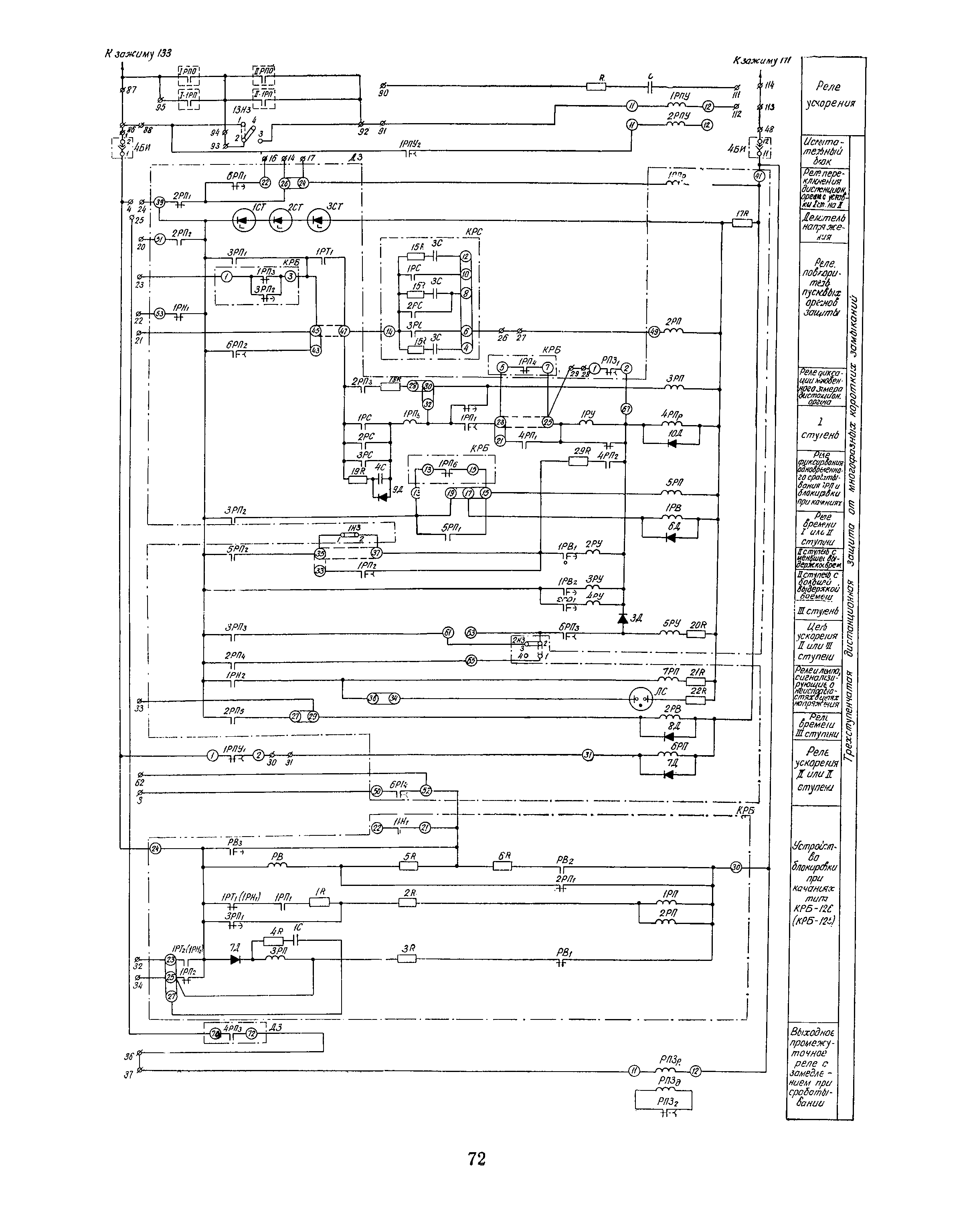
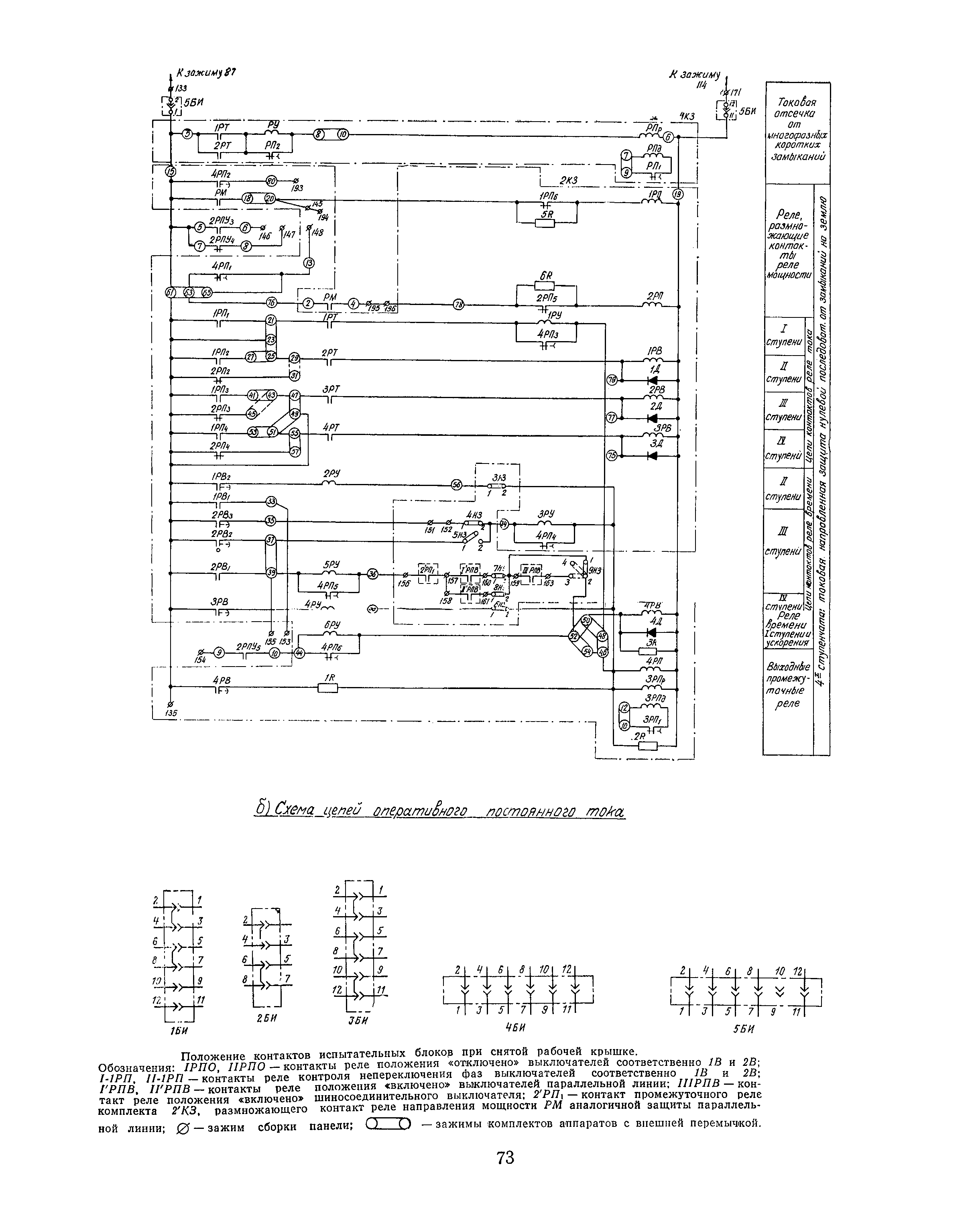
| Оглавление: | Предисловие Глава первая. Схемы релейной части полукомплектов высокочастотной блокировки дистанционной защиты и токовой направленной защиты нулевой последовательности А. Общие принципы выполнения схем высоко-частотной блокировки дистанционной защиты и токовой направленной защиты нулевой последовательности Б. Особенности выполнения дистанционной защиты и токовой направленной защиты нулевой последовательности с высокочастотной блокировкой на линиях с ответвлениями В. Особенности выполнения схем Глава вторая. Расчет параметров срабатывания пусковых органов высокочастотной блокировки дистанционной защиты и токовой направленной защиты нулевой последовательности для линий без ответвлений А. Общие указания по расчету параметров срабатывания пусковых органов высокочастотной блокировки дистанционной защиты, действующих при междуфазных коротких замыканиях Б. Расчет сопротивлений срабатывания реле сопротивления дистанционной защиты, используемых для остановки высокочастотного передатчика I. Общие положения II. Согласование на линиях, входящих в сеть сравнительно простой конфигурации (рис. 6) III. Согласование на линиях, входящих в сеть сложной конфигурации В. Согласование по чувствительности пусковых органов устройств блокировки при качаниях обоих концов линий между собой I. Общие положения II. Согласование на линиях, входящих в сеть сравнительно простой конфигурации (рис. 6) III. Согласование на линиях, входящих в сеть сложной конфигурации Г. Расчет параметров срабатывания реле пусковых органов высокочастотной блокировки, предназначенных для действия при замыканиях на землю Д. Проверка чувствительности Е. Примеры расчета I. Пример расчета параметров срабатывания пусковых органов высокочастотной блокировки дистанционной защиты и токовой направленной защиты нулевой последовательности в сети простой конфигурации (по рис. 11) II. Пример согласования реле сопротивления, используемых для остановки высокочастотного передатчика с органами пуска высокочастотной блокировки в сети сложной конфигурации (по рис. 12) Глава третья. Особенности расчета параметров срабатывания пусковых органов высокочастотной блокировки дистанционной защиты и токовой направленной защиты нулевой последовательности для линий с ответвлениями А. Общие указания по расчету Б. Расчет сопротивлений срабатывания реле сопротивления дистанционной защиты, используемых для остановки высокочастотного передатчика, в схеме по рис. 1 В. Согласование по чувствительности пусковых органов устройств блокировки при качаниях обоих концов линии между собой при применении схемы по рис. 1 Г. Расчет параметров срабатывания реле пусковых органов высокочастотной блокировки, предназначенных для действия при замыканиях на землю в схеме по рис. 1 Д. Расчет параметров срабатывания пусковых органов полукомплектов высокочастотной блокировки, выполненных по схеме рис. 2 и 3 Е. Расчет параметров срабатывания пусковых органов полукомплекта высокочастотной блокировки, выполненного по схеме рис. 4 Приложение I. Анализ действия реле сопротивления при каскадном отключении внешнего короткого замыкания Приложение II. Согласование по чувствительности пусковых органов высокочастотной блокировки дистанционной защиты А. Согласование реле сопротивления дистанционной защиты с устройством блокировки при качаниях Б. Согласование по чувствительности пусковых органов устройств блокировки при качаниях обоих концов линии между собой Приложение III. Оценка чувствительности реле направления мощности направленной защиты нулевой последовательности с высокочастотной блокировкой Приложение IV. Оценка поведения реле сопротивления, установленных в различных точках сети, при замыканиях между двумя фазами за трансформатором с соединением обмоток по схеме У Приложение V. Зависимость переходного сопротивления электрической дуги при междуфазных повреждениях от параметров цепи короткого замыкания Приложение VI. Обоснование схемы выведения из действия цепи остановки высокочастотного передатчика при междуфазных коротких замыканиях в случаях замыканий на землю Приложение VII. Расчет параметров срабатывания реле пусковых органов высокочастотной блокировки защиты линий с ответвлениями по условию отстройки от броска тока намагничивания трансформаторов (автотрансформаторов) |
| Разработан: | Институт Энергосетьпроект |
| Утверждён: | Министерство энергетики и электрификации СССР (USSR Ministry of Energy and Electrical Power ) |
| Издан: | Издательство Энергия (1975 г. ) |
| Нормативные ссылки: |











































































