Скачать Выпуск 9 Руководящие указания по релейной защите. Дифференциально-фазная высокочастотная защита линий 110 - 330 кВДата актуализации: 01.01.2021
|
| Обозначение: | Выпуск 9 |
| Обозначение англ: | Выпуск 9 |
| Статус: | информационный документ |
| Название рус.: | Руководящие указания по релейной защите. Дифференциально-фазная высокочастотная защита линий 110 - 330 кВ |
| Дата добавления в базу: | 01.01.2021 |
| Дата актуализации: | 01.01.2021 |
| Область применения: | В выпуске руководящих указаний по релейной защите приведены схемы дифференциально-фазной высокочастотной защиты линий 110—330 кВ как без ответвлений, так и с ответвлениями, рассмотрены особенности выполнения защиты на линиях с ответвлениями. В выпуске приведены методы расчета дифференциально-фазной высокочастотной защиты линий 110—330 кВ без ответвлений и с ответвлениями. Для иллюстрации методов расчета защиты даны примеры выбора параметров защиты и проверки ее чувствительности. Приведенные в работе схемы составлены на основе типовых панелей дифференциально-фазной высокочастотной защиты, как выпускаемых промышленностью в настоящее время, так и подготавливаемых к выпуску. |
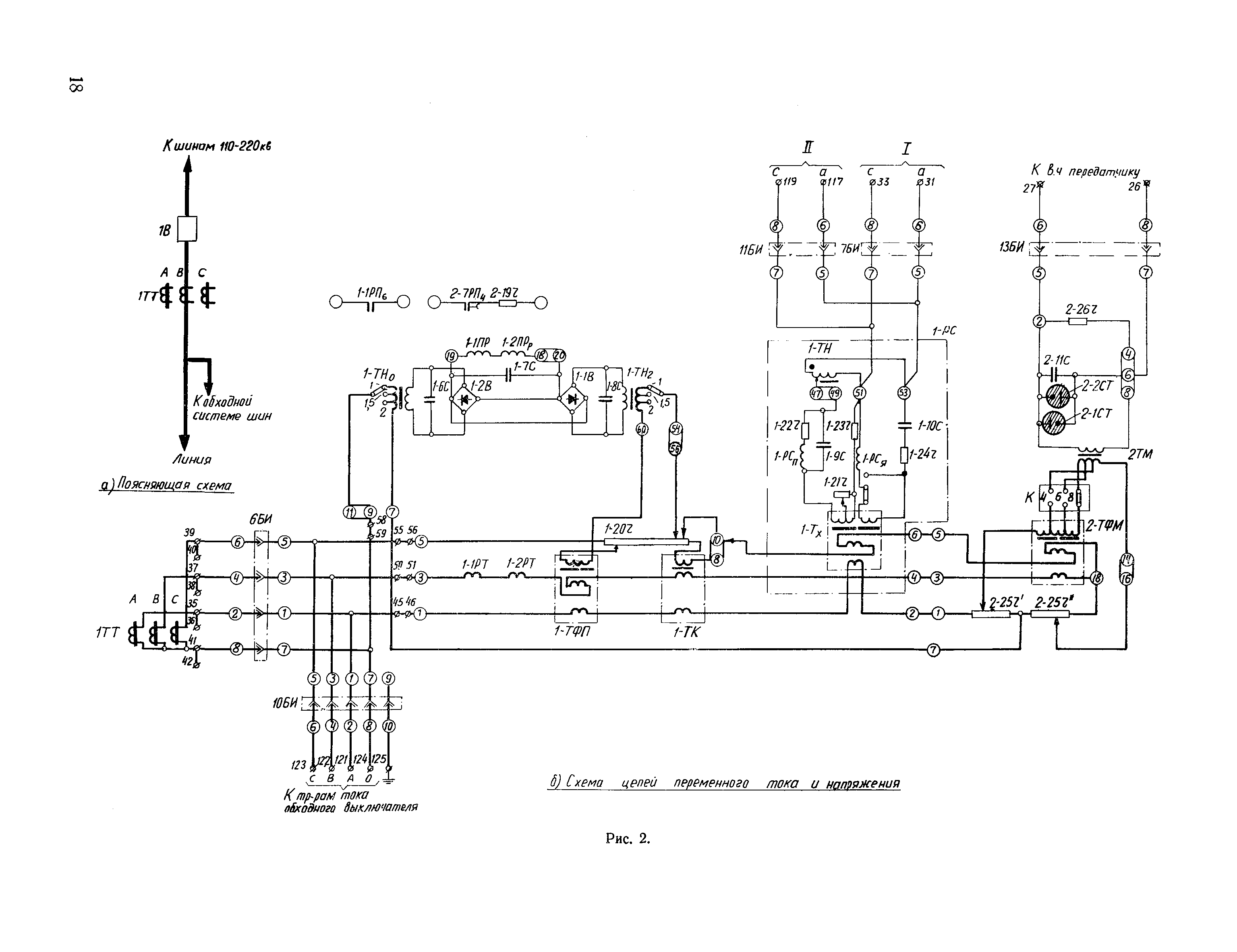
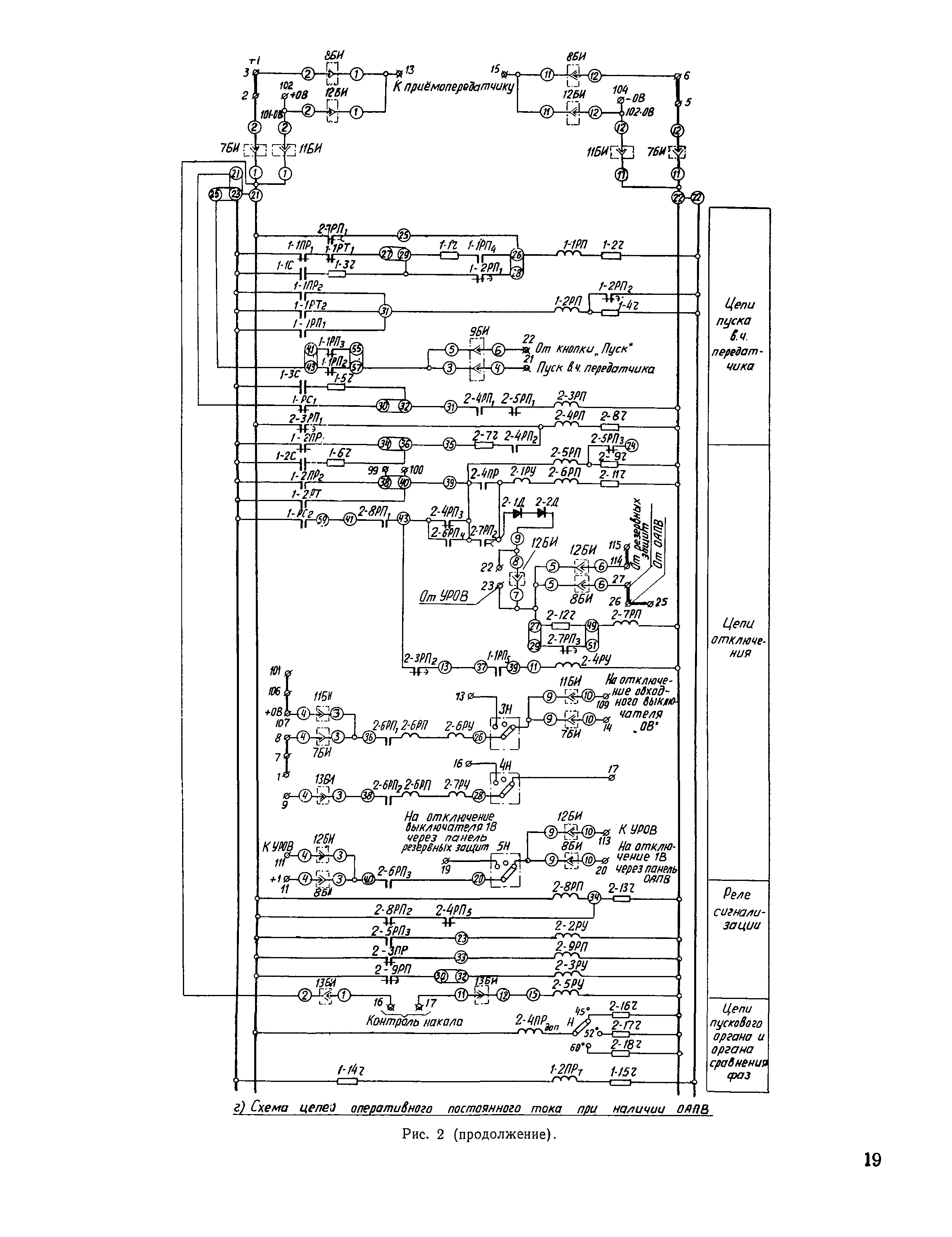
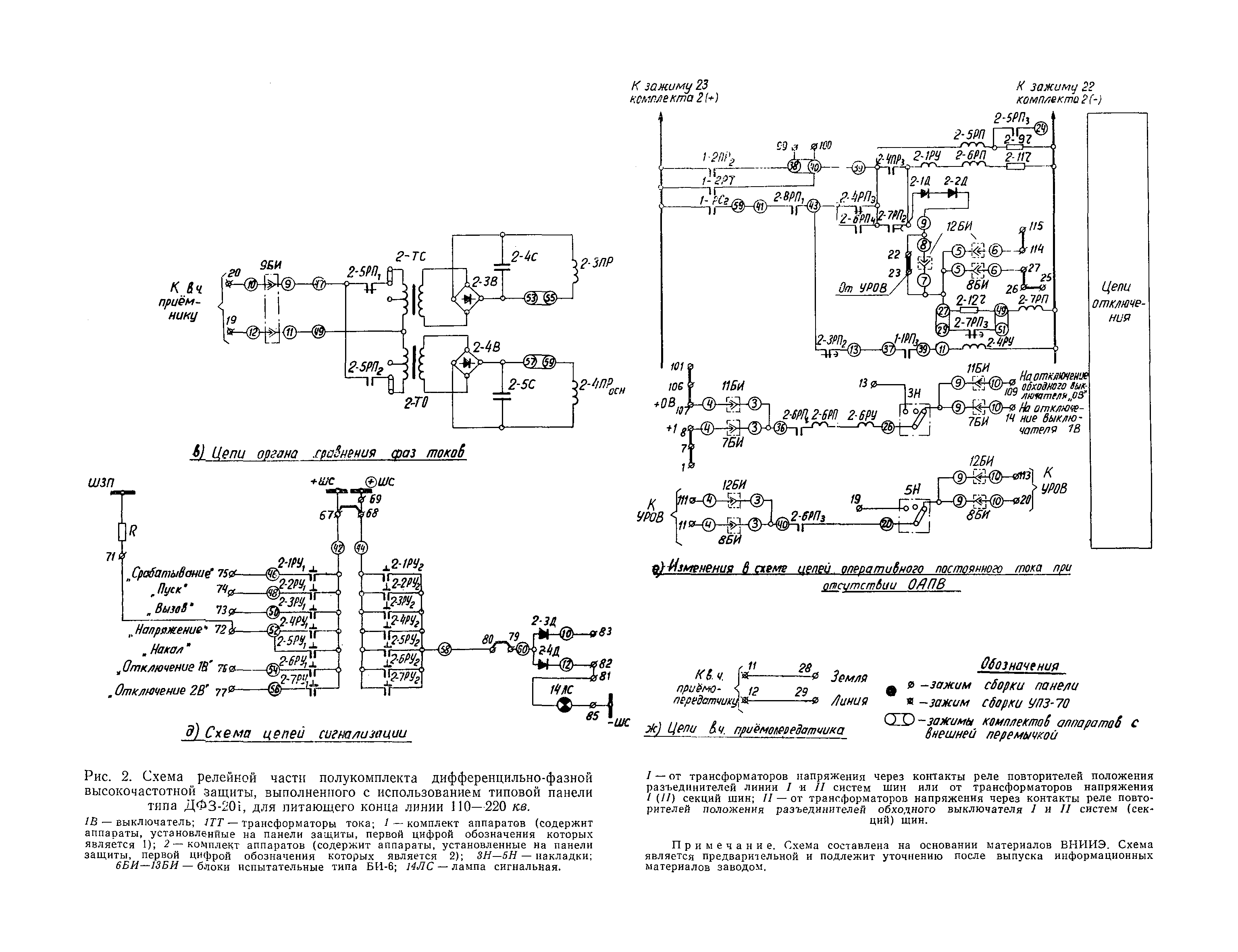
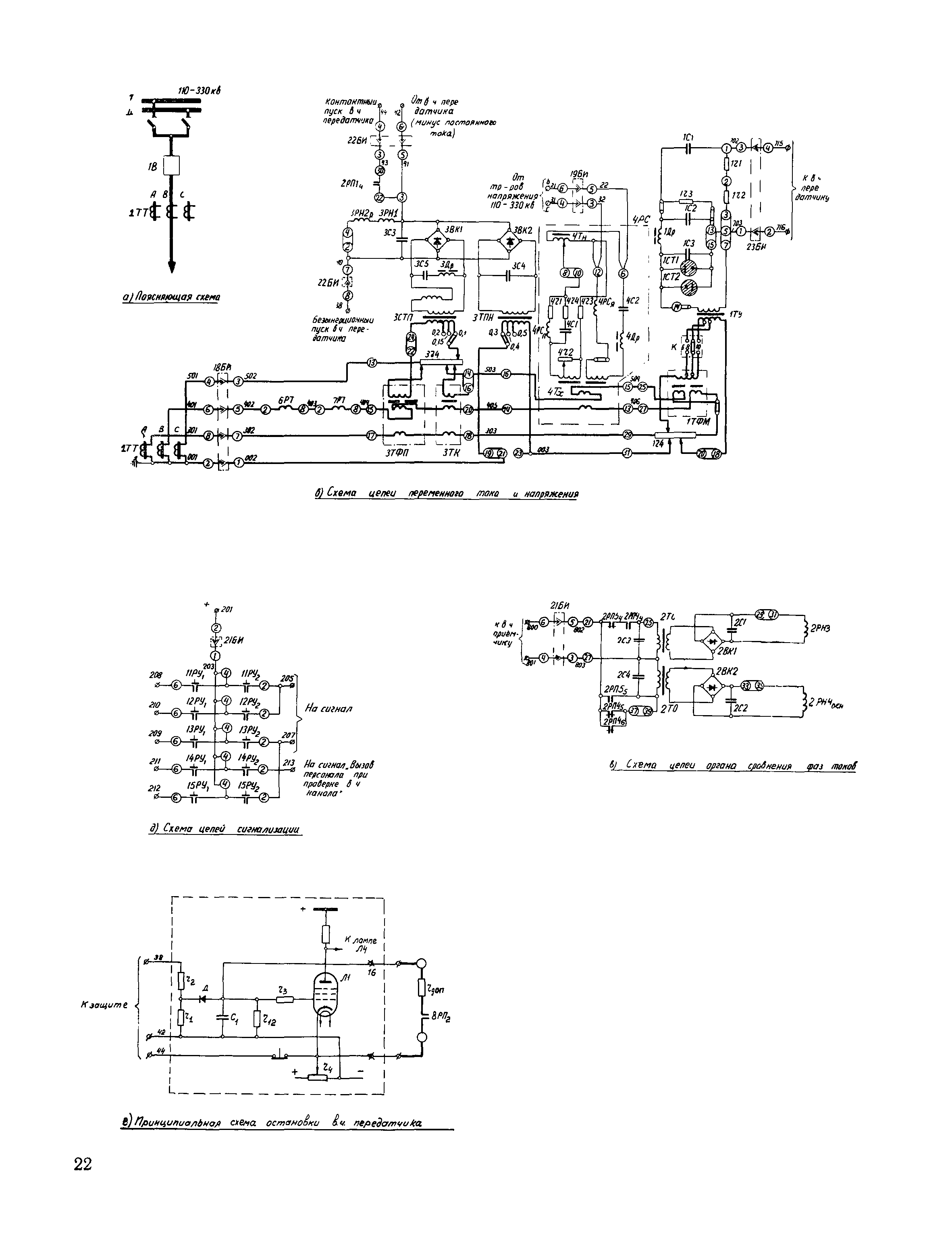
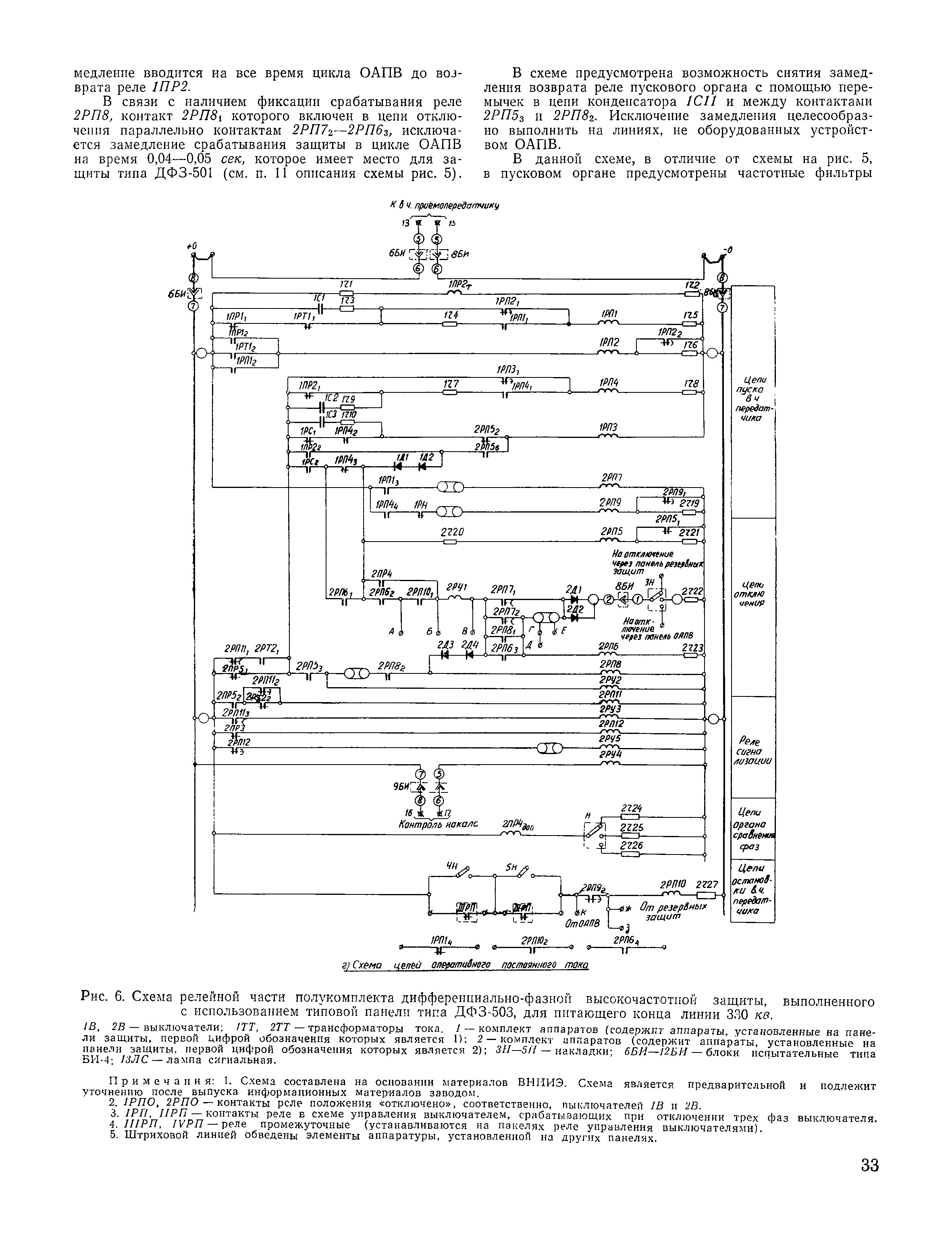
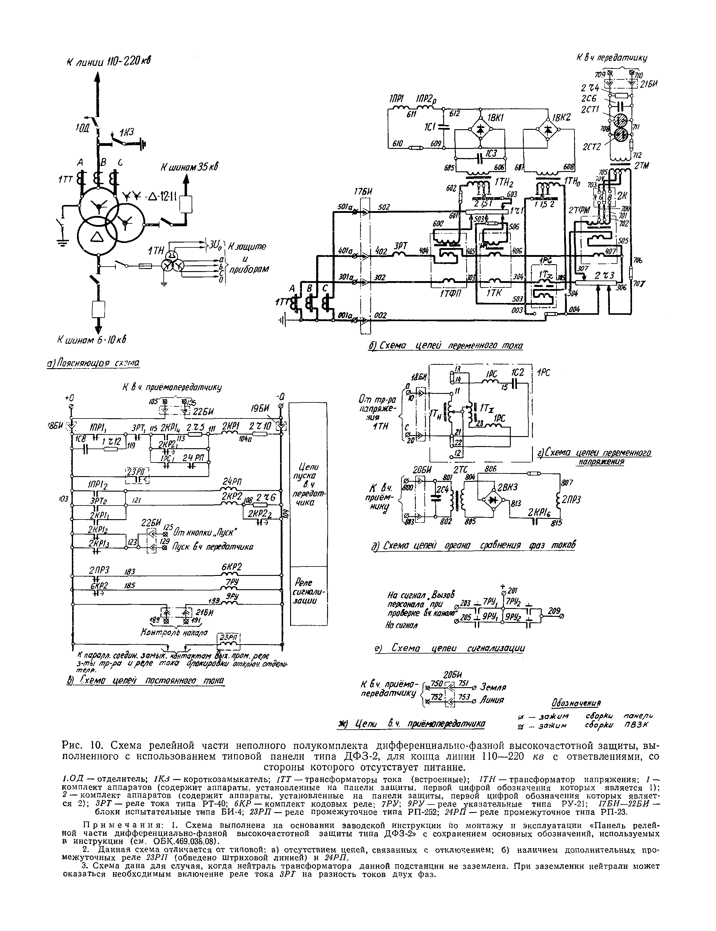
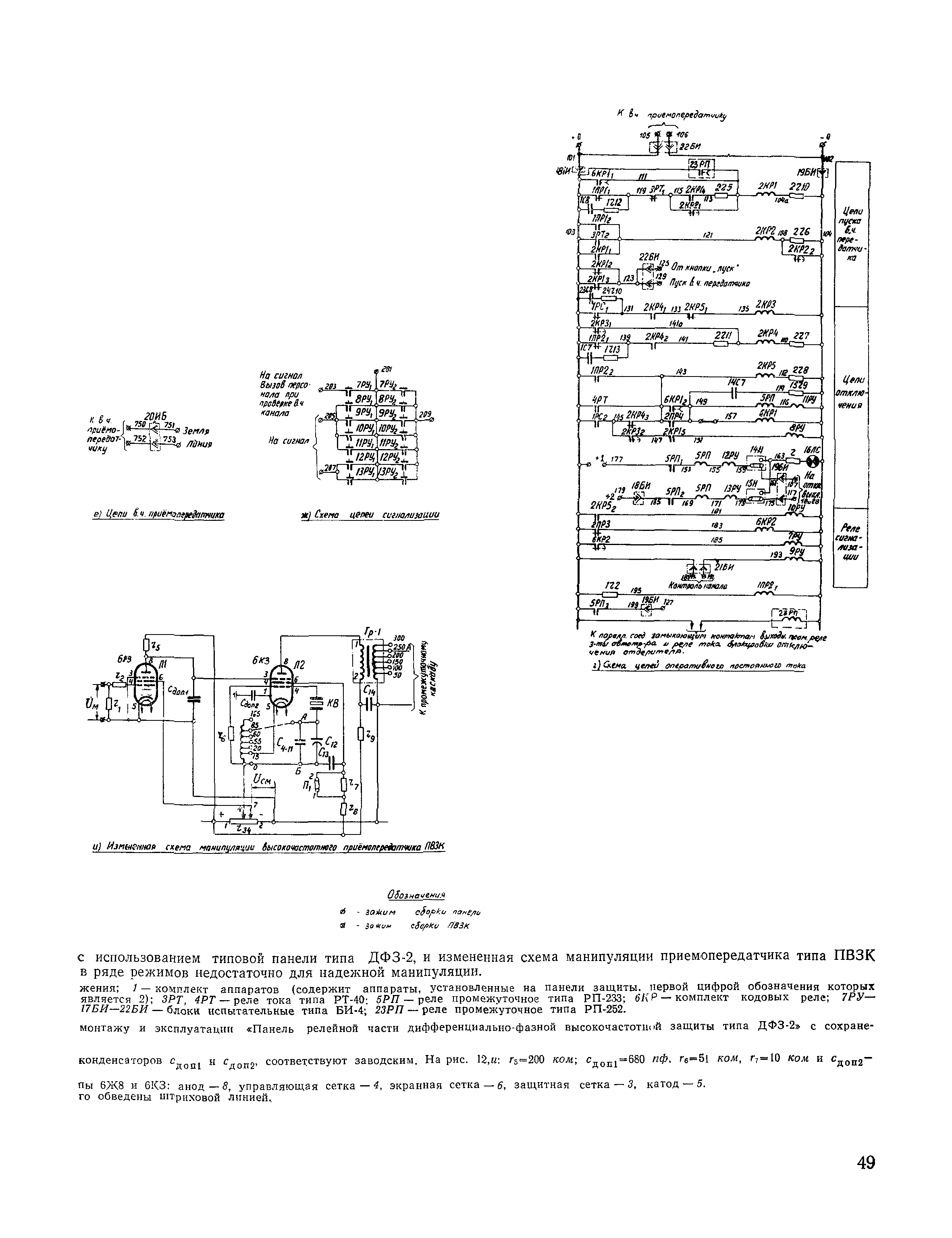
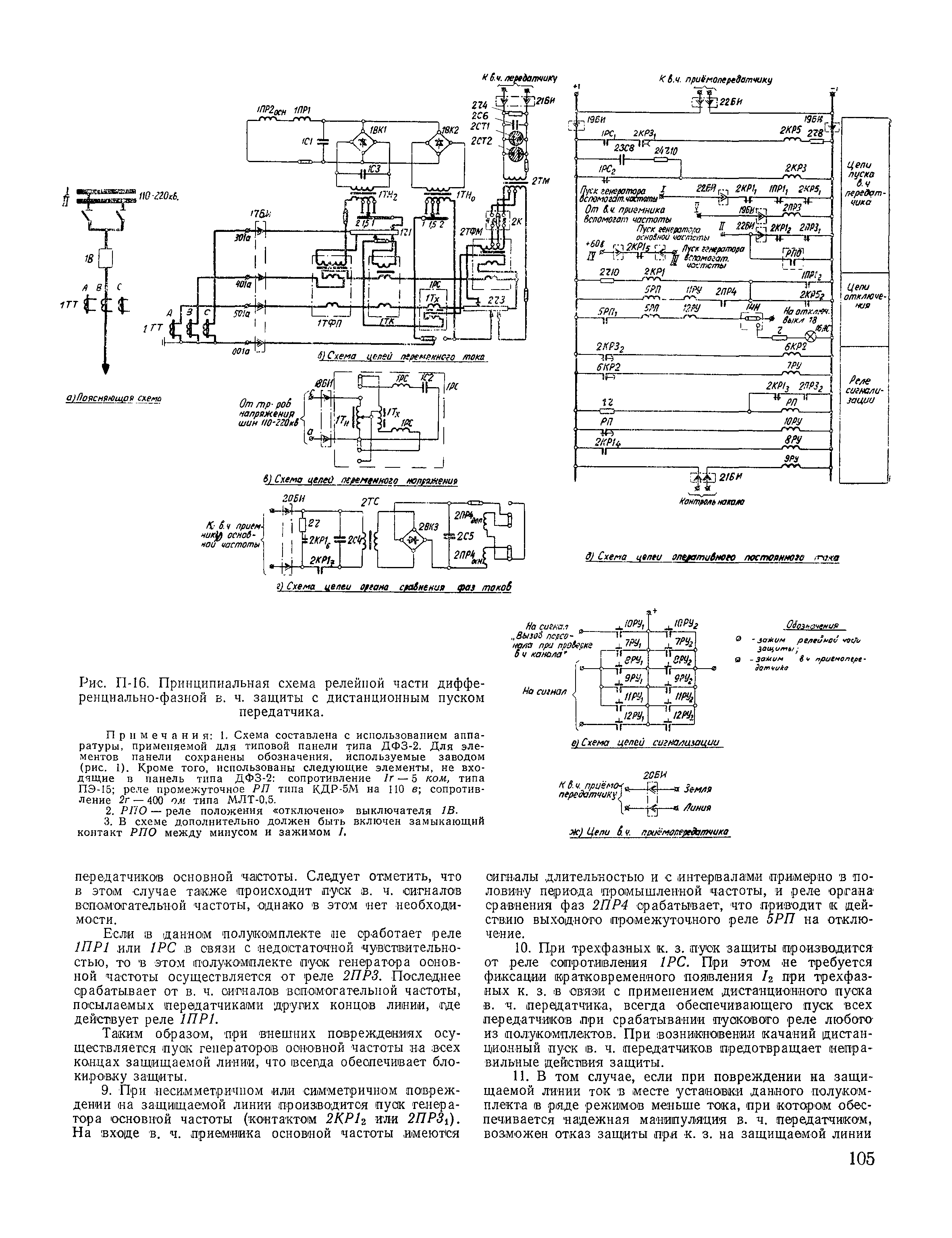
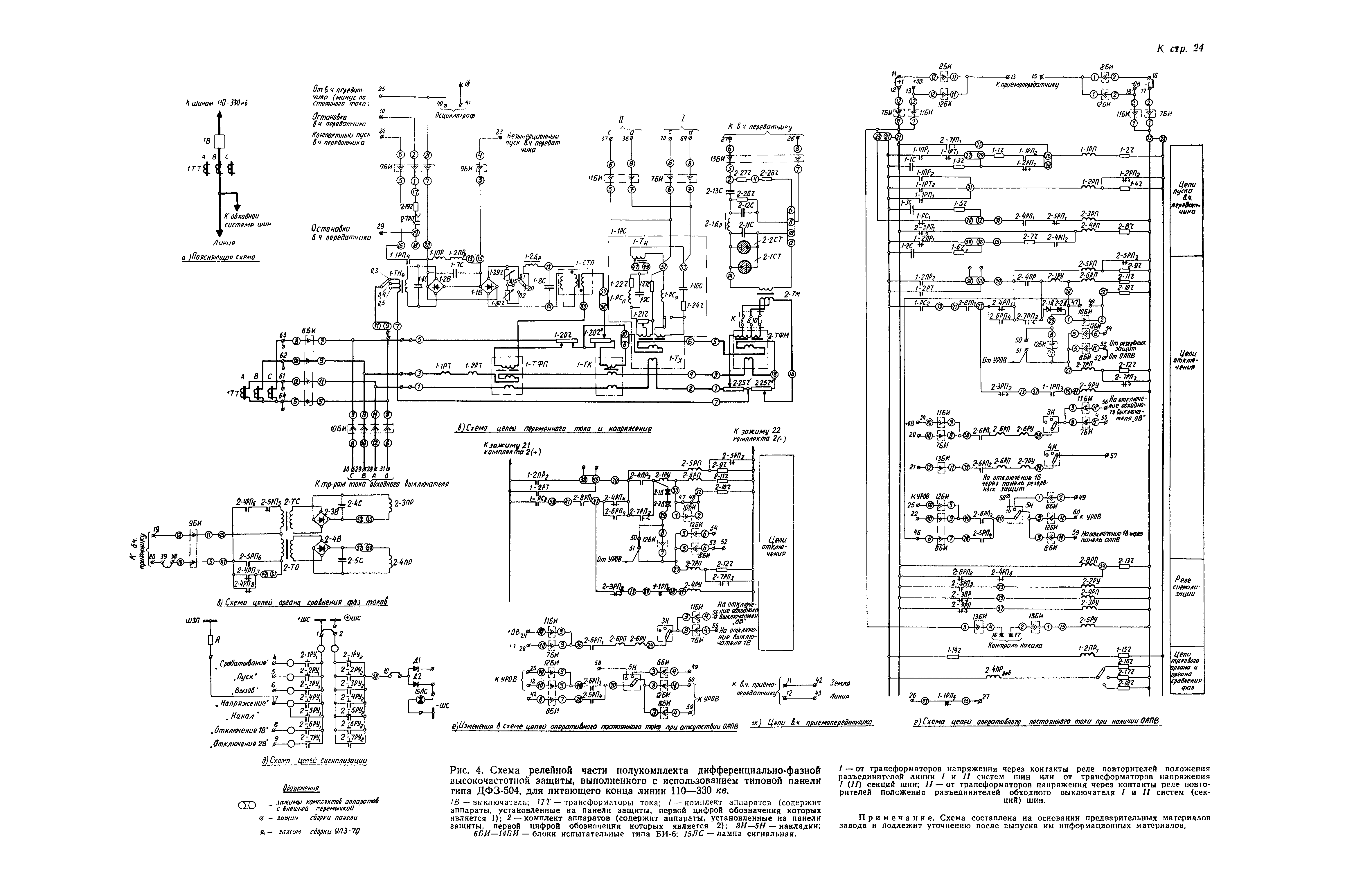
| Оглавление: | Предисловие Глава первая. Схемы дифференциально-фазной высокочастотной защиты линий 110 — 330 кВ А. Общие принципы выполнения схем дифференциально-фазной высокочастотной защиты линий 110 — 330 кВ Б. Особенности выполнения защиты на линиях с ответвлениями В. Особенности выполнения схем Глава вторая. Расчет дифференциально-фазной высокочастотной защиты А. Расчет защиты линий 110—330 кВ без ответвлений I Расчет защиты, выполняемой с использованием панелей типов ДФЗ-2 (рис. 1), ДФЗ-201 (рис. 2), ДФЗ-402 (рис. 3) и ДФЗ-504 (рис. 4) II Пример 1 III Расчет защиты, выполняемой с использованием панелей типов ДФЗ-501 (рис. 5) и ДФЗ-503 (рис. 6) Б. Расчет защиты линий 110 — 330 кВ с ответвлениями I Расчет защиты, выполняемой с использованием панелей типов ДФЗ-2 (рис. 1), ,ДФЗ-201 (рис. 2), ДФЗ-402 (рис. 3) и ДФ3-504 (рис. 4), при наличии питания со всех концов линии с ответвлениями II Расчет защиты, выполняемой с использованием панелей типов ДФ3-2 (рис. 1) и ДФ3-201 (рис. 2), устанавливаемых на питающих концах линий с ответвлениями, при отсутствии полукомплектов защиты на концах без питания III Расчет защиты, выполняемой с использованием полукомплектов по рис. 7 — 9, устанавливаемых на питающих концах линии с ответвлениями, при отсутствии полукомплектов защиты на концах без питания IV Расчет параметров срабатывания реле пусковых органов неполных полукомплектов, выполненных по схемам рис. 10 и 11 V Дополнительное условие для расчета параметров срабатывания полукомплектов защиты по рис. 1, 2 и 7 — 9, устанавливаемых на питающих концах линии с ответвлениями для случая, когда на конце без питания устанавливается полукомплект по рис. 10 или 11 VI Проверка чувствительности защиты, устанавливаемой на линии с ответвлениями (рис. 1 — 4, 7 — 9) VII Пример 2 VIII Пример 3 IХ Особенности расчета защиты, выполняемой с использованием панелей типов ДФЗ-501 (рис. 5) и ДФЗ-503 (рис. 6), устанавливаемых на линиях с ответвлением Приложение I. Области применения различных вариантов выполнения дифференциально-фазной защиты типа ДФЗ-201 (ДФЗ-2) линии с ответвлениями, имеющей концы, со стороны которых отсутствует питание и не устанавливаются полукомплекты защиты Приложение II. Способы увеличения тока срабатывания отключающих реле панелей типа ДФЗ-2 и ДФЗ-201 Приложение III. Выбор расчетного значения коэффициента k для расчета дифференциально-фазной защиты с пуском по току из линиях с ответвлениями Приложение IV. Влияние нагрузки и качаний на работу дифференциально-фазной высокочастотной защиты с пуском по току, установленной на линии с ответвлениями Приложение V. Некоторые мероприятия по расширению области применения дифференциально-фазных высокочастотных защит на линиях с ответвлениями Приложение VI. Полукомплект дифференциально-фазной высокочастотной защиты для питающего конца линии 110 — 220 кВ с ответвлением, выполненный с использованием дистанционного пуска высокочастотного передатчика Приложение VII. Расчет параметров срабатывания реле пусковых органов защиты линий с ответвлениями по условию отстройки от броска тока намагничивания трансформаторов (автотрансформаторов) Приложение VIII. Принципиальная схема перевода токовых цепей панелей дифференциально-фазной высокочастотной защиты типа ДФЗ-201 (рис. 2) и типа ДФЗ-504 (рис. 4) на трансформаторы тока обходного выключателя (рис. П-21) |
| Разработан: | Институт Энергосетьпроект |
| Утверждён: | Министерство энергетики и электрификации СССР (USSR Ministry of Energy and Electrical Power ) |
| Издан: | Издательство Энергия (1972 г. ) |


















































































































