Скачать ТУ 6-09-3995-76 п-Толуолсульфамид (п-Толуолсульфокислоты амид) квалификации чистыйДата актуализации: 01.01.2021
|
| Обозначение: | ТУ 6-09-3995-76 |
| Обозначение англ: | TU 6-09-3995-76 |
| Статус: | отменен |
| Название рус.: | п-Толуолсульфамид (п-Толуолсульфокислоты амид) квалификации "чистый" |
| Дата добавления в базу: | 01.01.2021 |
| Дата актуализации: | 01.01.2021 |
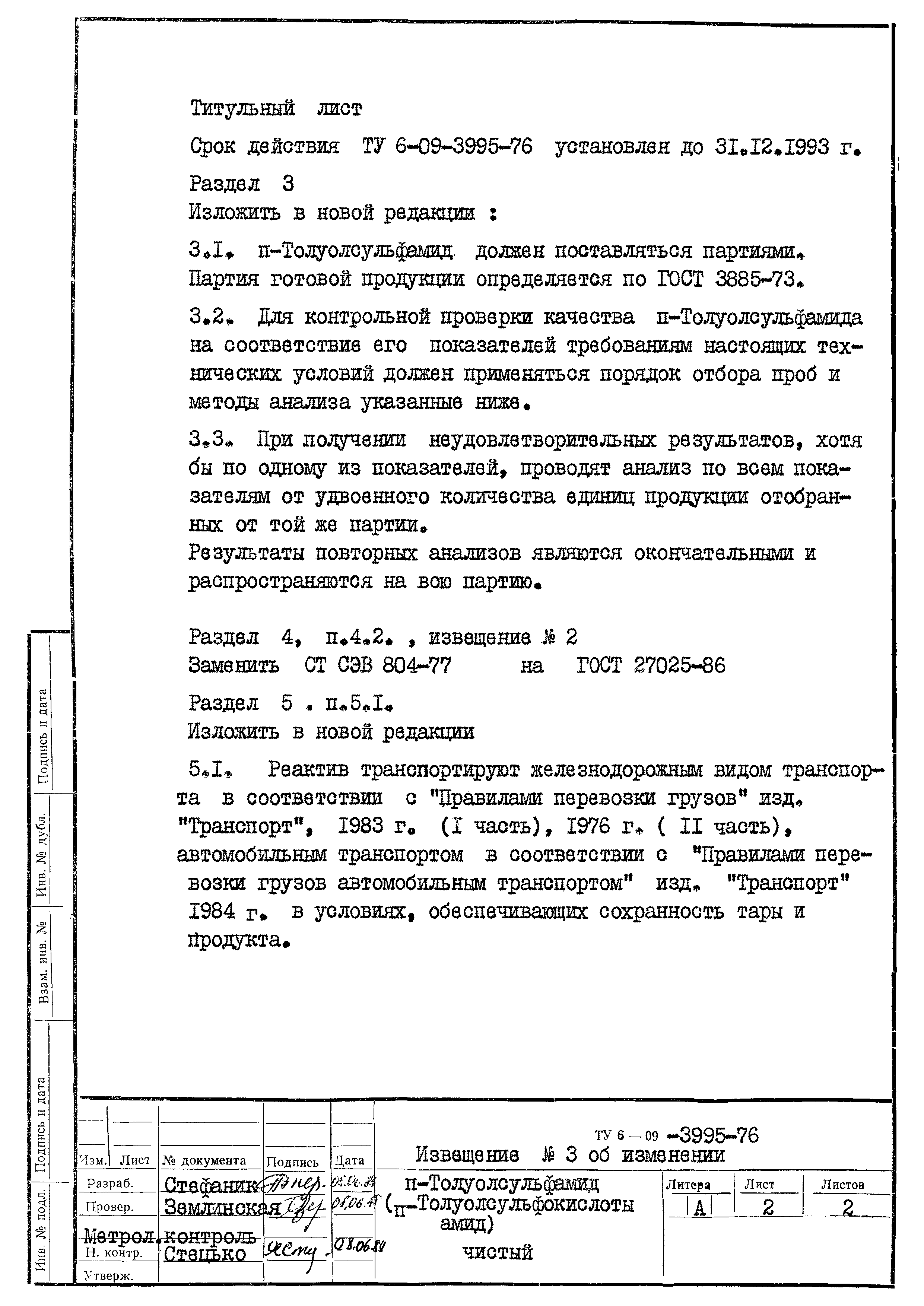
| Дата введения: | 01.10.1976 |
| Дата окончания срока действия: | 01.01.1994 |
| Область применения: | Технические условия распространяются на п-толуолсульфамид квалификации "чистый", предназначенный для получения флуоресцентных пигментов для гуашевых художественных красок, как добавка при никелировании и для лабораторных работ |
| Оглавление: | 1 Технические требования 2 Требования безопасности 3 Правила приемки 4 Методы анализа 5 Транспортирование и хранение 6 Гарантии изготовителя Литературные данные Пояснительная записка |
| Разработан: | П/я В-8867 |
| Принят: | 01.07.1976 Ленинградское НПО Пигмент 09.07.1976 П/я А-8794 |
| Список изменений: | |
| Заменяет собой: |
|
| Нормативные ссылки: |
|

















Текстовое изменение № 1 от 01.10.1979

Текстовое изменение № 2 от 01.11.1983



Текстовое изменение № 3 от 01.01.1989
