Скачать Эксплуатационные требования к спецмашинам, предназначенным для технического обслуживания воздушных судовДата актуализации: 01.01.2021 |
| Статус: | справочные материалы, мп, тпр |
| Название рус.: | Эксплуатационные требования к спецмашинам, предназначенным для технического обслуживания воздушных судов |
| Дата добавления в базу: | 01.01.2021 |
| Дата актуализации: | 01.01.2021 |
| Область применения: | В документе отражены общие и специальные требования к спецмашинам, предназначенным для технического обслуживания воздушных судов, особенности эксплуатации спецмашин в различных климатических условиях, соответствие спецмашин экологическим нормативам, требования по применению горюче-смазочных материалов и спецжидкостей. |
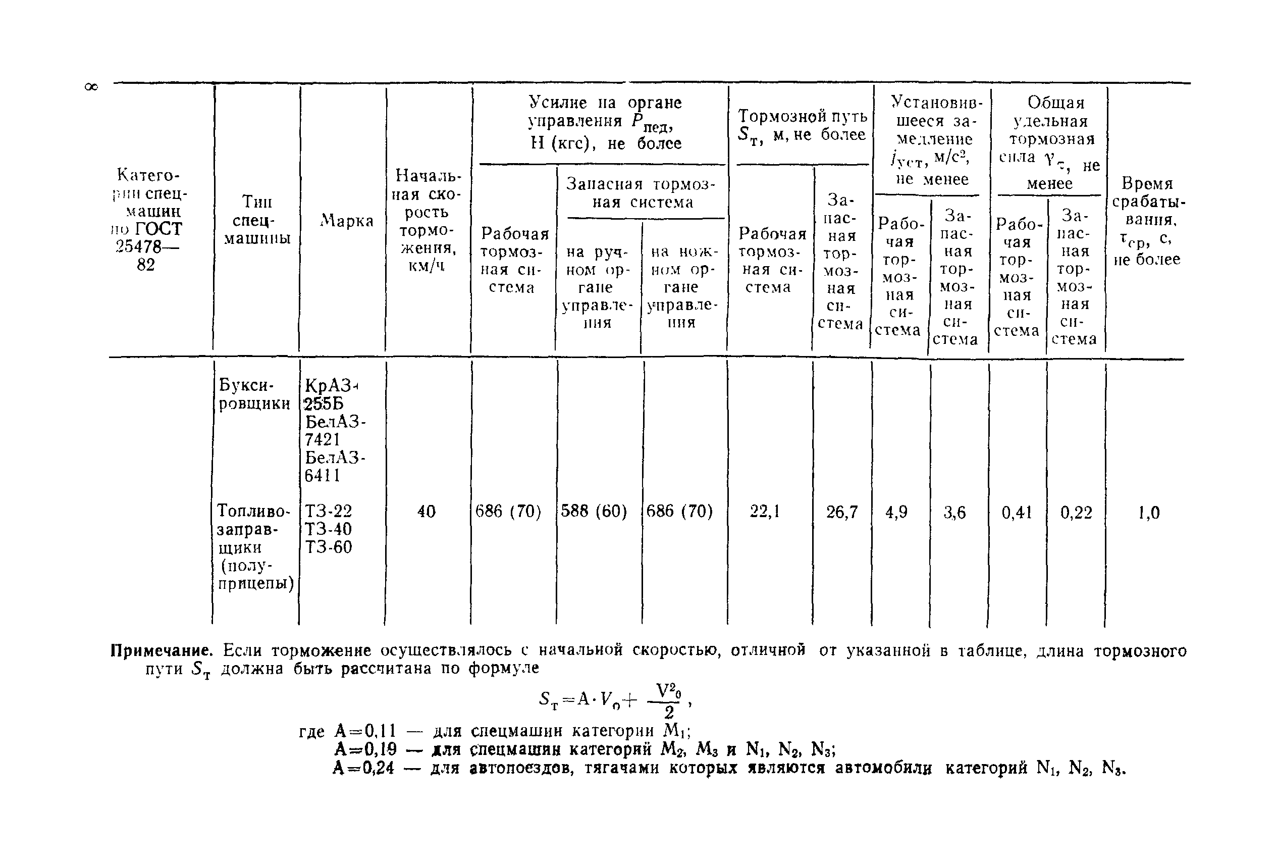
| Оглавление: | 1 Эксплуатационные требования к спецмашинам, допускаемым к техническому обслуживанию воздушных судов 1.1. Общие требования 1.1.1. Тормозные системы 1.1.2. Рулевое управление в передний мост 1.1.3. Трансмиссия 1.1.4 . Ходовя часть 1.1.5. Светосигнальное оборудование в приборы, обеспечивающие обзорность 1.2. Специальные требования 1.2.1. Топливозаправщики 1.2.2. Маслозаправщики 1.2.3. Воздухозаправщики 1.2.4. Кислородозарядные и азотозарядные станции 1.2.5. Моторные подогреватели 1.2.6. Аэродромные кондиционеры 1.2.7. Универсальные подвижные гидроагрегаты 1.2.8. Аэродромные передвижные электроагрегаты 1.2.9. Буксировщики воздушных судов 1.2.10. Подъемные площадки обслуживания 2 Эксплуатационные требования к спецмашинам при их использовании в различных климатических условиях 2.1. Подготовка спецмашин к использованию в условиях жаркого климата 2.2. Подготовка спецмашин к использованию в условиях холодного климата 2.3. Обеспечение надежного пуска двигателей спецмашин 3 Эксплуатационные требования по применению горюче-смазочных материалов и спецжидкостей 3.1. Бензины и дизельные топлива 3.2. Масла н смазки 3.3. Гидрожидкости 3.4. Охлаждающие жидкости 4 Экологические требования 4.1. Токсичоость отработавших газов 4.2. Дымность выхлопа 4.3. Шум |
| Разработан: | Киевский институт инженеров гражданской авиации (КИИ ГА) УНС МГА |
| Утверждён: | 29.06.1983 Министерство гражданской авиации СССР (USSR Ministry of Civil Aviation 463/У) |
| Издан: | Издательство Воздушный транспорт (1985 г. ) |
| Нормативные ссылки: |
|















































