Скачать Выпуск 8 Руководящие указания по релейной защите. Поперечная дифференциальная направленная защита линий 35 - 220 кВДата актуализации: 01.01.2021
|
| Обозначение: | Выпуск 8 |
| Обозначение англ: | 8 |
| Статус: | справочные материалы, мп, тпр |
| Название рус.: | Руководящие указания по релейной защите. Поперечная дифференциальная направленная защита линий 35 - 220 кВ |
| Дата добавления в базу: | 01.01.2021 |
| Дата актуализации: | 01.01.2021 |
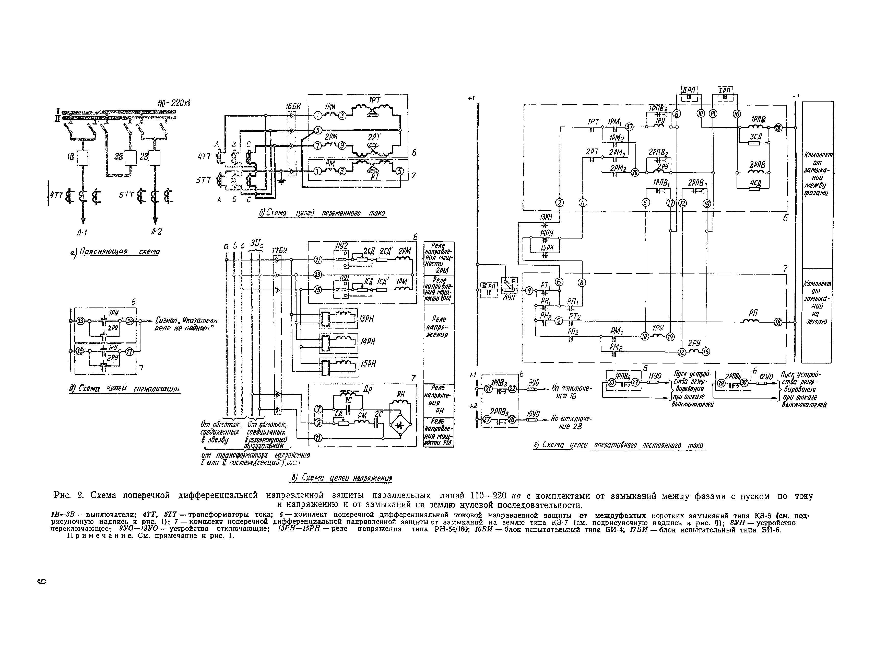
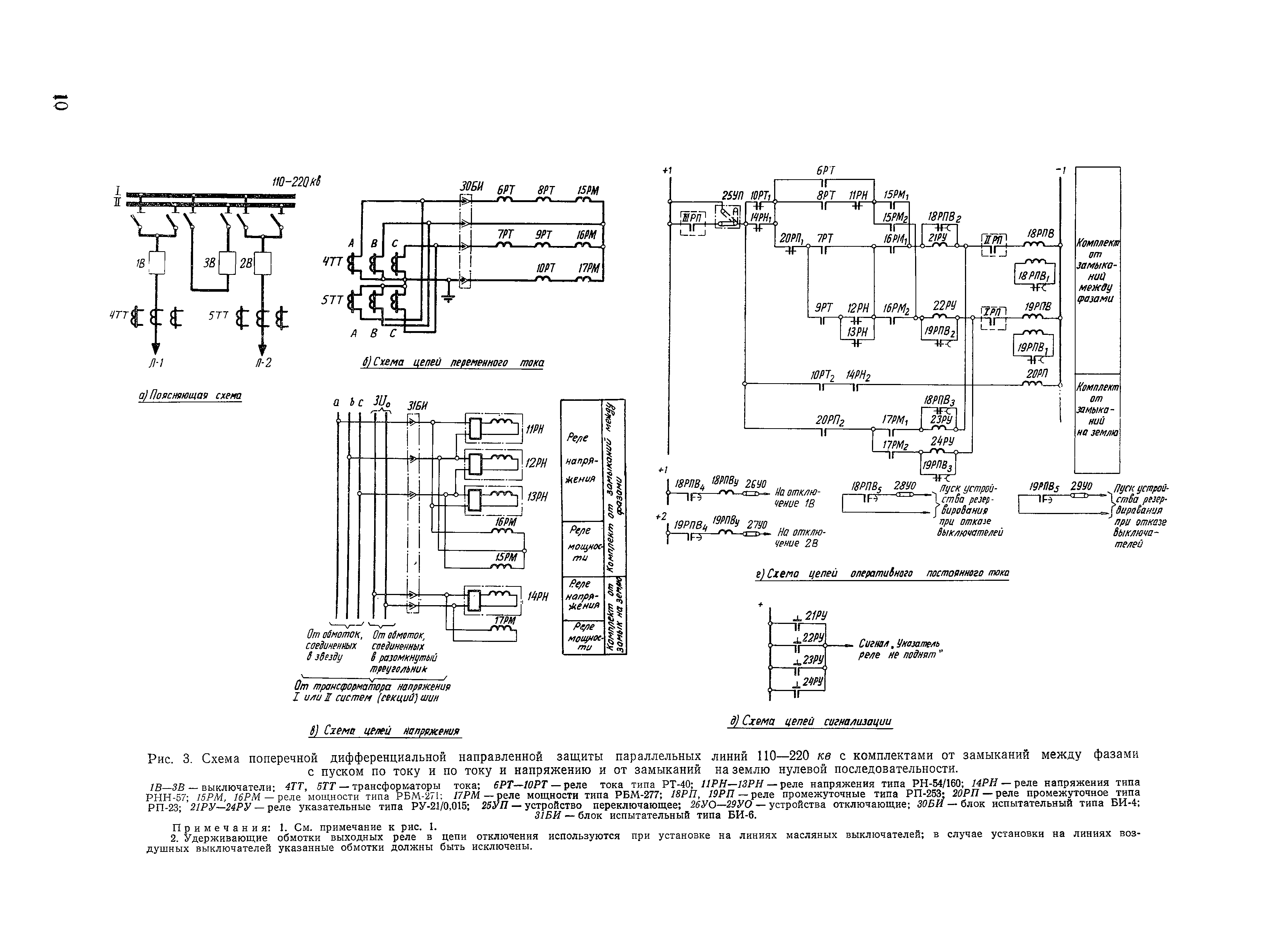
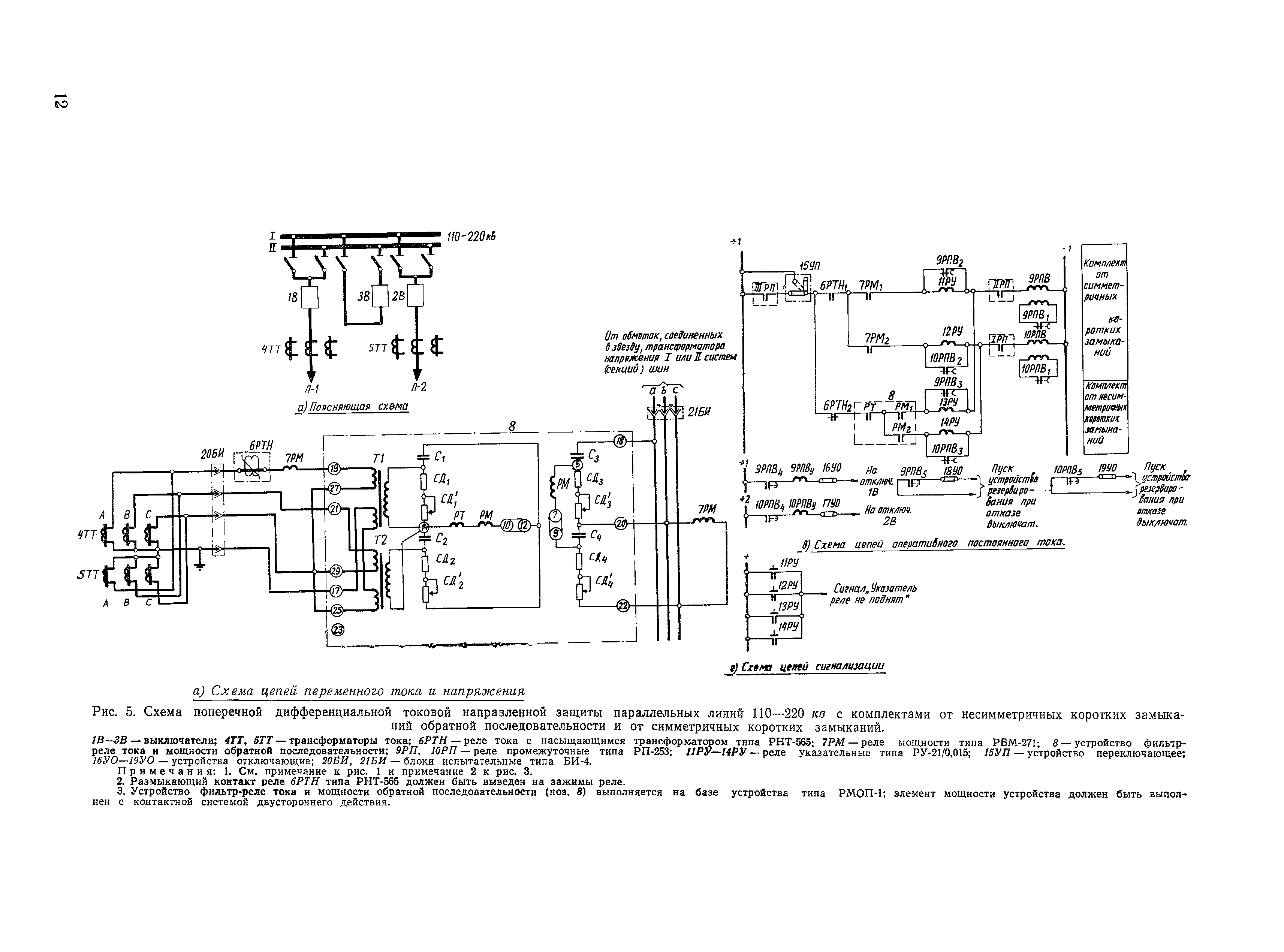
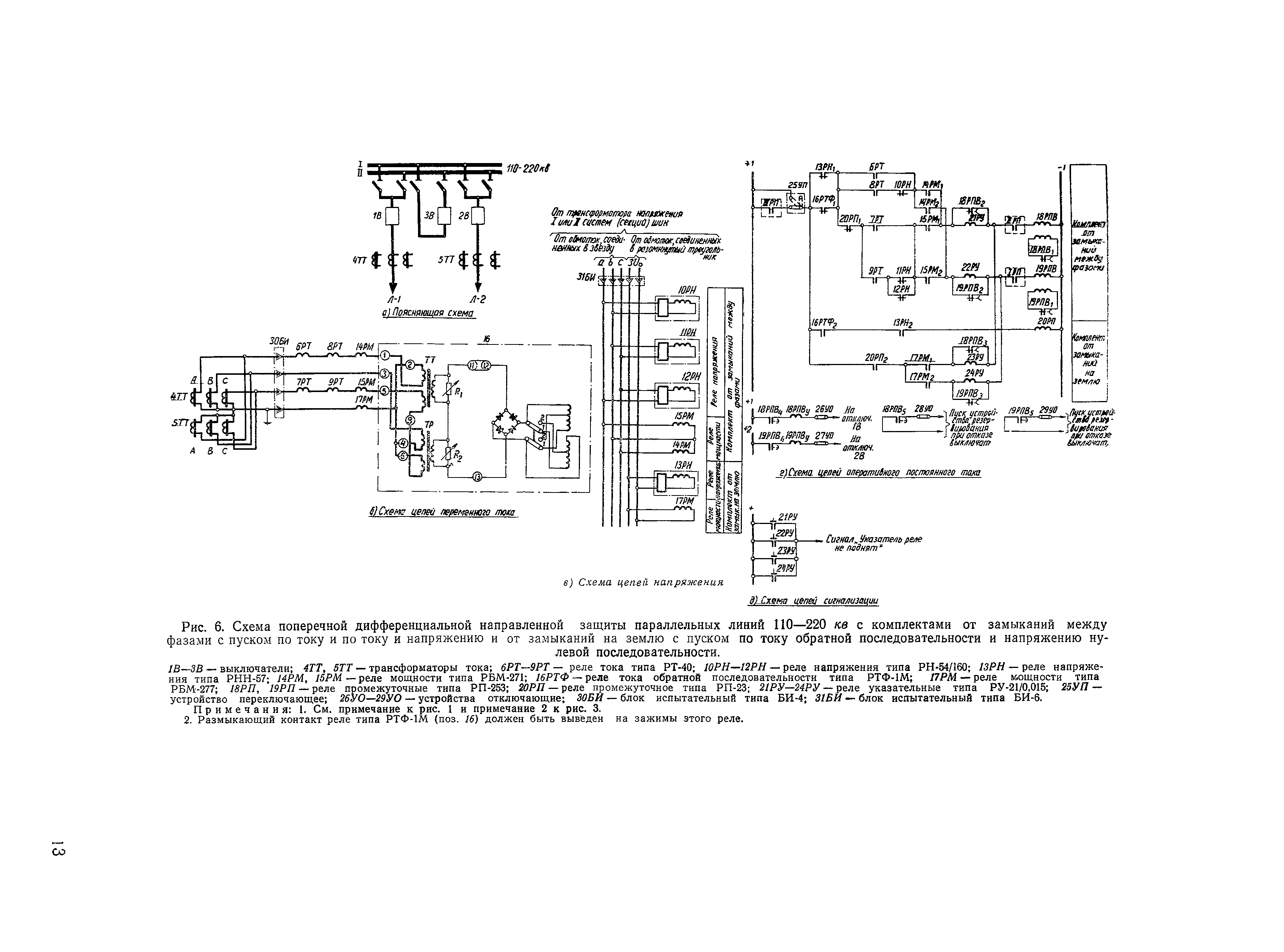
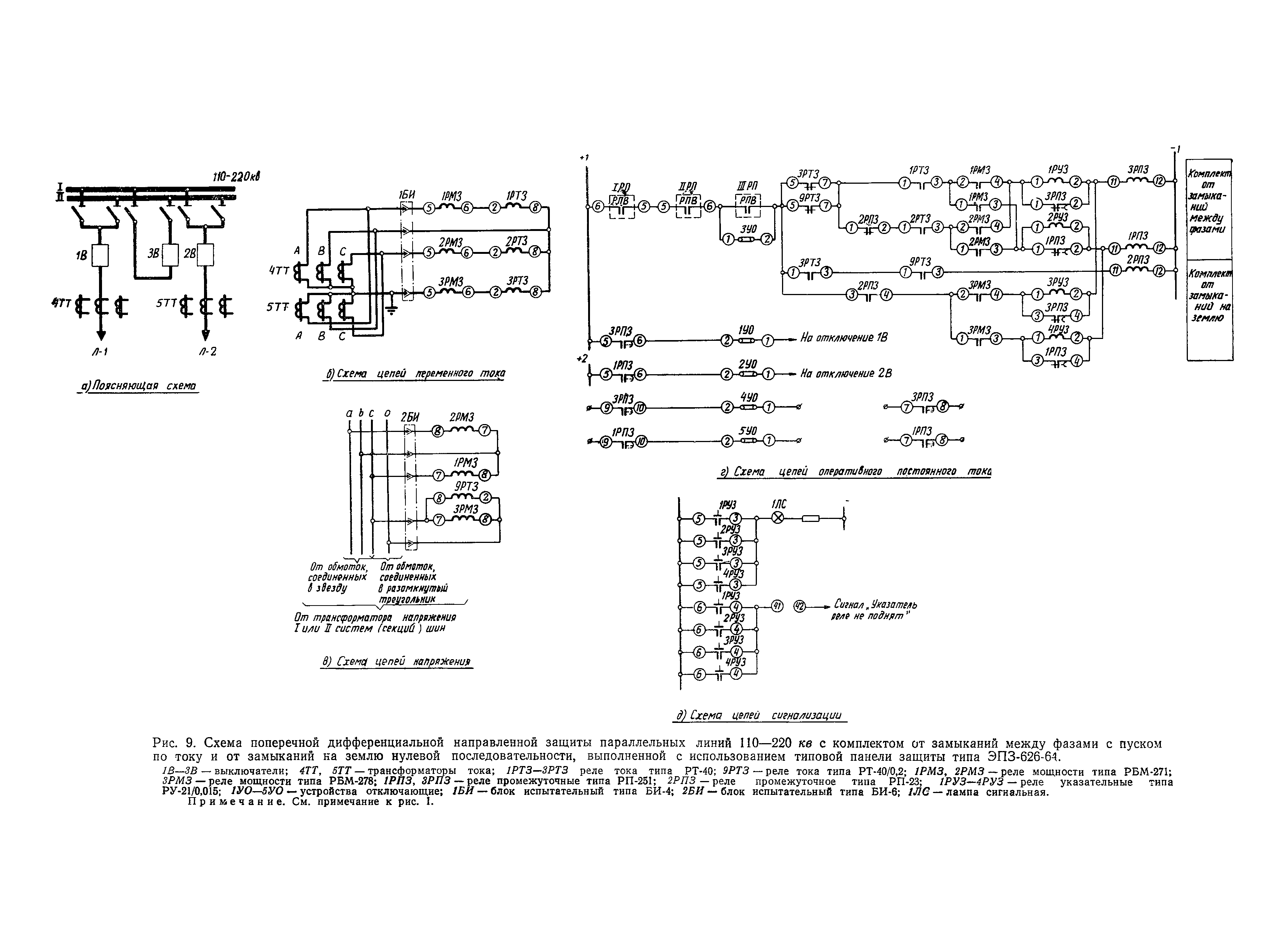
| Область применения: | В выпуске приведены схемы поперечной дифференциальной направленной защиты от межфазных коротких замыканий и замыканий на землю, используемой на двух параллельных линиях 110 - 220 кВ в сетях с большим током замыкания на землю, а также от многофазных коротких замыканий, используемой на двух параллельных линиях 35 кВ в сетях с малым током замыкания на землю. Рассмотрены также особенности схем этих защит для двух параллельных линий с ответвлениями. Указания являются рекомендуемым материалом, которому должны следовать как проектные, так и эксплуатационные организации с целью максимального применения типовых решений, удешевления и ускорения строительства электроустановок |
| Оглавление: | Предисловие Глава 1. Схемы поперечной дифференциальной направленной защиты параллельных линий 35 - 220 кВ Глава 2. Расчет поперечной дифференциальной направленной защиты параллельных линий без ответвлений Глава 3. Расчет поперечной дифференциальной направленной защиты параллельных линий с ответвлениями Приложение 1. Расчетные условия отстройки комплекта от замыканий между фазами от токов неповрежденных фаз при каскадном отклонении коротких замыканий Приложение 2. Определение коэффициента Бетта для тока небаланса в реле тока комплекта от замыканий на землю и в устройстве фильтр-реле тока и мощности обратной последовательности комплекта от несимметричных повреждений Приложение 3. Расчетные условия для определения чувствительности реле тока пусковых органов поперечной дифференциальной направленной защиты Приложение 4. Оценка чувствительности реле направления мощности комплекта от замыканий на землю Приложение 5. Область применимости поперечной дифференциальной направленной защиты параллельных линий с минимальным пуском напряжения Приложение 6. Расчетные условия для определения чувствительности реле напряжения пускового органа комплекта от замыканий на землю Приложение 7. Вывод соотношений между коэффициентом чувствительности при коротком замыкании в точке одинаковой чувствительности в режиме с включенными выключателями с обеих сторон поврежденной линии и значением зоны каскадного действия Приложение 8. Определение расчетного режима для отстройки реле напряжения пускового органа комплекта от замыканий между фазами от повреждений за трансформатором промежуточной подстанции Приложение 9. Специальные схемы замещения параллельных линий с ответвлениями для анализа поперечных дифференциальных защит Приложение 10. Вывод расчетного выражения для определения зоны каскадного действия поперечной дифференциальной направленной защиты на параллельных линиях с ответвлениями Приложение 11. Схема поперечной дифференциальной направленной защиты параллельных линий 110 - 220 кВ с комплектами от замыканий между фазами с пуском по току и от замыканий между фазами с пуском по току и от замыканий между фазами с пуском по току и от замыканий на землю нулевой последовательности для случая перевода защиты на обходной выключатель |


























































