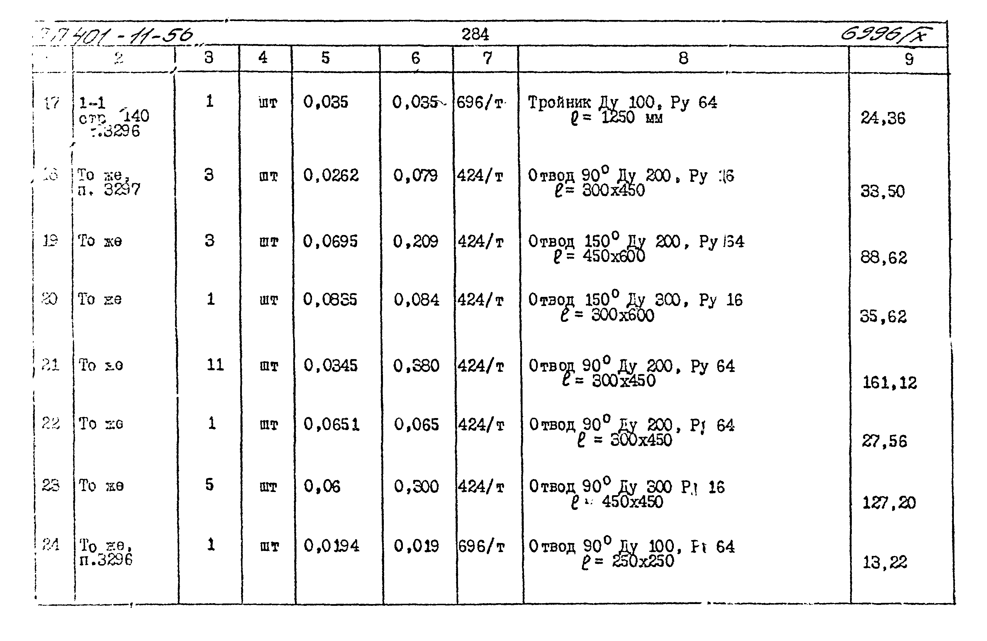
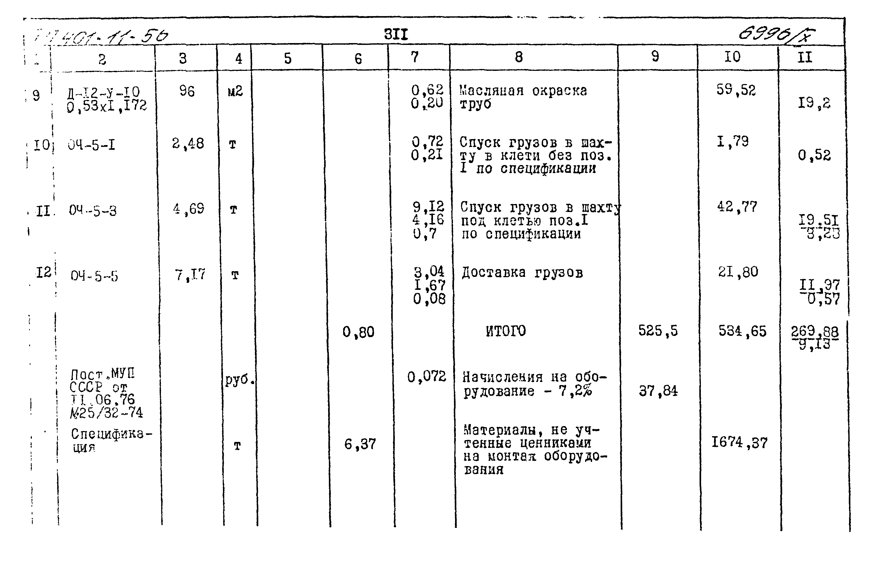
Скачать Типовой проект 401-11-56 Альбом X. Водоотливная установка на 3 агрегата. СметыДата актуализации: 01.01.2021 Типовой проект 401-11-56
Альбом X. Водоотливная установка на 3 агрегата. Сметы| Обозначение: | Типовой проект 401-11-56 | | Обозначение англ: | 401-11-56 | | Статус: | не действует | | Название рус.: | Альбом X. Водоотливная установка на 3 агрегата. Сметы | | Дата добавления в базу: | 01.01.2021 | | Дата актуализации: | 01.01.2021 | | Дата введения: | 24.11.1976 | | Дата окончания срока действия: | 01.01.1986 | | Разработан: | Южгипрошахт
| | Утверждён: | 16.07.1975 Минуглепром СССР (USSR Minugleprom )
| | Заменяет собой: | |
                                                                                                                                                                                                                                                                                                                                                        
|