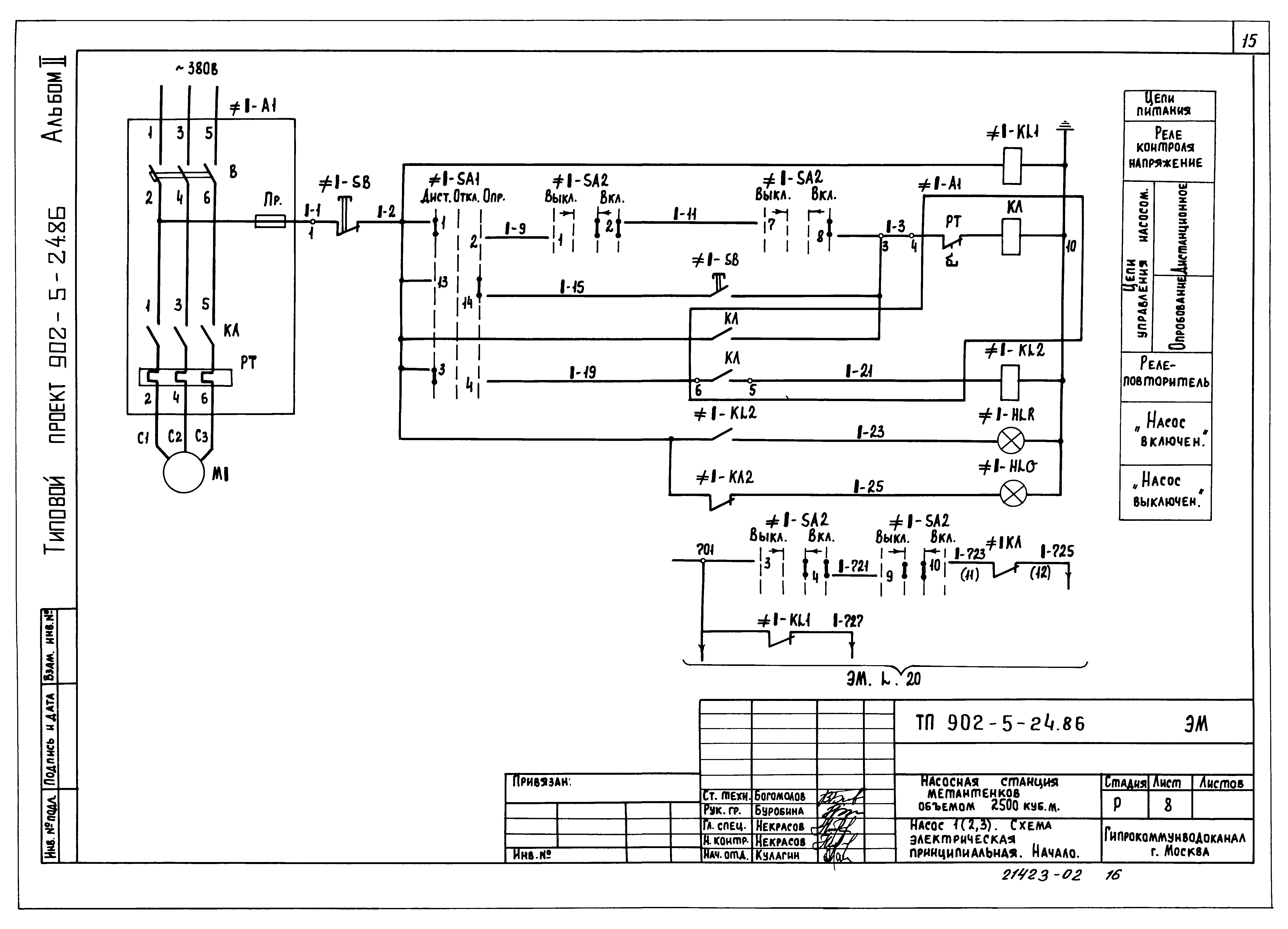
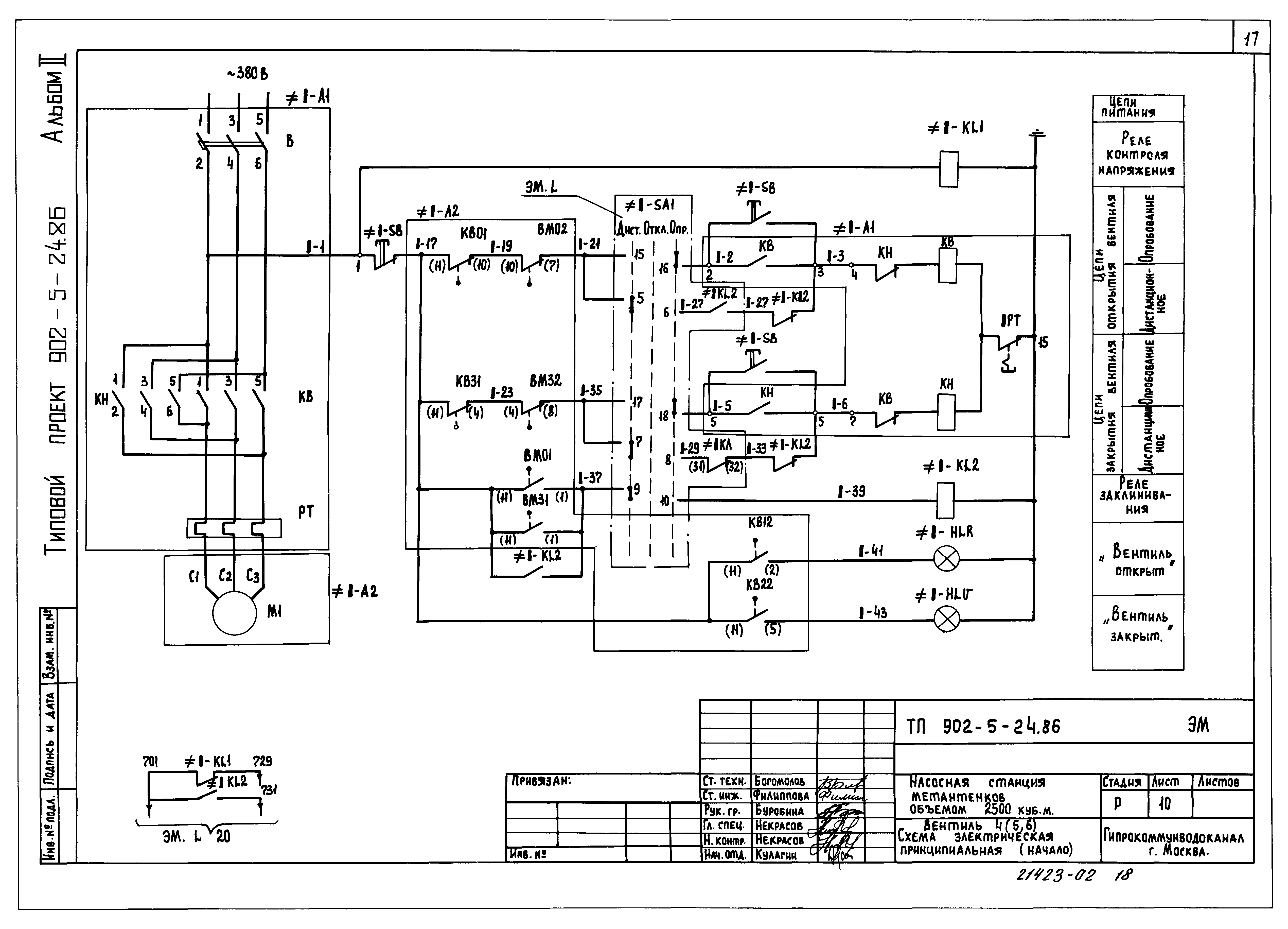
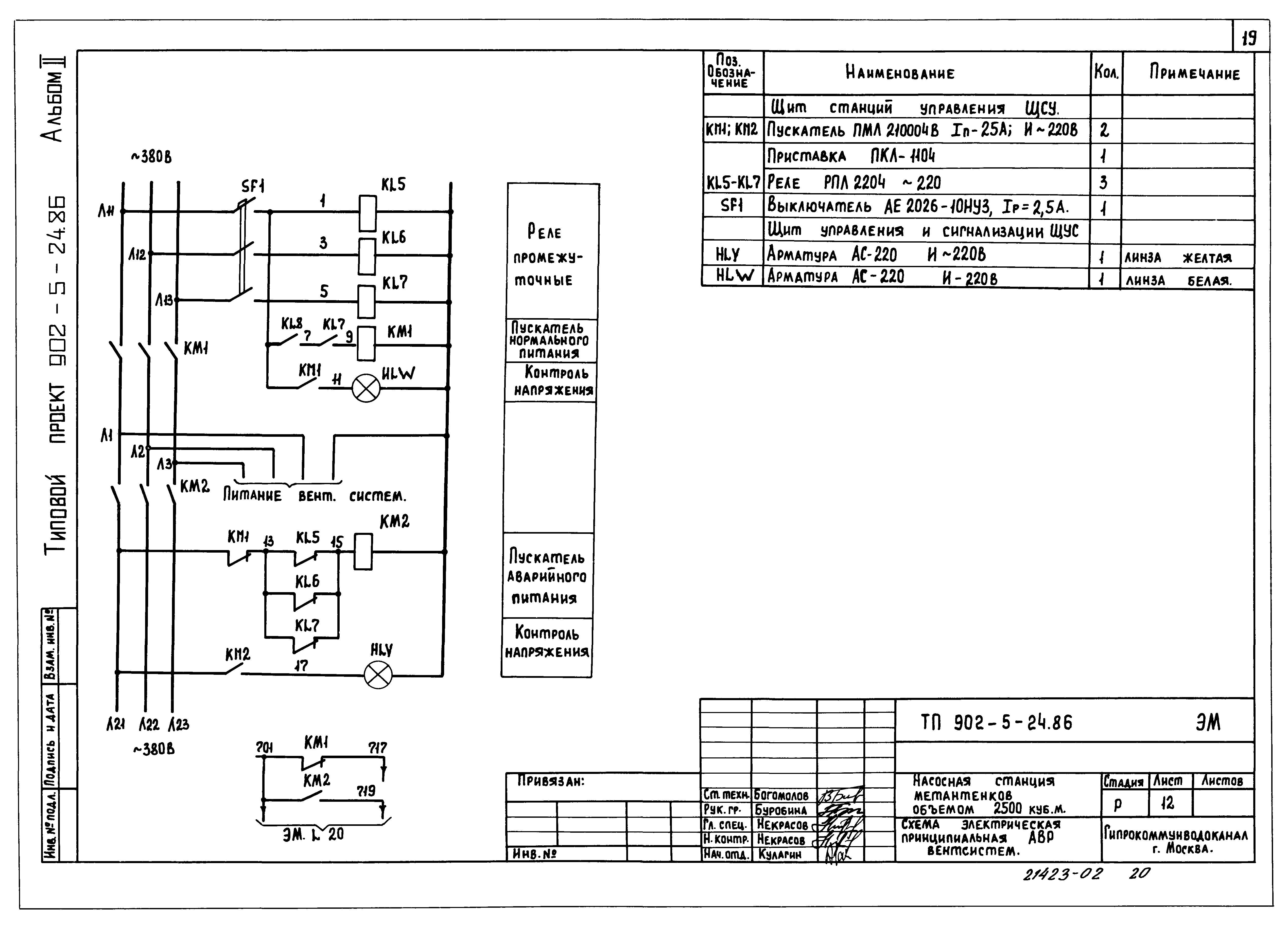
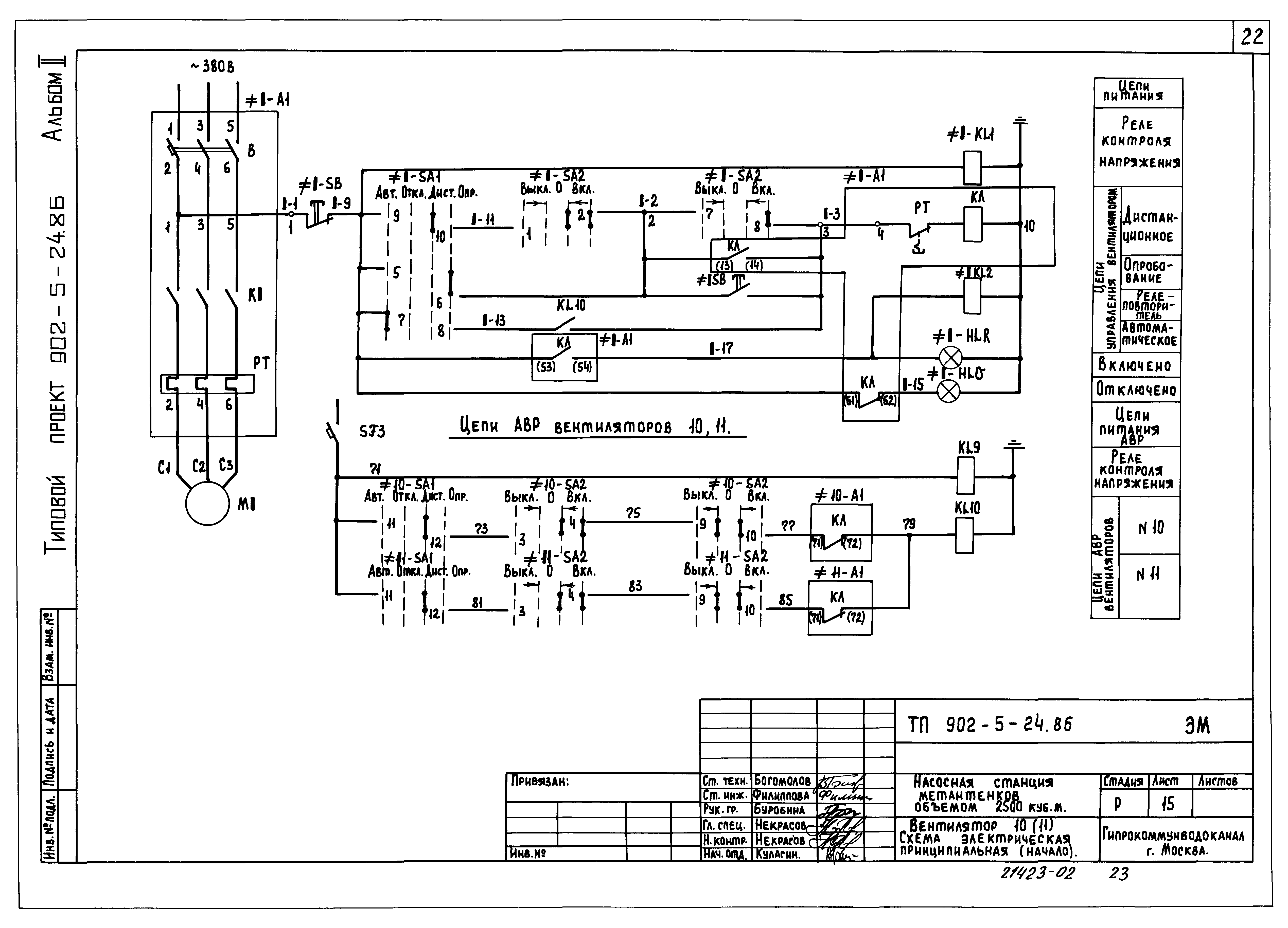
Скачать Типовой проект 902-5-24.86 Альбом II. Электротехнические решения, автоматизация, технологический контроль. Чертежи монтажной зоныДата актуализации: 01.01.2021 Типовой проект 902-5-24.86
Альбом II. Электротехнические решения, автоматизация, технологический контроль. Чертежи монтажной зоны| Обозначение: | Типовой проект 902-5-24.86 | | Обозначение англ: | 902-5-24.86 | | Статус: | не определен законодательством | | Название рус.: | Альбом II. Электротехнические решения, автоматизация, технологический контроль. Чертежи монтажной зоны | | Дата добавления в базу: | 01.01.2021 | | Дата актуализации: | 01.01.2021 | | Дата введения: | 12.03.1986 | | Дата окончания срока действия: | 30.06.2003 | | Разработан: | Гипрокоммунводоканал Минжилкомхоза РСФСР
| | Утверждён: | 04.03.1986 Минжилкомхоз РСФСР (Russian Federation Minzhilkomkhoz 111)
| | Издан: | ЦИТП Госстроя СССР (CITP, Gosstroy (USSR) 1988 г. )
|
                                                                  
|