Скачать 10362 тм-т17 Фундаменты из свай с закрылкамиДата актуализации: 01.01.2021
|
| Обозначение: | 10362 тм-т17 |
| Обозначение англ: | 10362 тм-т17 |
| Статус: | справочные материалы, мп, тпр |
| Название рус.: | Фундаменты из свай с закрылками |
| Дата добавления в базу: | 01.01.2021 |
| Дата актуализации: | 01.01.2021 |
| Область применения: | В работе даны описание конструкций, указания по подбору фундаментов, соображения по технологии производстве работ, а также комплексная экономическая оценка эффективности применения фундаментов из свай с закрылками. |
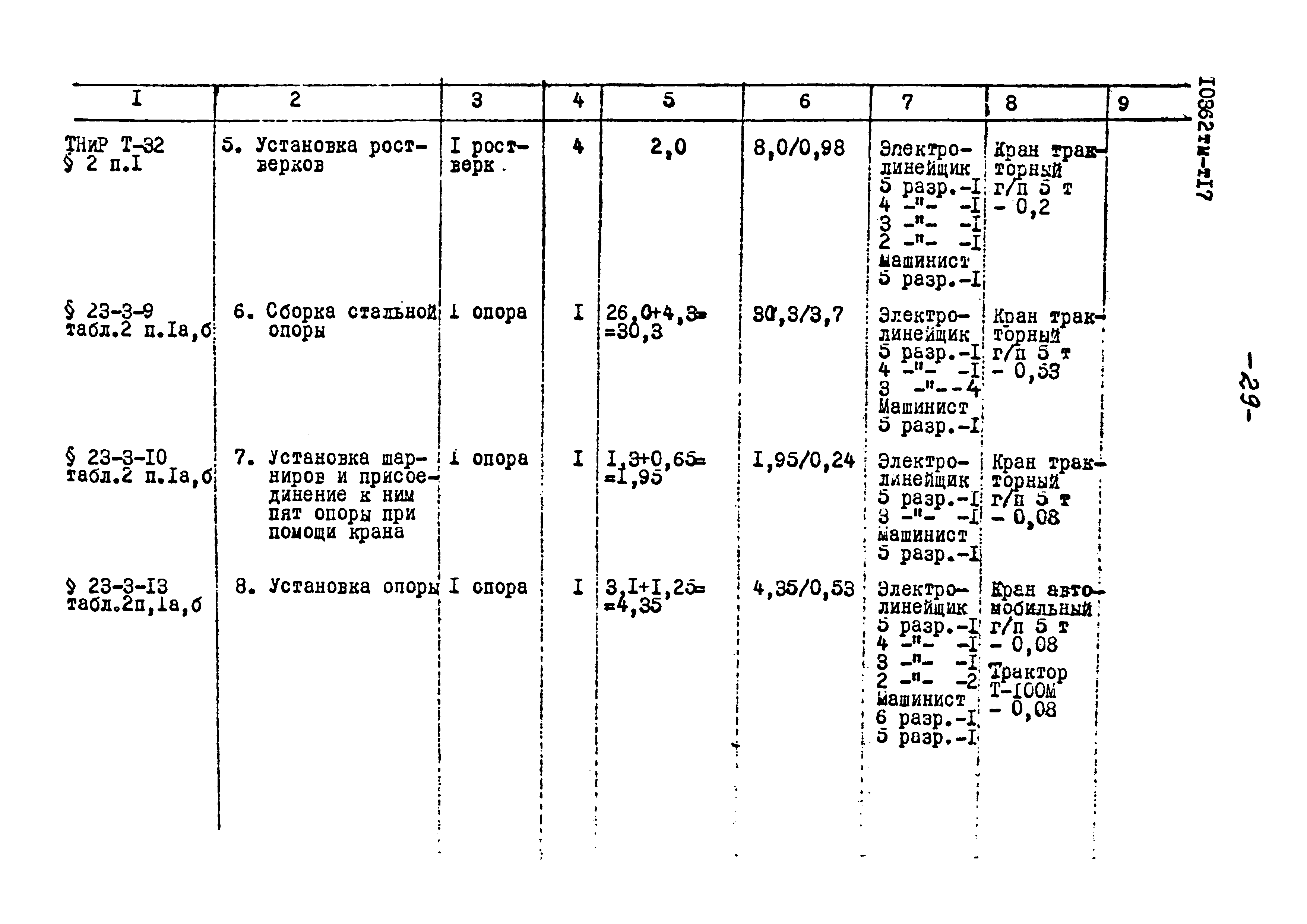
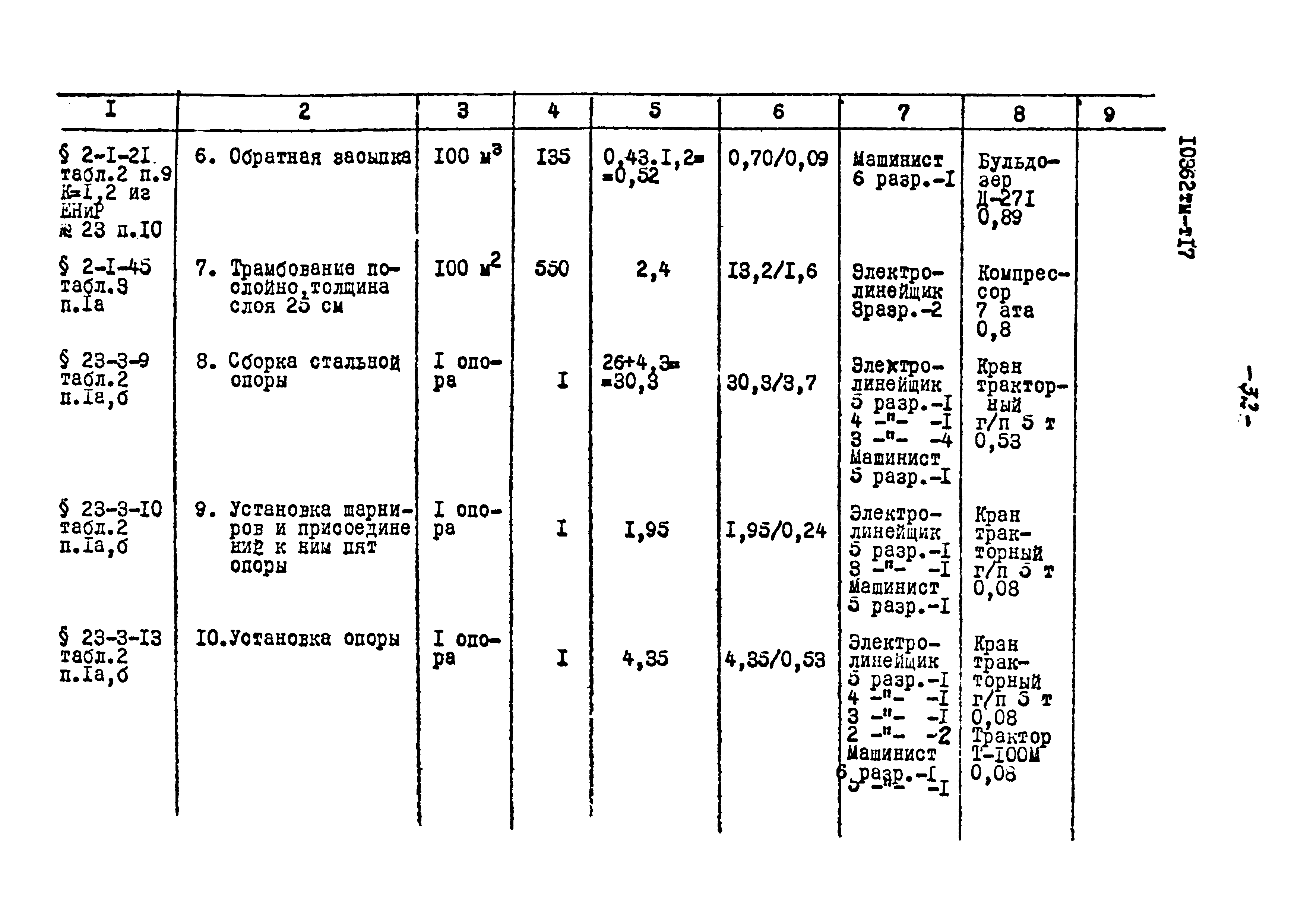
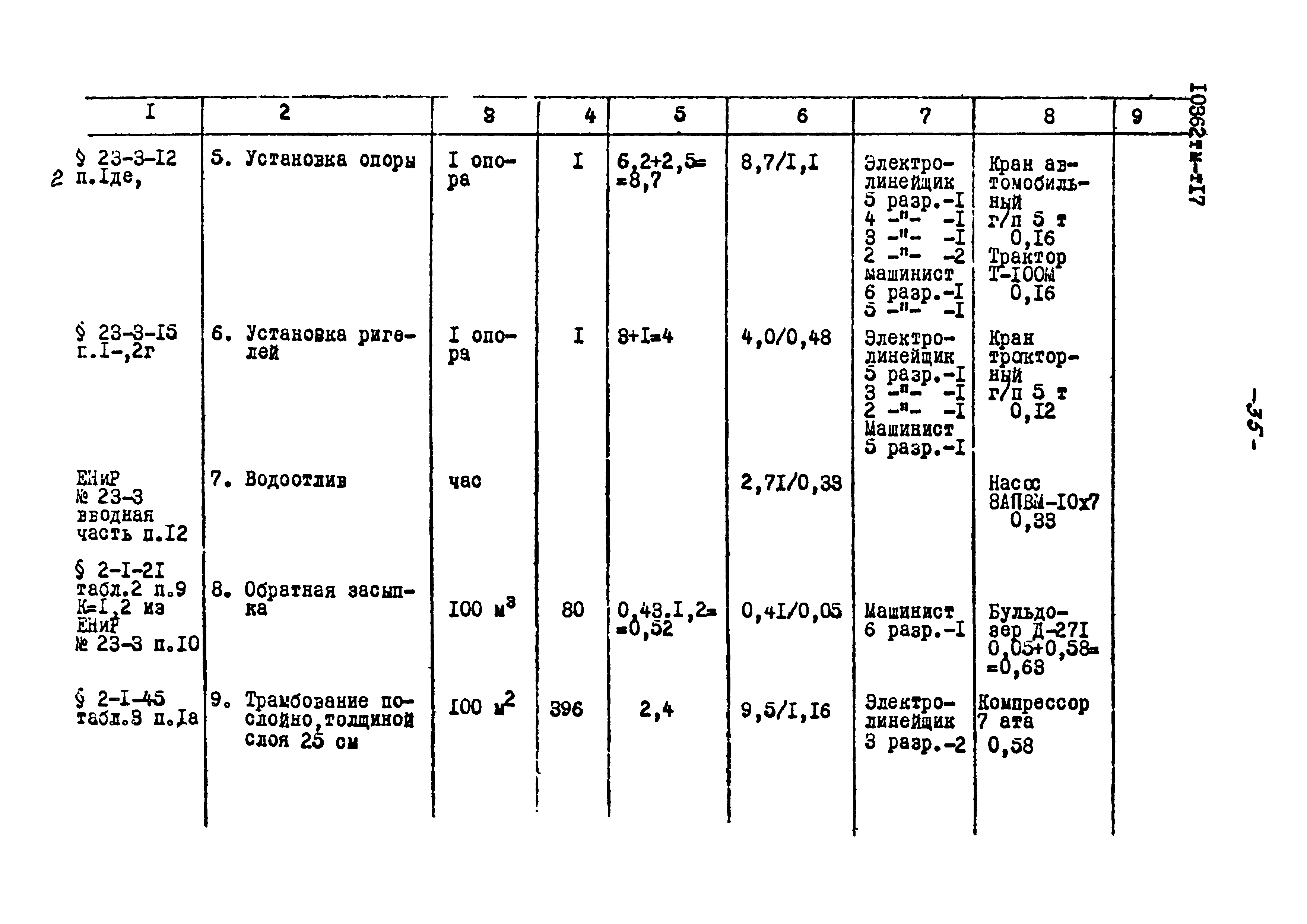
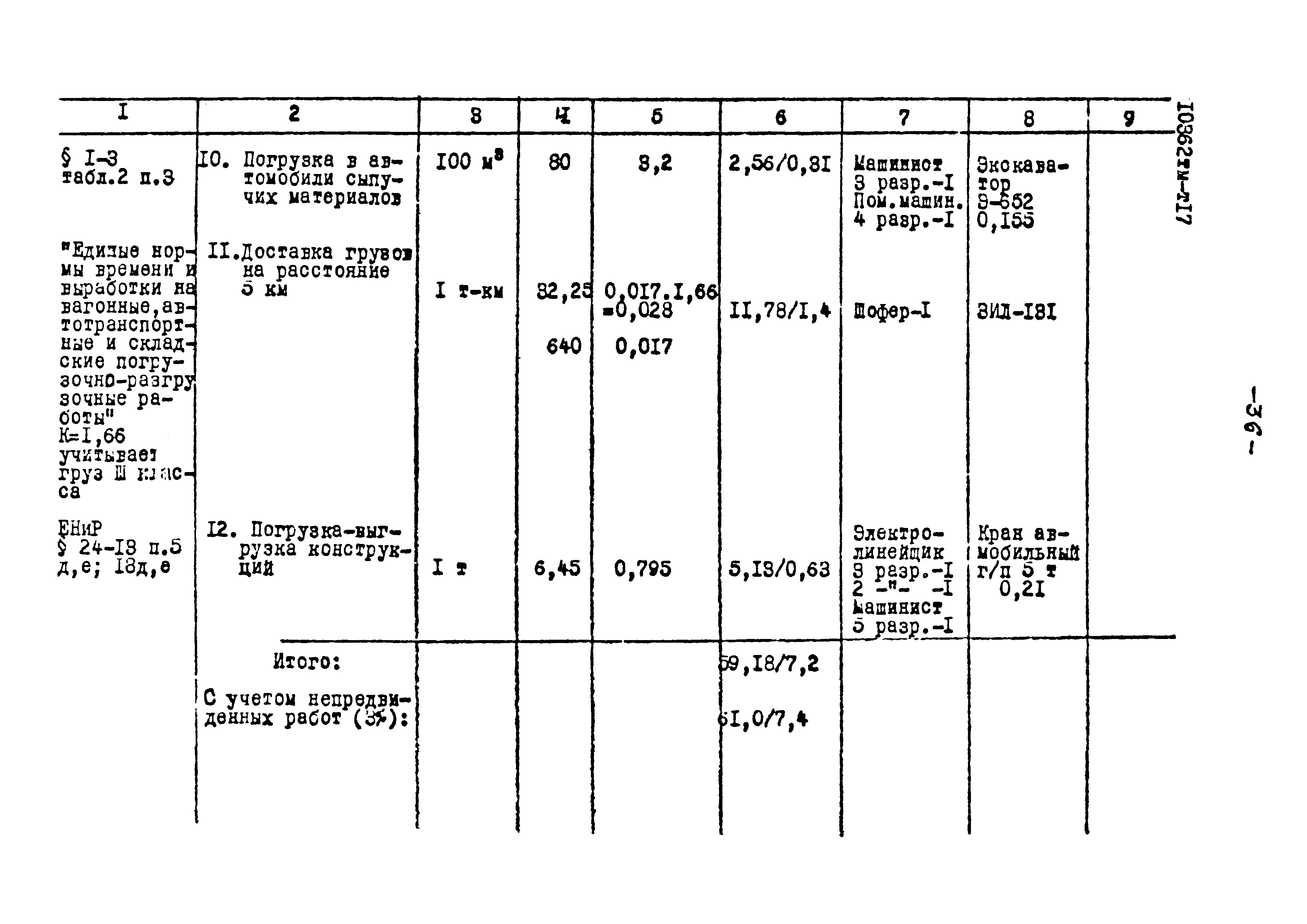
| Оглавление: | Аннотация Пояснительная записка 1 Назначение и область применения 2 Сущость нового технического решения 3 Описание конструкций 4 Основные данные об изготовлении и материалах конструкций 5 Указания по подбору фундаментов 6 Соображения по технологии производства работ и организации строительного процесса 7 Комплексная экономическая оценка эффективности свай с закрылками Приложение 1. Сваи с закрылками. Геометрические размеры и расход материалов Приложение 2. Закрепление стоек типа СК1, СК2, СК3 и СЦ с применением свай с закрылками Приложение 3. Закрепление стоек типа СК4, СК5 СК6 и СК7 с применением свай с закрылками Приложения 4.5. Таблица несущей способности закреплений с применением свай с закрылками. 1 случай установки Приложения 6.7. Таблица несущей способности закреплений с применением свай с закрылками. 2 случай установки 8 График несущей способности свай,исходя из деформаций основания |
| Разработан: | Энергосетьпроект |
| Утверждён: | Энергосетьпроект (Energosetproject ) |



































































