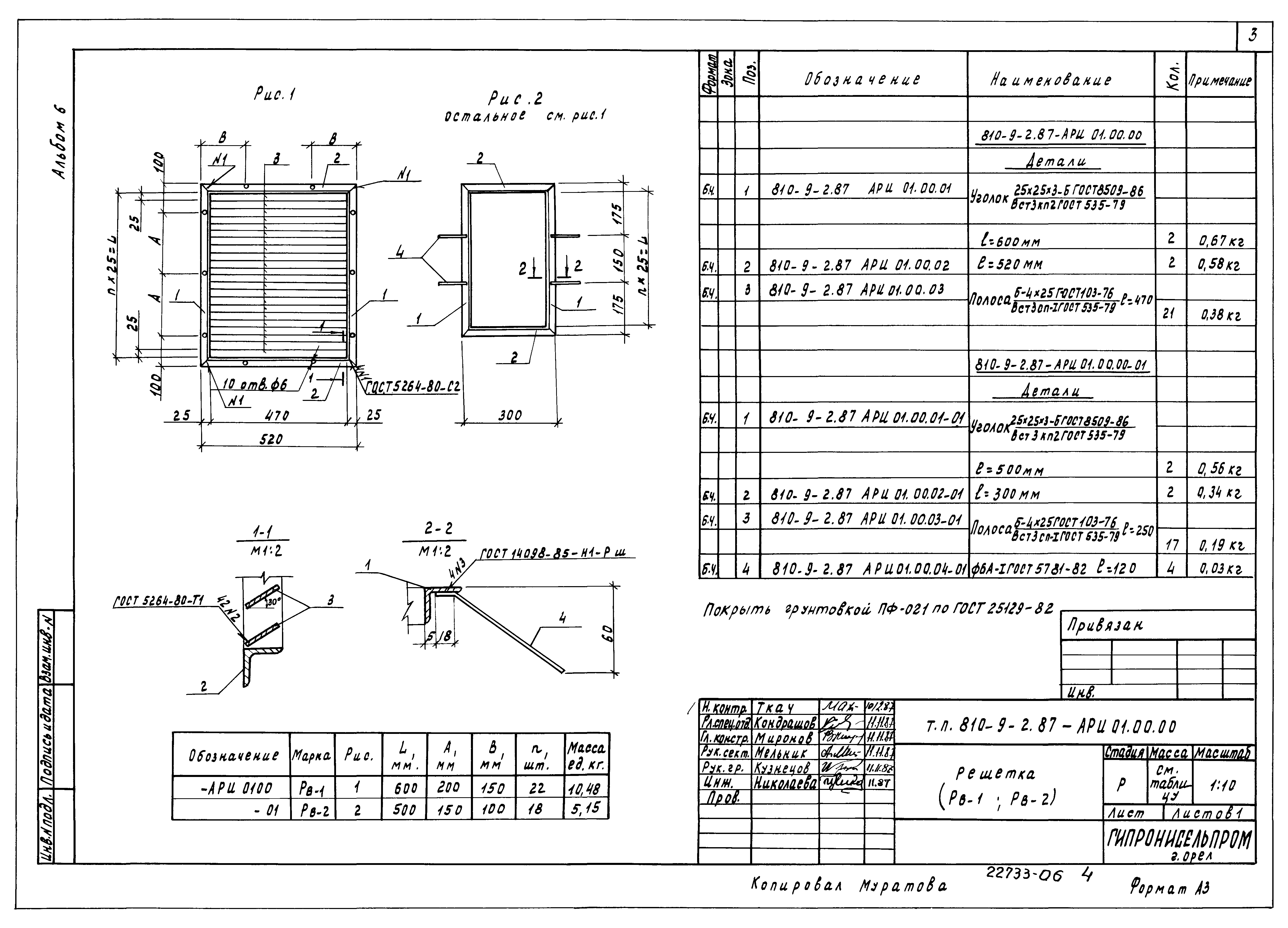
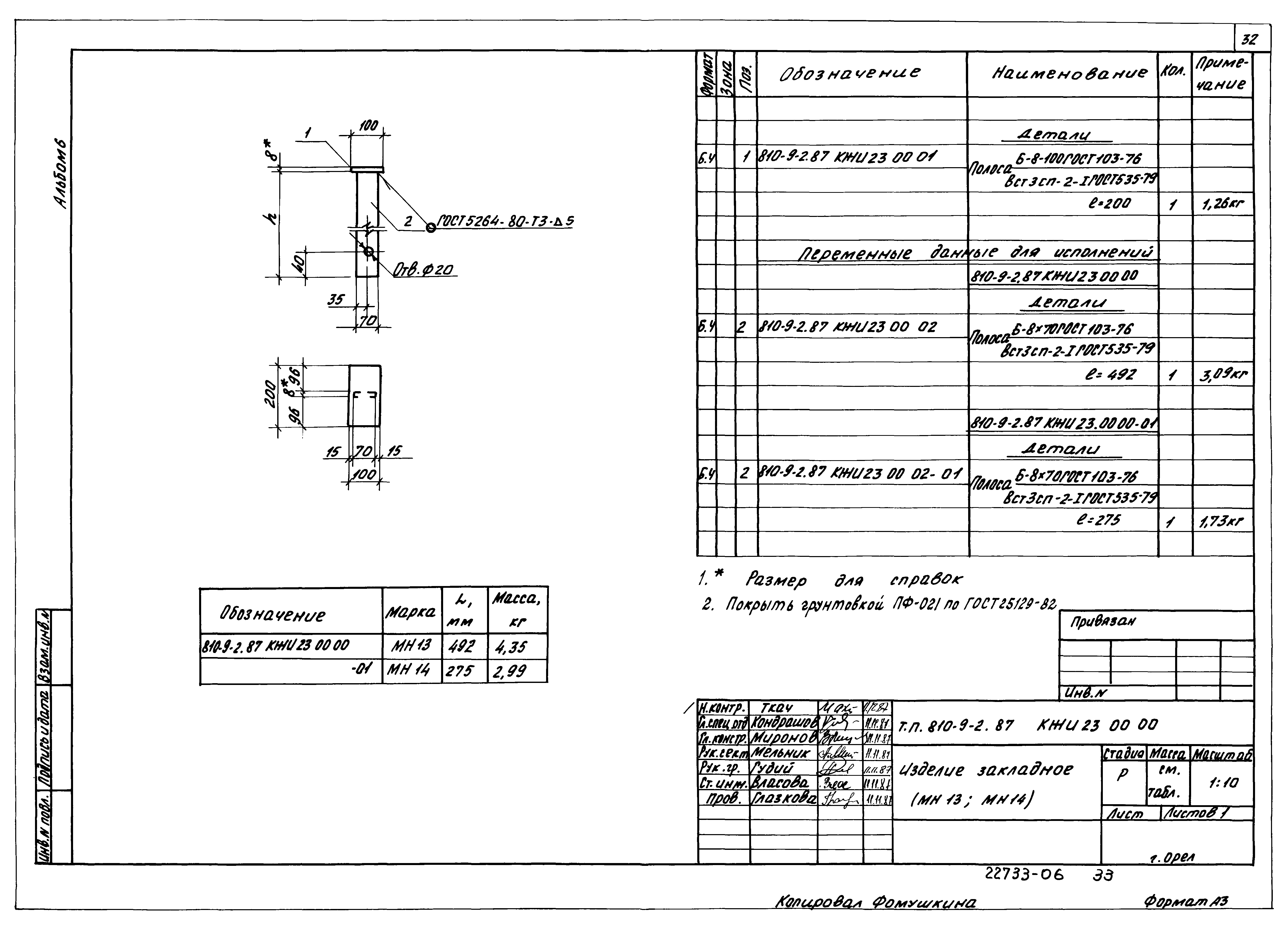
Скачать Типовой проект 810-9-2.87 Альбом 6. Строительные изделияДата актуализации: 01.01.2021
|
| Обозначение: | Типовой проект 810-9-2.87 |
| Обозначение англ: | 810-9-2.87 |
| Статус: | не определен законодательством |
| Название рус.: | Альбом 6. Строительные изделия |
| Дата добавления в базу: | 01.01.2021 |
| Дата актуализации: | 01.01.2021 |
| Дата введения: | 14.12.1987 |
| Дата окончания срока действия: | 30.06.2003 |
| Разработан: | ФГУП Гипронисельпром (Гипронисельпром) |
| Утверждён: | 28.08.1987 Госагропром СССР (USSR Gosagroprom 805-42/14) |
| Издан: | ЦИТП Госстроя СССР (CITP, Gosstroy (USSR) 1988 г. ) |














































