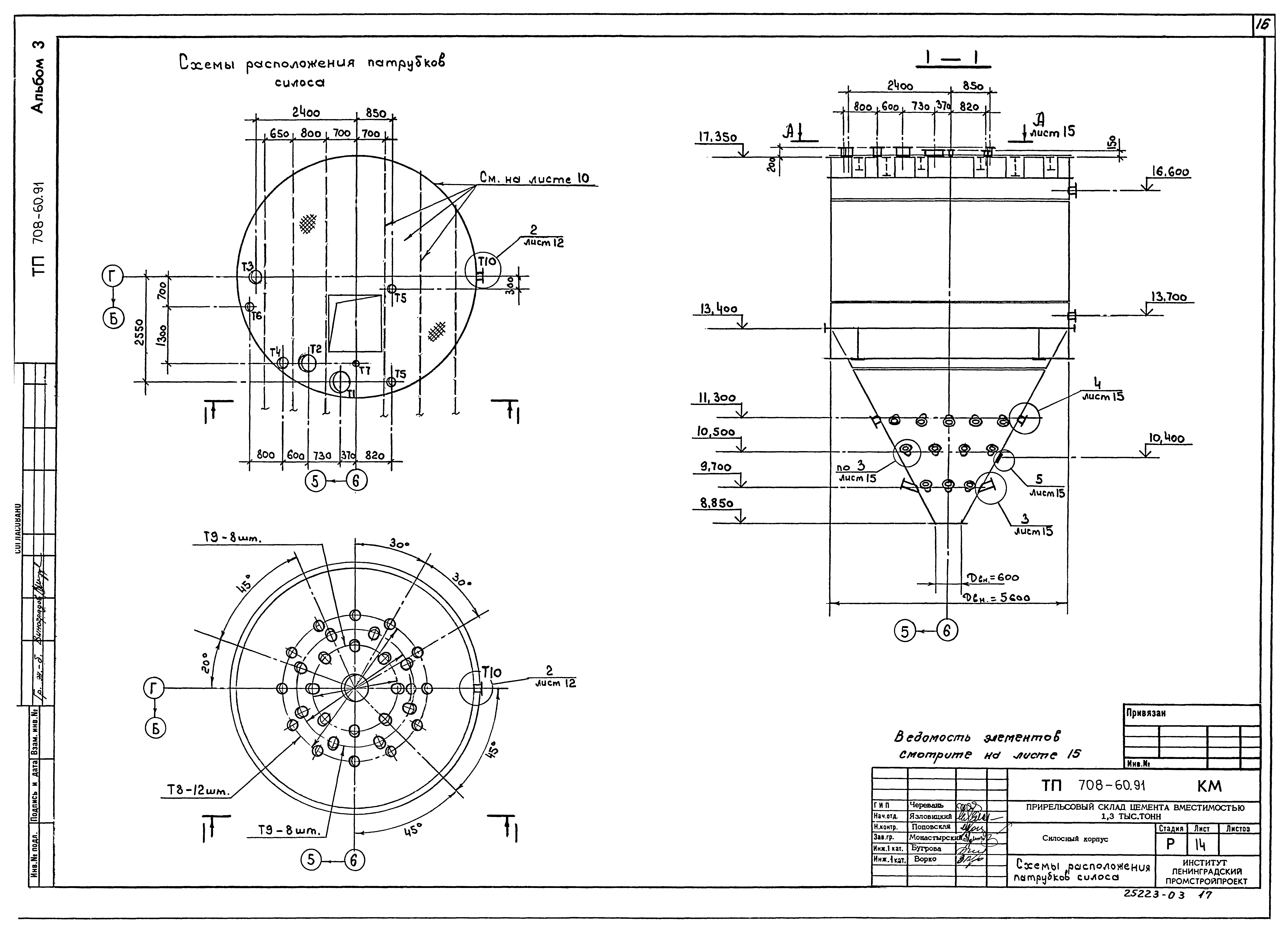
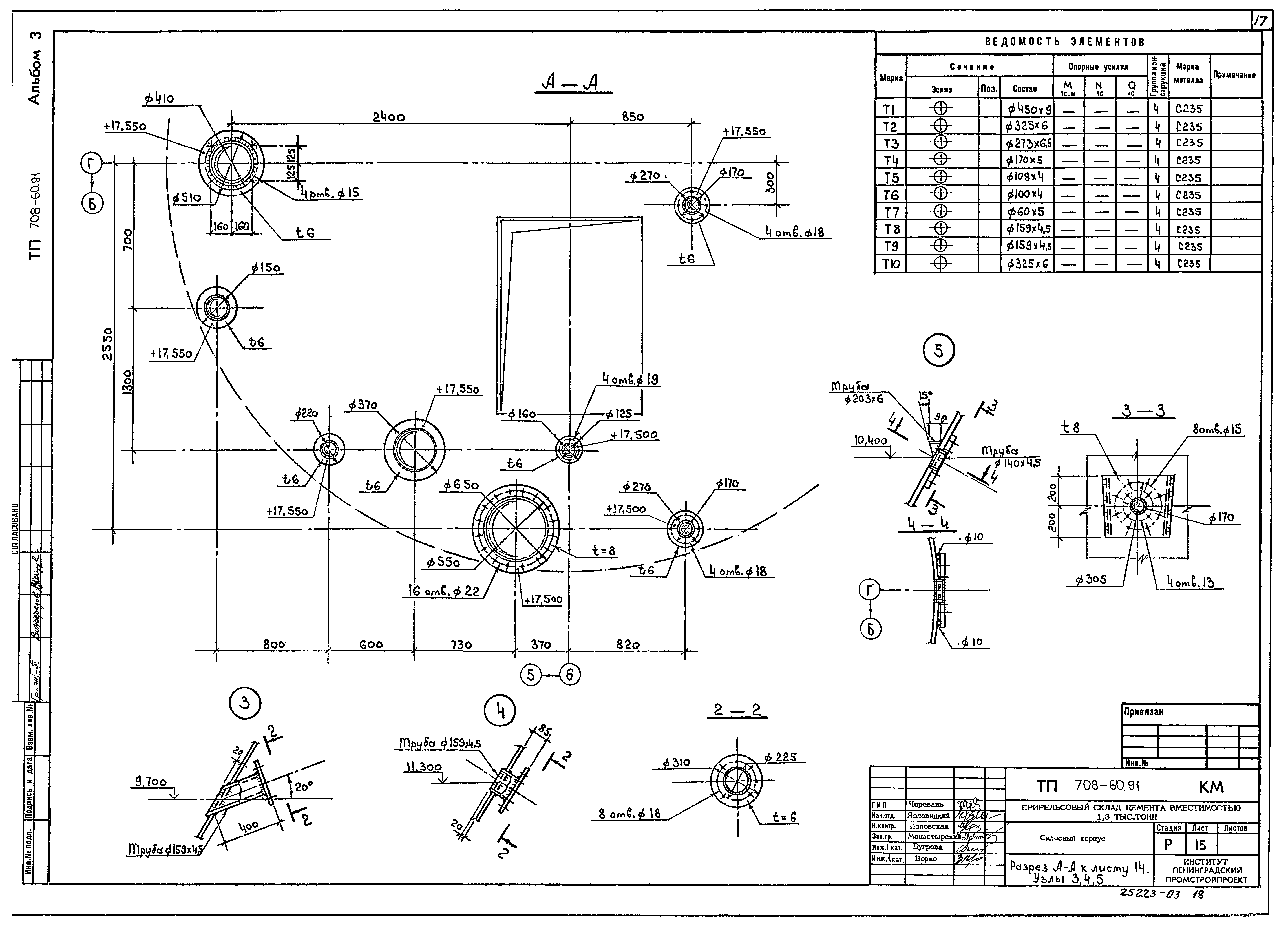
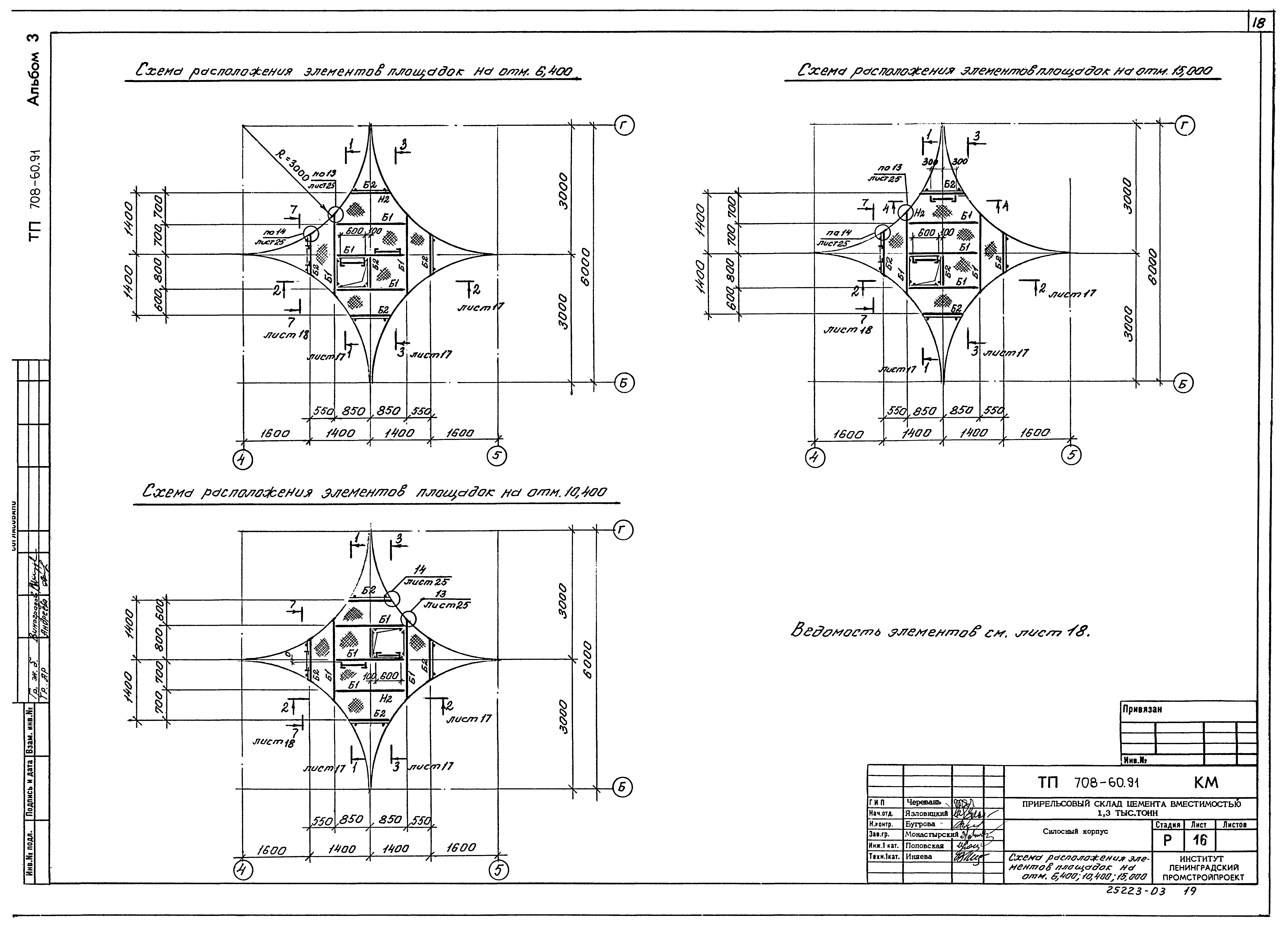
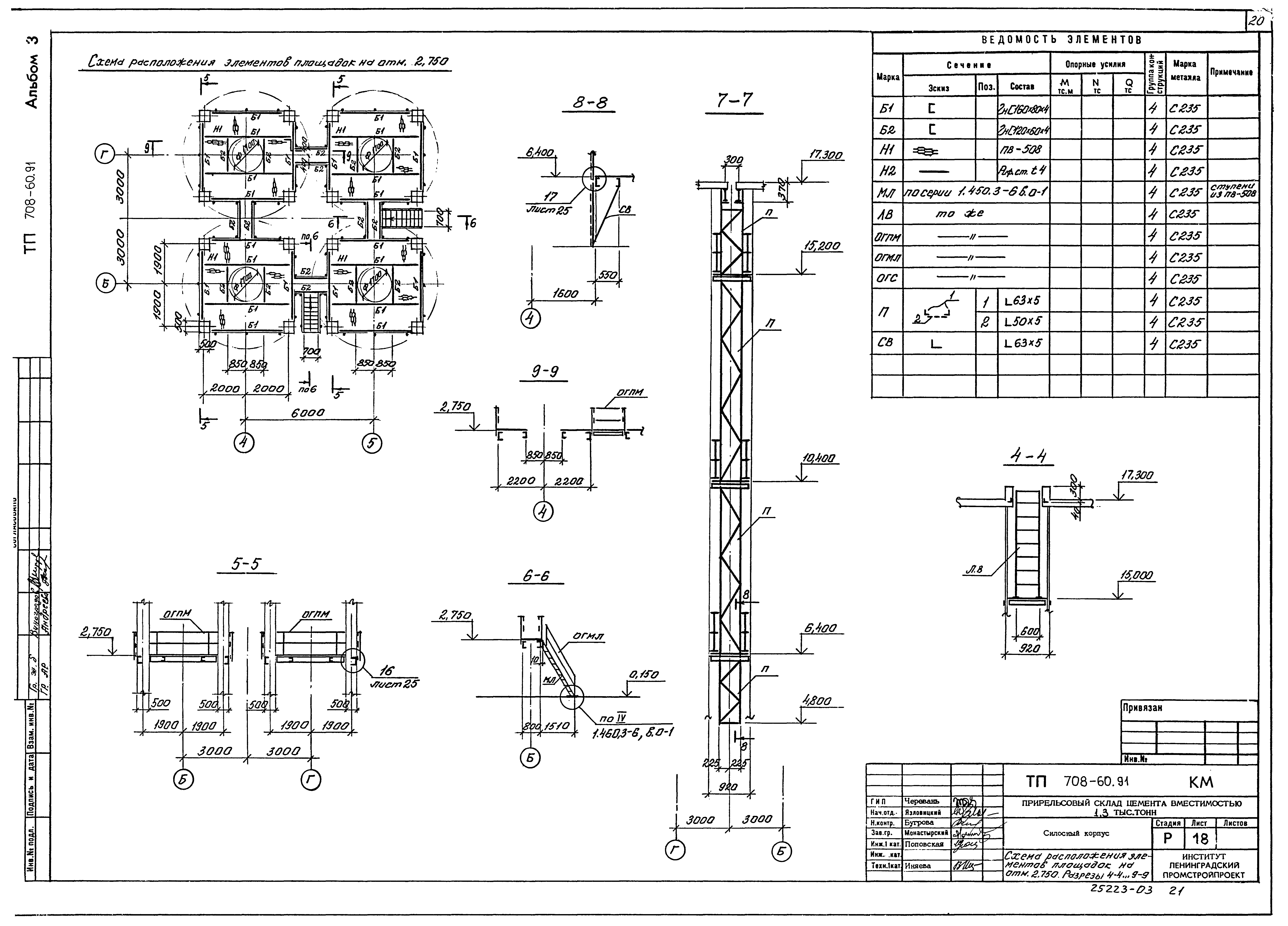
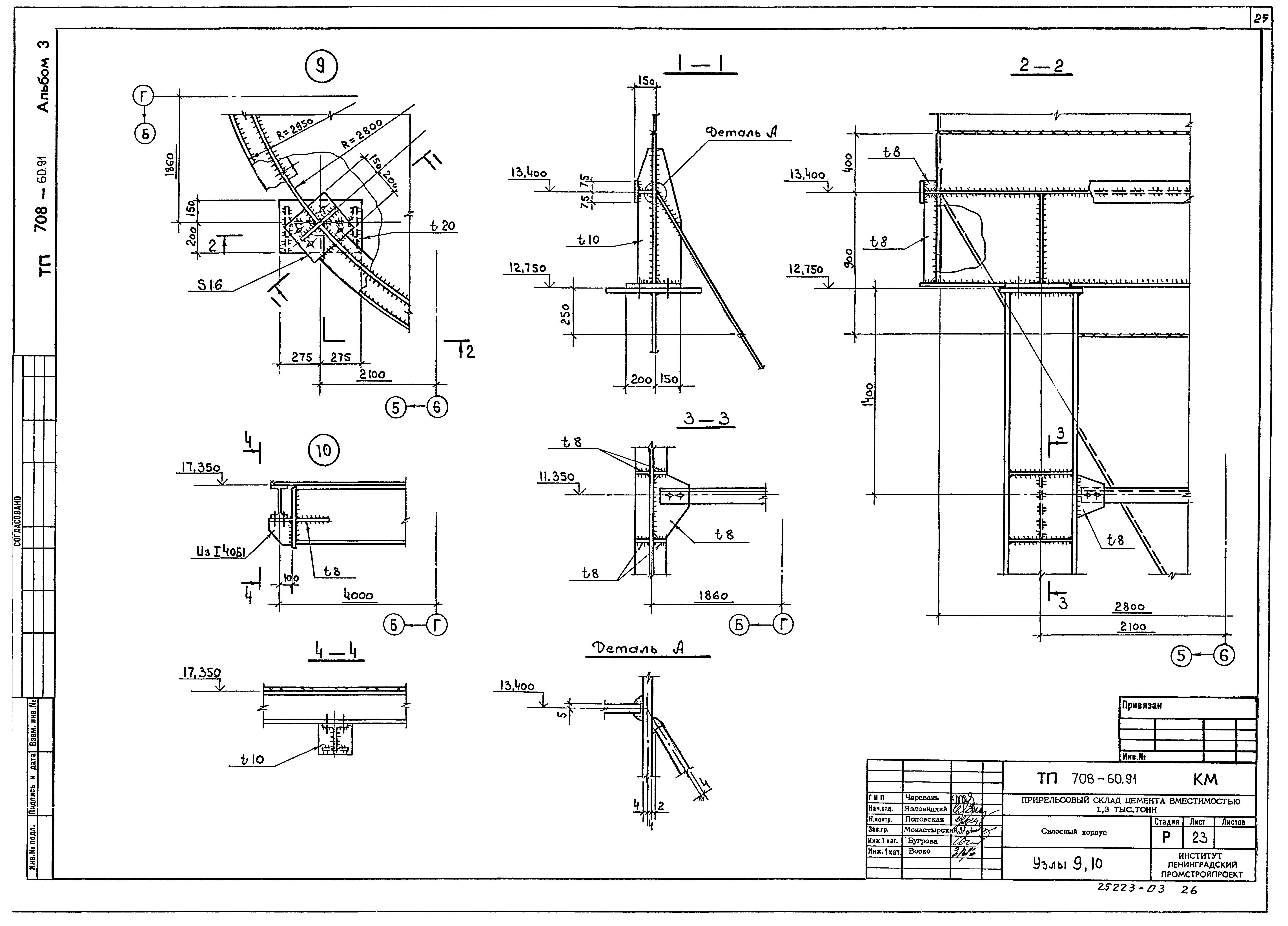
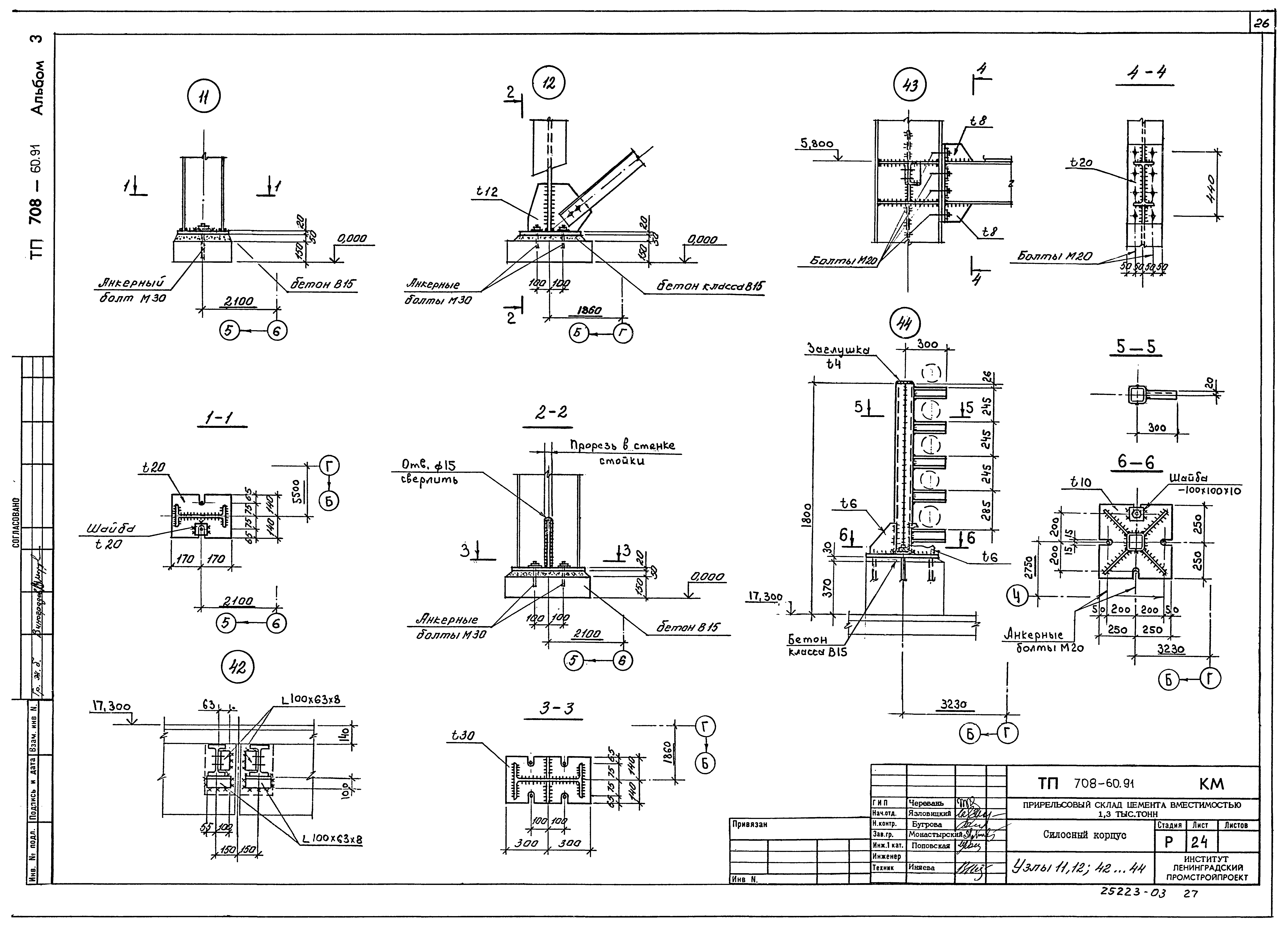
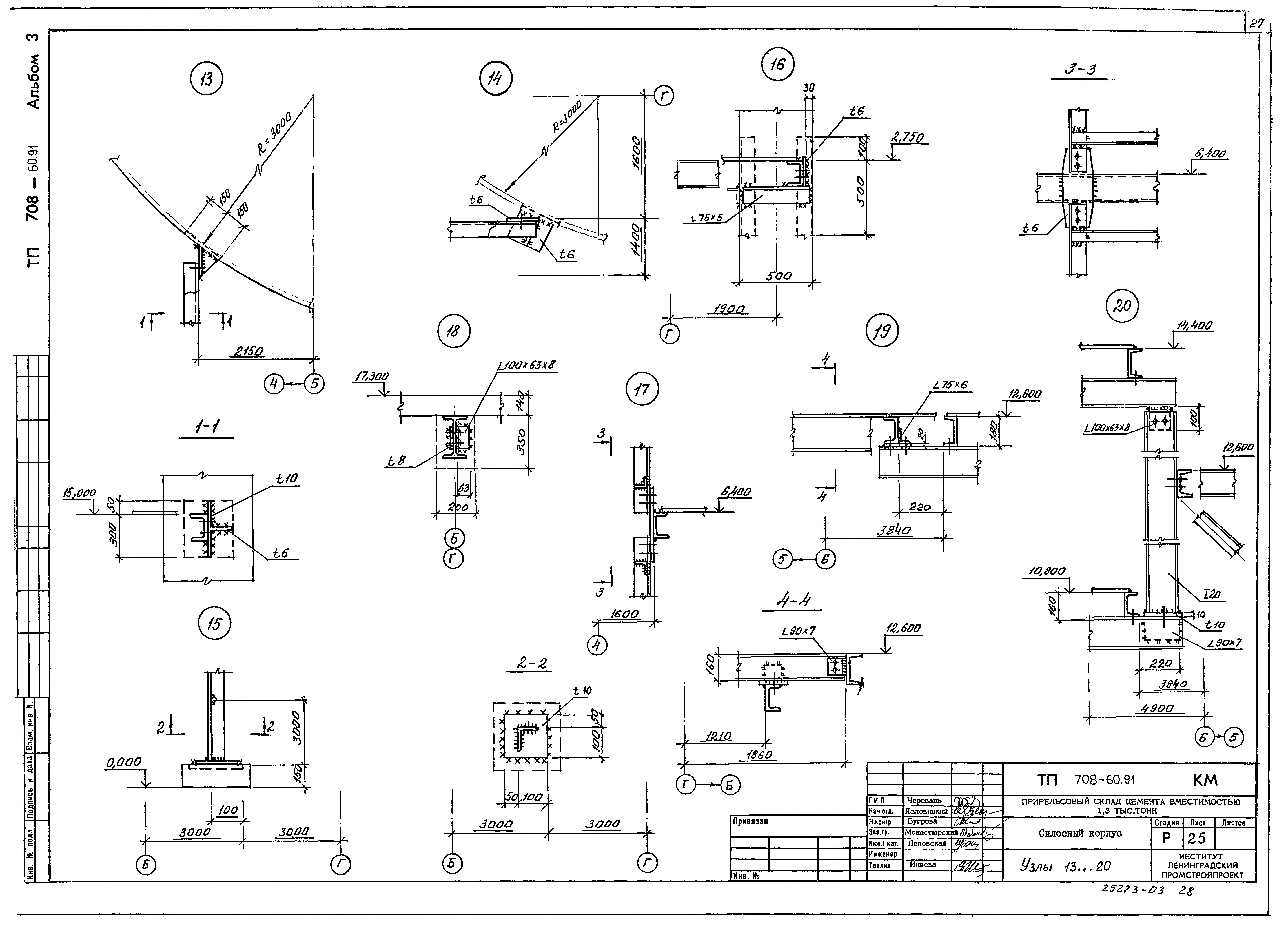
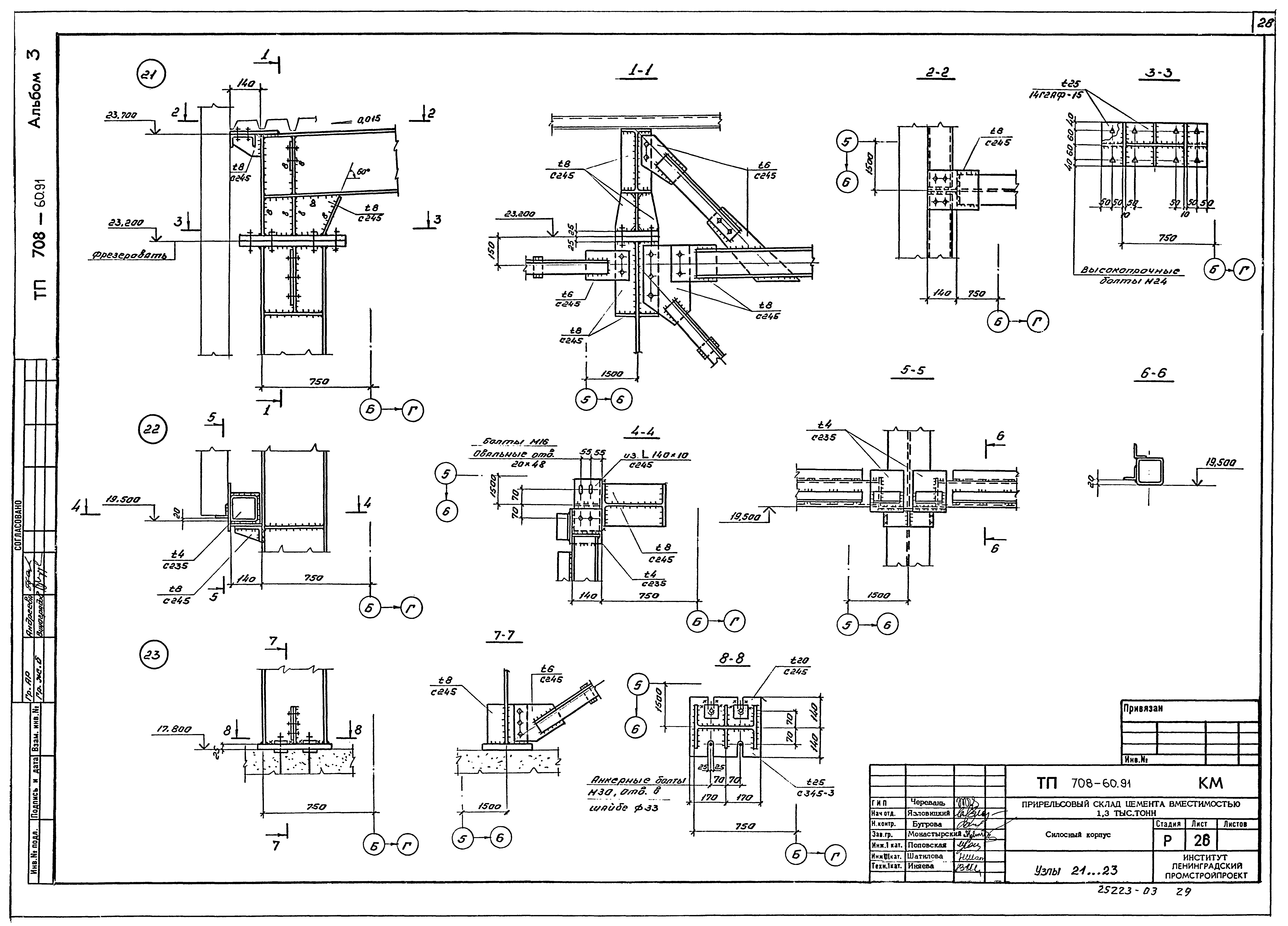
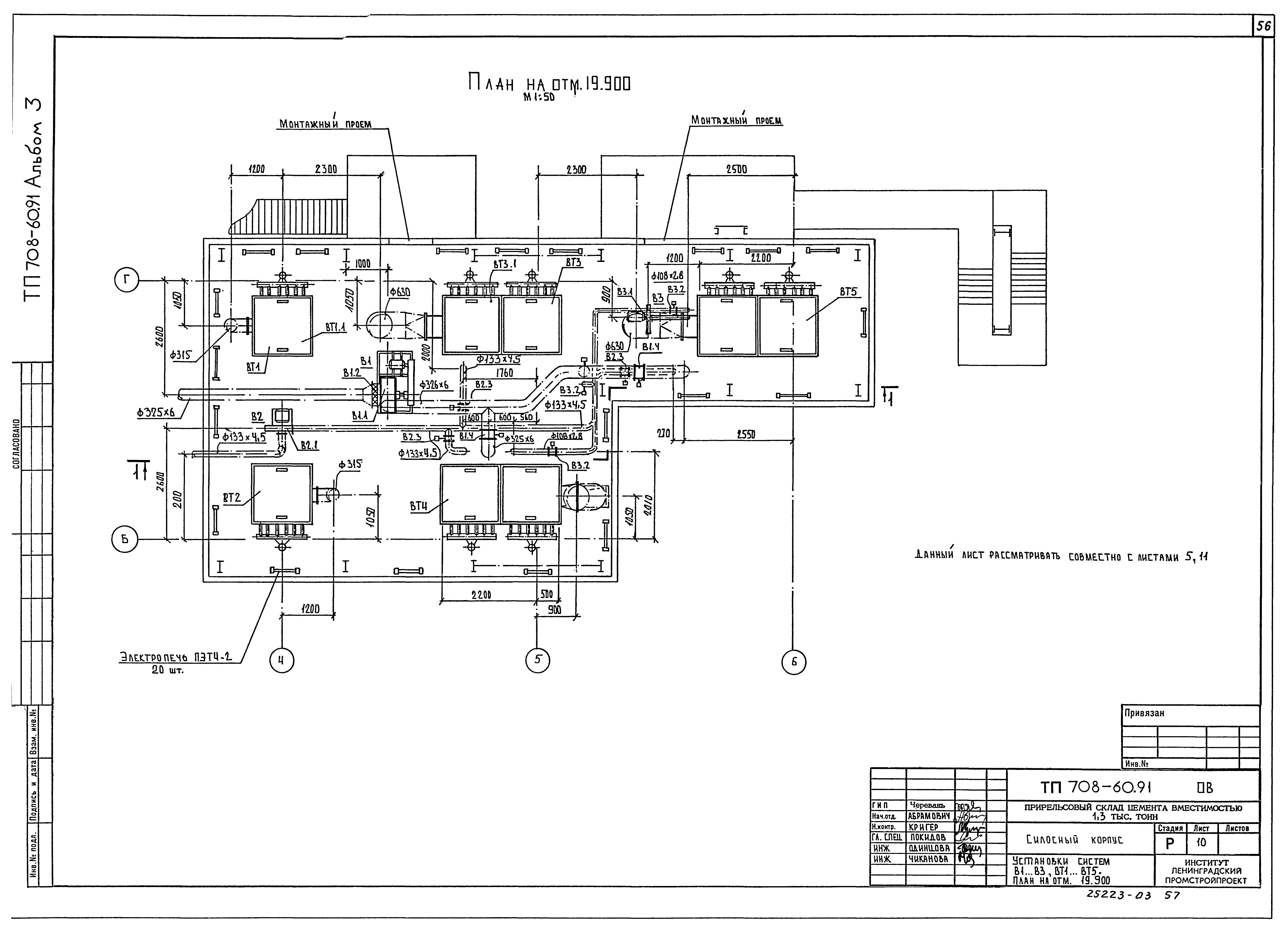
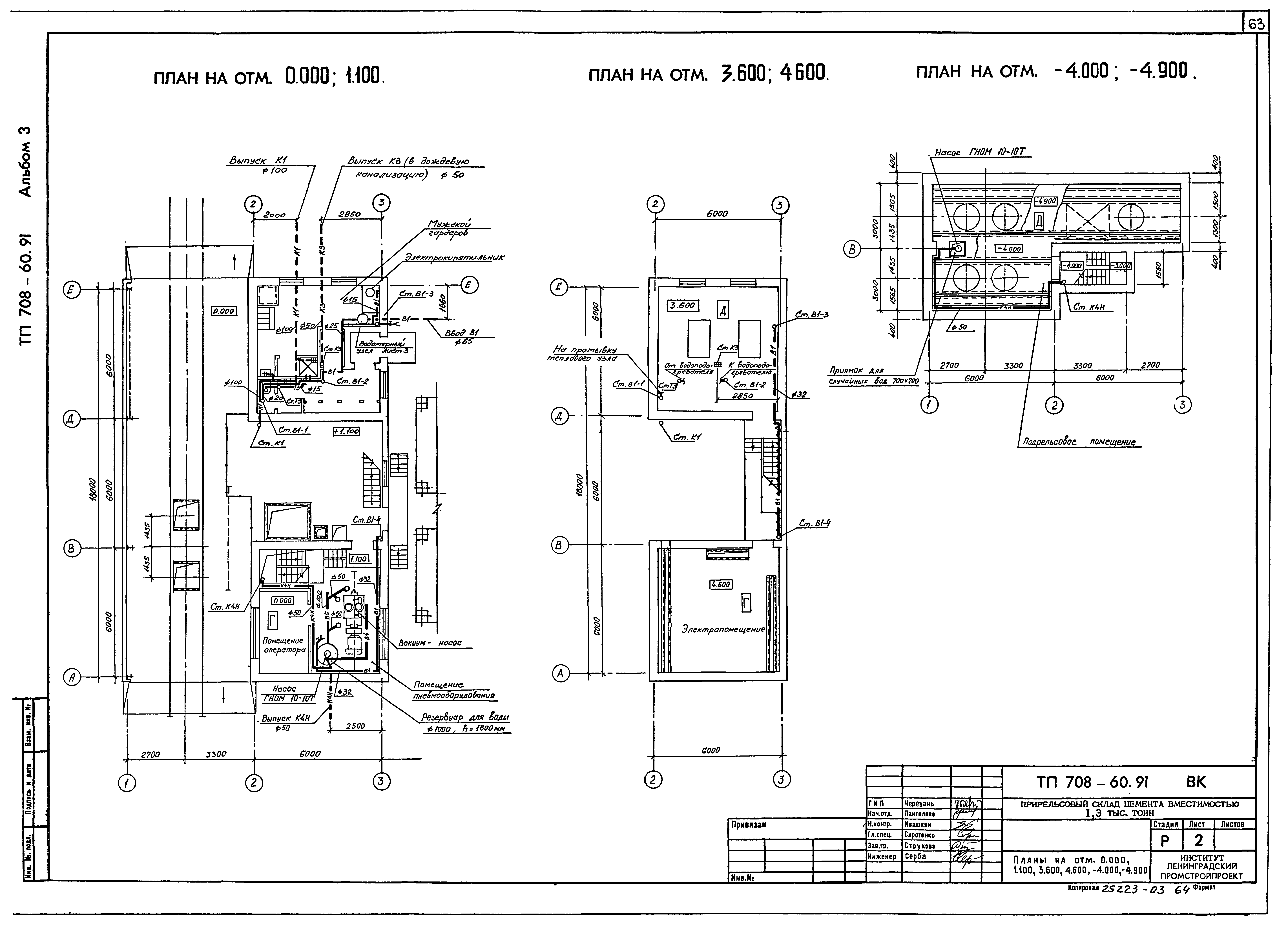
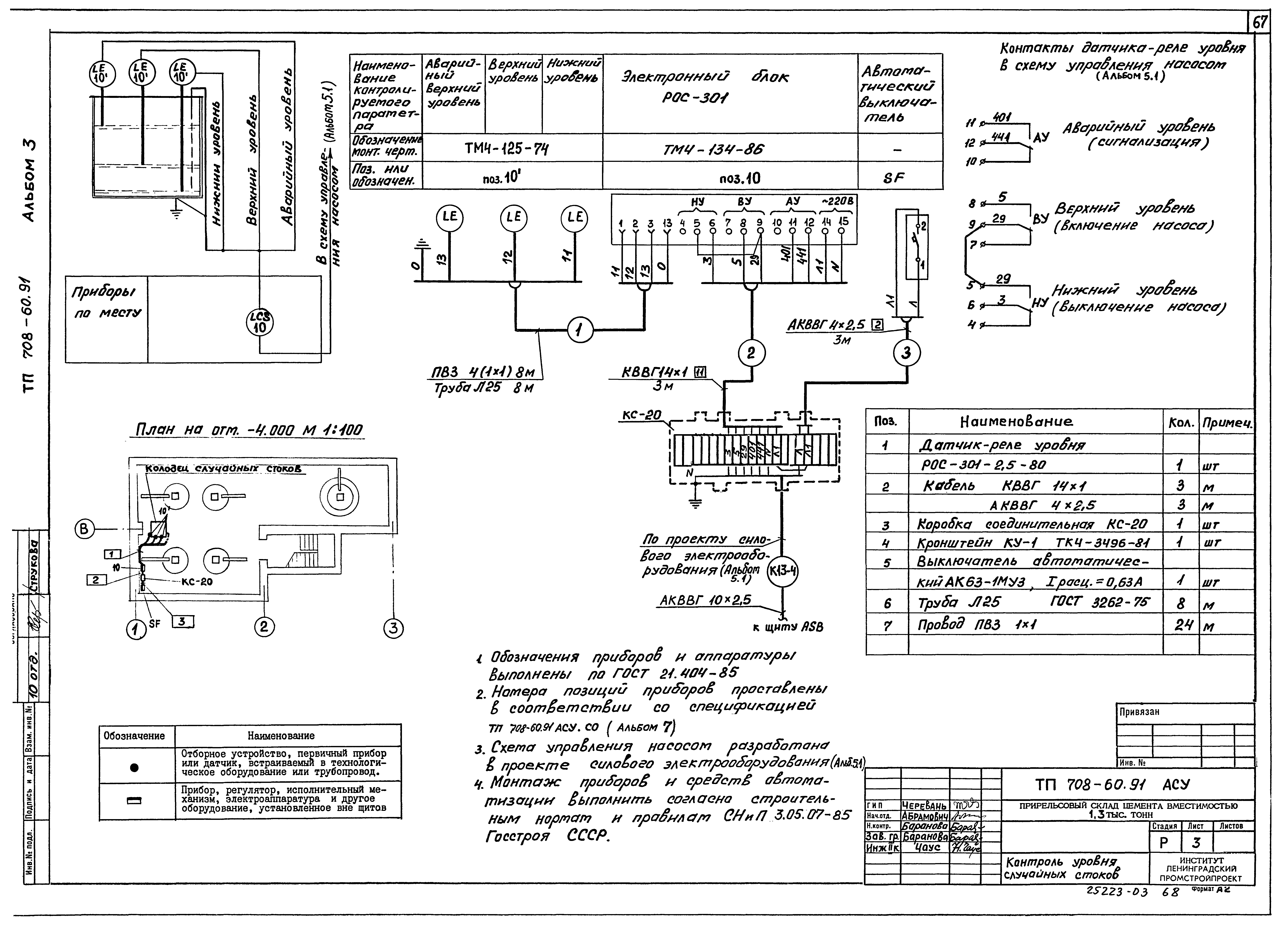
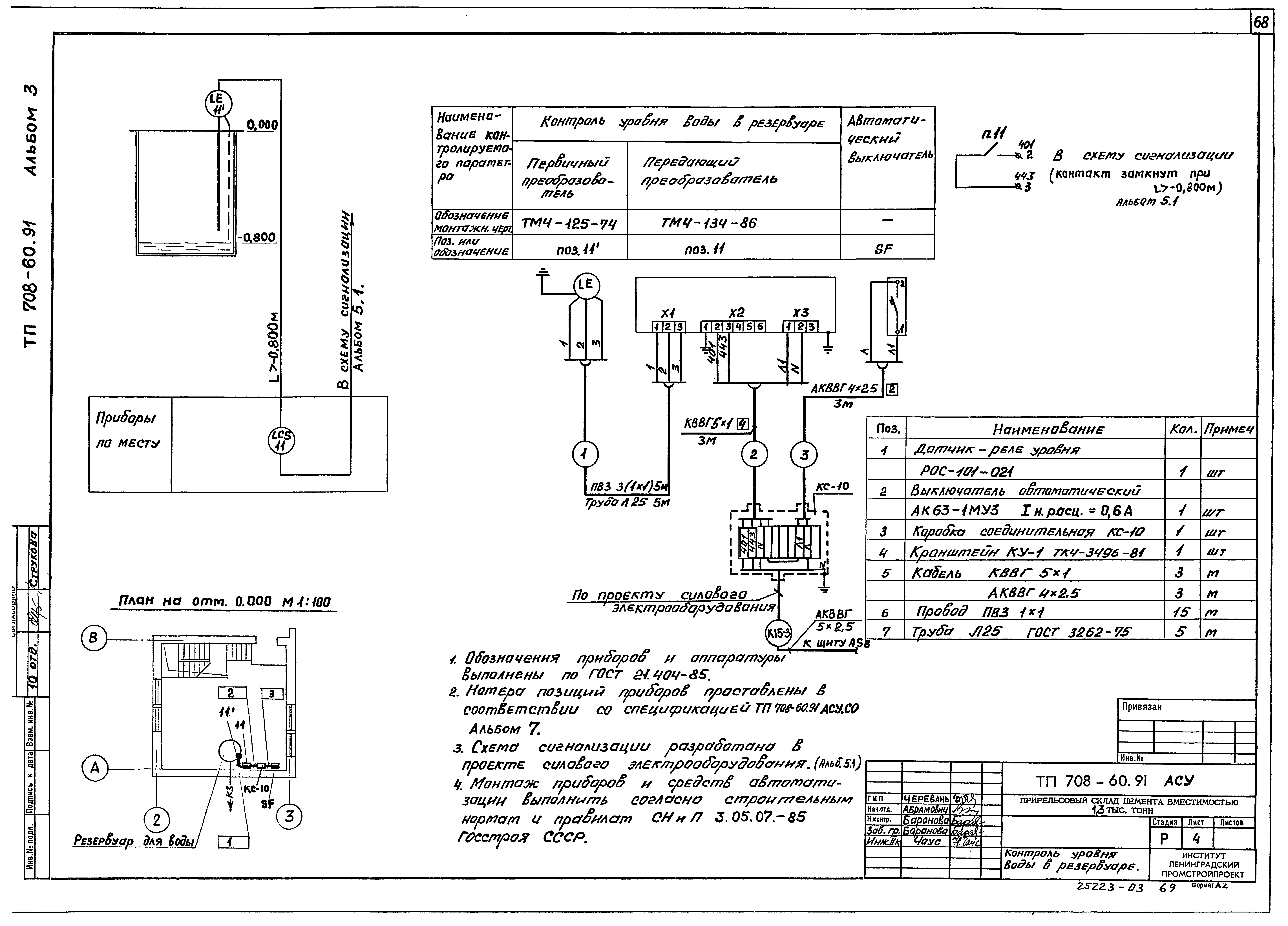
Скачать Типовой проект 708-60.91 Альбом 3. Конструкции металлические. Отопление и вентиляция. Водопровод и канализация. Автоматизация сантехнических устройствДата актуализации: 01.01.2021
|
| Обозначение: | Типовой проект 708-60.91 |
| Обозначение англ: | 708-60.91 |
| Статус: | не определен законодательством |
| Название рус.: | Альбом 3. Конструкции металлические. Отопление и вентиляция. Водопровод и канализация. Автоматизация сантехнических устройств |
| Дата добавления в базу: | 01.01.2021 |
| Дата актуализации: | 01.01.2021 |
| Дата введения: | 30.07.1991 |
| Дата окончания срока действия: | 30.06.2003 |
| Разработан: | Промтрансниипроект |
| Утверждён: | 25.05.1989 Госагропром СССР (USSR Gosagroprom 805-42/34) |





































































