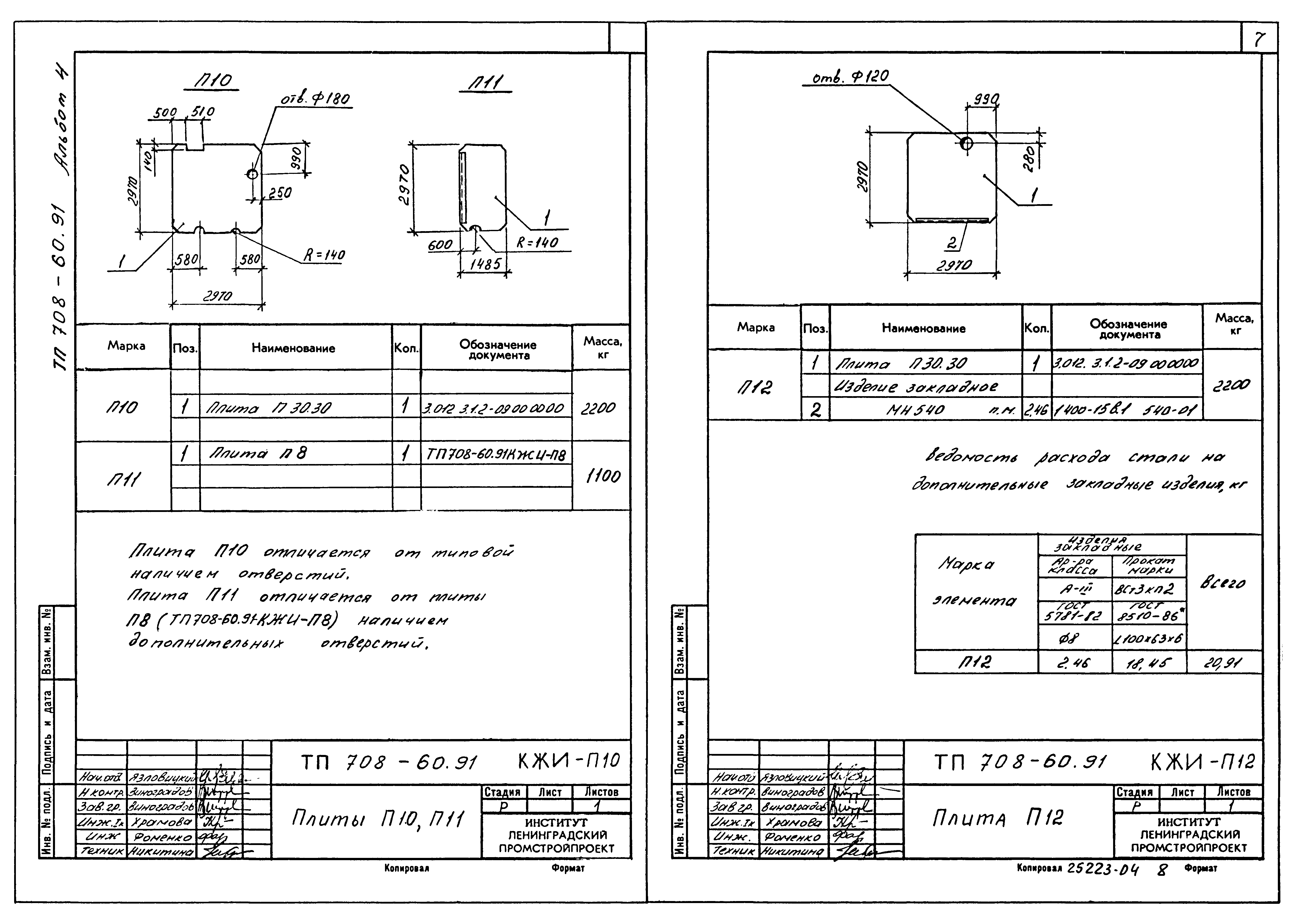
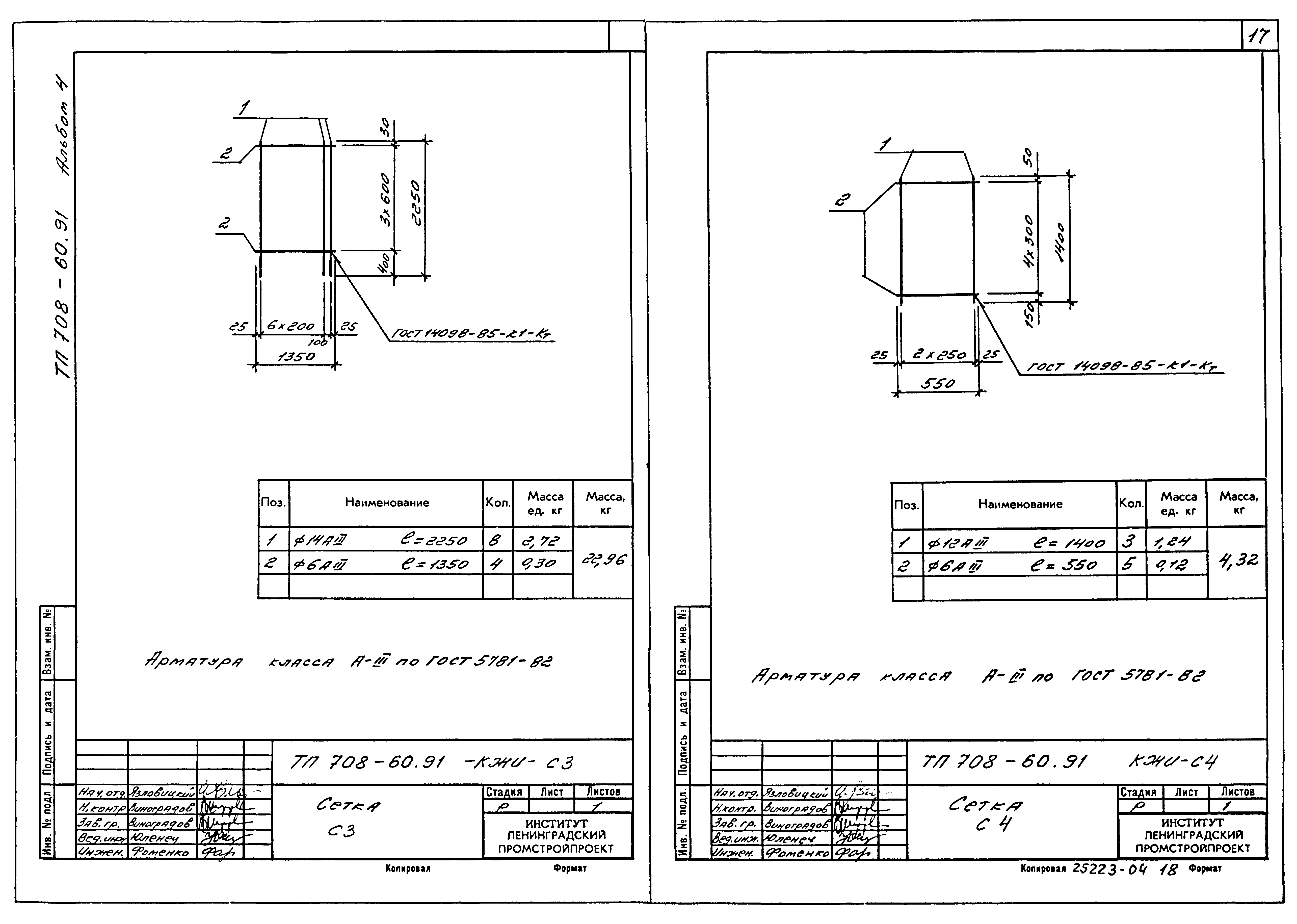
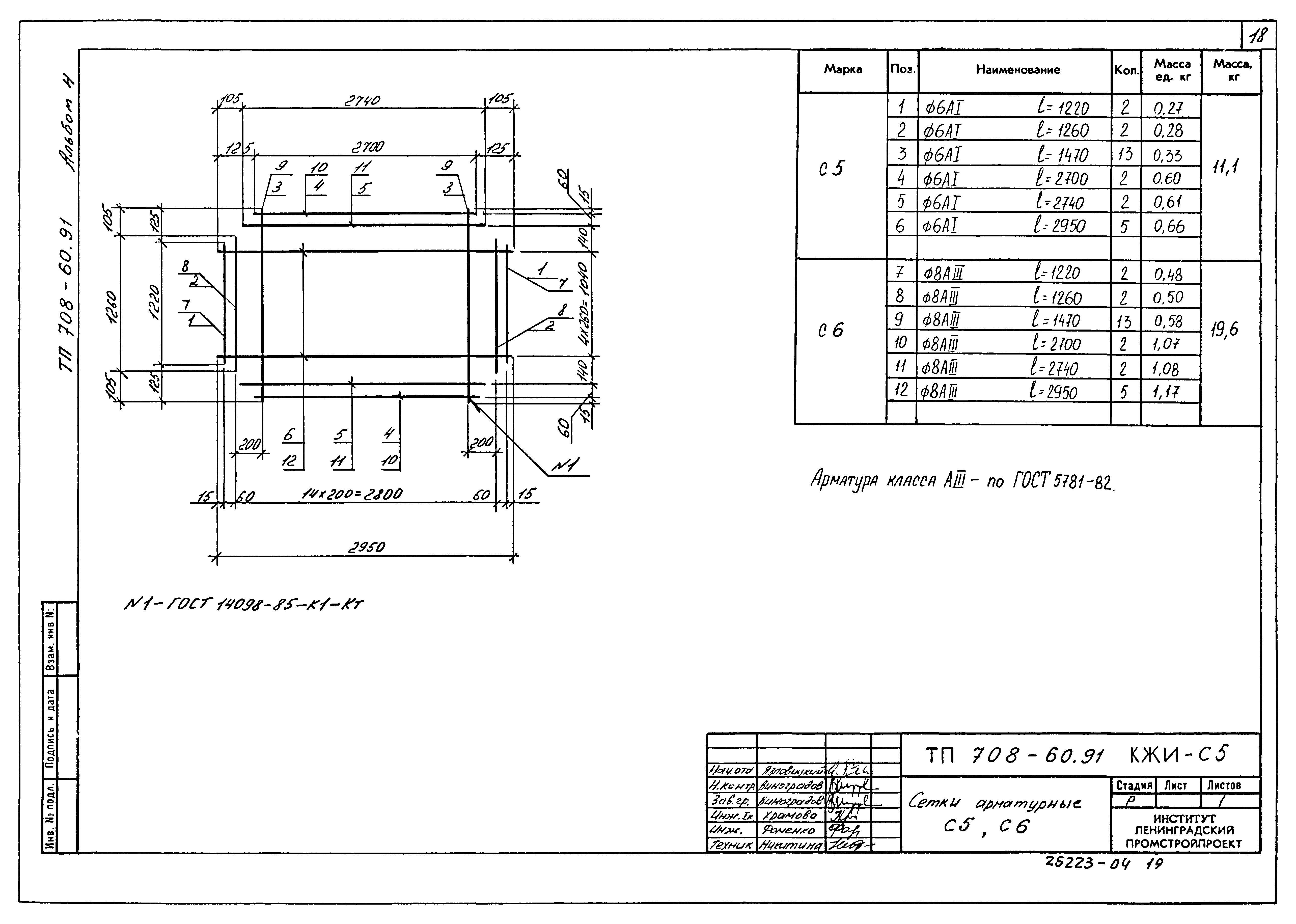
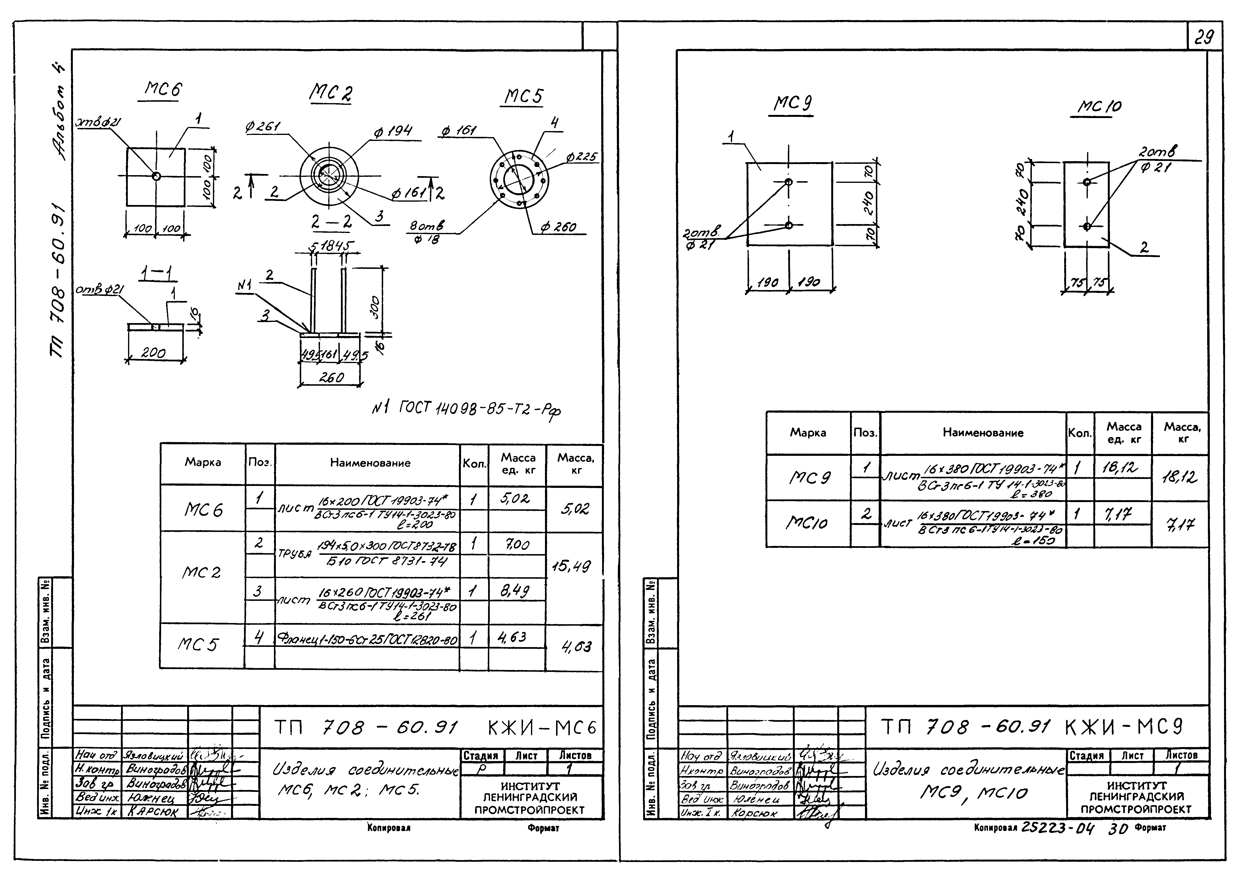
Скачать Типовой проект 708-60.91 Альбом 4. Железобетонные изделияДата актуализации: 01.01.2021 Типовой проект 708-60.91
Альбом 4. Железобетонные изделия| Обозначение: | Типовой проект 708-60.91 | | Обозначение англ: | 708-60.91 | | Статус: | не определен законодательством | | Название рус.: | Альбом 4. Железобетонные изделия | | Дата добавления в базу: | 01.01.2021 | | Дата актуализации: | 01.01.2021 | | Дата введения: | 30.07.1991 | | Дата окончания срока действия: | 30.06.2003 | | Разработан: | Промтрансниипроект
| | Утверждён: | 25.05.1989 Госагропром СССР (USSR Gosagroprom 805-42/34)
|
                                      
|