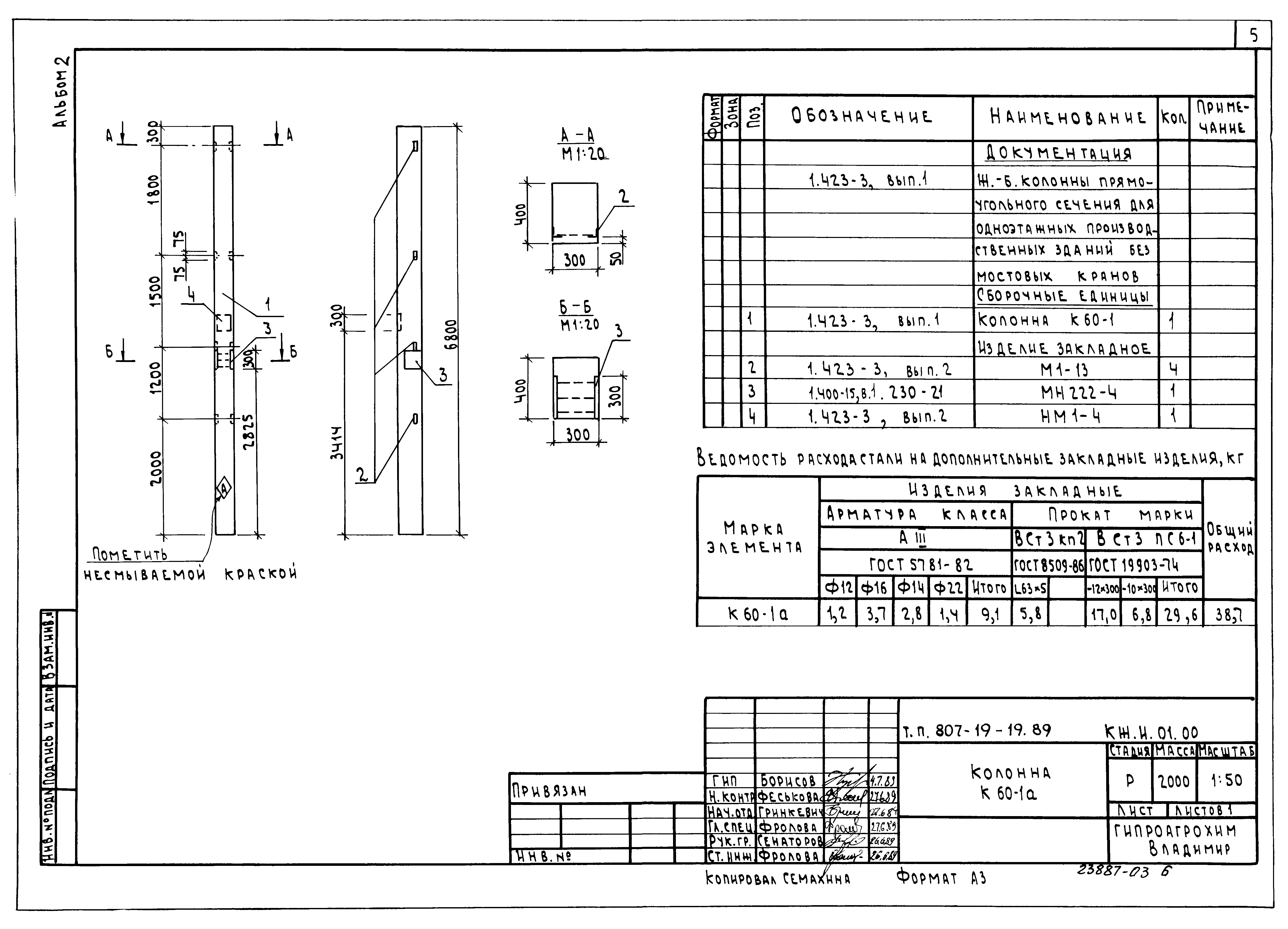
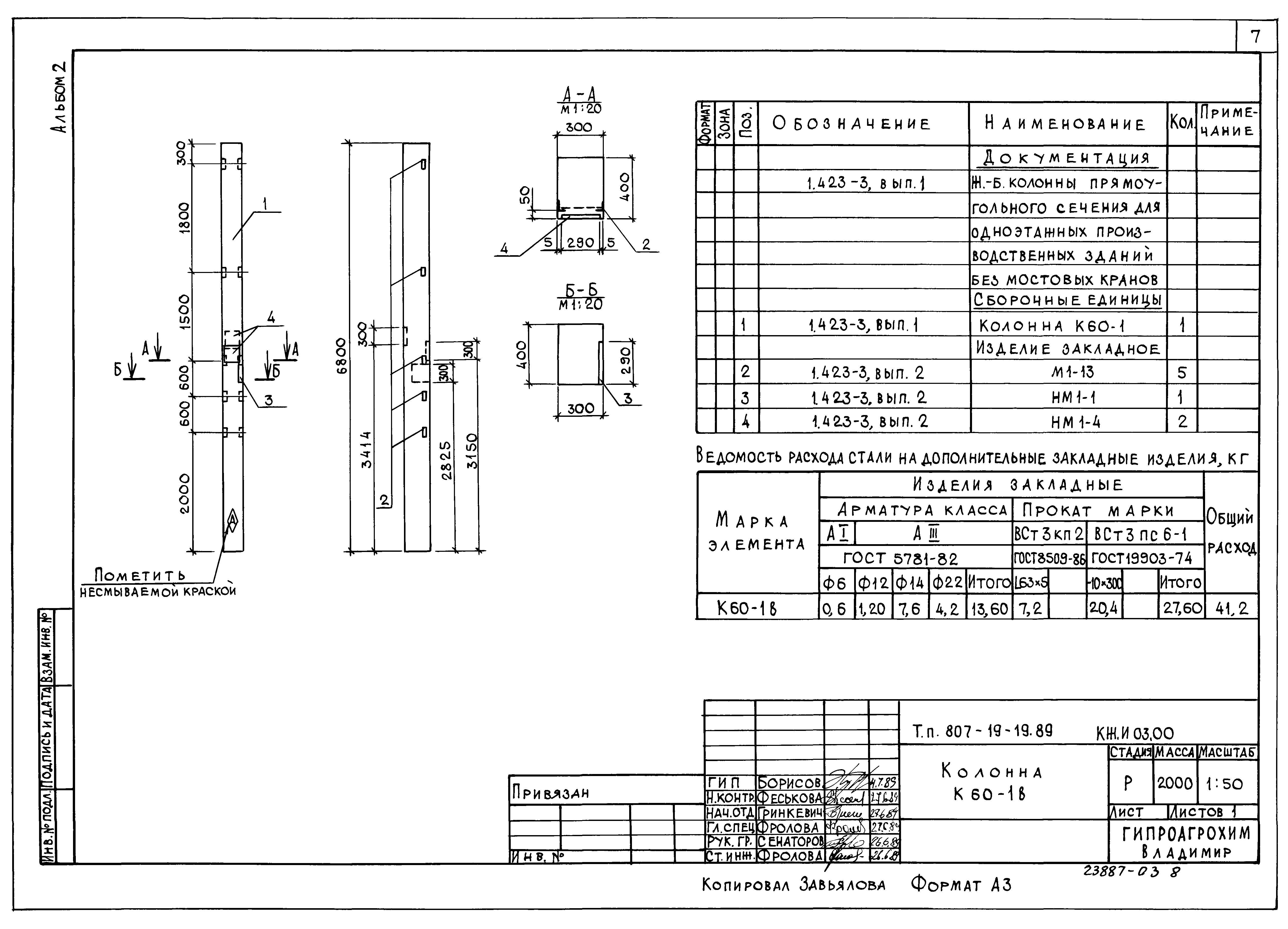
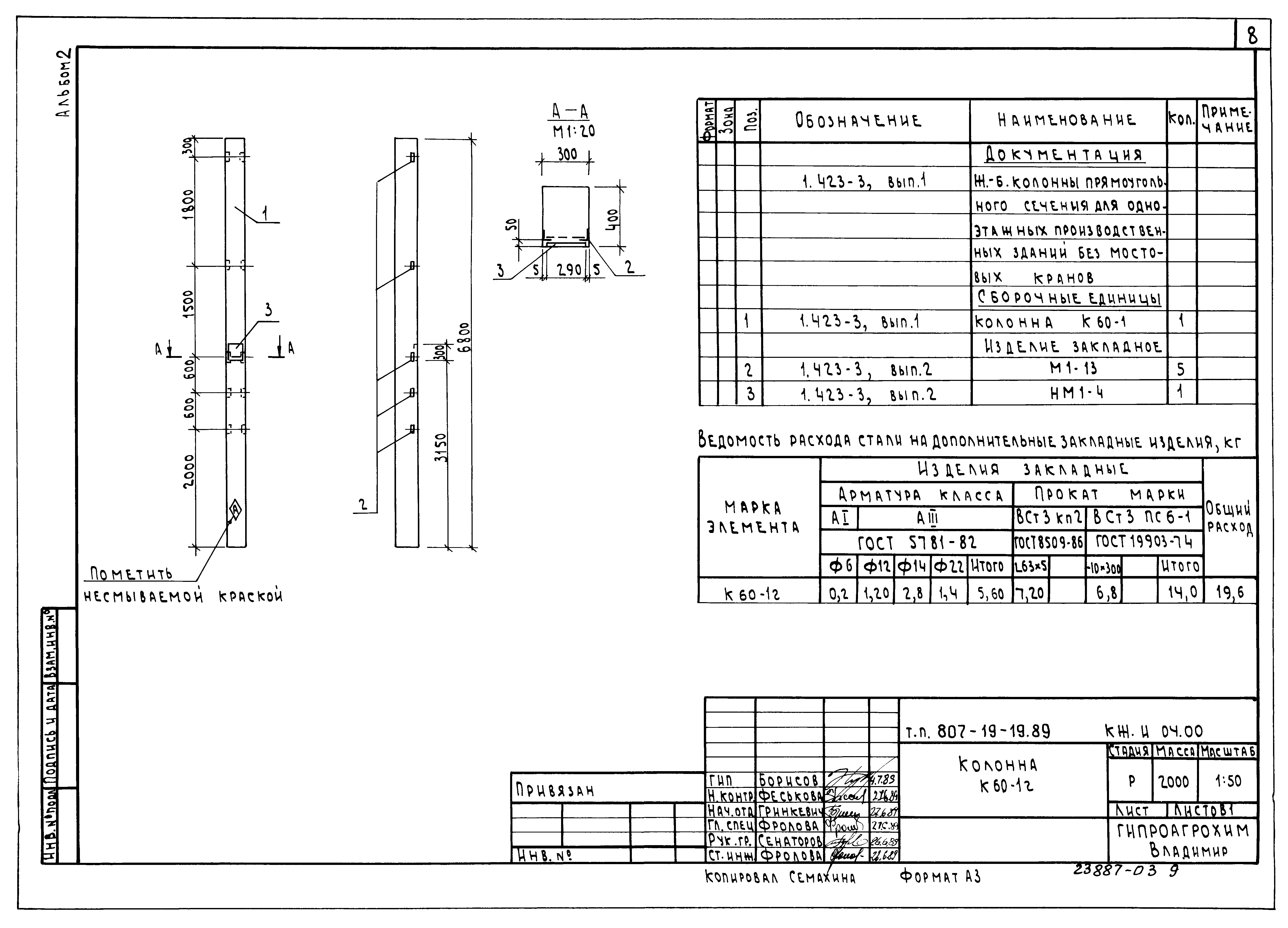
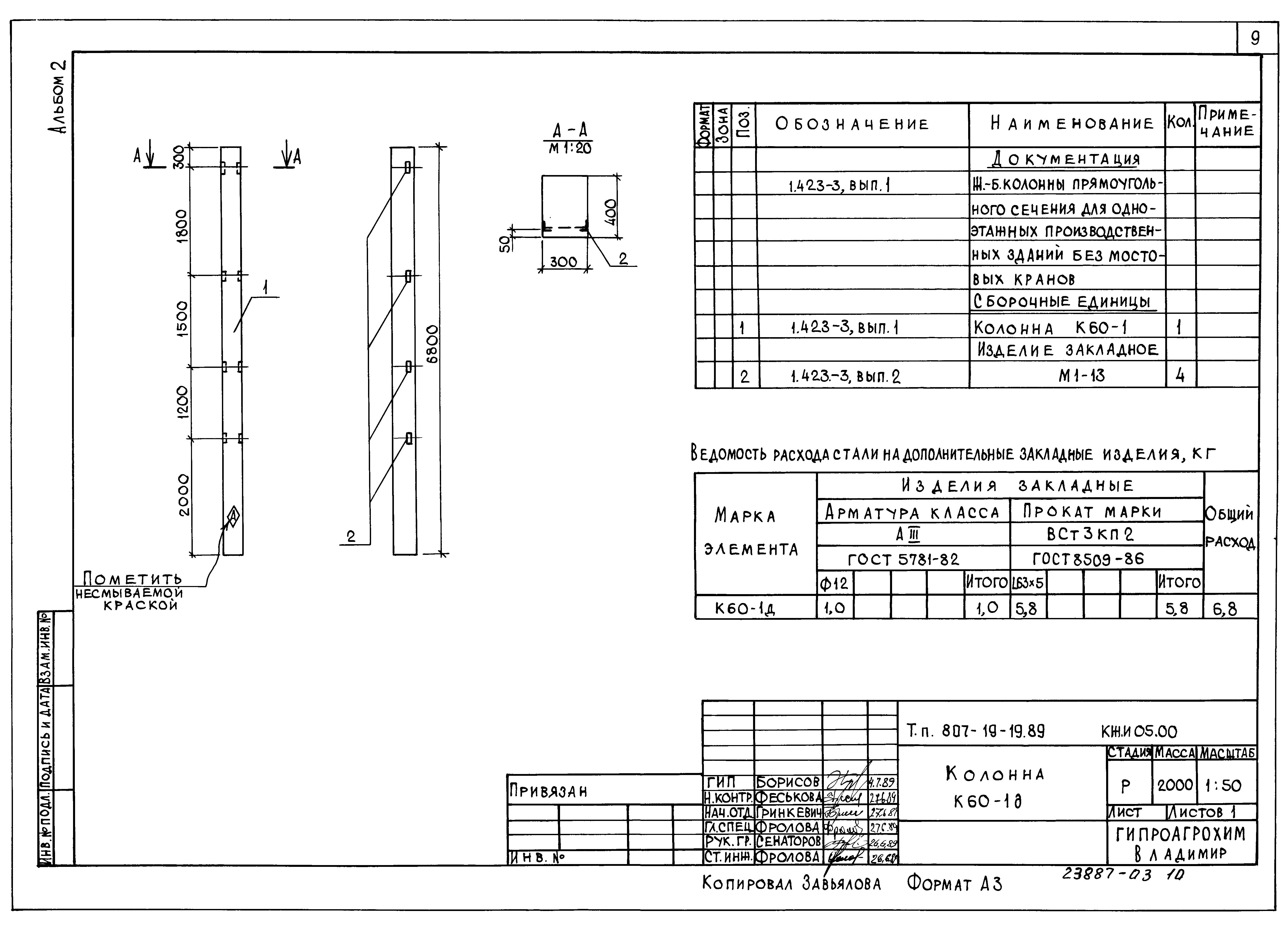
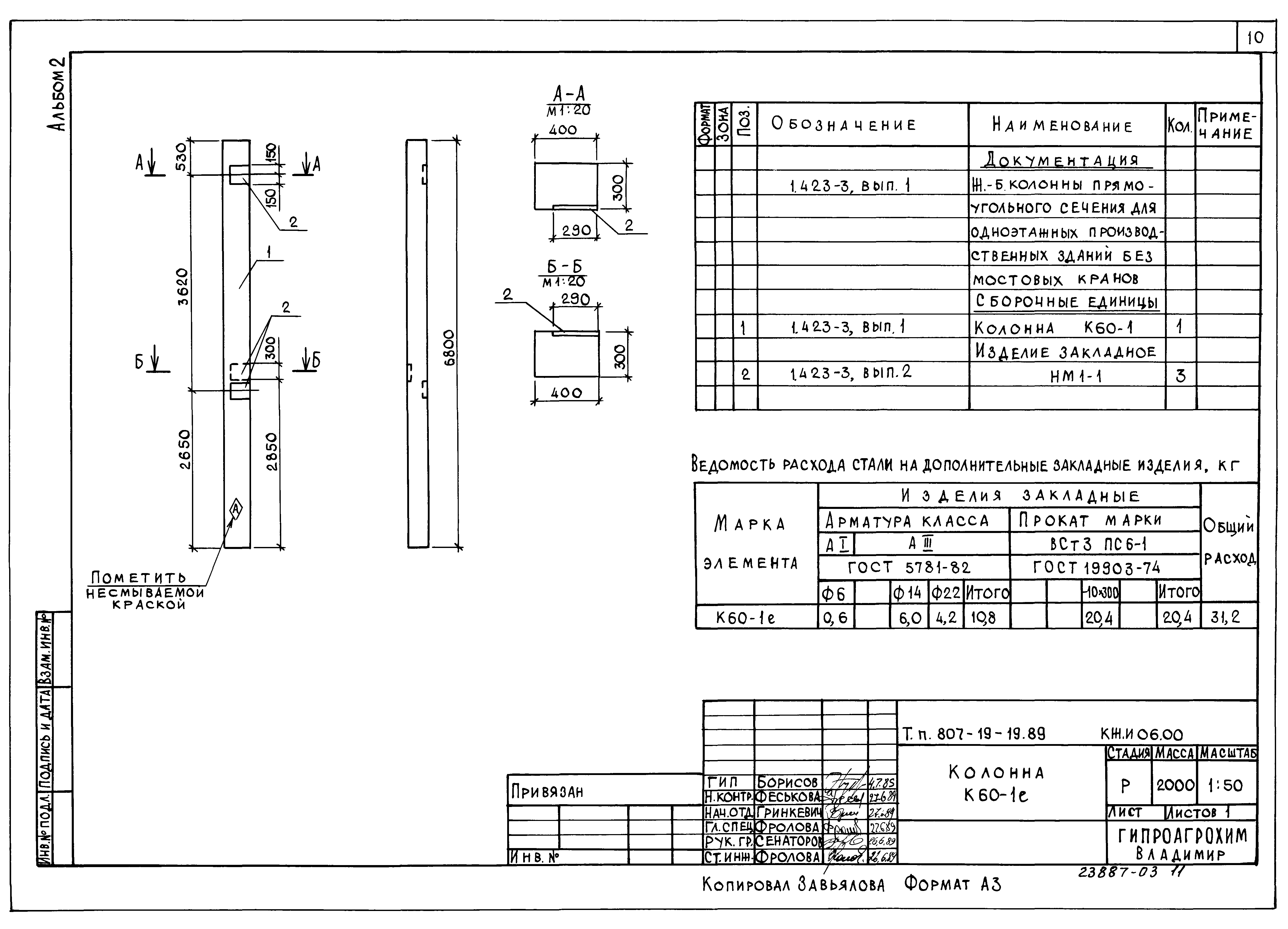
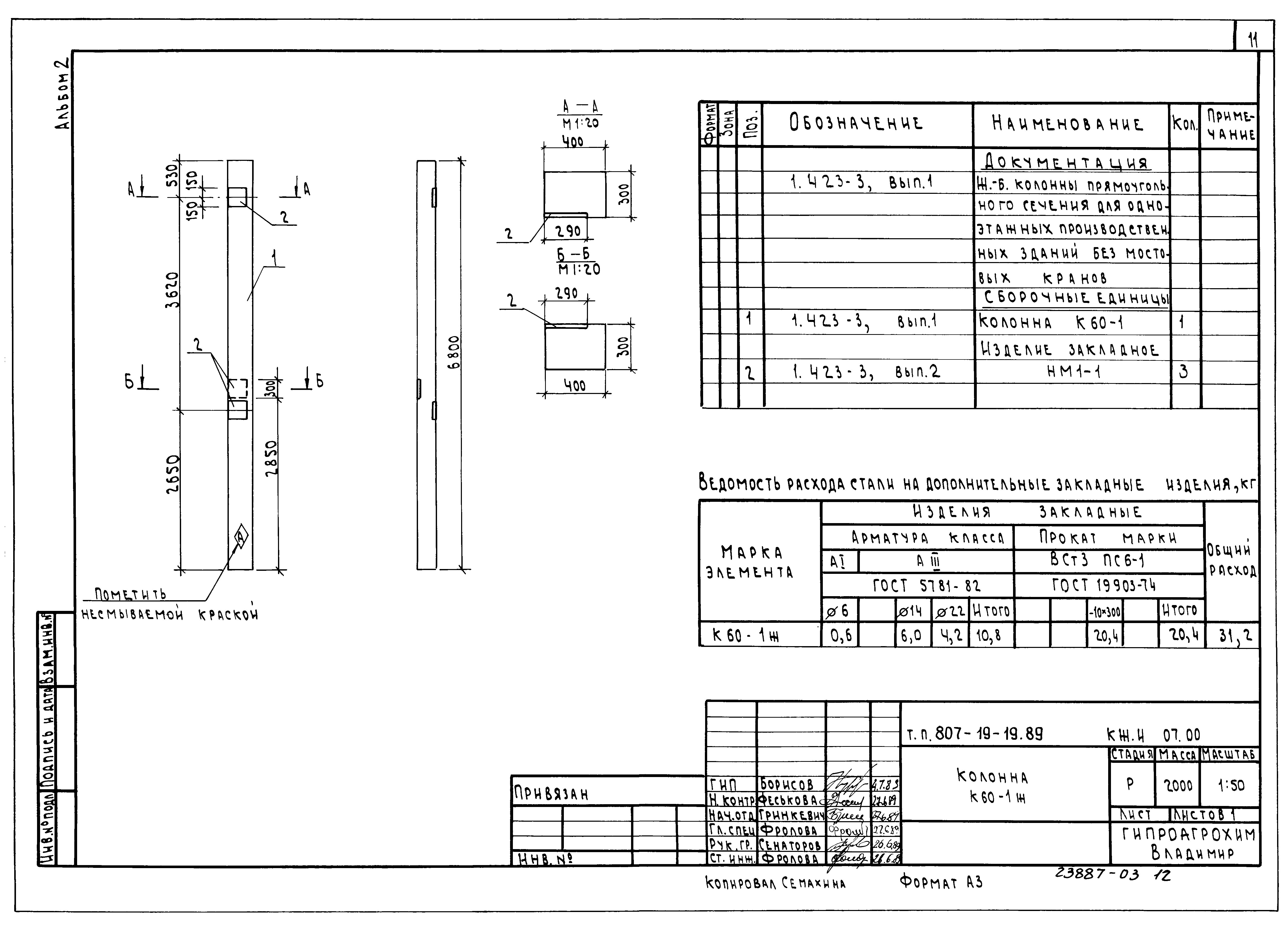
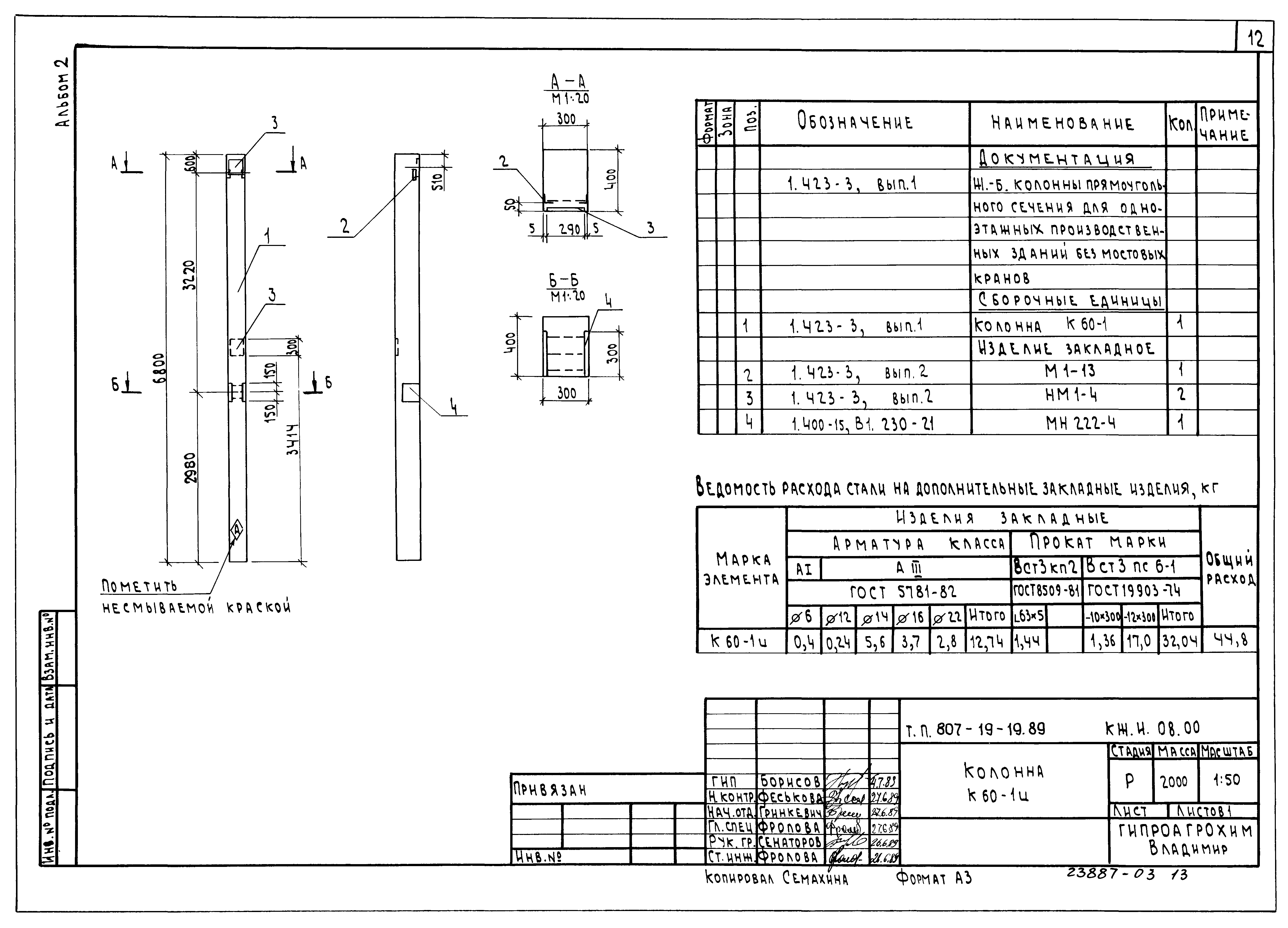
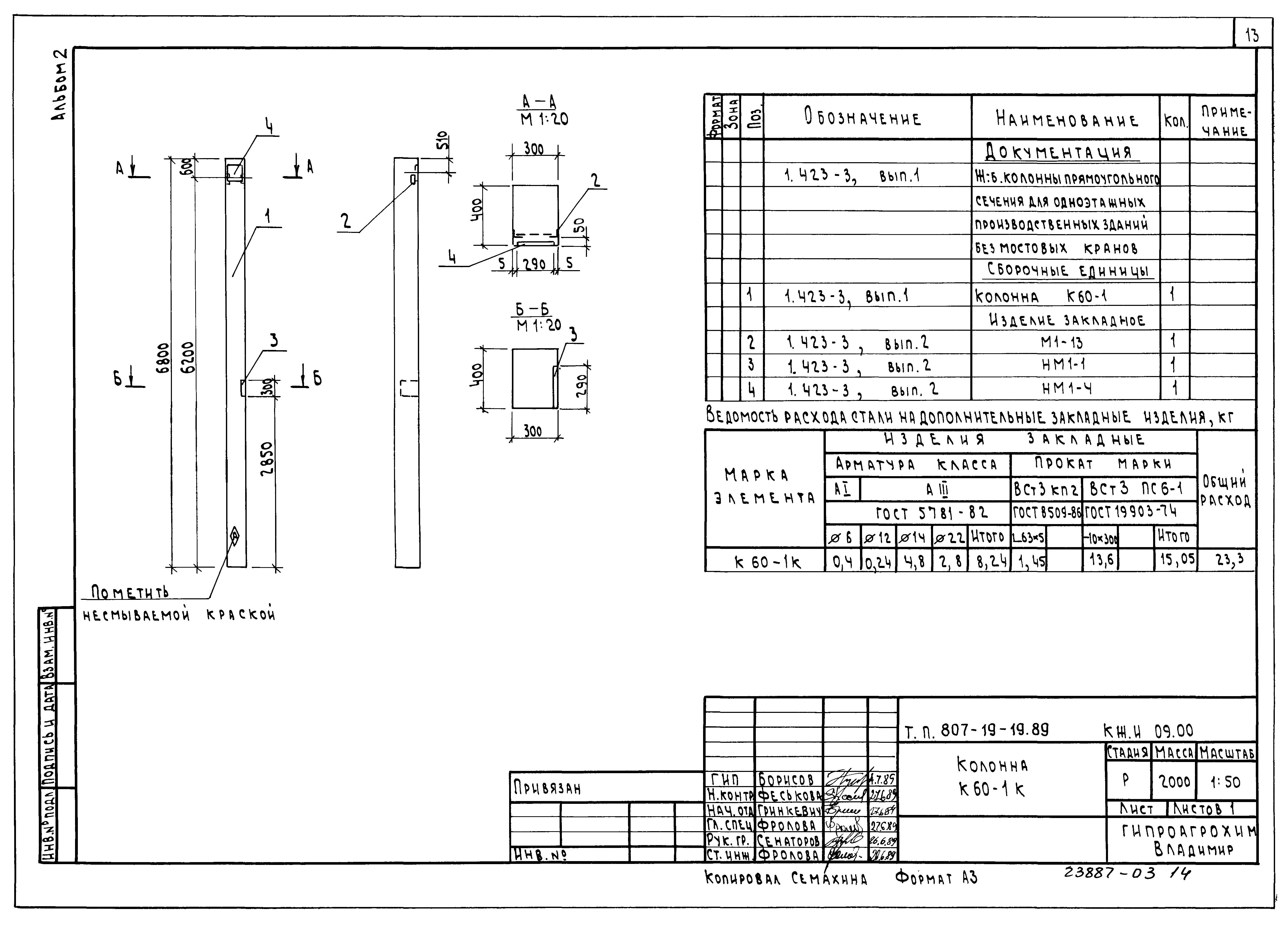
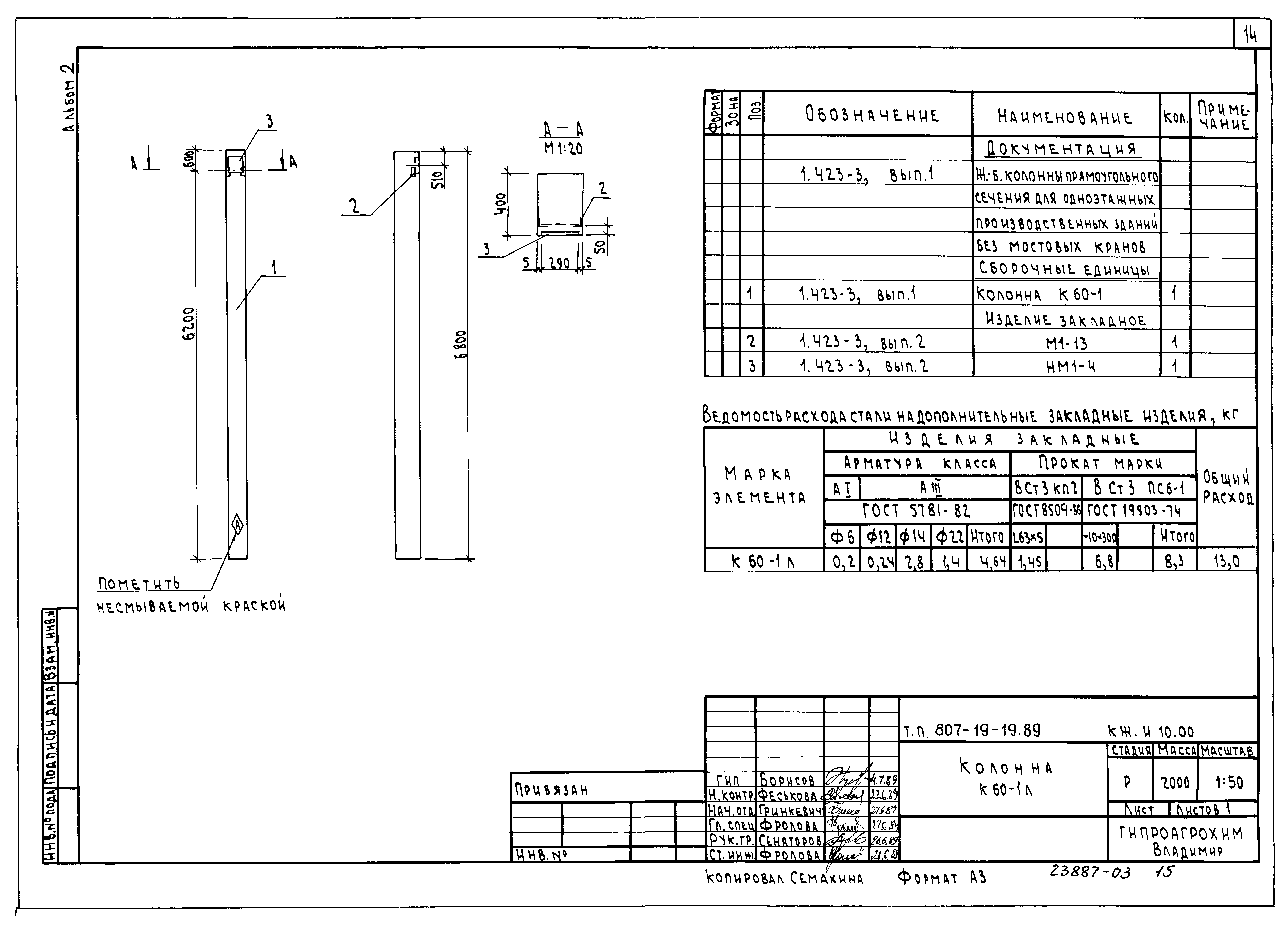
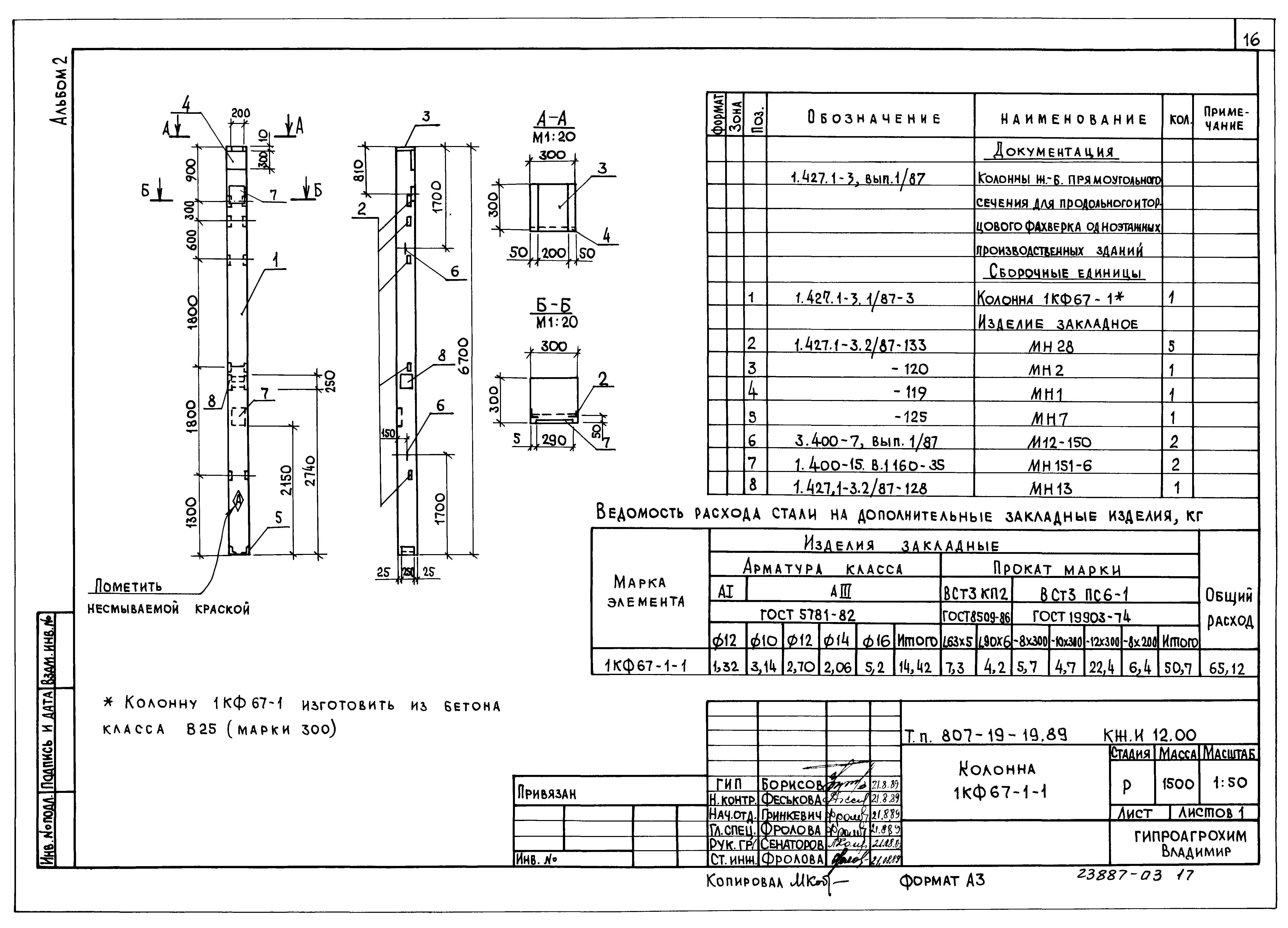
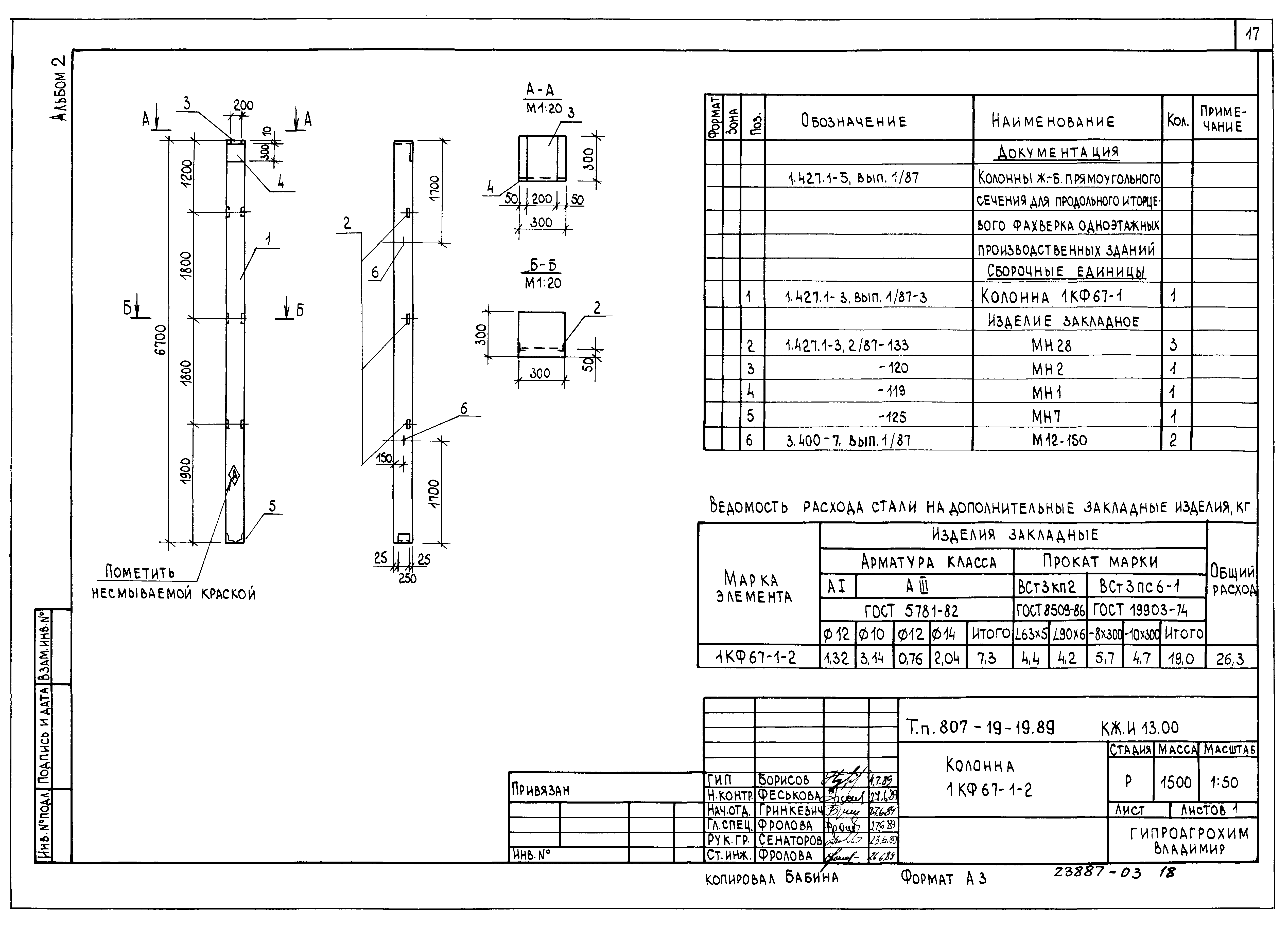
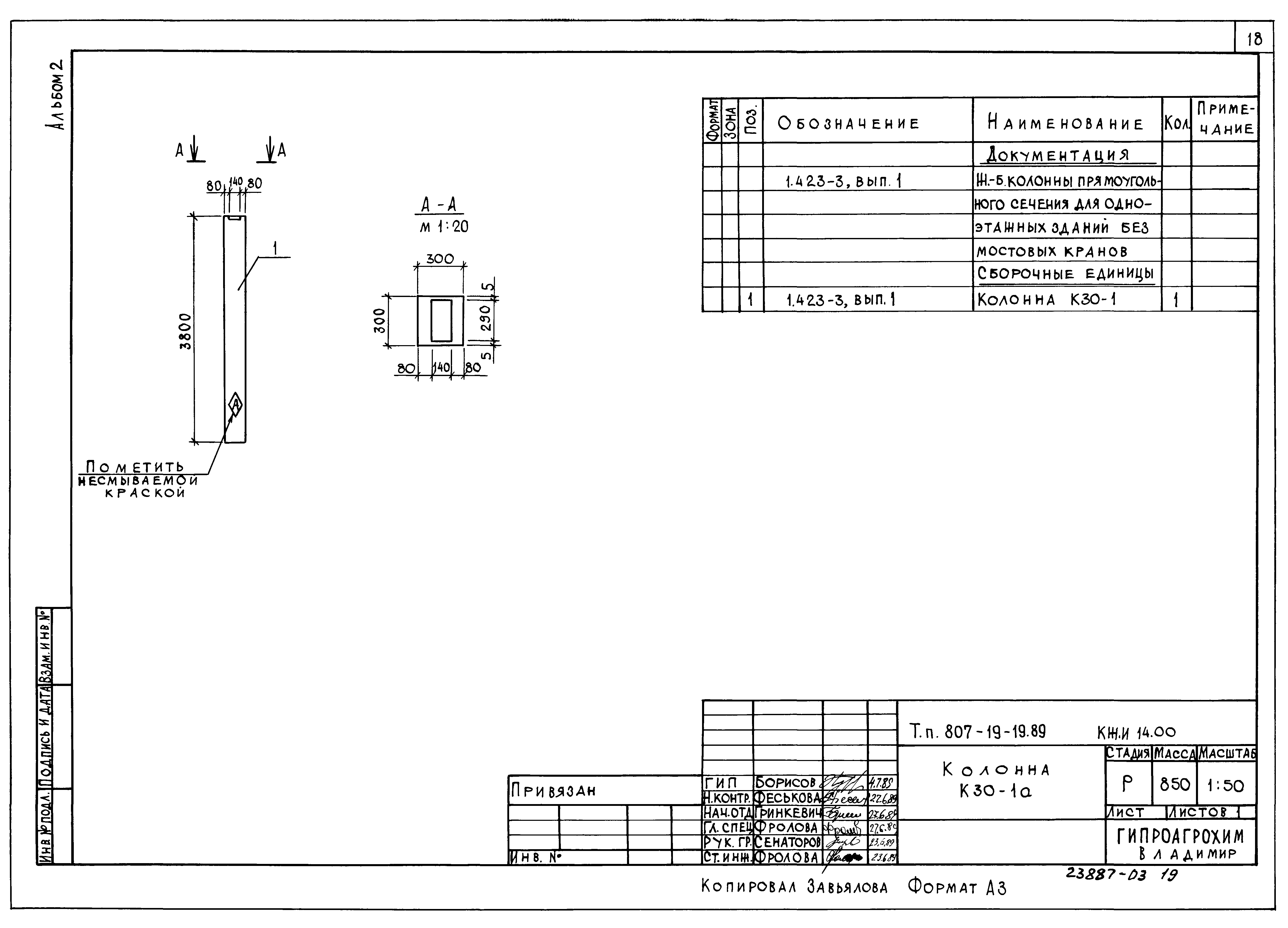
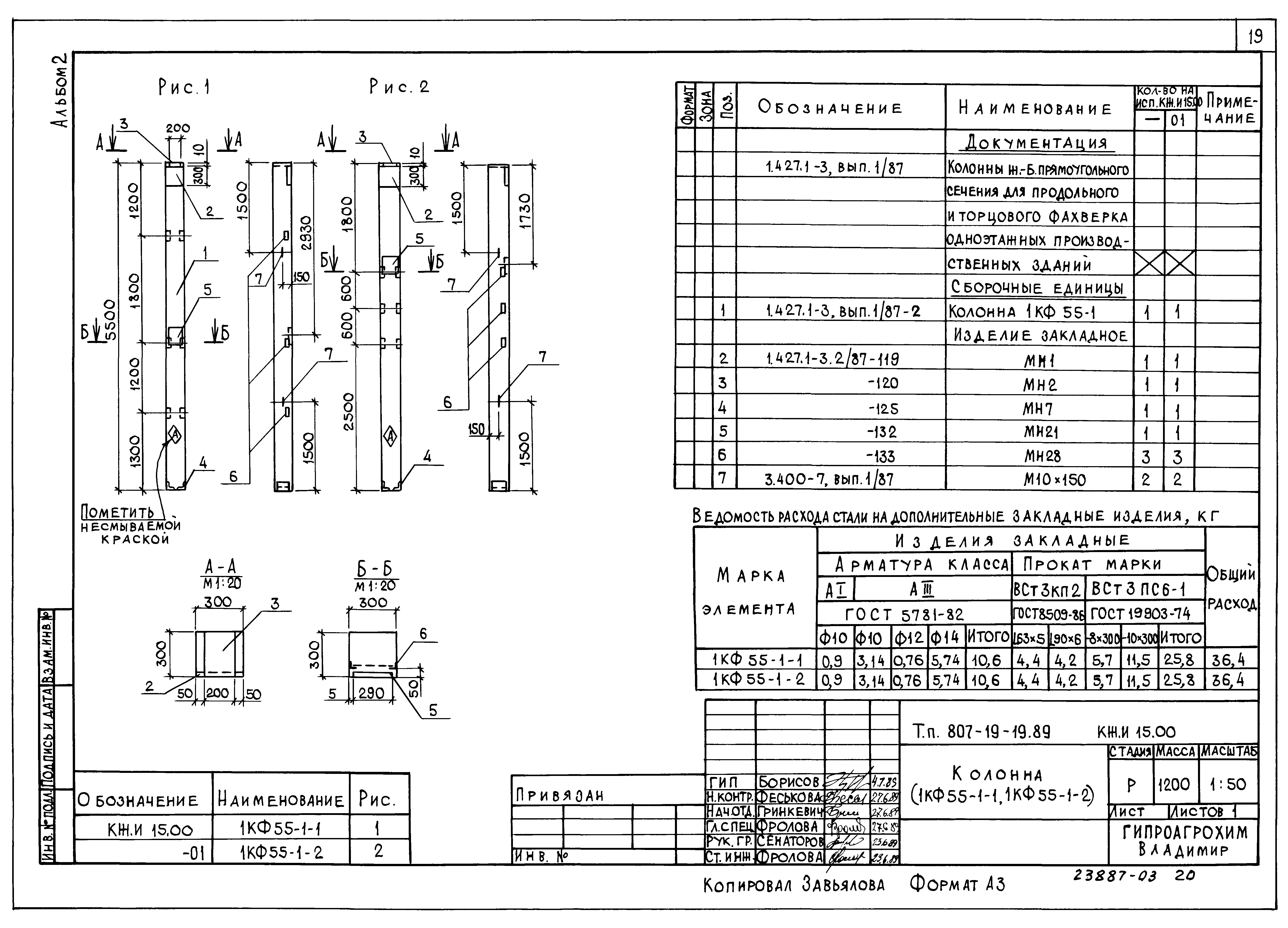
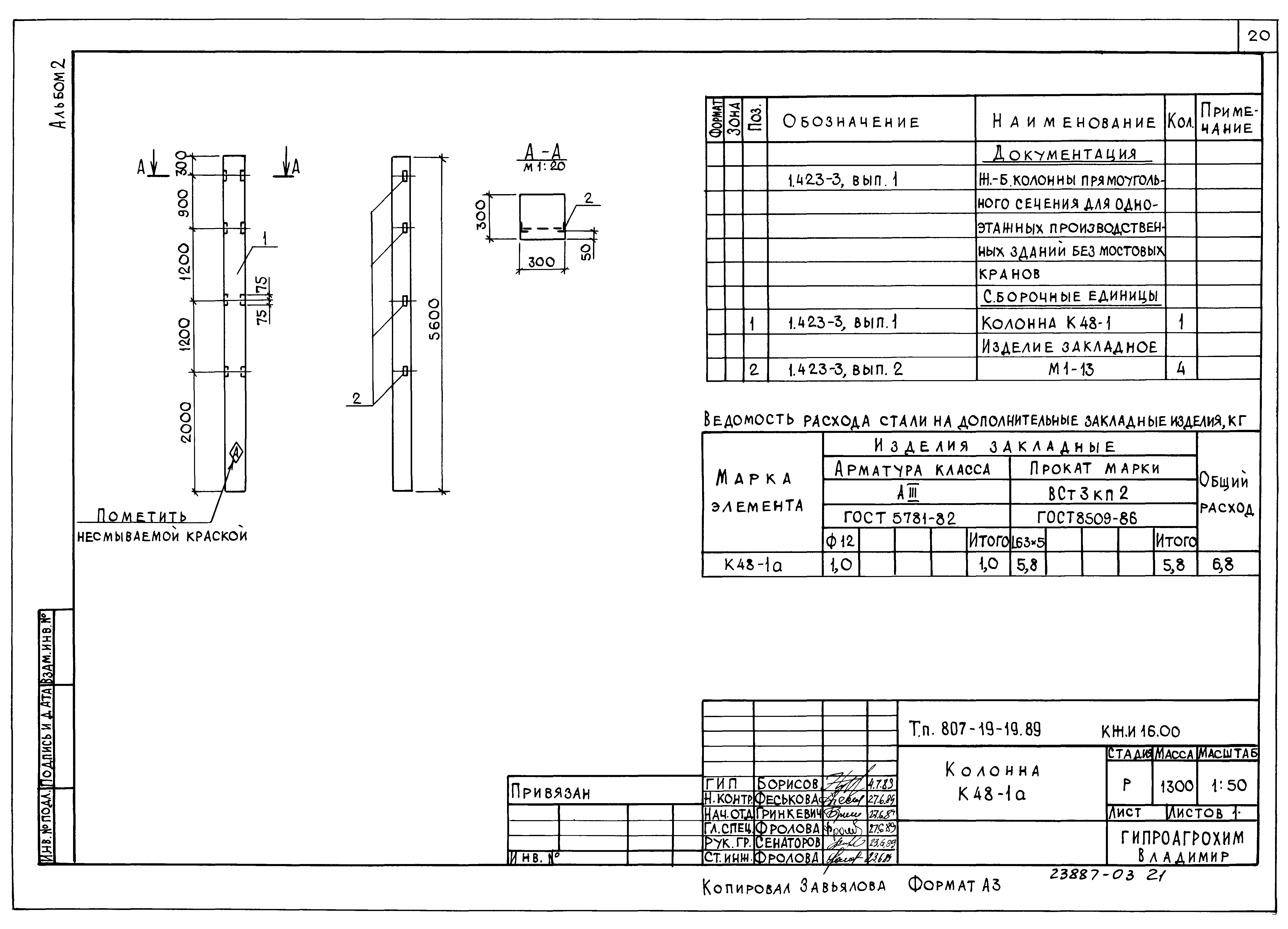
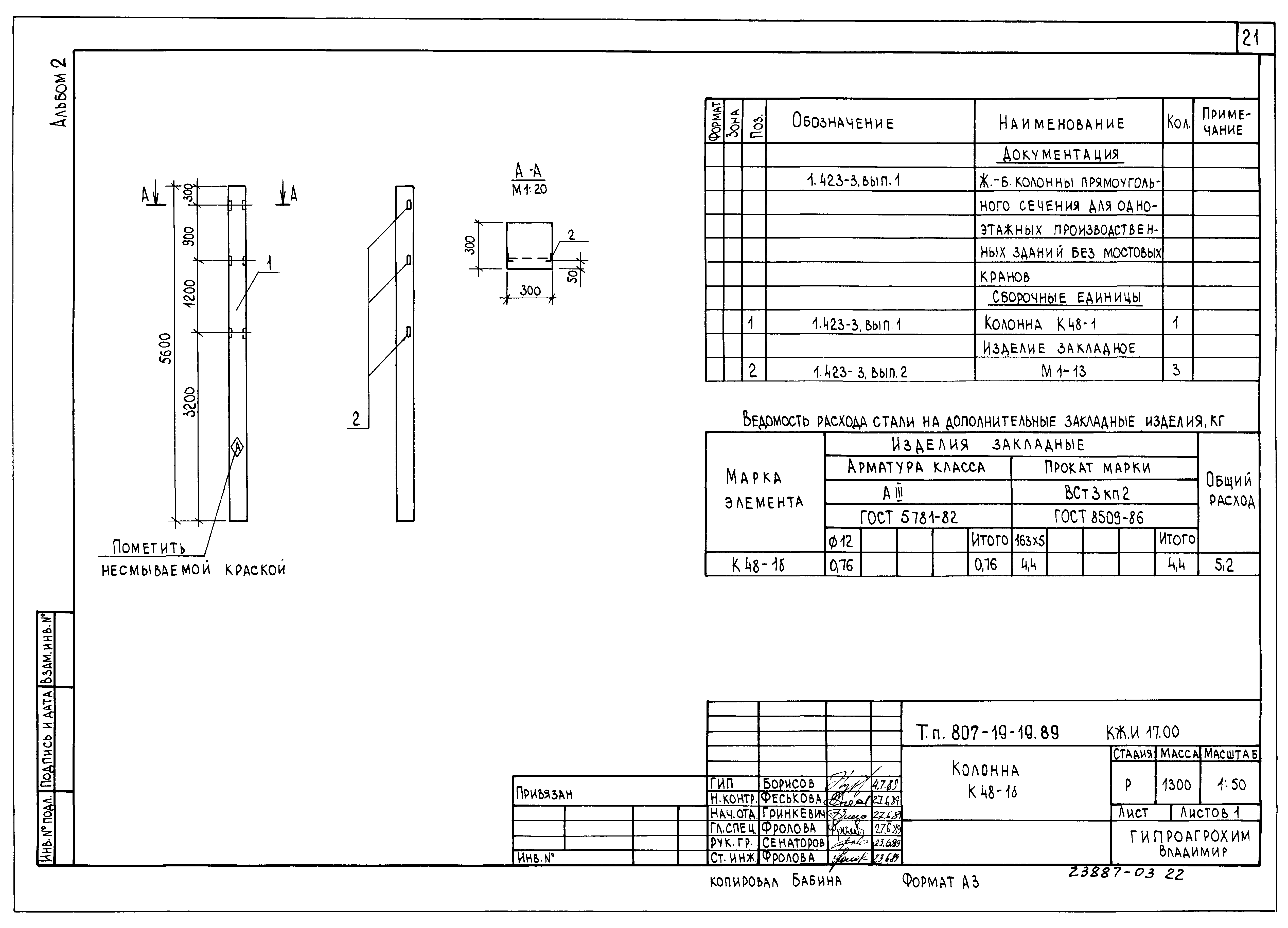
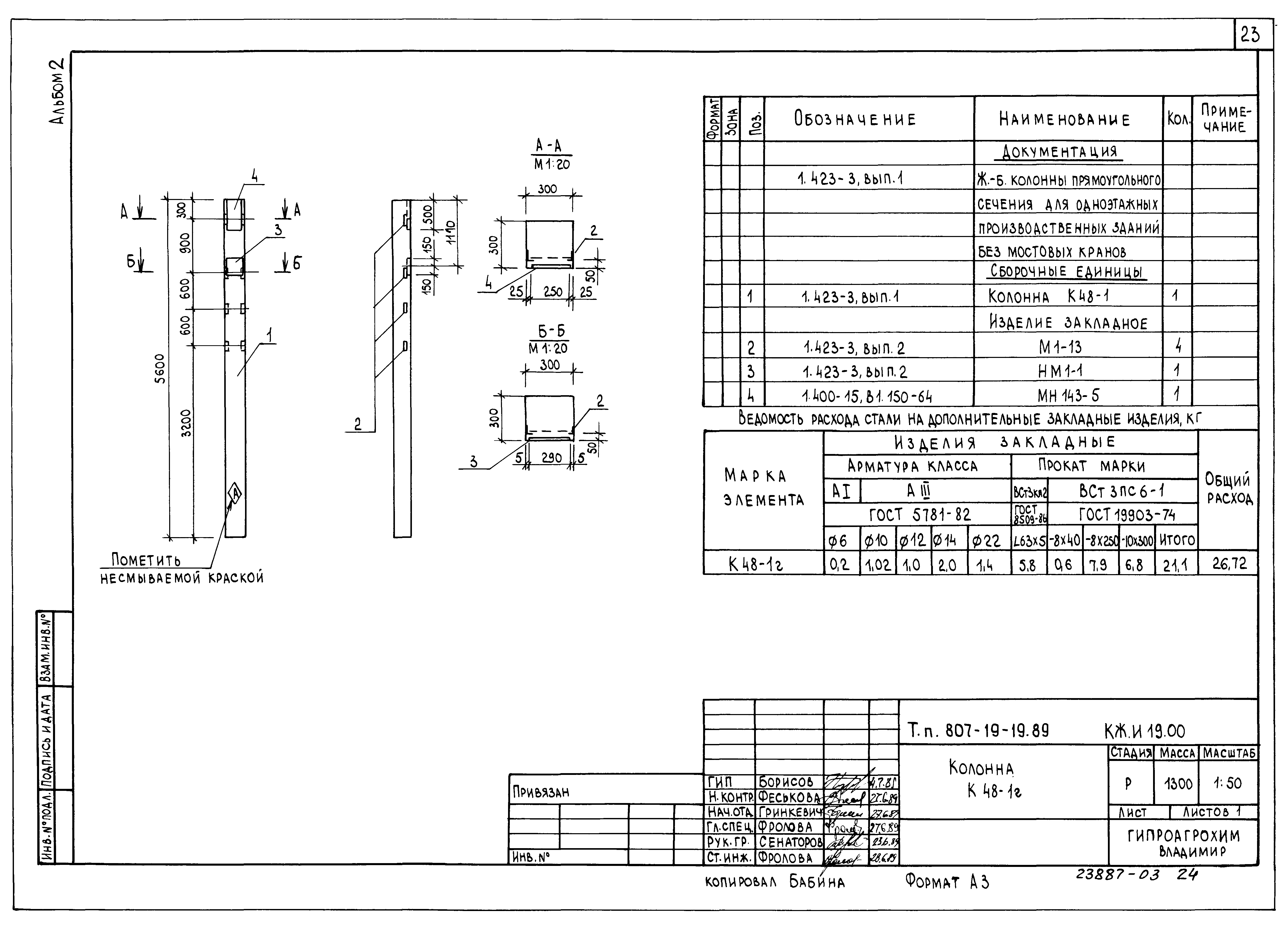
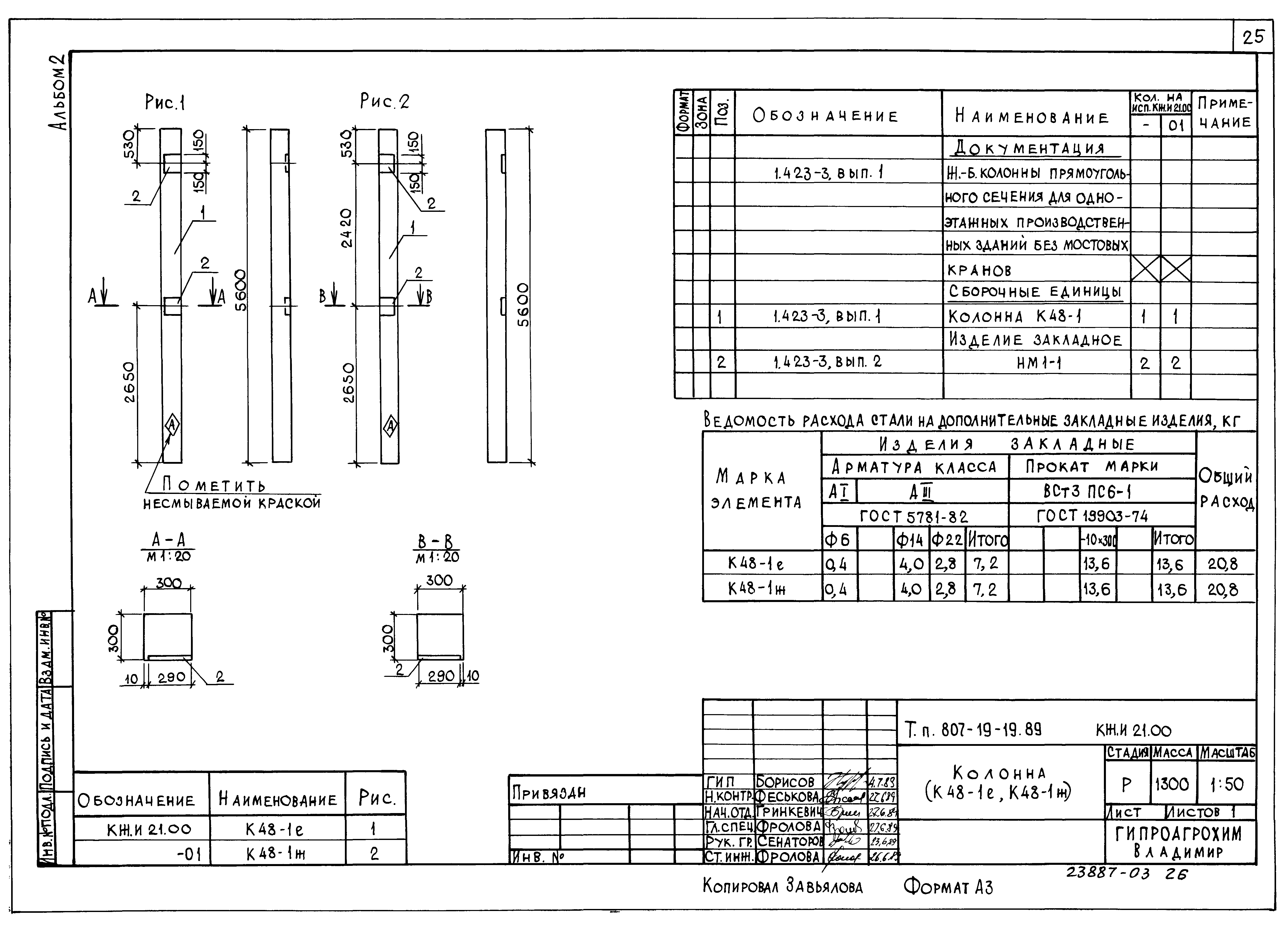
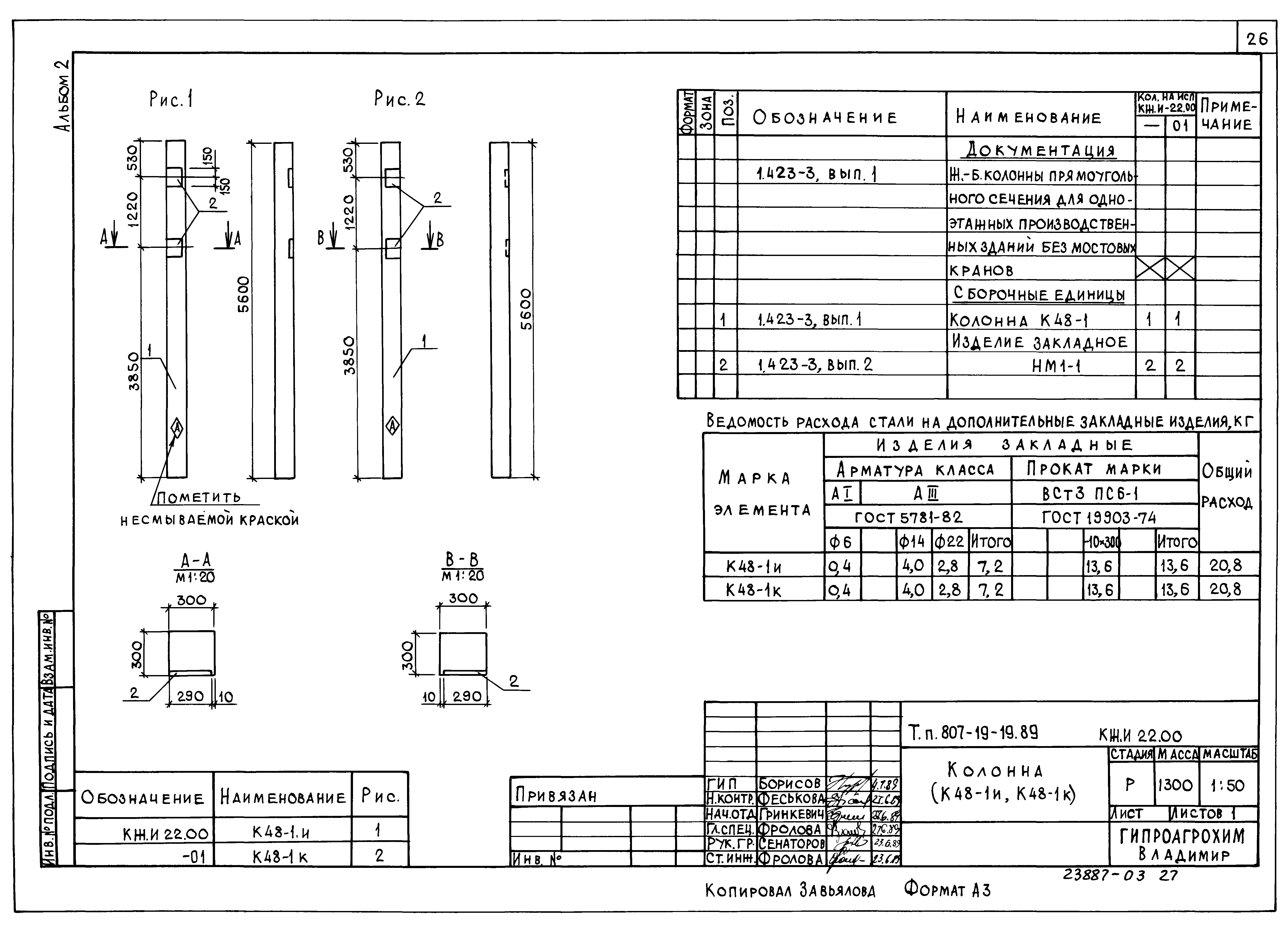
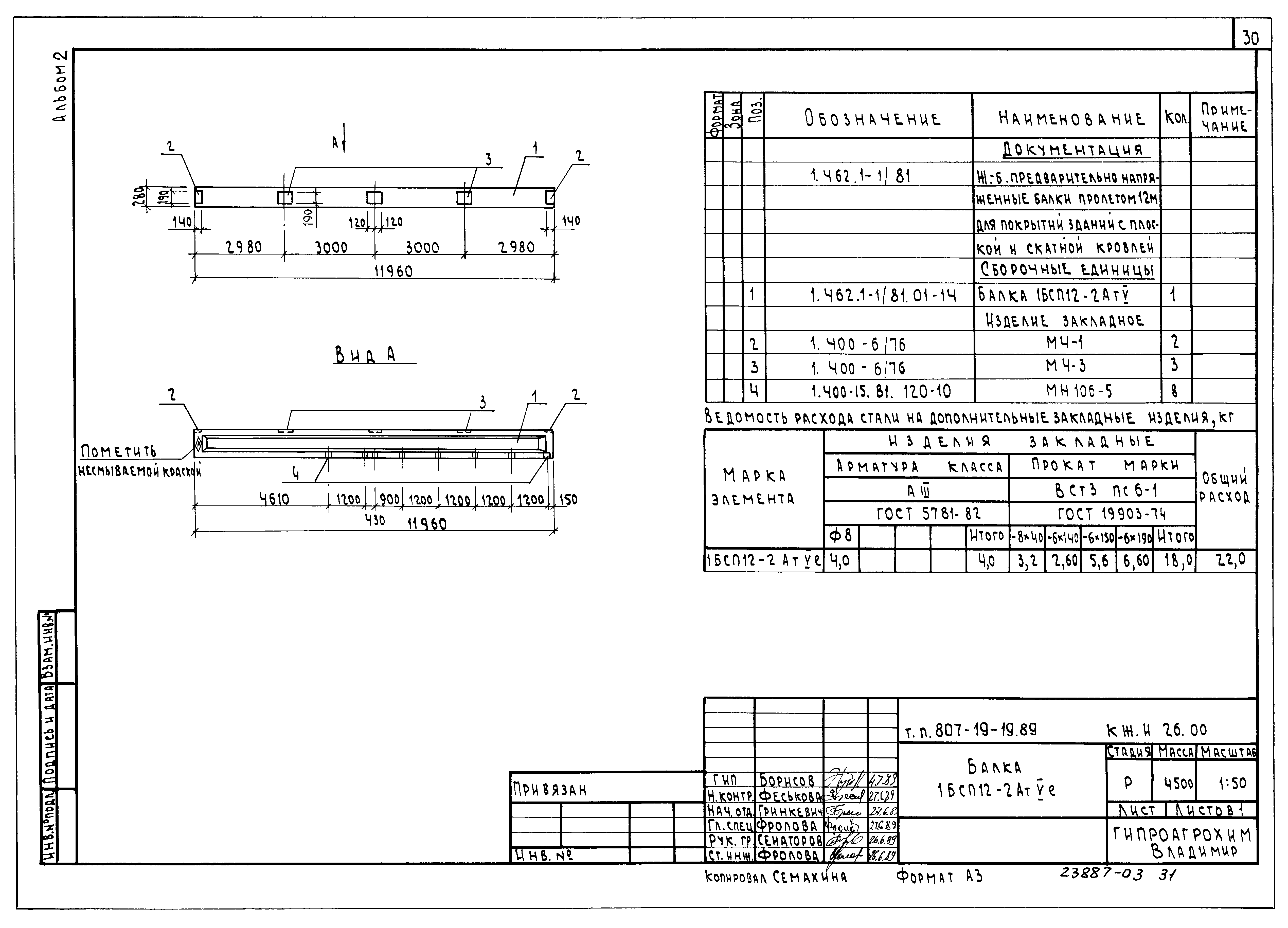
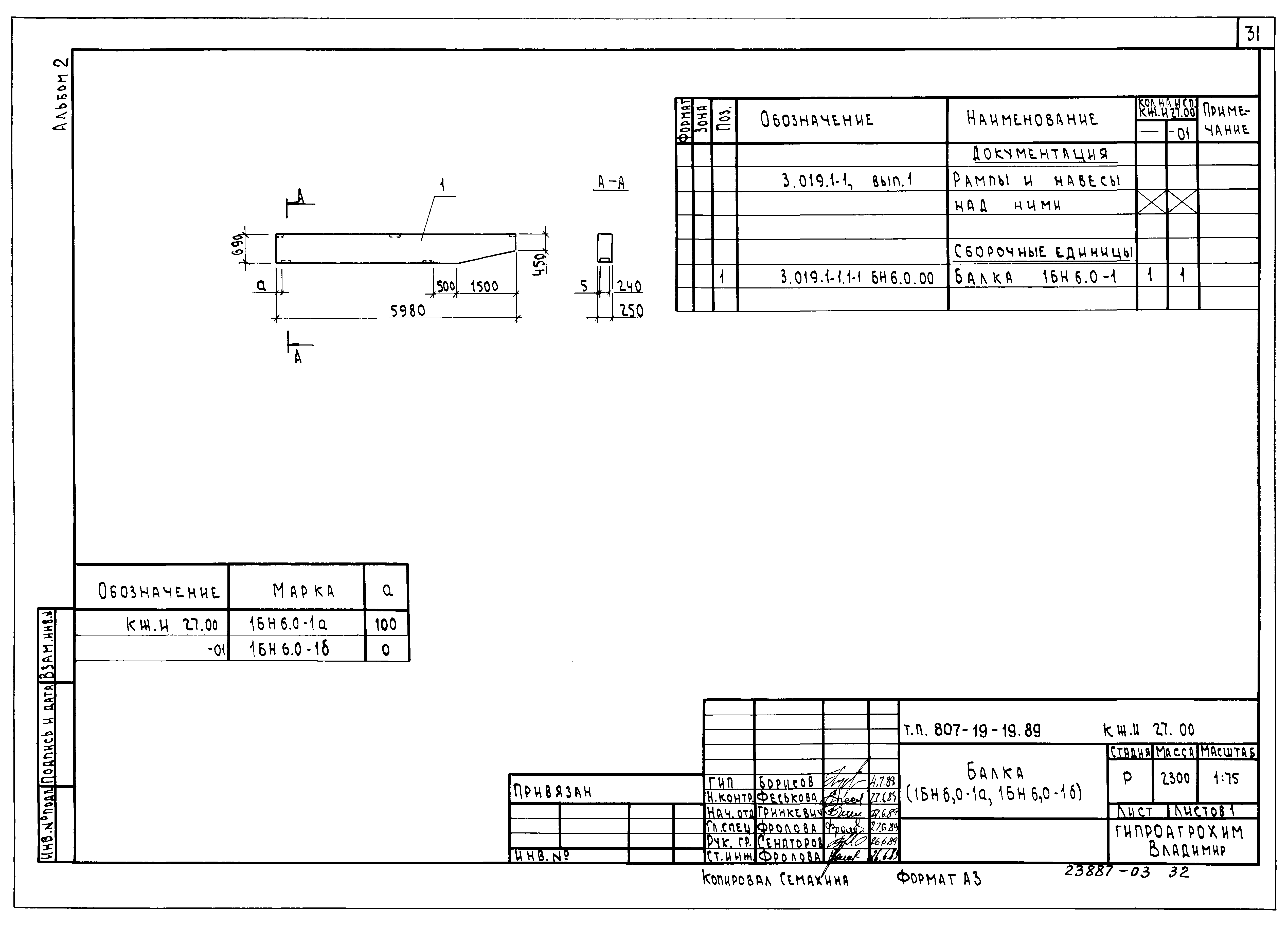
Скачать Типовой проект 807-19-19.89 Альбом 2. Строительные изделияДата актуализации: 01.01.2021
|
| Обозначение: | Типовой проект 807-19-19.89 |
| Обозначение англ: | 807-19-19.89 |
| Статус: | не определен законодательством |
| Название рус.: | Альбом 2. Строительные изделия |
| Дата добавления в базу: | 01.01.2021 |
| Дата актуализации: | 01.01.2021 |
| Дата введения: | 28.06.1989 |
| Дата окончания срока действия: | 30.06.2003 |
| Разработан: | Гипроагрохим |
| Утверждён: | 28.06.1989 Гипроагрохим Госагропрома СССР (26-Э) |
| Издан: | ЦИТП Госстроя СССР (CITP, Gosstroy (USSR) 1989 г. ) |
| Заменяет собой: |
|






















































