Скачать ГОСТ Р 58866-2020 Подшипники качения приборные. Методы контроля геометрических параметров деталей подшипниковДата актуализации: 01.01.2021
|
| Обозначение: | ГОСТ Р 58866-2020 |
| Обозначение англ: | GOST R 58866-2020 |
| Статус: | введен впервые |
| Название рус.: | Подшипники качения приборные. Методы контроля геометрических параметров деталей подшипников |
| Название англ.: | Instrument rolling bearings. Methods for controlling geometrical parameters of bearing parts |
| Дата добавления в базу: | 01.01.2021 |
| Дата актуализации: | 01.01.2021 |
| Дата введения: | 01.08.2020 |
| Область применения: | Стандарт устанавливает методы измерений и соответствующие схемы измерений геометрических параметров деталей приборных шариковых подшипников качения. Стандарт распространяется на детали приборных шариковых подшипников качения и шарикоподшипниковых опор и применяется при их изготовлении, контроле, подтверждении соответствия требованиям нормативных документов или технической документации. |
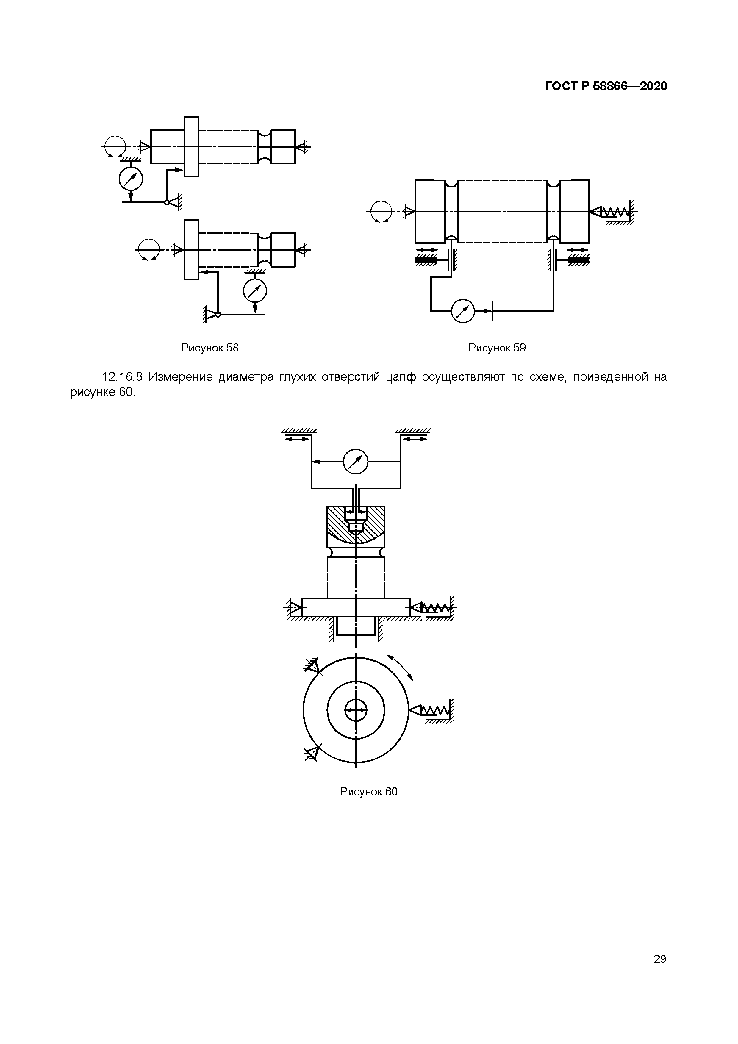
| Оглавление: | 1 Область применения 2 Нормативные ссылки З Термины и определения 4 Условные обозначения 5 Точность измерений 6 Средства измерения и вспомогательные устройства 7 Методы измерения 8 Требования безопасности 9 Требования к квалификации персонала 10 Условия выполнения измерений 11 Подготовка к выполнению измерений 12 Выполнение измерений 12.1 Схемы измерения посадочного диаметра внутренних колец 12.2 Схема измерения ширины внутренних колец 12.3 Схемы измерения осевого биения дорожки качения (параллельности дорожки качения относительно торца) внутренних колец 12.4 Схемы измерения радиального биения дорожки качения (разностенности дорожки качения относительно отверстия) внутренних колец 12.5 Схемы измерения диаметра дорожки качения внутренних колец 12.6 Схемы измерения перпендикулярности торца внутреннего кольца относительно отверстия 12.7 Схемы измерения посадочного диаметра наружных колец 12.8 Схема измерения ширины наружных колец 12.9 Схемы измерения осевого биения дорожки качения (параллельности дорожки качения относительно торца) наружных колец 12.10 Схемы измерения радиального биения дорожки качения/внутренней цилиндрической поверхности (разностенности дорожки качения/внутренней цилиндрической поверхности относительно наружной поверхности) наружных колец 12.11 Схемы измерения диаметра дорожки качения/внутренней цилиндрической поверхности наружных колец 12.12 Схемы измерения перпендикулярности наружной поверхности наружного кольца относительно торца 12.13 Схема измерения перпендикулярности внутренней цилиндрической поверхности наружного кольца относительно опорной стороны фланца 12.14 Схема измерения замка дорожки качения наружных колец 12.15 Схемы измерения геометрических параметров промежуточных колец 12.16 Схемы измерения геометрических параметров валиков и цапф 12.17 Схема измерения геометрических параметров шариков 12.18 Схемы измерения геометрических параметров сепараторов 13 Обработка и оформление результатов измерения |
| Разработан: | ТК 218 Приборные подшипники качения ОАО ОК-Лоза |
| Утверждён: | 28.05.2020 Федеральное агентство по техническому регулированию и метрологии (234-ст) |
| Издан: | Стандартинформ (2020 г. ) |
| Нормативные ссылки: |
|




































