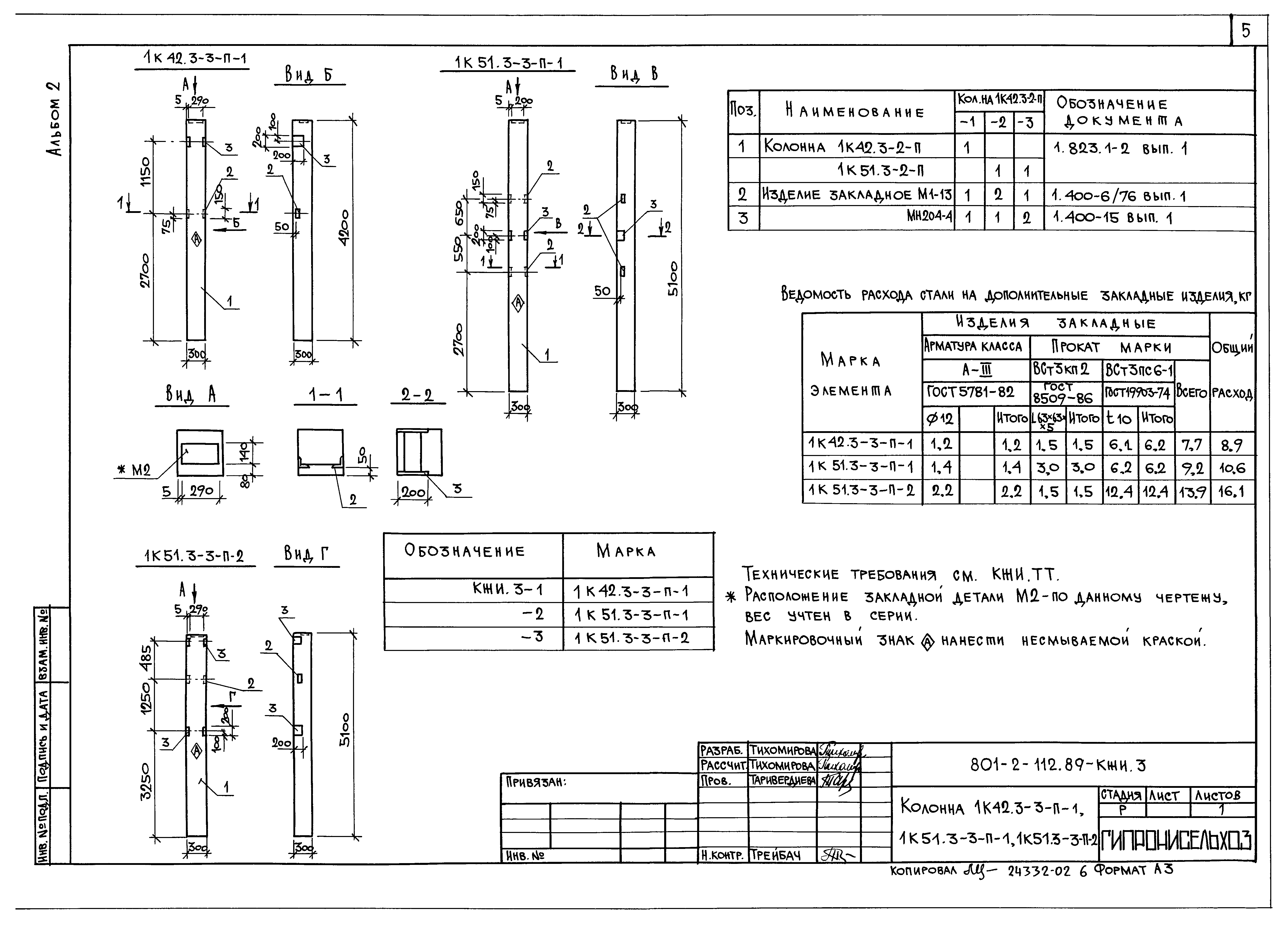
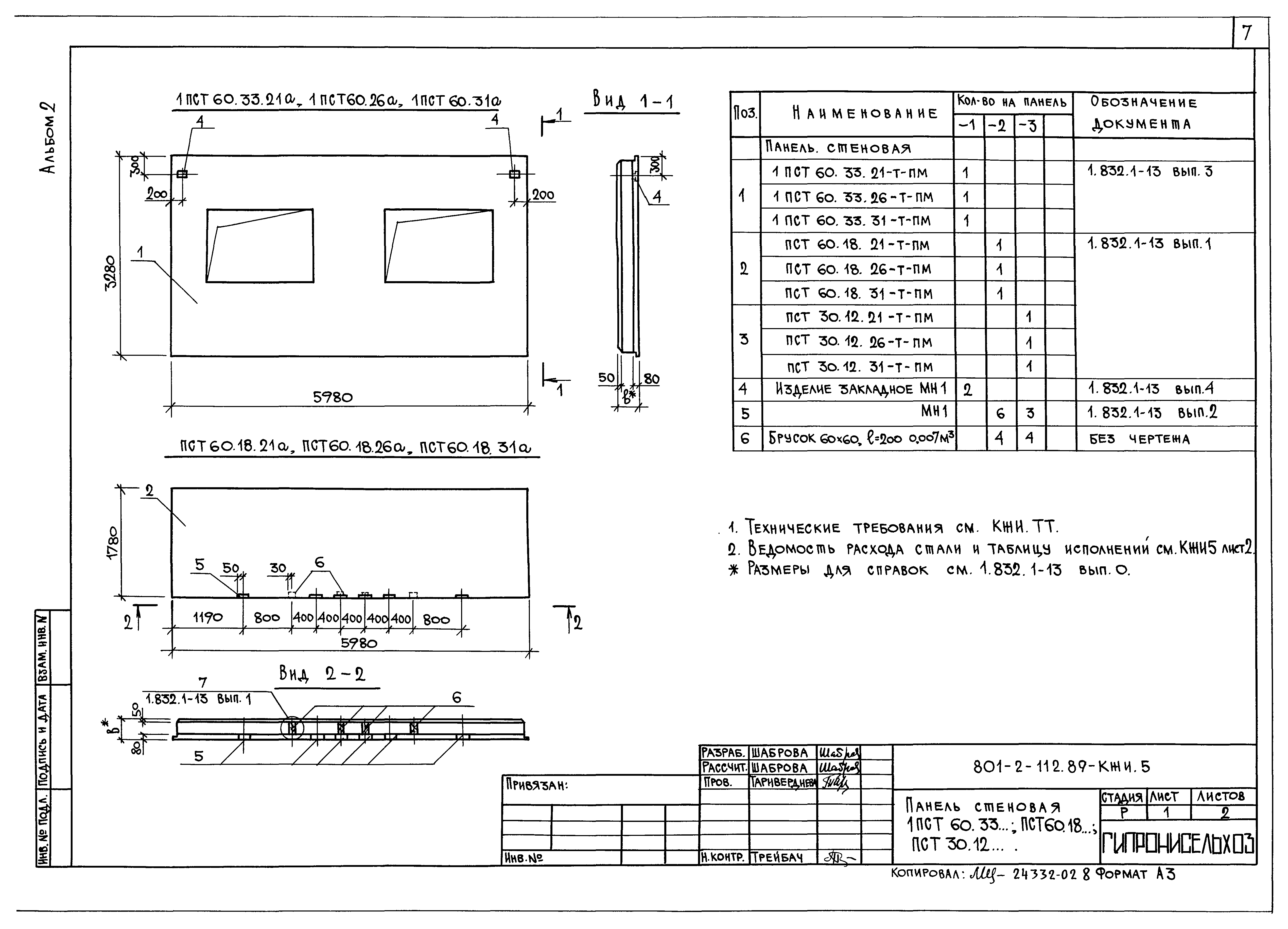
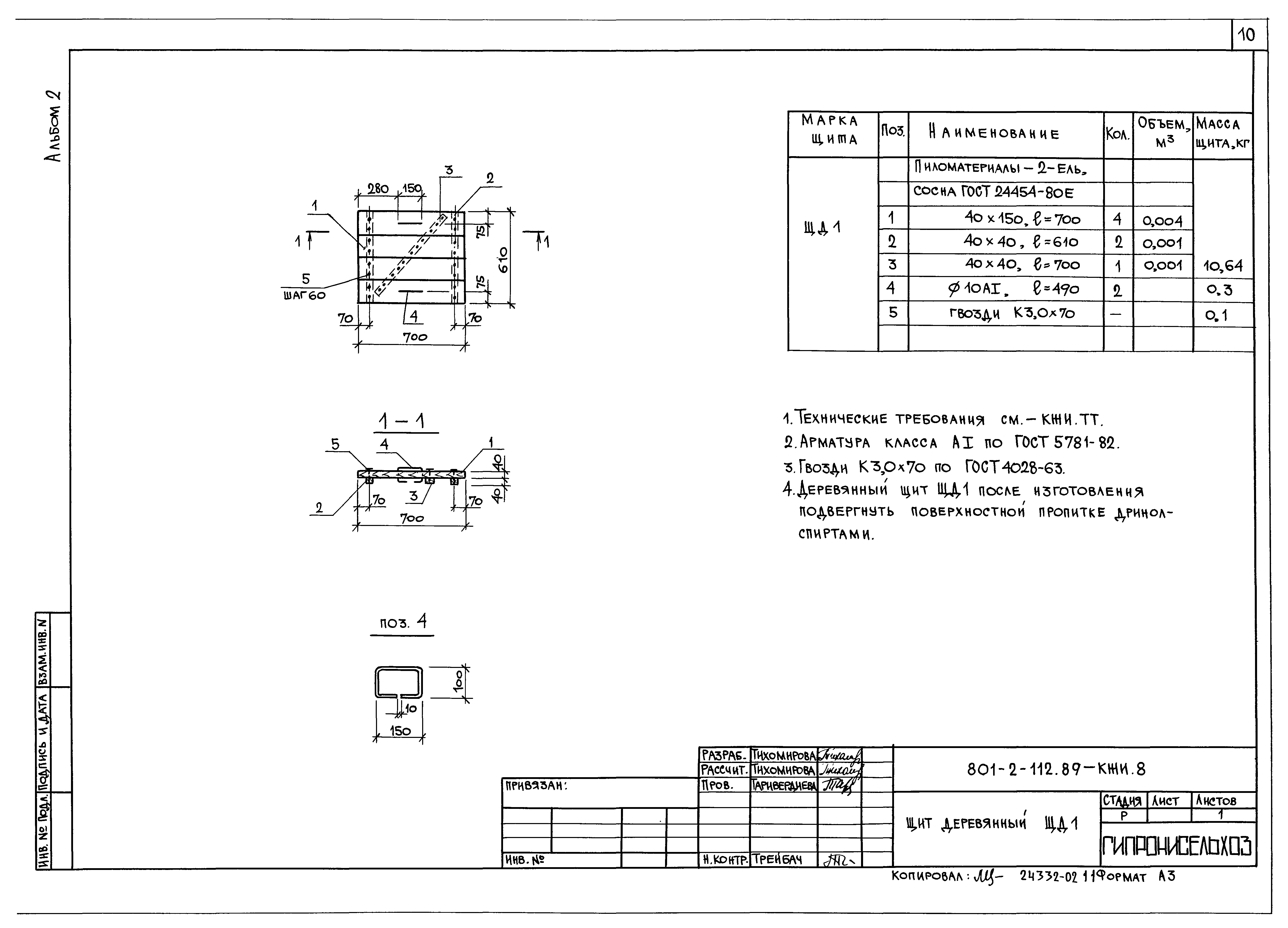
Скачать Типовой проект 801-2-112.89 Альбом 2. Строительные изделияДата актуализации: 01.01.2021
|
| Обозначение: | Типовой проект 801-2-112.89 |
| Обозначение англ: | 801-2-112.89 |
| Статус: | не определен законодательством |
| Название рус.: | Альбом 2. Строительные изделия |
| Дата добавления в базу: | 01.01.2021 |
| Дата актуализации: | 01.01.2021 |
| Дата введения: | 15.11.1989 |
| Дата окончания срока действия: | 30.06.2003 |
| Разработан: | ГипроНИсельхоз (Институт Гипронисельхоз ) |
| Утверждён: | 30.06.1988 Госагропром СССР (USSR Gosagroprom 805-42/80) |











