Скачать ГОСТ Р 58921-2020 Система стандартов безопасности спортивного инвентаря. Спортивный инвентарь для защиты от падения с высоты. Веревки динамические. Общие технические требования. Методы испытанийДата актуализации: 01.01.2021
|
| Обозначение: | ГОСТ Р 58921-2020 |
| Обозначение англ: | GOST R 58921-2020 |
| Статус: | принят |
| Название рус.: | Система стандартов безопасности спортивного инвентаря. Спортивный инвентарь для защиты от падения с высоты. Веревки динамические. Общие технические требования. Методы испытаний |
| Название англ.: | The system of sports equipment safety standards. Sports equipment for protection against falling from height. Dynamic ropes. General technical requirements. Test methods |
| Дата добавления в базу: | 01.01.2021 |
| Дата актуализации: | 01.01.2021 |
| Дата введения: | 01.04.2021 |
| Область применения: | Стандарт распространяется на динамические веревки, используемые при занятиях спортом и активной спортивной деятельностью, необходимые для обеспечения безопасности пользователя при возможном падении с высоты (например, в альпинизме, скалолазании, туризме, спелеологии, веревочных парках). Стандарт устанавливает требования к характеристикам, методам испытаний, маркировке и эксплуатационной документации. |
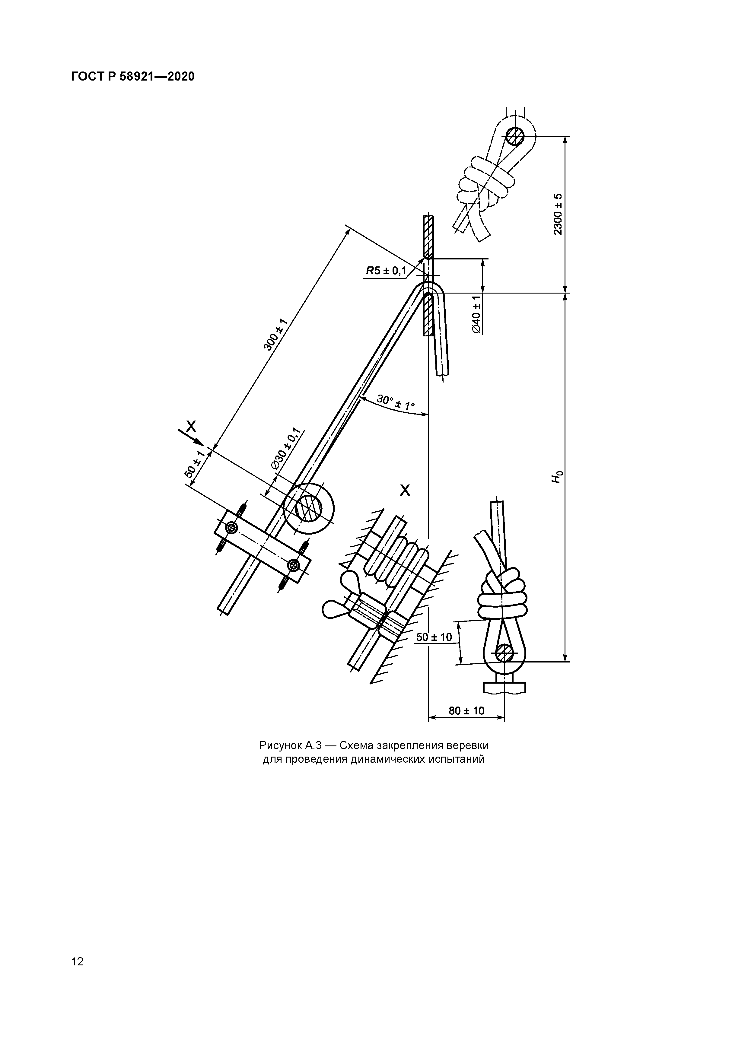
| Оглавление: | 1 Область применения 2 Нормативные ссылки 3 Термины и определения 4 Классификация 5 Технические требования 6 Методы испытаний 7 Маркировка 8 Эксплуатационная документация Приложение А (обязательное) Оборудование для проведения испытаний |
| Разработан: | НИУ МГСУ |
| Утверждён: | 21.07.2020 Федеральное агентство по техническому регулированию и метрологии (371-ст) |
| Нормативные ссылки: |
|






















